Open-Circuit Fault Detection and Classification of Modular Multilevel Converters in High Voltage Direct Current Systems (MMC-HVDC) with Long Short-Term Memory (LSTM) Method
Abstract
1. Introduction
- (1)
- The proposed method has the ability to achieve accurate detection and classification of IGBT open-circuit faults but also can reduce the computational cost of sensing and learning from a large number of measurements.
- (2)
- Without data preprocessing or post-operations, the fault detection accuracy of 100% and excellent classification accuracy are achieved.
- (3)
- Performance comparisons of LSTM, bidirectional LSTM (BiLSTM), CNN, and AE-based DNN in terms of fault detection, classification accuracy, and time spent on training and testing for IGBT Open-circuit fault diagnosis of MMC-HVDC are provided.
2. Preliminaries on MMC Open-Circuit Faults and Simulation Experiments
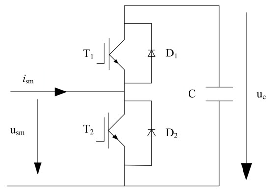
2.1. MMC Sub-Module and Open-Circuit Faults
2.2. Simulation Experiments
3. RNN and LSTM
4. Fault Diagnosis of MMC-HVDC Systems with LSTM
4.1. Design of LSTM
4.2. Results and Analysis
4.2.1. Parameters Selection of LSTM
4.2.2. Detection and Classification of MMC-HVDC System with LSTM
5. Comparison
5.1. Comparison with BiLSTM
5.2. Comparison with CNN and AE-DNN
6. Conclusions
Author Contributions
Funding
Institutional Review Board Statement
Informed Consent Statement
Data Availability Statement
Acknowledgments
Conflicts of Interest
References
- Guan, M.; Xu, Z. Modeling and control of a modular multilevel converter-based HVDC system under unbalanced grid conditions. IEEE Trans. Power Electron. 2012, 27, 4858–4867. [Google Scholar] [CrossRef]
- Li, S.; Wang, X.; Yao, Z.; Li, T.; Peng, Z. Circulating current suppressing strategy for MMC-HVDC based on nonideal proportional resonant controllers under unbalanced grid conditions. IEEE Trans. Power Electron. 2015, 30, 387–397. [Google Scholar] [CrossRef]
- Nami, A.; Liang, J.; Dijkhuizen, F.; Demetriades, G.D. Modular multilevel converters for HVDC applications: Review on converter cell and functionalities. IEEE Trans. Power Electron. 2015, 30, 18–36. [Google Scholar] [CrossRef]
- Debnath, S.; Qin, J.; Bahrani, B.; Saeedifard, M.; Barbosa, P. Operation, control, and applications of the modular multilevel converter: A review. IEEE Trans. Power Electron. 2015, 30, 37–53. [Google Scholar] [CrossRef]
- Yang, Q.; Qin, J.; Saeedifard, M. Analysis, Detection, and Location of Open-Switch Submodule Failures in a Modular Multilevel Converter. IEEE Trans. Power Deliv. 2016, 31, 155–164. [Google Scholar] [CrossRef]
- Lu, B.; Sharma, S.K. A literature review of IGBT fault diagnostic and protection methods for power inverters. IEEE Trans. Ind. Appl. 2009, 45, 1770–1777. [Google Scholar] [CrossRef]
- Ciappa, M. Selected failure mechanisms of modern power modules. Microelectron. Reliab. 2002, 42, 653–667. [Google Scholar] [CrossRef]
- Geng, Z.; Han, M.; Khan, Z.W.; Zhang, X. Detection and Localization Strategy for Switch Open-Circuit Fault in Modular Multilevel Converters. IEEE Trans. Power Deliv. 2020, 35, 2630–2640. [Google Scholar] [CrossRef]
- Choi, U.M.; Blaabjerg, F.; Lee, K.B. Study and handling methods of power IGBT module failures in power electronic converter systems. IEEE Trans. Power Electron. 2015, 30, 2517–2533. [Google Scholar] [CrossRef]
- Oh, H.; Han, B.; McCluskey, P.; Han, C.; Youn, B. Physics-of-failure, condition monitoring, and prognostics of insulated gate bipolar transistor modules: A review. IEEE Trans. Power Electron. 2015, 30, 2413–2426. [Google Scholar] [CrossRef]
- Wang, C.; Zhou, L.; Li, Z. Survey of switch fault diagnosis for modular multilevel converter. IET Circuits Devices Syst. 2019, 13, 117–124. [Google Scholar] [CrossRef]
- Yu, J.; Xia, C. Discrete-time capacitor-voltage observer and state-error feedback controller for MMC based on passive theory. Int. J. Electr. Power Energy Syst. 2020, 117, 105583. [Google Scholar] [CrossRef]
- Shao, S.; Wheeler, P.; Clare, J.; Watson, A. Fault detection for modular multilevel converters based on slidingmode observer. IEEE Trans. Power Electron. 2013, 28, 4867–4872. [Google Scholar] [CrossRef]
- Shao, S.; Watson, A.J.; Clare, J.C.; Wheeler, P.W. Robustness analysis and experimental validation of a fault detection and isolation method for the modular multilevel converter. IEEE Trans. Power Electron. 2016, 31, 3794–3805. [Google Scholar] [CrossRef]
- Zhang, Y.; Hu, H.; Liu, Z.; Zhao, M.; Cheng, L. Concurrent fault diagnosis of modular multilevel converter with Kalman filter and optimized support vector machine. Syst. Sci. Control Eng. 2019, 7, 43–53. [Google Scholar] [CrossRef]
- Deng, F.; Chen, Z.; Khan, M.R.; Zhu, R. Fault detection and localization method for modular multilevel converters. IEEE Trans. Power Electron. 2015, 30, 2721–2732. [Google Scholar] [CrossRef]
- Nandi, R.; Panigrahi, B.K. Detection of Fault in a Hybrid Power System Using Wavelet Transform. In Proceedings of the Michael Faraday IET International Summit, Kolkata, India, 12–13 September 2015; IET: London, UK, 2015; pp. 203–206. [Google Scholar] [CrossRef]
- Li, Y.; Shi, X.; Wang, F.; Tolbert, L.M.; Liu, J. Dc fault protection of multiterminal VSCHVDC system with hybrid dc circuit breaker. In Proceedings of the 2016 IEEE Energy Conversion Congress and Exposition (ECCE), Milwaukee, WI, USA, 18–22 September 2016; IEEE: Piscataway, NJ, USA, 2016; pp. 1–8. [Google Scholar] [CrossRef]
- Liu, L.; Popov, M.; Van Der Meijden, M.; Terzija, V. A wavelet transform-based protection scheme of multi-terminal HVDC system. In Proceedings of the 2016 IEEE International Conference Power System Technology (POWERCON), Wollongong, NSW, Australia, 28 September–1 October 2016; IEEE: Piscataway, NJ, USA, 2016; pp. 1–6. [Google Scholar] [CrossRef]
- Costa, F.B. Boundary wavelet coefficients for real-time detection of transients induced by faults and power-quality disturbances. IEEE Trans. Power Deliv. 2014, 29, 2674–2687. [Google Scholar] [CrossRef]
- Wang, X.; Saizhao, Y.; Jinyu, W. ANN-based Robust DC Fault Protection Algorithm for MMC High-voltage Direct Current Grid. IET Renew. Power Gener. 2020, 14, 199–210. [Google Scholar] [CrossRef]
- Furqan, A.; Muhammad, T.; Sung, H.K. Neural Network Based Fault Detection and Diagnosis System for Three-Phase Inverter in Variable Speed Drive with Induction Motor. J. Control Sci. Eng. 2016, 2016, 1286318. [Google Scholar] [CrossRef]
- Merlin, V.L.; dos Santos, R.C.; Le Blond, S.; Coury, D.V. Efficient and robust ANN-based method for an improved protection of VSC-HVDC systems. IET Renew. Power Generate 2018, 12, 1555–1562. [Google Scholar] [CrossRef]
- Li, C.; Liu, Z.; Zhang, Y.; Chai, L.; Xu, B. Diagnosis and location of the open-circuit fault in modular multilevel converters: An improved machine learning method. Neurocomputing 2019, 331, 58–66. [Google Scholar] [CrossRef]
- Li, X.; Deng, Z.H.; Wei, D.; Xu, C.S.; Cao, G.Y. Parameter optimization of thermal-model-oriented control law for PEM fuel cell stack via novel genetic algorithm. Energy Convers. Manag. 2011, 52, 3290–3330. [Google Scholar] [CrossRef]
- Li, Y.Z.; Wang, P.; Gooi, H.B.; Ye, J.; Wu, L. Multiobjective optimal dispatch of microgrid under uncertainties via interval optimization. IEEE Trans. Smart Grid 2017, 10, 2046–2058. [Google Scholar] [CrossRef]
- Liao, Y.J.; Sun, Y.; Li, G.F.; Kong, J.Y.; Jiang, G.; Jiang, D.; Liu, H. A joint optimization approach for multiple kinect and external cameras. Sensors 2017, 17, 1491. [Google Scholar] [CrossRef]
- Wang, C.; Zhang, Y.; Song, J.B.; Liu, Q.Q.; Dong, H.L. A novel optimized SVM algorithm based on PSO with saturation and mixed time-delays for classification of oil pipeline leak detection. Syst. Sci. Control Eng. 2019, 7, 75–88. [Google Scholar] [CrossRef]
- Guo, X.; Huang, X.; Zhang, L.; Zhang, L.; Plaza, A. Support Tensor Machines for Classification of Hyperspectral Remote Sensing Imagery. IEEE Trans. Geosci. Remote Sens. 2016, 54, 3248–3264. [Google Scholar] [CrossRef]
- Zhu, B.; Wang, H.; Shi, S.; Dong, X. Fault location in AC transmission lines with back-to-back MMC-HVDC using ConvNets. J. Eng. 2019, 2019, 2430–2434. [Google Scholar] [CrossRef]
- Qu, X.; Duan, B.; Yin, Q.; Shen, M.; Yan, Y. Deep convolution neural network based fault detection and identification for modular multilevel converters. In Proceedings of the 2018 IEEE Power & Energy Society General Meeting (PESGM), Portland, OR, USA, 5–9 August 2018; IEEE: Piscataway, NJ, USA, 2018; pp. 1–5. [Google Scholar] [CrossRef]
- Kiranyaz, S.; Gastli, A.; Ben-Brahim, L.; Al-Emadi, N.; Gabbouj, M. Real-time fault detection and identification for MMC using 1-D Convolutional Neural Networks. IEEE Trans. Ind. Electron. 2019, 66, 8760–8771. [Google Scholar] [CrossRef]
- Wang, Q.; Yu, Y.; Ahmed, H.O.; Darwish, M.; Nandi, A.K. Fault Detection and Classification in MMC-HVDC Systems with Learning Methods. Sensors 2020, 20, 4438. [Google Scholar] [CrossRef]
- An, Q.T.; Sun, L.Z.; Zhao, K. Switching function model-based fast-diagnostic method of open-switch faults in inverters without sensors. IEEE Trans. Power Electr. 2011, 26, 119–126. [Google Scholar] [CrossRef]
- Rafferty, J.; Xu, L.; Morrow, J. Analysis of voltage source converter-based high-voltage direct current under DC line-to-earth fault. IET Power Electr. 2015, 8, 428–438. [Google Scholar] [CrossRef]
- Haghnazari, S.; Khodabandeh, M.; Zolghadri, M.R. Fast fault detection method for modular multilevel converter semiconductor power switches. IET Power Electr. 2016, 9, 165–174. [Google Scholar] [CrossRef]
- Li, B.; Li, Y.; He, J. A DC fault handling method of the MMC-based DC system. Int. J. Electr. Power Energy Syst. 2017, 93, 39–50. [Google Scholar] [CrossRef]
- Wang, T.; Xu, H.; Han, J.; Elbouchikhi, E.; Benbouzid, M. Cascaded h-bridge multilevel inverter system fault diagnosis using a PCA and multiclass rele-vance vector machine approach. IEEE Trans. Power Electr. 2015, 30, 7006–7018. [Google Scholar] [CrossRef]
- Graves, A.; Mohamed, A.-R.; Hinton, G. Speech Recognition with Deep Recurrent Neural Networks. In Proceedings of the 2013 IEEE International Conference on Acoustics, Speech and Signal Processing (ICASSP), Vancouver, BC, Canada, 26–31 May 2013; IEEE: Piscataway, NJ, USA, 2013; pp. 6645–6649, ISBN 978-1-4799-0356-6. [Google Scholar] [CrossRef]
- Nandi, A.K.; Ahmed, H. Condition Monitoring with Vibration Signals: Compressive Sampling and Learning Algorithms for Rotating Machines; John Wiley & Sons: Hoboken, NJ, USA, 2020; pp. 285–299. ISBN 9781119544623. [Google Scholar]
- Lei, T.; Wang, R.; Wan, Y.; Du, X.; Meng, H.; Nandi, A.K. Medical Image Segmentation Using Deep Learning: A Survey. arXiv 2020, arXiv:2009.13120. [Google Scholar]
- Auli, M.; Galley, M.; Quirk, C.; Zweig, G. Joint Language and Translation Modeling with Recurrent Neural Networks. In Proceedings of the EMNLP, Seattle, WA, USA, 18–21 October 2013; pp. 1044–1054. [Google Scholar] [CrossRef]
- Hochreiter, S.; Schmidhuber, J. Long short-term memory. Neural Comput. 1997, 9, 1735–1780. [Google Scholar] [CrossRef]
- Kingma, D.; Jimmy, B. Adam: A method for stochastic optimization. arXiv 2014, arXiv:1412.6980. [Google Scholar]
- Alex Graves and Jurgen Schmidhuber, Framewise Phoneme Classification with Bidirectional LSTM and Other Neural Network Architectures. Neural Netw. 2005, 18, 602–610. [CrossRef]











| SM State | Normal | Fault | Fault |
|---|---|---|---|
| Parameters | Value |
|---|---|
| number of SMs per arm | 9 |
| SM capacitor | 1000 μF |
| arm inductance | 50 mH |
| AC frequency | 50 Hz |
| Faulty Bridge | Label Value |
|---|---|
| Normal | 1 |
| A-phase lower SMs | 2 |
| A-phase upper SMs | 3 |
| B-phase lower SMs | 4 |
| B-phase upper SMs | 5 |
| C-phase lower SMs | 6 |
| C-phase upper SMs | 7 |
| Testing Data Proportion | Detection Accuracy (%) |
|---|---|
| 0.1 | 100 |
| 0.2 | 100 |
| 0.3 | 100 |
| 0.4 | 100 |
| 0.5 | 100 |
| 0.6 | 100 |
| 0.7 | 100 |
| 0.8 | 100 |
| 0.9 | 100 |
| Testing Data Proportion = 0.2 | |||||||
| Normal | A-Phase Lower SMs | A-Phase Upper SMs | B-Phase Lower SMs | B-Phase Upper SMs | C-Phase Lower SMs | C-Phase Upper SMs | |
| Normal | 100 | 0 | 0 | 0 | 0 | 0 | 0 |
| A-phase lower SMs | 0 | 96.25 | 0 | 1.25 | 0 | 2.5 | 0 |
| A-phase upper SMs | 0 | 0 | 98.75 | 0 | 1.25 | 0 | 0 |
| B-phase lower SMs | 0 | 2.75 | 0 | 95.75 | 0 | 1.5 | 0 |
| B-phase upper SMs | 0 | 0 | 0 | 0 | 98.75 | 0 | 1.25 |
| C-phase lower SMs | 0 | 1.25 | 0 | 2.25 | 0 | 96.5 | 0 |
| C-phase upper SMs | 0 | 0 | 0.25 | 0 | 3.75 | 0 | 96 |
| Testing Data Proportion = 0.5 | |||||||
| Normal | A-Phase Lower SMs | A-Phase Upper SMs | B-Phase Lower SMs | B-Phase Upper SMs | C-Phase Lower SMs | C-Phase Upper SMs | |
| normal | 100 | 0 | 0 | 0 | 0 | 0 | 0 |
| A-phase lower SMs | 0 | 96.2 | 0 | 2.7 | 0 | 1 | 0.1 |
| A-phase upper SMs | 0 | 0 | 98.5 | 0 | 1.1 | 0 | 0.4 |
| B-phase lower SMs | 0 | 1.8 | 0 | 97.3 | 0 | 0.9 | 0 |
| B-phase upper SMs | 0 | 0.2 | 0.2 | 0 | 97.4 | 0 | 2.2 |
| C-phase lower SMs | 0 | 0.2 | 0 | 1.6 | 0 | 98 | 0.2 |
| C-phase upper SMs | 0 | 1.9 | 0 | 0 | 3.1 | 0 | 95 |
| Testing Data Proportion = 0.8 | |||||||
| Normal | A-Phase Lower SMs | A-Phase Upper SMs | B-Phase Lower SMs | B-Phase Upper SMs | C-Phase Lower SMs | C-Phase Upper SMs | |
| normal | 100 | 0 | 0 | 0 | 0 | 0 | 0 |
| A-phase lower SMs | 0 | 95.88 | 0 | 0.69 | 0 | 3.12 | 0.31 |
| A-phase upper SMs | 0 | 0 | 93.12 | 0.44 | 3.25 | 1.13 | 2.06 |
| B-phase lower SMs | 0 | 1.69 | 0 | 93.69 | 0 | 4.62 | 0 |
| B-phase upper SMs | 0 | 0.25 | 1.56 | 0 | 94.81 | 0.88 | 2.50 |
| C-phase lower SMs | 0 | 2.06 | 0 | 2.44 | 0 | 94.88 | 0.62 |
| C-phase upper SMs | 0 | 3.88 | 1.81 | 0 | 2.81 | 0.50 | 91 |
| Testing Data Proportion | Detection Accuracy | Classification Accuracy | Training Time Spent | Testing Time Spent | ||||
|---|---|---|---|---|---|---|---|---|
| LSTM | BiLSTM | LSTM | BiLSTM | LSTM | BiLSTM | LSTM | BiLSTM | |
| 0.1 | 100 | 100 | 0.984 | 0.974 | 942.4 | 2169.1 | 0.41 | 0.97 |
| 0.2 | 100 | 100 | 0.974 | 0.974 | 863.8 | 1519.0 | 0.69 | 1.40 |
| 0.3 | 100 | 100 | 0.979 | 0.980 | 794.4 | 1469.8 | 0.92 | 1.89 |
| 0.4 | 100 | 100 | 0.974 | 0.970 | 724.5 | 1362.9 | 1.29 | 2.63 |
| 0.5 | 100 | 100 | 0.975 | 0.973 | 677.9 | 1249.0 | 1.51 | 3.10 |
| 0.6 | 100 | 100 | 0.963 | 0.967 | 590.9 | 1147.0 | 1.83 | 3.93 |
| 0.7 | 100 | 100 | 0.959 | 0.962 | 531.6 | 1068.1 | 2.05 | 4.56 |
| 0.8 | 100 | 100 | 0.948 | 0.951 | 490.6 | 951.4 | 2.45 | 5.26 |
| 0.9 | 100 | 100 | 0.926 | 0.924 | 417.5 | 863.5 | 2.62 | 5.88 |
Publisher’s Note: MDPI stays neutral with regard to jurisdictional claims in published maps and institutional affiliations. |
© 2021 by the authors. Licensee MDPI, Basel, Switzerland. This article is an open access article distributed under the terms and conditions of the Creative Commons Attribution (CC BY) license (https://creativecommons.org/licenses/by/4.0/).
Share and Cite
Wang, Q.; Yu, Y.; Ahmed, H.O.A.; Darwish, M.; Nandi, A.K. Open-Circuit Fault Detection and Classification of Modular Multilevel Converters in High Voltage Direct Current Systems (MMC-HVDC) with Long Short-Term Memory (LSTM) Method. Sensors 2021, 21, 4159. https://doi.org/10.3390/s21124159
Wang Q, Yu Y, Ahmed HOA, Darwish M, Nandi AK. Open-Circuit Fault Detection and Classification of Modular Multilevel Converters in High Voltage Direct Current Systems (MMC-HVDC) with Long Short-Term Memory (LSTM) Method. Sensors. 2021; 21(12):4159. https://doi.org/10.3390/s21124159
Chicago/Turabian StyleWang, Qinghua, Yuexiao Yu, Hosameldin O. A. Ahmed, Mohamed Darwish, and Asoke K. Nandi. 2021. "Open-Circuit Fault Detection and Classification of Modular Multilevel Converters in High Voltage Direct Current Systems (MMC-HVDC) with Long Short-Term Memory (LSTM) Method" Sensors 21, no. 12: 4159. https://doi.org/10.3390/s21124159
APA StyleWang, Q., Yu, Y., Ahmed, H. O. A., Darwish, M., & Nandi, A. K. (2021). Open-Circuit Fault Detection and Classification of Modular Multilevel Converters in High Voltage Direct Current Systems (MMC-HVDC) with Long Short-Term Memory (LSTM) Method. Sensors, 21(12), 4159. https://doi.org/10.3390/s21124159

