Excess Air Ratio Management in a Diesel Engine with Exhaust Backpressure Compensation
Abstract
1. Introduction
2. Theoretical Background and Definitions
2.1. Combustible Mixture and Exhaust Gas Composition
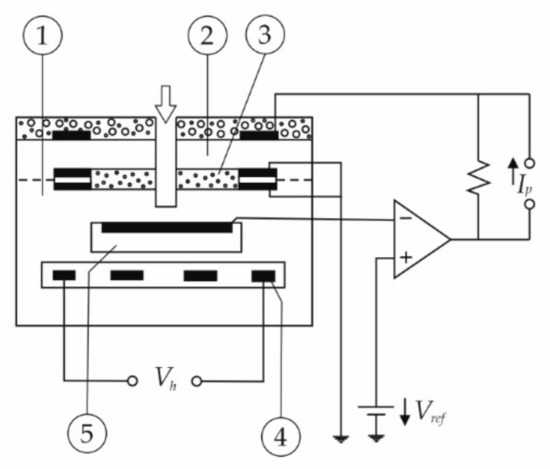
2.2. Measurement Principles and Calculation Procedures for UEGO Sensor
3. Methods
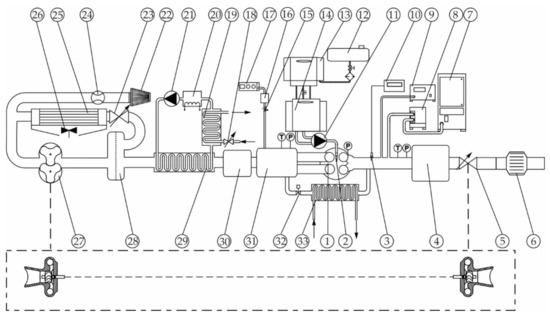
3.1. Test Stand
3.2. Experimental Procedure
3.3. Reference λ Determination
4. Results
5. Discussion and Outlook
6. Conclusions
- The exhaust pressure has a pronounced effect on the UEGO sensor output. With the exhaust pressure increased to 160 kPa, the overestimation of λ by the UEGO sensor may be as high as 37%;
- At the same time, the exhaust pressure has a more significant influence on the sensor output than all other factors combined, including exhaust thermal conditions, EGR, and cumulative measurement accuracy;
- The previous linear models for wideband UEGO sensor response to backpressure proposed for spark ignition engine applications fail drastically for diesel-like excess air ratios. Whenλ ≈ 2, the error can be as high as 20% and may increase to over 65% for λ higher than 3;
- The proposed new model has a minimum accuracy of 7% across the wide spectrum of λ values (from 1.4 to 7) and EGR (0–40%), as investigated in this study;
- The comparison with an accurately validated spark ignition-capable model (Model 1) has shown that the proposed model yields a satisfactory accuracy of 0.8% at 1 ≤ λ ≤ 1.2.
Author Contributions
Funding
Conflicts of Interest
Abbreviations
| List of acronyms | |
| CO | carbon oxide |
| CRDI | common rail direct injection |
| EGR | exhaust gas recirculation |
| FAME | fatty acid methyl ester |
| FTIR | Fourier transform infrared |
| HC | hydrocarbons |
| HCCI | homogenous charge compression ignition |
| NOx | nitrous oxides |
| NH3 | ammonia |
| RCCI | reactivity-controlled compression ignition |
| UEGO | universal exhaust gas oxygen sensor |
| YSZ | yttrium-stabilized zirconia |
| List of symbols | |
| aox | species undergoing oxidation (1 mol/L) for solutes, (1 atm) for gases |
| ared | species undergoing reduction (1 mol/L) for solutes, (1 atm) for gases |
| E | potential of an electrochemical reaction in a cell (V) |
| E0 | standard potential of electrode (V) |
| F | Faraday constant (C/mol) |
| IP_app | pump current under exhaust overpressure (A) |
| IP(p0) | pump current at ambient conditions (A) |
| k | experimentally determined factor for lean mixtures (-) |
| p0 | ambient pressure (MPa) |
| pexh | exhaust pressure (MPa) |
| pO2 air | partial pressure of oxygen in air (MPa) |
| pO2 exh | partial pressure of oxygen in exhaust (MPa) |
| R | universal gas constant (J/mol × K) |
| T | temperature (K) |
| tion | ionic transference number (-) |
| V | voltage of the λ transducer (V) |
| Greek letters | |
| λ | excess air ratio (-) |
| λapp | apparent lambda value under exhaust overpressure (-) |
Appendix A



References
- Harris, J.; Collings, N. The transient start-up response of a universal exhaust gas oxygen sensor to investigate the Nernst equation in platinum/zirconia cells. Sens. Actuators B Chem. 2015, 221, 81–87. [Google Scholar] [CrossRef]
- Thomas, C.; Sahner, K. Trends in automotive exhaust gas sensing. In Proceedings of the Sensor+ Test Conference, Nürnberg, Germany, 7–9 June 2011; pp. 554–556. [Google Scholar]
- Maloney, P.J. A Production Wide-Range AFR Control Algorithm for Direct-Injection Gasoline Application; SAE Technical Paper 2001-01-0260; Society of Automotive Engineers: Detroit, MI, USA, 2001. [Google Scholar] [CrossRef]
- Zhang, H. Method of Correcting the Characteristics Curve of a Linear Lambda Probe. U.S. Patent 6,279,372, 28 August 2001. [Google Scholar]
- Snyder, D.B.; Washington, E.G.; Indrajuana, A.P.; Shaver, G.M. Steady-state biodiesel blend estimation via a wideband oxygen sensor. In Proceedings of the American Control Conference, Seattle, WA, USA, 11–13 June 2008; pp. 988–993. [Google Scholar] [CrossRef]
- Nakagawa, S.; Numata, A.; Hori, T. Individual Cylinder Control for Air-Fuel Ratio Cylinder Imbalance; SAE Technical Paper 2015-01-1624; SAE International: Detroit, MI, USA, 2015. [Google Scholar] [CrossRef]
- Kassa, M.; Hall, C.; Ickes, A.; Wallner, T. In-Cylinder Oxygen Mass Fraction Estimation Method for Minimizing Cylinder-To-Cylinder Variations; SAE Technical Paper 2015-01-0874; SAE International: Detroit, MI, USA, 2015. [Google Scholar] [CrossRef]
- Schneider, D.; Lai, M.-C. Real-Time Air/Fuel-Ratio Control in a Small SI Engine Using the Ionic Current Signal; SAE Technical Paper 1999-01-3323; SAE International: Madison, WI, USA, 1999. [Google Scholar] [CrossRef]
- Balles, E.N.; Vandyne, E.A.; Wahl, A.M. In-Cylinder Air/Fuel Ratio Approximation Using Spark Gap Ionization Sensing; SAE Technical Paper 980166; Society of Automotive Engineers: Detroit, MI, USA, 1998. [Google Scholar] [CrossRef]
- Hunicz, J.; Filipek, P.; Kordos, P.; Geca, M.S.; Rybak, A. Transient combustion timing management in controlled auto-ignition engine based on ion current signal. In Proceedings of the 2017 3rd IEEE International Conference on Control Science and Systems Engineering (ICCSSE), Beijing, China, 17–19 August 2017; pp. 351–354. [Google Scholar] [CrossRef]
- Khajorntraidet, C.; Ito, K.; Shen, T. Adaptive time delay compensation for air-fuel ratio control of a port injection SI engine. In Proceedings of the 2015 54th Annual Conference of the Society of Instrument and Control Engineers of Japan (SICE), Hangzhou, China, 28–30 July 2015; pp. 1341–1346. [Google Scholar]
- Vigild, C.W.; Struwe, M.; Jensen, P.B.; Olsen, M.B.; Hendricks, E. A λ control observer with fault correction. In Proceedings of the 2nd IFAC Workshop on Advances in Automative Control, Loudonville, OH, USA, 26 February–1 March 1998; pp. 169–174. [Google Scholar] [CrossRef]
- Meng, L.; Wang, X.; Zeng, C.; Luo, J. Adaptive air-fuel ratio regulation for port-injected spark-ignited engines based on a generalized predictive control method. Energies 2019, 12, 173. [Google Scholar] [CrossRef]
- Wang, C.; Liu, Z. Estimation of individual cylinder air-fuel ratio in gasoline engine with output delay. J. Sensors 2016, 2016, 5908459. [Google Scholar] [CrossRef]
- Di Leo, R. Methodologies for air-fuel ratio and trapped mass estimation in diesel engines using the in-cylinder pressure measurement. Energy Procedia 2015, 82, 957–964. [Google Scholar] [CrossRef][Green Version]
- Heikes, H.; Gadkari, G.; Steinbrecher, C.; Linder, C.; Fischer, W. Online Engine Speed Based Adaptation of Combustion Phasing and Air-Fuel Ratio: Evaluation of Feature Quality; SAE Technical Paper 2015-32-0749; Society of Automotive Engineers of Japan, Inc.: Osaka, Japan, 2015. [Google Scholar]
- Irimescu, A. Back-Pressure and Fuel Type Effects on Exhaust Gas Oxygen Sensor Readings for a Single Cylinder Spark Ignition Engine Running on Gasoline and Ethanol; SAE Technical Paper 2019-24-0046; The Combustion Institute: Naples, Italy, 2019. [Google Scholar] [CrossRef]
- Grannell, S.M.; Assanis, D.N.; Gillespie, D.E.; Bohac, S.V. Exhaust emissions from a stoichiometric, ammonia and gasoline dual fueled spark ignition engine. In Proceedings of the ASME Internal Combustion Engine Division 2009 Spring Technical Conference ICES2009, Milwaukee, WI, USA, 3–6 May 2009; pp. 1–7. [Google Scholar]
- Bourrat, B.M.; Dorlhene, P.; Mohamadou, A. Lambda Measurement with Pressure Compensation. Available online: https://pdfslide.net/documents/lambda-measurement-with-pressure-compensation-lambda-measurement-with-pr-essur.html (accessed on 18 November 2020).
- Aichi, J.U.; Nagoya, M.N. Method of Compensating Output of A/F Ratio Sensor. U.S. Patent 5,249,453, 5 October 1993. [Google Scholar]
- Reşitoğlu, I.A.; Altinişik, K.; Keskin, A. The pollutant emissions from diesel-engine vehicles and exhaust aftertreatment systems. Clean Technol. Environ. Policy 2015, 17, 15–27. [Google Scholar] [CrossRef]
- Orna, M.V.; Stock, J. Electrochemistry past and present. In Proceedings of the Third Chemical Congress of North America (195th National Meeting of the American Chemical Society), Toronto, ON, Canada, 5–11 June 1988. [Google Scholar]
- Silvis, W.M. An Algorithm for Calculating the Air/Fuel Ratio from Exhaust Emissions; SAE Technical Paper 970514; Society of Automotive Engineers: Detroit, MI, USA, 1997. [Google Scholar] [CrossRef]
- Lambda Meter LA4 User’s Guide. Available online: https://wenku.baidu.com/view/d9f9ca01bed5b9f3f90f1ce1 (accessed on 18 November 2020).
- Planar Wide Band Lambda Sensor LSU 4.2; Technical Customer Information Y 258 K01 005-000e; Robert Bosch GmbH: Gerlingen, Germany, 2001.
- Heywood, J.B. Internal Combustion Engine Fundamentals; McGraw-Hill: New York, NY, USA, 2018; Volume 21, ISBN 007028637X. [Google Scholar]
- Mikulski, M.; Balakrishnan, P.R.; Hunicz, J. Natural gas-diesel reactivity controlled compression ignition with negative valve overlap and in-cylinder fuel reforming. Appl. Energy 2019, 254, 113638. [Google Scholar] [CrossRef]
- Hunicz, J.; Beidl, C.; Knost, F.; Münz, M.; Runkel, J.; Mikulski, M. Injection Strategy and EGR Optimization on a Viscosity-Improved Vegetable Oil Blend Suitable for Modern Compression Ignition Engines; SAE Technical Paper 2020-01-2141; SAE International: Krakow, Poland, 22–24 September 2020. [Google Scholar] [CrossRef]
- Hunicz, J.; Matijošius, J.; Rimkus, A.; Kilikevičius, A.; Kordos, P.; Mikulski, M. Efficient hydrotreated vegetable oil combustion under partially premixed conditions with heavy exhaust gas recirculation. Fuel 2020, 268, 117350. [Google Scholar] [CrossRef]







| Type | AVL 5402 |
|---|---|
| Configuration | Four-stroke, single-cylinder |
| Bore | 85 mm |
| Stroke | 90 mm |
| Displacement | 510.5 cm3 |
| Compression ratio | 17:1 |
| No. of valves | 4 |
| Combustion type | Direct injection |
| Max. fuel pressure | 180 MPa |
| Injection system | Common Rail CP4.1 |
| Engine management | AVL-RPEMS, ETK7-Bosch |
Publisher’s Note: MDPI stays neutral with regard to jurisdictional claims in published maps and institutional affiliations. |
© 2020 by the authors. Licensee MDPI, Basel, Switzerland. This article is an open access article distributed under the terms and conditions of the Creative Commons Attribution (CC BY) license (http://creativecommons.org/licenses/by/4.0/).
Share and Cite
Kasprzyk, P.; Hunicz, J.; Rybak, A.; Gęca, M.S.; Mikulski, M. Excess Air Ratio Management in a Diesel Engine with Exhaust Backpressure Compensation. Sensors 2020, 20, 6701. https://doi.org/10.3390/s20226701
Kasprzyk P, Hunicz J, Rybak A, Gęca MS, Mikulski M. Excess Air Ratio Management in a Diesel Engine with Exhaust Backpressure Compensation. Sensors. 2020; 20(22):6701. https://doi.org/10.3390/s20226701
Chicago/Turabian StyleKasprzyk, Piotr, Jacek Hunicz, Arkadiusz Rybak, Michał S. Gęca, and Maciej Mikulski. 2020. "Excess Air Ratio Management in a Diesel Engine with Exhaust Backpressure Compensation" Sensors 20, no. 22: 6701. https://doi.org/10.3390/s20226701
APA StyleKasprzyk, P., Hunicz, J., Rybak, A., Gęca, M. S., & Mikulski, M. (2020). Excess Air Ratio Management in a Diesel Engine with Exhaust Backpressure Compensation. Sensors, 20(22), 6701. https://doi.org/10.3390/s20226701

