A High-Voltage and Low-Noise Power Amplifier for Driving Piezoelectric Stack Actuators
Abstract
1. Introduction
2. The Circuit Principles of the Power Amplifier
2.1. The Schematic of the Proposed High-Voltage Operational Amplifier
- The input stage
- The amplify stage
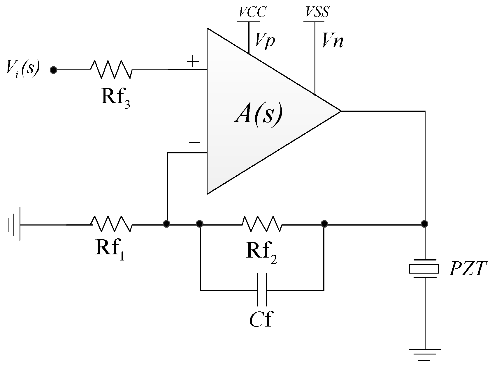
- The output stage
- The overall magnification
2.2. The Principles Applying the High-Voltage Operational Amplifier as a Power Amplifier for Piezoelectric Stack Actuators
2.3. The Current Requirements of the Power Amplifiers
3. Setup of Prototype Circuit Board
- The piezoelectric stack actuator is P887.51 from Physik Instrumente (Karlsruhe, Germany) [30], whose electrical capacitance is about 3.1 µF.
- The output voltage range is −100 to +100 V, and the magnification is 16 times.
- The piezoelectric stack actuator works at an operating point; it is needed to track the input signal near the operating point, and the highest moving frequency of the mechanism is less than 100 Hz.
- The power amplifier, which should be easy to be integrated with the mechanism, must reserve negative voltage for other piezoelectric stack actuators from Physik Instrumente [30], such as P-143.05.
- In the first and second stage, Q4 is SSM2212, Q2–3 are CZTA44, and Q1 is FTZ560, while the current source is realized by CPC5603 that is Q5 or Q6 in Figure 1. The selection of Q1–3 and Q5–6 is based on the maximum Collector-Emitter Voltage or the maximum Drain-Source Voltage of these elements. Q4 is dual-matched NPN transistor whose input noise is low, and SSM2212 matches it well.
- In the third stage, M1 and M2 are IXFR15N100Q3 and IXTH10P60P, which both have more than 45 A instantaneous current and more than 10 A continuous current. The most powers of the MOSFETs are 400 and 460 W, respectively. The selection of M1 and M2 is mainly based on VDS and ID, which are the maximum Drain-Source Voltage and the maximum Drain Current, respectively, and the heat-dissipation performance of these elements should be taken into account.
- To achieve 16-times magnification, the structure of the noninverting amplifier is used, and the values of resistors are 10 and 150 k, respectively. In order to enhance the stability of the power amplifier, the resistor of 150 k is paralleled with a capacitor of 15 pF.
4. Simulations and Analysis
4.1. The Simulated Frequency Response of the Power Amplifier
4.2. The Simulated Response of the Power Amplifier with Load
5. Experimental Results and Comments
5.1. Experimental Setup
5.2. Frequency–Amplitude Characteristic
5.3. The Ripple of the Power Amplifier
5.4. Tests with Piezoelectric Stack Actuator
5.5. Tests in the System
5.6. Comparisons
6. Conclusions
Author Contributions
Funding
Conflicts of Interest
References
- Goldfarb, M.; Celanovic, N. Modeling piezoelectric stack actuators for control of micromanipulation. IEEE Control. Syst. 1997, 17, 69–79. [Google Scholar]
- Gnad, G.; Kasper, R. A power drive control for piezoelectric actuators. 2004 IEEE Int. Symp. Ind. Electron. 2004, 2, 963–967. [Google Scholar]
- Porfiri, M.; Dell’Isola, F.; Mascioli, F.M.F. Circuit analog of a beam and its application to multimodal vibration damping, using piezoelectric transducers. Int. J. Circuit Theory Appl. 2004, 32, 167–198. [Google Scholar] [CrossRef]
- Gift, S.J.G.; Maundy, B.J. A novel circuit element and its application in signal amplification. Int. J. Circuit Theory Appl. 2008, 36, 219–231. [Google Scholar] [CrossRef]
- Shao, Y.; Xu, M.; Shao, S.; Song, S. Effective dynamical model for piezoelectric stick–slip actuators in bi-directional motion. Mech. Syst. Signal Process. 2020, 145, 106964. [Google Scholar] [CrossRef]
- Deng, J.; Chen, W.; Li, K.; Wang, L.; Liu, Y. A sandwich piezoelectric actuator with long stroke and nanometer resolution by the hybrid of two actuation modes. Sens. Actuators A Phys. 2019, 296, 121–131. [Google Scholar] [CrossRef]
- Xu, Z.; Huang, H.; Dong, J. A stick-slip piezoelectric actuator with measurable contact force. Mech. Syst. Signal Process. 2020, 144, 106881. [Google Scholar] [CrossRef]
- Peng, T.; Dai, C.; Lou, J.; Cui, Y.; Tao, B.; Ma, J. A low-cost deformable lens for correction of low-order aberrations. Opt. Commun. 2020, 460, 125209. [Google Scholar] [CrossRef]
- Comstock, R.H. Charge Control of Piezoelectric Actuators to Reduce Hysteresis Effects. U.S. Patent 4,263,527, 21 April 1981. [Google Scholar]
- Yang, C.; Li, C.; Xia, F.; Zhu, Y.; Zhao, J.; Youcef-Toumi, K. Charge controller with decoupled and self-compensating configurations for linear operation of piezoelectric actuators in a wide bandwidth. IEEE Trans. Ind. Electron. 2018, 66, 5392–5402. [Google Scholar] [CrossRef]
- Rios, S.; Fleming, A.J. Design of a charge drive for reducing hysteresis in a piezoelectric bimorph actuator. IEEE/ASME Trans. Mechatron. 2015, 21, 51–54. [Google Scholar] [CrossRef]
- Yang, C.; Li, C.; Zhao, J. A nonlinear charge controller with tunable precision for highly linear operation of piezoelectric stack actuators. IEEE Trans. Ind. Electron. 2017, 64, 8618–8625. [Google Scholar] [CrossRef]
- Wang, D.H.; Zhu, W.; Yang, Q.; Ding, W. A high-voltage and high-power amplifier for driving piezoelectric stack actuators. J. Intell. Mater. Syst. Struct. 2009, 20, 1987–2001. [Google Scholar] [CrossRef]
- Wallenhauer, C.; Gottlieb, B.; Zeichfusl, R.; Kappel, A. Efficiency-improved high-voltage analog power amplifier for driving piezoelectric actuators. IEEE Trans. Circuits Syst. I Regul. Pap. 2009, 57, 291–298. [Google Scholar] [CrossRef]
- Milecki, A.; Regulski, R. Investigations of electronic amplifiers supplying a piezobimorph actuator. Mech. Syst. Signal Process. 2016, 78, 43–54. [Google Scholar] [CrossRef]
- Antonio, J.L.M.; Lucia, A.; Coro, G.A.; Ramon, G.C.; Jaime, R.A. Power-efficient analog design based on the class AB super source follower. Int. J. Circuit Theory Appl. 2012, 40, 1143–1163. [Google Scholar]
- Chiu, H.-J.; Lo, Y.-K.; Chang, Y.-C.; Tseng, P.-J.; Liu, Y.-C. High-voltage power amplifier for flexible paper speaker applications. Int. J. Circuit Theory Appl. 2012, 42, 165–172. [Google Scholar] [CrossRef]
- Rautio, T.; Harju, H.; Hietakangas, S.; Rahkonen, T. Envelope tracking power amplifier with static predistortion linearization. Int. J. Circuit Theory Appl. 2009, 37, 365–375. [Google Scholar] [CrossRef]
- Chen, W.; Floberg, H.; Qiu, S.-S. A new analytical method for analysis and design of Class E power amplifiers taking into account the switching device on resistance. Int. J. Circuit Theory Appl. 1999, 27, 421–436. [Google Scholar] [CrossRef]
- Wallenhauer, C.; Kappel, A.; Gottlieb, B.; Schwebel, T.; Lüth, T. Efficient class-B analog amplifier for a piezoelectric actuator drive. Mechatronics 2009, 19, 56–64. [Google Scholar] [CrossRef]
- Jeng, S.-L.; Tung, Y.-C. A multicell linear power amplifier for driving piezoelectric loads. IEEE Trans. Ind. Electron. 2008, 55, 3644–3652. [Google Scholar] [CrossRef]
- Walker, G. A Class B switch-mode assisted linear amplifier. IEEE Trans. Power Electron. 2003, 18, 1278–1285. [Google Scholar] [CrossRef]
- Ertl, H.; Kolar, J.; Zach, F. Basic considerations and topologies of switched-mode assisted linear power amplifiers. IEEE Trans. Ind. Electron. 1997, 44, 116–123. [Google Scholar] [CrossRef]
- Mansour, S.Z.; Seethaler, R.J. Simultaneous displacement and force estimation of piezoelectric stack actuators using charge and voltage measurements. IEEE/ASME Trans. Mechatron. 2017, 22, 2619–2624. [Google Scholar] [CrossRef]
- Lin, C.-Y.; Tampubolon, M.; Lo, Y.-K.; Lin, J.-Y.; Wu, Y.-C.; Chiu, H.-J. Study and implementation of a 15-W driver for piezoelectric actuators. Int. J. Circuit Theory Appl. 2016, 45, 439–454. [Google Scholar] [CrossRef]
- Fleming, A.J. A megahertz bandwidth dual amplifier for driving piezoelectric actuators and other highly capacitive loads. Rev. Sci. Instrum. 2009, 80, 104701. [Google Scholar] [CrossRef]
- Tung, Y.-C.; Jeng, S.-L.; Chieng, W.-H. Multi-level balanced isolated floating difference amplifier. IEEE Trans. Circuits Syst. I Regul. Pap. 2008, 55, 3016–3022. [Google Scholar] [CrossRef][Green Version]
- Apex Microtechnology. Available online: https://www.apexanalog.com (accessed on 23 June 2020).
- Yao, K.; Uchino, K.; Xu, Y.; Dong, S.; Lim, L.C. Compact piezoelectric stacked actuators for high power applications. IEEE Trans. Ultrason. Ferroelectr. Freq. Control. 2000, 47, 819–825. [Google Scholar]
- Physik Instrumente. Available online: https://www.physikinstrumente.com (accessed on 23 June 2020).
- Keysight Technologies. Available online: https://www.keysight.com (accessed on 23 June 2020).
- Tektronix Corporation. Available online: https://www.tek.com.cn (accessed on 23 June 2020).


























Publisher’s Note: MDPI stays neutral with regard to jurisdictional claims in published maps and institutional affiliations. |
© 2020 by the authors. Licensee MDPI, Basel, Switzerland. This article is an open access article distributed under the terms and conditions of the Creative Commons Attribution (CC BY) license (http://creativecommons.org/licenses/by/4.0/).
Share and Cite
Xu, L.; Li, H.; Li, P.; Ge, C. A High-Voltage and Low-Noise Power Amplifier for Driving Piezoelectric Stack Actuators. Sensors 2020, 20, 6528. https://doi.org/10.3390/s20226528
Xu L, Li H, Li P, Ge C. A High-Voltage and Low-Noise Power Amplifier for Driving Piezoelectric Stack Actuators. Sensors. 2020; 20(22):6528. https://doi.org/10.3390/s20226528
Chicago/Turabian StyleXu, Lisong, Hongwen Li, Pengzhi Li, and Chuan Ge. 2020. "A High-Voltage and Low-Noise Power Amplifier for Driving Piezoelectric Stack Actuators" Sensors 20, no. 22: 6528. https://doi.org/10.3390/s20226528
APA StyleXu, L., Li, H., Li, P., & Ge, C. (2020). A High-Voltage and Low-Noise Power Amplifier for Driving Piezoelectric Stack Actuators. Sensors, 20(22), 6528. https://doi.org/10.3390/s20226528
