Effect of Relative Humidity and Air Temperature on the Results Obtained from Low-Cost Gas Sensors for Ambient Air Quality Measurements
Abstract
1. Introduction
1.1. Air Quality and Low-Cost Sensors
1.2. Electrochemical Gas Sensors
1.3. Previous Studies
2. Measurement Technique and Methodology
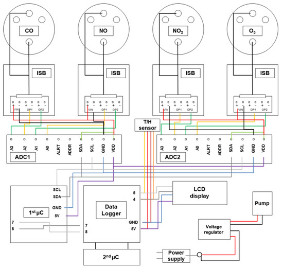
2.1. Low-Cost Gas Sensors and Reference Devices
2.2. Laboratory and Field Experiments
2.2.1. Relative Humidity
2.2.2. Temperature
2.2.3. Low-Cost Dryer Implementation
2.2.4. Field Measurements
2.2.5. Performance Assessment of the Low-Cost Sensors
3. Results and Discussion
3.1. Laboratory Experiments
3.1.1. Relative Humidity
3.1.2. Temperature
3.1.3. Low-Cost Dryer Implementation
3.2. Field Experiments
4. Conclusions
Author Contributions
Funding
Acknowledgments
Conflicts of Interest
Appendix A
| Company | Alphasense (UK) a | Winsen (China) b | SGX (Swiss) c | City Technology (UK) d | SPEC Sensors e | Membrapor (FR) f |
|---|---|---|---|---|---|---|
| Model | B43F | ZE12 | SGX-4NO2 - 4 (Industrial) | A3OZ EnviroceL | DGS -NO2 968-043 | NO2/S-100 |
| Sensor technology | Electrochemical | Electrochemical | Electrochemical | Electrochemical | Electrochemical | Electrochemical |
| Price in Euro | ~200 | ~320 | ~105 | ~350 | ~ | ~200 |
| Range | 0–20 ppm | - | 0–30 ppm | 0–10 ppm | 0–10 ppm | 0–100 ppm |
| Resolution | 15 ppb | <10 ppb | 0.1 ppm | 20 ppb (at 20 °C) | 20 ppb | <0.2 ppm |
| Response time t90 in (s) | <60 from zero to 2 ppm | <30 | <30 | <40 | <30 | <60 |
| Sensitivity | 425 nA/ppm at 2 ppm | n/a | 600 ± 150 nA/ppm | n/a | n/a | n/a |
| Linearity | <±0.5 ppm | n/a | linear | linear | n/a | linear |
| Dynamic range | max. 50 ppm | n/a | max. 200 ppm | max. 100 ppm | n/a | max. 600 ppm |
| Power requirements | ISB, 1 mA | DC 5.0 V ±0.1 V | 1.3 V-, <1.0 A | n/a | n/a | n/a |
| Dimensions (mm) | 32 × 16.5 | 39 × 44 | 20 × 20.4 | 42.5 × 17.8 | 44.5 × 20.8 × 8.9 | 20.4 × 41 |
| Weight (g) | <13 | 75 | 5 | 22 | 57 | 32 |
| Environmental limits | −30 to 40°C; 80 to 120 kPa and 15% to 85% RH | −20 to 50°C; 15% to 90% RH | −30 to 50°C; 80 to 120 kPa and 15% to 90% RH | −20 to 50°C; atmospheric ±10%, 15% to 90% RH | −20 to 40°C, 15% to 95% RH | −40 to 50°C, 15% to 90% RH |
| Lifetime | >12 months until 50% of original | 2 years | 2 years | 2 years | >5 years | 2 years in the air |
| Company | Alphasense (UK) g | Winsen (China) b | SGX (Swiss) h | City Technology (UK) i | Langan DataBear j | Membrapor (FR) k |
|---|---|---|---|---|---|---|
| Model | CO-B4 | ZE12 | SGX-7CO (Industrial) | A3CO EnviroceL | T 15 | CO/SF-1000 |
| Sensor technology | Electrochemical | Electrochemical | Electrochemical | Electrochemical | Electrochemical | Electrochemical |
| Price in Euro | ~150 | ~320 | ~40 | ~280 | ~1300 | ~200 |
| Range | 0–1000 ppm | - | 0–1000 ppm | 0–500 ppm | 0–128 ppm | 0–1000 ppm |
| Resolution | 4 ppb | <10 ppb | <0.5 ppm | 100 ppb | 0.5 ppm | <0.5 ppm |
| Response time t90 in (s) | <25 from zero to 10 ppm | <30 | <30 | <40 | n/a | <50 |
| Sensitivity | 525 nA/ppm at 2 ppm | n/a | 100±20 nA/ppm | n/a | n/a | n/a |
| Linearity | 20 to 35 ppb | n/a | linear | linear | n/a | linear |
| Dynamic range | max. 2000 ppm | n/a | max. 2000 ppm | max. 1000 ppm | n/a | max. 2000 ppm |
| Power requirements | ISB, 1 mA | DC 5.0 V ±0.1 V | 1.3 V; <1.0 A | n/a | n/a | n/a |
| Dimensions (mm) | 32 × 16.5 | 39 × 44 | 31.5 × 15.5 | 42.5 × 17.8 | 130 × 90 × 60 | 20.4 × 41 |
| Weight (g) | <13 | 75 | n/a | 22 | 575 | 32 |
| Environmental limits | −30 to 50 °C; 80 to 120 kPa and 15% to 90% RH | −20 to 50 °C; 15% to 90% RH | −30 to 50 °C; 80 to 120 kPa and 15% to 90% RH | −20 to 50 °C; atmospheric ±10%, 15% to 90% RH | −18 to 53 °C | −40 to 50 °C, 15% to 90% RH |
| Lifetime | >24 months until 50% of original | 2 years | 1 year | 2 years in air | n/a | 3 years in air |
| Company | Alphasense (UK) l | SGX (Swiss) m | City Technology (UK) n | DD Scientific | Pro Sense (China) p | Membrapor (FR) q |
|---|---|---|---|---|---|---|
| Model | B4 | EC 4-250-NO | NO 3E 100 | GS+7NO | 4NO-250 | NO/S-100 |
| Sensor technology | Electrochemical | Electrochemical | Electrochemical | Electrochemical | Electrochemical | Electrochemical |
| Price in Euro | ~250 | ~103 | n/a | n/a | n/a | ~200 |
| Range | 0–20 ppm | 0–250 ppm | 0-100 ppm / 0-500 ppm | 0–100 ppm | 0–250 ppm | 0–100 ppm |
| Resolution | 15 ppb | 0.5 ppm | <0.7 ppm (at 20 °C) | 0.5 ppm | n/a | <0.5 ppm |
| Response time t90 in (s) | <45 from zero to 2 ppm | <35 | <20 | <30 | <40 | <15 |
| Sensitivity | 600 nA/ppm at 2 ppm | 320 to 480 nA/ppm | 45 nA/ppm ± 15 nA/ppm | 550 ± 150 nA/ppm | 0.4 ± 0.1 µA/ppm | n/a |
| Linearity | <±1 ppm | linear across range | <5% full scale | linear | linear | linear |
| Dynamic range | max. 50 ppm | max. 1000 ppm | n/a | 1500 ppm | max. 500 ppm | max. 200 ppm |
| Power requirements | ISB, 1 mA | 300 mV | n/a | 300 mV | - | n/a |
| Dimensions (mm) | 32 × 16.5 | 20 × 16.6 | n/a | 31.5 × 15.5 | 20.4 × 21 | 20.4 × 41 |
| Weight (g) | <13 | 5 approx. | n/a | n/a | 11 | 32 |
| Environmental limits | −30 to 40°C; 80 to 120 kPa and 15% to 85% RH | −20 to 50°C; 90 to 110 kPa and 15% to 90% RH | −15 to 40°C; 20% to 90% RH | −30 to 50°C; 80 to 120 kPa and 15% to 90% RH | −20 to 50°C; 90 to 110 kPa and 10% to 90% RH | −40 to 50°C, 15% to 90% RH |
| Lifetime | >12 months until 50% of original | 2 years | >1 year | >12 months | 2 years in air | 3 years in air |
| Company | Alphasense (UK) r | Winsen (China) b | City Technology (UK) d | Membrapor (FR) s | Ozone Solutions t |
|---|---|---|---|---|---|
| Model | OX-B431 | ZE12 | A3OZ EnviroceL | CairClip (Membrapor) | Portable ozone detector S-300 EOZ |
| Sensor technology | Electrochemical | Electrochemical | Electrochemical | Electrochemical | Electrochemical |
| Price in Euro | ~250 | ~320 | ~350 | ~200 | ~900 |
| Range | 0-20 ppm | 0-10 ppm | 0-250 ppm | 0-10 ppm | |
| Resolution | 15 ppb | <10ppb | 20 ppb (at 20 °C) | 20 ppb | 10 ppb |
| Response time t90 in (s) | <45 from zero to 1 ppm | <30 | <40 | >1 | 5 |
| Linearity | <±0.5 ppm | n/a | linear | n/a | n/a |
| Dynamic range | max. 50 ppm | n/a | max. 100 ppm | max. 50 ppm | n/a |
| Data log | Analog | DAC, UART | n/a | USB, UART, Analog | n/a |
| Power requirements | 5W, ISB, 1 mA | DC 5.0V ± 0.1 V | n/a | 5V DC/200 mA | 12.6 VDC |
| Dimensions (mm) | 32 × 16.5 | 39 × 44 | 42.5 × 17.8 | 32 × 62 | 195 × 122 × 54 |
| Weight (g) | <13 | 75 | 22 | 55 | 450 |
| Environmental limits | −30 to 40°C; 80 to 120 kPa and 15% to 85% RH | −20 to 50°C; 15% to 90% RH | −20 to 50°C; atmospheric ±10%, 15% to 90% RH | −20 to 40°C; 101 ±20 kPa, 10% to 90% RH | −5 to 50°C; 5% to 95% RH |
| Lifetime | >12 months until 50% of original | 2 years | 2 years | 1 year | n/a |
References
- Kampa, M.; Castanas, E. Human health effects of air pollution. Environ. Pollut. 2008, 151, 362–367. [Google Scholar] [CrossRef] [PubMed]
- World Health Organization. 9 out of 10 People Worldwide Breathe Polluted Air, but More Countries Are Taking Action; World Health Organization: Geneva, Switzerland, 2018; Available online: https://www.who.int/news-room/detail/02-05-2018-9-out-of-10-people-worldwide-breathe-polluted-air-but-more-countries-are-taking-action (accessed on 12 October 2019).
- Bobbink, R.; Hornung, M.; Roelofs, J.G.M. The effects of air-borne nitrogen pollutants on species diversity in natural and semi-natural European vegetation. J. Ecol. 1998, 86, 717–738. [Google Scholar] [CrossRef]
- Spangl, W.; Schneider, J.; Moosmann, L.; Nagl, C. Representativeness and Classification of Air Quality Monitoring Stations; Umweltbundesamt GmbH: Vienna, Austria, 2007; Available online: https://www.umweltbundesamt.at/fileadmin/site/publikationen/REP0121.pdf (accessed on 10 August 2019).
- Kumar, P.; Morawska, L.; Martani, C.; Biskos, G.; Neophytou, M.K.-A.; Di Sabatino, S.; Bell, M.; Norford, L.; Britter, R. The rise of low-cost sensing for managing air pollution in cities. Environ. Int. 2015, 75, 199–205. [Google Scholar] [CrossRef] [PubMed]
- DIN EN 14211, 2012: DIN EN 14211. Ambient Air—Standard Method for the Measurement of the Concentration of Nitrogen Dioxide and Nitrogen Monoxide by Chemiluminescence. Available online: https://www.beuth.de/en/standard/din-en-14211/146720023 (accessed on 10 October 2019).
- DIN EN 14625, 2012: DIN EN 14625. Ambient Air—Standard Method for the Measurement of the Concentration of Ozone by Ultraviolet Photometry. Available online: https://www.beuth.de/en/standard/din-en-14625/146720212 (accessed on 10 October 2019).
- DIN EN 14626, 2012: DIN EN 14626. Ambient Air—Standard Method for the Measurement of the Concentration of Carbon Monoxide by Non-Dispersive Infrared Spectroscopy. Available online: https://www.beuth.de/en/standard/din-en-14626/146720254 (accessed on 10 October 2019).
- Gerboles, M.; Spinelle, L. Low-cost Gas Sensors for Air Quality Monitoring: Overview in Europe and New Trends; European Commission: Rome, Italy, 2012. [Google Scholar]
- Williams, R.; Kilaru, V.; Snyder, E.; Kaufman, A.; Dye, T.; Rutter, A.; Russell, A.; Hafner, H. Air Sensor Guidebook. US Environ. Prot. Agency 2014. Available online: http://tdenviro.com/wp-content/uploads/2017/05/AirSensorGuidebook.pdf (accessed on 7 September 2019).
- Gerboles, M.; Spinelle, L.; Borowiak, A. Brochure Low-Cost Sensors. Thoughts on the Quality of Data Measured by Sensors; European Commission: Ispra, Italy, 2017; Available online: https://publications.jrc.ec.europa.eu/repository/bitstream/JRC107461/low_cost_sensors_web.pdf (accessed on 12 October 2019).
- Surgaylo, A. Development of a Measurement Platform by Using Low-Cost Air Quality Sensors for Air Quality Measurements. Master’s Thesis, University of Stuttgart, Stuttgart, Germany, 2018. [Google Scholar]
- Membrapor. Electrochemical Gas Sensors. Application Note MEM1; Membrapor: Wallisellen, Switzerland, 2015. [Google Scholar]
- Karagulian, F.; Barbiere, M.; Kotsev, A.; Spinelle, L.; Gerboles, M.; Lagler, F.; Redon, N.; Crunaire, S.; Borowiak, A. Review of the Performance of Low-Cost Sensors for Air Quality Monitoring. Atmosphere 2019, 10, 506. [Google Scholar] [CrossRef]
- Pang, X.; Shaw, M.D.; Gillot, S.; Lewis, A.C. The impacts of water vapour and co-pollutants on the performance of electrochemical gas sensors used for air quality monitoring. Sens. Actuators B Chem. 2018, 266, 674–684. [Google Scholar] [CrossRef]
- Solis, G. Test and Analysis of Key Factors that Can Affect the Reliability of Results Obtained from Low-Cost Sensors for Outdoor Air Quality Measurements. Master’s Thesis, University of Stuttgart, Stuttgart, Germany, 2019. [Google Scholar]
- Bigi, A.; Mueller, M.; Grange, S.K.; Ghermandi, G.; Hueglin, C. Performance of NO, NO2 low cost sensors and three calibration approaches within a real world application. Atmos. Meas. Tech. Discuss. 2018, 1–29. [Google Scholar] [CrossRef]
- Wei, P.; Ning, Z.; Ye, S.; Sun, L.; Yang, F.; Wong, K.C.; Westerdahl, D.; Louie, P.K. Impact Analysis of Temperature and Humidity Conditions on Electrochemical Sensor Response in Ambient Air Quality Monitoring. Sensors 2018, 18, 59. [Google Scholar] [CrossRef]
- Jensen, C.K. Assessing the Applicability of Low-Cost Electrochemical Gas Sensors for Urban Air Quality Monitoring, IT University of Copenhagen; Pervasive Interaction Technology Laboratory: Copenhagen, Denmark, 2016. [Google Scholar]
- Castell, N.; Dauge, F.R.; Schneider, P.; Vogt, M.; Lerner, U.; Fishbain, B.; Broday, D.; Bartoňová, A. Can commercial low-cost sensor platforms contribute to air quality monitoring and exposure estimates? Environ. Int. 2017, 99, 293–302. [Google Scholar] [CrossRef]
- Mead, M.I.; Popoola, O.A.M.; Stewart, G.B.; Landshoff, P.; Calleja, M.; Hayes, M.; Baldovi, J.J.; McLeod, M.W.; Hodgson, T.F.; Dicks, J.; et al. The use of electrochemical sensors for monitoring urban air quality in low-cost, high-density networks. Atmos. Environ. 2013, 70, 186–203. [Google Scholar] [CrossRef]
- Pang, X.; Shaw, M.D.; Lewis, A.C.; Carpenter, L.J.; Batchellier, T. Electrochemical ozone sensors: A miniaturised alternative for ozone measurements in laboratory experiments and air-quality monitoring. Sens. Actuators B Chem. 2017, 240, 829–837. [Google Scholar] [CrossRef]
- Sun, L.; Westerdahl, D.; Ning, Z. Development and Evaluation of A Novel and Cost-Effective Approach for Low-Cost NO₂ Sensor Drift Correction. Sensors 2017, 17, 1916. [Google Scholar] [CrossRef] [PubMed]
- Piedrahita, R.; Xiang, Y.; Masson, N.; Ortega, J.; Collier, A.; Jiang, Y.; Li, K.; Dick, R.P.; Lv, Q.; Hannigan, M.; et al. The next generation of low-cost personal air quality sensors for quantitative exposure monitoring. Atmos. Measurement Tech. 2014, 7, 3325. [Google Scholar] [CrossRef]
- Mueller, M.; Meyer, J.; Hueglin, C. Design of an ozone and nitrogen dioxide sensor unit and its long-term operation within a sensor network in the city of Zurich. Atmos. Meas. Tech. 2017, 10, 3783–3799. [Google Scholar] [CrossRef]
- Munir, S.; Mayfield, M.; Coca, D.; Jubb, S.A. Structuring an integrated air quality monitoring network in large urban areas—Discussing the purpose, criteria and deployment strategy. Atmos. Environ. X 2019, 2, 100027. [Google Scholar] [CrossRef]
- Hagan, D.H.; Isaacman-VanWertz, G.; Franklin, J.P.; Wallace, L.M.M.; Kocar, B.D.; Heald, C.L.; Kroll, J.H. Calibration and assessment of electrochemical air quality sensors by co-location with regulatory-grade instruments. Atmos. Meas. Tech. 2018, 11, 315–328. [Google Scholar] [CrossRef]
- Borrego, C.; Costa, A.M.S.; Ginja, J.; Amorim, M.C.; Coutinho, M.; Karatzas, K.; Sioumis, T.; Katsifarakis, N.; Konstantinidis, K.; De Vito, S.; et al. Assessment of air quality microsensors versus reference methods: The EuNetAir joint exercise. Atmos. Environ. 2016, 147, 246–263. [Google Scholar] [CrossRef]
- Spinelle, L.; Gerboles, M.; Villani, M.G.; Aleixandre, M.; Bonavitacola, F. Field calibration of a cluster of low-cost available sensors for air quality monitoring. Part A: Ozone and nitrogen dioxide. Sens. Actuators B Chem. 2015, 215, 249–257. [Google Scholar] [CrossRef]
- Boney, B. Calibration Using Supervised Learning for Low-Cost Air Quality Sensors. Master’s Thesis, University of Canterbury, Christchurch, New Zealand, 2017. [Google Scholar]
- Herod, K.K. Analyzing and Optimizing an Array of Low-Cost Gas Sensors for Use in An Air Quality Measurement Device with Machine Learning. Master’s Thesis, Department of Chemical Engineering and Applied Chemistry, University of Toronto, Toronto, ON, Canada, 2018. [Google Scholar]
- Popoola, O.A.M. Studies of Urban Air Quality Using Electrochemical Based Sensor Instruments; University of Cambridge: Cambridge, UK, 2012. [Google Scholar]
- Perma Pure—Nafion TM: Dryers and Humidifiers; Featuring Nafion Technology. Available online: https://www.permapure.com/scientific-emissions/wp-content/uploads/2013/01/100-Nafion.pdf (accessed on 15 August 2019).
- U.S. Environmental Protection Agency. Technical Support Document for the Clear Skies Act 2003 Air Quality Modeling Analysis; U.S. Environmental Protection Agency: Research Triangle Park, NC, USA, 2003. Available online: https://archive.epa.gov/clearskies/web/pdf/aq_modeling_tsd_csa2003.pdf (accessed on 15 August 2019).
- EP6-A. NCCLS 2003. In Evaluation of the Linearity of Quantitative Measurement Procedures: A Statistical Approach; Approved Guideline; NCCLS: 940 West Valley Road, PA, USA, 2003; Volume 23, ISBN 1-56238-498-8. [Google Scholar]
- Regierungspräsidium Stuttgart (2018): Luftreinhalteplan für den Regierungsbezirk Stuttgart—Teilplan Landeshauptstadt Stuttgart der PM10- und NO2-Belastungen. 3. Fortschreibung des Luftreinhalteplanes zur Minderung der PM10- und NO2-Belastungen. Stuttgart, Germany. Available online: https://rp.baden-wuerttemberg.de/rps/Abt5/Ref541/Luftreinhalteplan/541_s_luft_stutt_LRP_3_FS_2018.pdf (accessed on 10 October 2019).




















| Sensor | Physical Characteristics | Range of Operation |
|---|---|---|
| CO-B4/CO gas | Weight: 13 g each Dimensions: cylinder with 32.3 mm diameter and 16.5 mm height | Temperature: −30 °C to 50 °C Relative Humidity: 15% to 90% |
| NO-B4/NO gas | ||
| NO2-B43F/NO2 gas | ||
| OX-B431/O3 gas |
| Gas | Device | Principle | Time Resolution (s) | Accuracy |
|---|---|---|---|---|
| CO | CO Monitor—Model APMA-360 Horiba Company | Non-dispersive infrared absorptiometry (NDIR) | 1 | ±1% |
| NO, NO2 | NOX Monitor—Model 200A MLU Company | Chemiluminescence | 1 | ±0.5% |
| O3 | Ozone Monitor—Model APOA-360 Horiba Company | Non-dispersive ultraviolet-absorption (NDUV) | 1 | ±2% |
| Parameter | Low-Cost Sensors | Levels | Repetition | Number of Experiments |
|---|---|---|---|---|
| Relative Humidity | 4 | 6 | 2 | 48 |
| Temperature | 4 | 4 | 2 | 32 |
| Low-cost dryer | 4 | 4 | 1 | 16 |
| Target Gas | Concentrations (ppb) | |||||||
|---|---|---|---|---|---|---|---|---|
| CO | 0 | 250 | 500 | 750 | 250 | 750 | 500 | 0 |
| NO | 0 | 100 | 200 | 300 | 100 | 300 | 200 | 0 |
| NO2 | 0 | 50 | 100 | 150 | 50 | 150 | 100 | 0 |
| O3 | 0 | 50 | 100 | 150 | 50 | 150 | 100 | 0 |
| rH Level | 10% | 25% | 40% | 55% | 70% | 85% | |||||||||||||||||||
|---|---|---|---|---|---|---|---|---|---|---|---|---|---|---|---|---|---|---|---|---|---|---|---|---|---|
| Parameter | CO | NO | NO2 | O3 | CO | NO | NO2 | O3 | CO | NO | NO2 | O3 | CO | NO | NO2 | O3 | CO | NO | NO2 | O3 | CO | NO | NO2 | O3 | |
| MAPE | Raw | 2.8 | 2.7 | 1.5 | 2.5 | 7.5 | 2.3 | 1.9 | 15.2 | 12.4 | 2.3 | 1.9 | 2.9 | 9.2 | 1.9 | 5.2 | 2 | 10 | 3.2 | 6.4 | 3.1 | 10.6 | 3.9 | 6.1 | 6.8 |
| - | Corrected | 0.6 | 1.0 | 1.3 | 0.4 | 0.9 | 1.0 | 1.4 | 6.1 | 0.8 | 1.0 | 0.4 | 1.1 | 0.8 | 0.7 | 1 | 0.7 | 0.9 | 1.2 | 2.8 | 0.7 | 0.9 | 1 | 2.3 | 2.6 |
| MAE | Raw | 315.9 | 75.5 | 2.1 | 24.3 | 369.2 | 78.0 | 25.9 | 102.4 | 432.8 | 89.6 | 34.6 | 21.4 | 514.8 | 90.5 | 71.9 | 25.5 | 593 | 72.3 | 65.2 | 48.9 | 678 | 73.6 | 70.1 | 61.6 |
| ppb | Corrected | 22.6 | 20.7 | 7.7 | 6.6 | 24.2 | 20.9 | 8.4 | 79.0 | 40.0 | 20.9 | 6.6 | 13.1 | 25.7 | 16.7 | 13.3 | 10.6 | 27 | 25.3 | 7.2 | 13.3 | 37.7 | 18.6 | 17.8 | 9.3 |
| Linearity | Raw | 1.5 | 1.7 | 1.2 | 1.1 | 1.5 | 1.7 | 1.3 | 0.3 | 1.5 | 1.8 | 1.2 | 1.3 | 1.5 | 1.7 | 1.2 | 1.3 | 1.6 | 1.7 | 1.2 | 1.2 | 1.6 | 1.7 | 1.2 | 1.3 |
| ppbsensor/ppbreference | Corrected | 1.0 | 1.0 | 1.0 | 1.0 | 1.0 | 1.0 | 1.1 | 0.2 | 1.1 | 1.1 | 1.0 | 1.2 | 1.1 | 1 | 1 | 1.2 | 1.1 | 1 | 1 | 1 | 1.1 | 1 | 0.9 | 1.1 |
| Offset | Raw | 139.5 | −58.7 | 0.0 | −34.4 | 166.2 | −56.2 | −0.8 | −45.0 | 283.6 | −61.0 | 20.9 | −42.2 | 309.1 | −40 | 49.2 | −59 | 369 | −79 | 48.2 | −66 | 452 | −96 | 57.2 | −82 |
| ppb | Corrected | 0.8 | −19.8 | −4.2 | −5.2 | −16.2 | −22.8 | −5.8 | −19.0 | 0.9 | −26.7 | 2.7 | −16.0 | −12 | −11 | 12.1 | −23 | −28 | −26 | 6.7 | −18 | −28 | −22.7 | 22.7 | −9.5 |
| Temp Level | 10 °C | 25 °C | 35 °C | 45 °C | |||||||||||||
|---|---|---|---|---|---|---|---|---|---|---|---|---|---|---|---|---|---|
| Parameter | CO | NO | NO2 | O3 | CO | NO | NO2 | O3 | CO | NO | NO2 | O3 | CO | NO | NO2 | O3 | |
| MAPE | Raw | 2.5 | 4.1 | 2.5 | 1.4 | 1.7 | 2.5 | 2.4 | 1.2 | 3.2 | 1.8 | 3.4 | 1.1 | 1.6 | 11.8 | 19.5 | 3.4 |
| - | Corrected | 0.6 | 1.1 | 0.7 | 1.1 | 0.2 | 0.9 | 0.7 | 1.0 | 0.4 | 1.2 | 1.1 | 0.9 | 0.6 | 0.7 | 1.4 | 0.7 |
| MAE | Raw | 320.0 | 83.4 | 83.9 | 26.7 | 307.4 | 111.1 | 64.6 | 26.5 | 453.1 | 192.3 | 32.5 | 40.0 | 408.7 | 483.8 | 128.8 | 69.8 |
| ppb | Corrected | 33.1 | 20.5 | 3.1 | 38.8 | 22.0 | 18.7 | 20.1 | 19.0 | 55.3 | 24.1 | 38.1 | 22.3 | 1.6 | 11.8 | 19.5 | 3.4 |
| Linearity | Raw | 1.4 | 1.8 | 1.5 | 1.6 | 1.5 | 2.0 | 1.6 | 1.6 | 1.6 | 2.0 | 1.6 | 1.5 | 1.6 | 1.8 | 1.7 | 1.0 |
| ppbsensor/ppbreference | Corrected | 1.0 | 1.1 | 1.2 | 1.7 | 1.0 | 1.2 | 1.3 | 1.4 | 1.1 | 1.2 | 1.3 | 1.4 | 1.1 | 1.1 | 1.4 | 0.8 |
| Offset | Raw | 164.8 | −120.6 | 39.0 | −66.4 | 130.9 | −77.7 | 11.0 | −47.3 | 221.8 | 25.3 | −32.7 | −27.4 | 151.5 | 397.0 | −193.5 | 76.5 |
| ppb | Corrected | 46.1 | −22.1 | 11.7 | −30.2 | −15.5 | −31.0 | −7.2 | −27.4 | 4.3 | −36.7 | −13.1 | −1.3 | −29.0 | 17.1 | −12.1 | 9.7 |
| rH Level | 40% | 55% | 70% | ||||||||||
|---|---|---|---|---|---|---|---|---|---|---|---|---|---|
| Parameter | CO | NO | NO2 | O3 | CO | NO | NO2 | O3 | CO | NO | NO2 | O3 | |
| MAPE | Raw | 5.3 | 8.2 | 7.3 | 1.1 | 5.7 | 4.5 | 6.8 | 1.3 | 4.5 | 3.7 | 3.9 | 1.1 |
| - | Corrected | 0.7 | 0.4 | 0.4 | 0.7 | 0.9 | 0.8 | 0.7 | 1.2 | 1.2 | 0.7 | 1.4 | 0.7 |
| MAE | Raw | 531 | 219.4 | 33.1 | 25.1 | 628.9 | 193.7 | 51.8 | 21.0 | 913.2 | 202.9 | 40.3 | 25.4 |
| ppb | Corrected | 23.1 | 6.0 | 4.2 | 11.8 | 39.1 | 16.7 | 28.3 | 11.7 | 187.9 | 19.2 | 24.6 | 10.0 |
| Linearity | Raw | 1.8 | 1.9 | 1.6 | 1.2 | 1.7 | 1.9 | 2.0 | 1.3 | 1.9 | 1.8 | 1.7 | 1.4 |
| ppbsensor/ppbreference | Corrected | 1.0 | 1.0 | 1.0 | 1.0 | 1.0 | 1.0 | 1.1 | 1.1 | 1.1 | 1.0 | 1.1 | 1.1 |
| Offset | Raw | 215.3 | 88.9 | −70.3 | 4.3 | 320.3 | 58.6 | −53.6 | −13.5 | 488.9 | 63.5 | −41.0 | −13.2 |
| ppb | Corrected | −0.2 | 1.6 | −0.5 | −1.0 | 58.1 | −14.6 | 9.9 | −15.6 | 151.6 | −12.0 | 17.7 | −15.1 |
| Field Measurement | ||||
|---|---|---|---|---|
| Parameter | CO | NO | NO2 | |
| MAPE | Raw | 1.2 | 37.1 | 3.4 |
| - | Corrected | 0.2 | 1.2 | 0.4 |
| MAE | Raw | 281.4 | 91.6 | 36.1 |
| ppb | Corrected | 38.2 | 7.6 | 4.3 |
| Linearity | Raw | 1.8 | 2.2 | 2.0 |
| ppbsensor/ppbreference | Corrected | 1.3 | 1.4 | 1.7 |
| Offset | Raw | 77.5 | 107.5 | 23.8 |
| ppb | Corrected | −79.5 | 1.4 | −5.5 |
© 2020 by the authors. Licensee MDPI, Basel, Switzerland. This article is an open access article distributed under the terms and conditions of the Creative Commons Attribution (CC BY) license (http://creativecommons.org/licenses/by/4.0/).
Share and Cite
Samad, A.; Obando Nuñez, D.R.; Solis Castillo, G.C.; Laquai, B.; Vogt, U. Effect of Relative Humidity and Air Temperature on the Results Obtained from Low-Cost Gas Sensors for Ambient Air Quality Measurements. Sensors 2020, 20, 5175. https://doi.org/10.3390/s20185175
Samad A, Obando Nuñez DR, Solis Castillo GC, Laquai B, Vogt U. Effect of Relative Humidity and Air Temperature on the Results Obtained from Low-Cost Gas Sensors for Ambient Air Quality Measurements. Sensors. 2020; 20(18):5175. https://doi.org/10.3390/s20185175
Chicago/Turabian StyleSamad, Abdul, Daniel Ricardo Obando Nuñez, Grecia Carolina Solis Castillo, Bernd Laquai, and Ulrich Vogt. 2020. "Effect of Relative Humidity and Air Temperature on the Results Obtained from Low-Cost Gas Sensors for Ambient Air Quality Measurements" Sensors 20, no. 18: 5175. https://doi.org/10.3390/s20185175
APA StyleSamad, A., Obando Nuñez, D. R., Solis Castillo, G. C., Laquai, B., & Vogt, U. (2020). Effect of Relative Humidity and Air Temperature on the Results Obtained from Low-Cost Gas Sensors for Ambient Air Quality Measurements. Sensors, 20(18), 5175. https://doi.org/10.3390/s20185175

