Sensors for Cryogenic Isotope-Separation Column
Abstract
1. Introduction
- Applications in medical fields: in clinical studies, differential diagnosis of multiple diseases, state of illness judgment, treatment evaluation, research on organ function and development of new drugs [2], such as PET diagnosis [3], 13C-urea breath test [4], tumor therapy (boron neutron capture therapy) research on drugs [5], etc.;
- Applications in life sciences fields: in the spectrum research of the structure and function of protein species by nuclear magnetic resonance (NMR) and mass spectrometer (MS), including isotope-coded affinity tag testing method (ICATTM), stable isotope labeled amino acid cell cultivation (SILAC), absolute quantification protein analysis method (AQUATM) [6];
- Applications in energy metabolism: in sports medicine, child nutrition, food nutrition, weight loss and diet for astronaut using he-isotope tracing method [7];
- Applications in agricultural scientific research fields: in the research of plant physiology and biochemistry, nutrition of soil and plant, plant protection, the improvement of rice, flower, agricultural products and other crops, nitrogen cycle of grassplot [8];
2. The Cryogenic Separation Column
- qiCO = carbon monoxide inflow (mol/sec);
- qoCO = carbon monoxide outflow (mol/sec);
- Pel = electrical power developed in the boiler (W);
- hN = liquid nitrogen level in the condenser (cm).
- pB, pm, pk = the pressure in the boiler, middle region and in the condenser vicinity (mm H2O);
- hCO = carbon monoxide liquid level in the boiler (mm);
- concentration (cp) of (13C) in the liquid phase from boiler (mol/m3).
- QlCO, QgCO = liquid downstream and gaseous upstream of carbon monoxide (mol/sec/cm2)
- Hb, Hp, Hc, Hg, Hw = the retained carbon monoxide material, called the “hold-up” values, respectively in the boiler, on the packing material, on the condenser wall, in the gaseous phase and on the column wall (mol).
- the under-pressure in thermal insulation system (vacuum jacket, p ≈ 10−5 Torr);
- the external (ambient) temperature (°C);
- the final product extract material flow (qp) (mol/h).
- the liquid carbon monoxide level in the boiler (hB),
- the liquid nitrogen level in the condenser (hN)
- and the electrical heating power (Pel).
3. Sensor System for Cryogenic Column Control
3.1. Sensor for Liquid Carbon Monoxide Level in the Boiler
3.2. Sensor for Liquid Nitrogen Level in Condenser
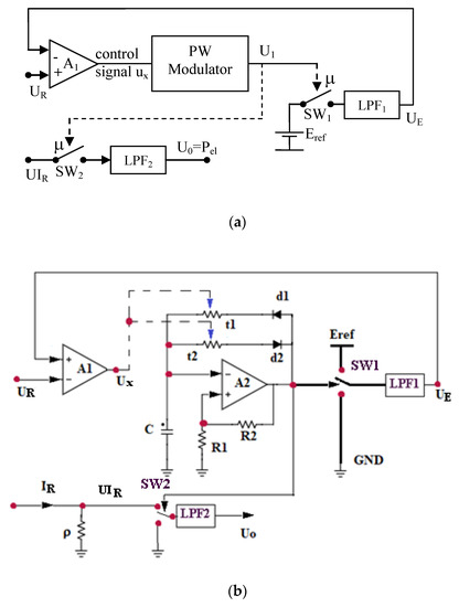
3.3. Sensor for Electrical Power in the Boiler
4. Results and Conclusions
Author Contributions
Funding
Acknowledgments
Conflicts of Interest
References
- Available online: http://www.stable-isotope.com/research.html (accessed on 10 June 2020).
- Talip, Z.; Favaretto, C.; Geistlich, S.; van der Meulen, N.P. A Step-by-Step Guide for the Novel Radiometal Production for Medical Applications: Case Studies with 68Ga, 44Sc, 177Lu and 161Tb. Molecules 2020, 25, 966. [Google Scholar] [CrossRef] [PubMed]
- Uzuegbunam, B.C.; Librizzi, D.; Yousefi, B.H. PET Radiopharmaceuticals for Alzheimer’s Disease and Parkinson’s Disease Diagnosis, the Current and Future Landscape. Molecules 2020, 25, 977. [Google Scholar] [CrossRef] [PubMed]
- Alsulaimany, F.A.S.; Awan, Z.A.; Almohamady, A.M.; Koumu, M.I.; Yaghmoor, B.E.; Elhady, S.S.; Elfaky, M.A. Prevalence of Helicobacter pylori Infection and Diagnostic Methods in the Middle East and North Africa Region. Medicina 2020, 56, 169. [Google Scholar] [CrossRef] [PubMed]
- Pulagam, K.R.; Gona, K.B.; Gómez-Vallejo, V.; Meijer, J.; Zilberfain, C.; Estrela-Lopis, I.; Baz, Z.; Cossío, U.; Llop, J. Gold Nanoparticles as Boron Carriers for Boron Neutron Capture Therapy: Synthesis, Radiolabelling and In Vivo Evaluation. Molecules 2019, 24, 3609. [Google Scholar] [CrossRef] [PubMed]
- Uchimiya, M.; Tsuboi, Y.; Ito, K.; Date, Y.; Kikuchi, J. Bacterial Substrate Transformation Tracked by Stable-Isotope-Guided NMR Metabolomics: Application in a Natural Aquatic Microbial Community. Metabolites 2017, 7, 52. [Google Scholar] [CrossRef] [PubMed]
- Jin, H.; Moseley, H.N.B. Robust Moiety Model Selection Using Mass Spectrometry Measured Isotopologues. Metabolites 2020, 10, 118. [Google Scholar] [CrossRef] [PubMed]
- Zhang, Y.; Shi, P.; Song, J.; Li, Q. Application of Nitrogen and Oxygen Isotopes for Source and Fate Identification of Nitrate Pollution in SurfaceWater: A Review. Appl. Sci. 2019, 9, 18. [Google Scholar] [CrossRef]
- Li, D.; Jiang, X.; Zheng, B. Using δ15N and δ18O Signatures to Evaluate Nitrate Sources and Transformations in Four Inflowing Rivers, North of Taihu Lake. Water 2017, 9, 345. [Google Scholar] [CrossRef]
- Jung, H.; Koh, D.C.; Kim, Y.S.; Jeen, S.W.; Lee, J. Stable Isotopes of Water and Nitrate for the Identification of Groundwater Flowpaths: A Review. Water 2020, 12, 138. [Google Scholar] [CrossRef]
- Martinelli, L.A.; Nardoto, G.B.; Perez, M.A.; Junior, G.A.; Fracassi, F.C.; Oliveira, J.G.; Ottani, I.S.; Lima, S.H.; Mazzi, E.A.; Gomes, T.F.; et al. Carbon and Nitrogen Isotope Ratios of Food and Beverage in Brazil. Molecules 2020, 25, 1457. [Google Scholar] [CrossRef] [PubMed]
- Wang, S.; Kong, C.; Chen, Q.; Yu, H. Screening 89 Pesticides in Fishery Drugs by Ultrahigh Performance Liquid Chromatography Tandem Quadrupole-Orbitrap Mass Spectrometer. Molecules 2019, 24, 3375. [Google Scholar] [CrossRef] [PubMed]
- Karlsen, M.; Liu, H.; Johansen, J.E.; Hoff, B.H. Economical Synthesis of 13C-Labeled Opiates, Cocaine Derivatives and Selected Urinary Metabolites by Derivatization of the Natural Products. Molecules 2015, 20, 5329–5345. [Google Scholar] [CrossRef] [PubMed]
- Fórizs, I.; Szabó, V.R.; Deák, J.; Hałas, S.; Pelc, A.; Trembaczowski, A.; Lorberer, Á. The Origin of Dissolved Sulphate in the Thermal Waters of Budapest Inferred from Stable S and O Isotopes. Geosciences 2019, 9, 433. [Google Scholar] [CrossRef]
- Meister, P.; Reyes, C. The Carbon-Isotope Record of the Sub-Seafloor Biosphere. Geosciences 2019, 9, 507. [Google Scholar] [CrossRef]
- Available online: https://world-nuclear.org/information-library/nuclear-fuel-cycle/conversion-enrichment-and-fabrication/uranium-enrichment.aspx (accessed on 14 June 2020).
- Available online: http://en.itim-cj.ro/ (accessed on 14 June 2020).
- Cohen, K. The Theory of Isotope Separation as Applied to the Large-Scale Production of U235; Murphy, G.M., Ed.; Washington Square College, New York University: New York, NY, USA, 2015. [Google Scholar]
- Andreev, B.M.; Magomedbekov, E.P.; Raitman, A.A.; Pozenkevich, M.B.; Sakharovsky, Y.A.; Khoroshilov, A.V. Separation of Isotopes of Biogenic Elements in Two-Phase Systems; Elsevier: New York, NY, USA, 2007. [Google Scholar]
- Axente, D.; Abrudean, M.; Baldea, A. Isotope Separation 15N, 18O, 10B, 13C by Isotopic Exchange; Casa Cartii de Stiinta: Cluj-Napoca, Romania, 1994; p. 35. (In Romanian) [Google Scholar]
- Axente, D.; Marcu, C.; Mureşan, A.; Kaucsar, M.; Mişan, I.; Popeneciu, G.; Gligan, N.; Cristea, G. Experimental plant for simultaneous production of 14N and 15N by 15N/14N exchange in NO, NO2–HNO3 system under pressure. Isot. Environ. Health Stud. 2010, 46, 242–248. [Google Scholar] [CrossRef] [PubMed]
- Radoi, A.; Gligan, M.; Dronca, S.; Axente, D. Experimental plant for the 13C isotope enrichment based on carbon-monoxide distillation at low temperature. Rev. De Chim. 1999, 50, 221–225. [Google Scholar]
- Gligan, M. Experimental plant for the 18O isotope separation using the low-temperature distillation of the nitrogen oxides. Rev. De Chim. 1997, 4, 48. (In Romanian) [Google Scholar]
- Available online: http://www.deeterelectronicsinc.com/ (accessed on 15 June 2020).
- Available online: http://www.omega.com/toc_asp/subsectionsc.asp?subsection=b05&book=pressure (accessed on 15 June 2020).
- Available online: http://www.globalgrabber.com/product/1122849-api-globe-valve-j41w-300lb/ (accessed on 15 June 2020).
- Yang, C.; Chen, S.; Yang, G. Fiber optical liquid level sensor under cryogenic environment. Sens. Actuators A Phys. 2001, 94, 69–75. [Google Scholar] [CrossRef]
- Sinclair, I.R. Sensors and Transducers; Biddles Ltd.: Great Britain, UK, 2001. [Google Scholar]
- Munteanu, R.A.; Dulf, E.H.; Festila, C. Munteanu, RO128052 (A2)—Level Capacitive Cryogenic Transducer with Coplanar Plates for Liquid Nitrogen. Available online: https://worldwide.espacenet.com/publicationDetails/biblio?FT=D&date=20121228&DB=EPODOC&locale=en_EP&CC=RO&NR=128052A2&KC=A2&ND=1# (accessed on 3 April 2020).
- Tumanski, S. Principles of Electrical Measurement; Series in Sensors; CRC Press Taylor & Francisc Group: Warsaw, Poland, 2006. [Google Scholar]
- Zhang, T.; Liu, L.; Qi, Q.; Li, S.; Lu, G. Development of microstructure In/Pd-doped SnO2 sensor for low-level CO detection. Sens. Actuators B Chem. 2009, 139, 287–291. [Google Scholar] [CrossRef]
- Munteanu, R.A.; Dulf, E.H.; Festila, C.; Munteanu, R.; Todoran, G.I. Analogical Electronic Transducer for Measuring Direct Current Power. Romanian Patent nr. 128666, 29 November 2018. [Google Scholar]












© 2020 by the authors. Licensee MDPI, Basel, Switzerland. This article is an open access article distributed under the terms and conditions of the Creative Commons Attribution (CC BY) license (http://creativecommons.org/licenses/by/4.0/).
Share and Cite
Dulf, E.H.; Festila, C. Sensors for Cryogenic Isotope-Separation Column. Sensors 2020, 20, 3890. https://doi.org/10.3390/s20143890
Dulf EH, Festila C. Sensors for Cryogenic Isotope-Separation Column. Sensors. 2020; 20(14):3890. https://doi.org/10.3390/s20143890
Chicago/Turabian StyleDulf, Eva H., and Clement Festila. 2020. "Sensors for Cryogenic Isotope-Separation Column" Sensors 20, no. 14: 3890. https://doi.org/10.3390/s20143890
APA StyleDulf, E. H., & Festila, C. (2020). Sensors for Cryogenic Isotope-Separation Column. Sensors, 20(14), 3890. https://doi.org/10.3390/s20143890

