Winding Tensor Approach for the Analytical Computation of the Inductance Matrix in Eccentric Induction Machines
Abstract
1. Introduction
- First, a primitive inductance tensor is calculated in a reference frame that consists of a thin cylindrical sheet of a high number of parallel bars, statically fixed to the air gap. This can be considered, as [42] states, as a canonical coordinate system, in which the components of the primitive inductance tensor are the same for every IM, except for a scaling factor.
- The primitive inductance tensor is transformed into the final one via a winding tensor [40], which contains the current-sheet generated by each phase when fed by a unit current, using routine tensor algebra procedures.
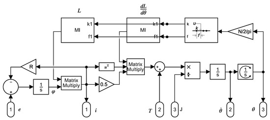
2. Analytical Model of the IM Using a Natural Coordinate System
- is the current tensor. Its components are the instantaneous current in each winding .
- is the voltage tensor. Its components are the instantaneous terminal voltages applied to each winding .
- is the resistance tensor. Its components are the resistances of all windings. It is a symmetrical dyadic tensor, an square array of constant components.
- is the inductance tensor. Its components are the self and mutual inductances of all windings along the electrical axes. It is a symmetrical dyadic tensor, an square array of elements. It can be expressed as the sum of two components, one with the inductances corresponding to the main flux linkages , and other with the leakage inductances , asEnd turns, end rings, and slot leakage inductances, included in the matrix, need to be pre-calculated, as usual in the technical literature, where explicit expressions for these inductances can be found in [44,45,46]. This work deals only with the analytical computation of in (2). Linear behavior of the iron material will be assumed, as in [47]. This limitation of the analytical model can be overcome using a modified air gap length function to take into the saturation, as in [39].
- The rest of the terms that appear in (1) are the instantaneously applied shaft torque T, the frictional resistance of the shaft , and the moment of inertia J.
Transformation of the Coordinate System
3. Computation of the Mutual Inductance Matrix Using Tensor Algebra
- Definition of the canonical coordinate system for representing the current-sheet distribution along the air gap periphery. In this system, the components of the tensors and are independent of the connections of the phase conductors.
- Calculation of the current-sheet from the phase currents . The winding tensor contains the connections between the conductors of the phases, which can be arbitrarily complex.
- Definition of the primitive inductance tensor in the canonical coordinate system, which is independent of the layout of the winding, and the same for every IM, apart from a scaling factor.
- Transformation of the inductance tensor to the natural coordinate system using tensor algebra (5).
3.1. The Components of the Current Tensor
3.1.1. The Current Tensor in the Canonical Coordinate System
3.1.2. Transformation of the Current Tensor to Natural Coordinates
3.1.3. The Winding Tensor for Phases with the Same Configuration
3.2. The Components of the Mutual Inductance Tensor
3.2.1. The Primitive Inductance Tensor
3.2.2. The Primitive Inductance Tensor of a Non-Eccentric IM
3.2.3. The Primitive Inductance Tensor of an Eccentric IM
3.2.4. Transformation of the Inductance Tensor to Natural Coordinates
4. Additional Current Constraints Imposed by Phase Connections
Current Constraints in a Squirrel Cage IM
5. Analytical Model of the Tested IM
- Healthy conditions.
- Faulty conditions, with a mixed eccentricity fault, with 30% of static eccentricity ( = 0.3) and 30% of dynamic eccentricity ( = 0.3).
5.1. Analytical Model of the Tested IM in Healthy Conditions
5.1.1. Primitive Inductance Tensor of the Healthy IM
5.1.2. Winding Tensor of the Healthy IM
5.1.3. Mutual Inductance Matrix of the Healthy IM
5.1.4. Resistance and Leakage Inductance Matrices of the Healthy Machine
5.2. Analytical Model of the Tested IM with an Eccentricity Fault
5.2.1. Primitive Inductance Tensor of the Eccentric IM
5.2.2. Winding Tensor of the Eccentric IM
5.2.3. Mutual Inductance Matrix of the Eccentric IM
5.2.4. Resistance and Leakage Inductance Matrices of the Eccentric Machine
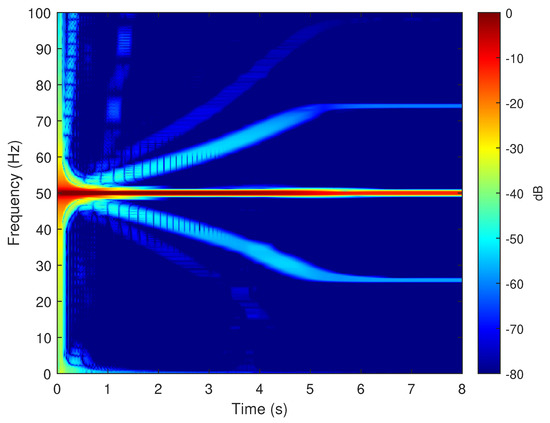
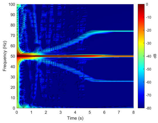
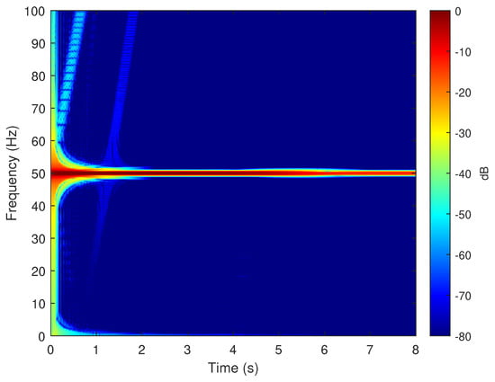
6. Experimental Validation
7. Conclusions
Author Contributions
Funding
Conflicts of Interest
Appendix A. Commercial IM
Appendix B. Current Clamp
Appendix C. Computer Features
References
- Garramiola, F.; Poza, J.; Madina, P.; del Olmo, J.; Ugalde, G. A Hybrid Sensor Fault Diagnosis for Maintenance in Railway Traction Drives. Sensors 2020, 20, 962. [Google Scholar] [CrossRef] [PubMed]
- Zamudio-Ramírez, I.; Osornio-Ríos, R.A.; Antonino-Daviu, J.A.; Quijano-Lopez, A. Smart-Sensor for the Automatic Detection of Electromechanical Faults in Induction Motors Based on the Transient Stray Flux Analysis. Sensors 2020, 20, 1477. [Google Scholar] [CrossRef] [PubMed]
- Casoli, P.; Pastori, M.; Scolari, F.; Rundo, M. A Vibration Signal-Based Method for Fault Identification and Classification in Hydraulic Axial Piston Pumps. Energies 2019, 12, 953. [Google Scholar] [CrossRef]
- Dineva, A.; Mosavi, A.; Gyimesi, M.; Vajda, I.; Nabipour, N.; Rabczuk, T. Fault Diagnosis of Rotating Electrical Machines Using Multi-Label Classification. Appl. Sci. 2019, 9, 5086. [Google Scholar] [CrossRef]
- Zec, F.; Kartalović, N.; Stojić, T. Prediction of high-voltage asynchronous machines stators insulation status applying law on increasing probability. Int. J. Electr. Power Energy Syst. 2020, 116, 105524. [Google Scholar] [CrossRef]
- Elasha, F.; Shanbr, S.; Li, X.; Mba, D. Prognosis of a Wind Turbine Gearbox Bearing Using Supervised Machine Learning. Sensors 2019, 19, 3092. [Google Scholar] [CrossRef] [PubMed]
- Duong, B.; Khan, S.; Shon, D.; Im, K.; Park, J.; Lim, D.S.; Jang, B.; Kim, J.M. A Reliable Health Indicator for Fault Prognosis of Bearings. Sensors 2018, 18, 3740. [Google Scholar] [CrossRef]
- Qiu, C.; Wu, X.; Xu, C.; Qiu, X.; Xue, Z. An Approximate Estimation Approach of Fault Size for Spalled Ball Bearing in Induction Motor by Tracking Multiple Vibration Frequencies in Current. Sensors 2020, 20, 1631. [Google Scholar] [CrossRef]
- Chen, X.; Feng, Z. Induction motor stator current analysis for planetary gearbox fault diagnosis under time-varying speed conditions. Mech. Syst. Signal Process. 2020, 140, 106691. [Google Scholar] [CrossRef]
- Guellout, O.; Rezig, A.; Touati, S.; Djerdir, A. Elimination of broken rotor bars false indications in induction machines. Math. Comput. Simul. 2020, 167, 250–266. [Google Scholar] [CrossRef]
- Tang, J.; Yang, Y.; Chen, J.; Qiu, R.; Liu, Z. Characteristics Analysis and Measurement of Inverter-Fed Induction Motors for Stator and Rotor Fault Detection. Energies 2019, 13, 101. [Google Scholar] [CrossRef]
- Burriel-Valencia, J.; Puche-Panadero, R.; Martinez-Roman, J.; Sapena-Bano, A.; Pineda-Sanchez, M. Cost-Effective Reduced Envelope of the Stator Current via Synchronous Sampling for the Diagnosis of Rotor Asymmetries in Induction Machines Working at Very Low Slip. Sensors 2019, 19, 3471. [Google Scholar] [CrossRef] [PubMed]
- Baccarini, L.M.R.; Tavares, J.P.B.; de Menezes, B.R.; Caminhas, W.M. Sliding mode observer for on-line broken rotor bar detection. Electr. Power Syst. Res. 2010, 80, 1089–1095. [Google Scholar] [CrossRef]
- Guezmil, A.; Berriri, H.; Pusca, R.; Sakly, A.; Romary, R.; Mimouni, M.F. Detecting Inter-Turn Short-Circuit Fault in Induction Machine Using High-Order Sliding Mode Observer: Simulation and Experimental Verification. J. Control. Autom. Electr. Syst. 2017, 28, 532–540. [Google Scholar] [CrossRef]
- Yang, H.; Yin, S. Descriptor Observers Design for Markov Jump Systems With Simultaneous Sensor and Actuator Faults. IEEE Trans. Autom. Control 2019, 64, 3370–3377. [Google Scholar] [CrossRef]
- Yang, H.; Yin, S. Reduced-Order Sliding-Mode-Observer-Based Fault Estimation for Markov Jump Systems. IEEE Trans. Autom. Control 2019, 64, 4733–4740. [Google Scholar] [CrossRef]
- Sabouri, M.; Ojaghi, M.; Faiz, J.; Marques Cardoso, A.J. Model-based unified technique for identifying severities of stator inter-turn and rotor broken bar faults in SCIMs. IET Electr. Power Appl. 2020, 14, 204–211. [Google Scholar] [CrossRef]
- Villena-Ruiz, R.; Honrubia-Escribano, A.; Fortmann, J.; Gómez-Lázaro, E. Field validation of a standard Type 3 wind turbine model implemented in DIgSILENT-PowerFactory following IEC 61400-27-1 guidelines. Int. J. Electr. Power Energy Syst. 2020, 116, 105553. [Google Scholar] [CrossRef]
- Al-Iedani, I.; Gajic, Z. Order reduction of a wind turbine energy system via the methods of system balancing and singular perturbations. Int. J. Electr. Power Energy Syst. 2020, 117, 105642. [Google Scholar] [CrossRef]
- Lin, Z.; Cevasco, D.; Collu, M. A methodology to develop reduced-order models to support the operation and maintenance of offshore wind turbines. Appl. Energy 2020, 259, 114228. [Google Scholar] [CrossRef]
- Liang, X.; Ali, M.Z.; Zhang, H. Induction Motors Fault Diagnosis Using Finite Element Method: A Review. IEEE Trans. Ind. Appl. 2019, 56, 1205–1217. [Google Scholar] [CrossRef]
- Swana, E.F.; Doorsamy, W. Investigation of Combined Electrical Modalities for Fault Diagnosis on a Wound-Rotor Induction Generator. IEEE Access 2019, 7, 32333–32342. [Google Scholar] [CrossRef]
- Sapena-Bano, A.; Chinesta, F.; Pineda-Sanchez, M.; Aguado, J.; Borzacchiello, D.; Puche-Panadero, R. Induction machine model with finite element accuracy for condition monitoring running in real time using hardware in the loop system. Int. J. Electr. Power Energy Syst. 2019, 111, 315–324. [Google Scholar] [CrossRef]
- Pineda-Sanchez, M.; Puche-Panadero, R.; Martinez-Roman, J.; Sapena-Bano, A.; Riera-Guasp, M.; Perez-Cruz, J. Partial Inductance Model of Induction Machines for Fault Diagnosis. Sensors 2018, 18, 2340. [Google Scholar] [CrossRef]
- Sampaio, G.S.; de Aguiar Vallim Filho, A.R.; da Silva, L.S.; da Silva, L.A. Prediction of Motor Failure Time Using An Artificial Neural Network. Sensors 2019, 19, 4342. [Google Scholar] [CrossRef]
- Yeh, C.H.; Lin, M.H.; Lin, C.H.; Yu, C.E.; Chen, M.J. Machine Learning for Long Cycle Maintenance Prediction of Wind Turbine. Sensors 2019, 19, 1671. [Google Scholar] [CrossRef]
- Toma, R.N.; Prosvirin, A.E.; Kim, J.M. Bearing Fault Diagnosis of Induction Motors Using a Genetic Algorithm and Machine Learning Classifiers. Sensors 2020, 20, 1884. [Google Scholar] [CrossRef]
- Burriel-Valencia, J.; Puche-Panadero, R.; Martinez-Roman, J.; Sapena-Bano, A.; Pineda-Sanchez, M.; Perez-Cruz, J.; Riera-Guasp, M. Automatic Fault Diagnostic System for Induction Motors under Transient Regime Optimized with Expert Systems. Electronics 2018, 8, 6. [Google Scholar] [CrossRef]
- Lei, Y.; Yang, B.; Jiang, X.; Jia, F.; Li, N.; Nandi, A.K. Applications of machine learning to machine fault diagnosis: A review and roadmap. Mech. Syst. Signal Process. 2020, 138, 106587. [Google Scholar] [CrossRef]
- Wang, X.B.; Zhang, X.; Li, Z.; Wu, J. Ensemble extreme learning machines for compound-fault diagnosis of rotating machinery. Knowl.-Based Syst. 2020, 188, 105012. [Google Scholar] [CrossRef]
- Rani, M.; Dhok, S.; Deshmukh, R. A Machine Condition Monitoring Framework Using Compressed Signal Processing. Sensors 2020, 20, 319. [Google Scholar] [CrossRef] [PubMed]
- Kim, H.; Nerg, J.; Choudhury, T.; Sopanen, J.T. Rotordynamic Simulation Method of Induction Motors Including the Effects of Unbalanced Magnetic Pull. IEEE Access 2020, 8, 21631–21643. [Google Scholar] [CrossRef]
- Salah, A.A.; Dorrell, D.G.; Guo, Y. A Review of the Monitoring and Damping Unbalanced Magnetic Pull in Induction Machines Due to Rotor Eccentricity. IEEE Trans. Ind. Appl. 2019, 55, 2569–2580. [Google Scholar] [CrossRef]
- Yassa, N.; Rachek, M.; Houassine, H. Motor Current Signature Analysis for the Air Gap Eccentricity Detection In the Squirrel Cage Induction Machines. Energy Procedia 2019, 162, 251–262. [Google Scholar]
- Rallabandi, V.; Taran, N.; Ionel, D.M.; Zhou, P. Inductance Testing for IPM Synchronous Machines According to the New IEEE Std 1812 and Typical Laboratory Practices. IEEE Trans. Ind. Appl. 2019, 55, 2649–2659. [Google Scholar] [CrossRef]
- Filipović-Grčić, D.; Filipović-Grčić, B.; Capuder, K. Modeling of three-phase autotransformer for short-circuit studies. Int. J. Electr. Power Energy Syst. 2014, 56, 228–234. [Google Scholar]
- Kim, Y.H.; Lee, J.H. Comparison characteristics of various SynRMs through FEM and experimental verification. Phys. B Condens. Matter 2018, 549, 69–73. [Google Scholar] [CrossRef]
- Ebadi, F.; Mardaneh, M.; Rahideh, A. Inductance analytical calculations of brushless surface-mounted permanent-magnet machines based on energy method. COMPEL- Int. J. Comput. Math. Electr. Electron. Eng. 2019, 38, 536–556. [Google Scholar] [CrossRef]
- Fu, Q.; Yue, S.; He, B.; Fu, N. Multiple coupled circuit modelling approach for squirrel cage induction machine under single-broken-bar fault with stator winding functions decomposed in d–q rotor reference frame. IET Electr. Power Appl. 2019, 13, 889–900. [Google Scholar]
- Kron, G.; Hoffmann, B. Tensor for Circuits; Dover Books on Science; Dover: New York, NY, USA, 1959. [Google Scholar]
- Faiz, J.; Rezaee-Alam, F. A new hybrid analytical model based on winding function theory for analysis of surface mounted permanent magnet motors. COMPEL- Int. J. Comput. Math. Electr. Electron. Eng. 2019, 38, 745–758. [Google Scholar]
- Bewley, L.V. Tensor Algebra in Transformer Circuits. Trans. Am. Inst. Electr. Eng. 1936, 55, 1214–1219. [Google Scholar] [CrossRef]
- Kron, G. Non-Riemannian Dynamics of Rotating Electrical Machinery. J. Math. Phys. 1934, 13, 103–194. [Google Scholar]
- Ikeda, M.; Hiyama, T. Simulation Studies of the Transients of Squirrel-Cage Induction Motors. IEEE Trans. Energy Convers. 2007, 22, 233–239. [Google Scholar]
- Alberti, L.; Bianchi, N.; Bolognani, S. A Very Rapid Prediction of IM Performance Combining Analytical and Finite-Element Analysis. IEEE Trans. Ind. Appl. 2008, 44, 1505–1512. [Google Scholar] [CrossRef]
- Jan, S. Determination of slot leakage inductance for three-phase induction motor winding using an analytical method. Arch. Electr. Eng. 2013, 62, 569–591. [Google Scholar]
- Degeneff, R.C.; Gutierrez, M.R.; Salon, S.J.; Burow, D.W.; Nevins, R.J. Kron’s reduction method applied to the time stepping finite element analysis of induction machines. IEEE Trans. Energy Convers. 1995, 10, 669–674. [Google Scholar] [CrossRef]
- Grover, F.W. Inductance Calculations; Van Nostrand: New York, NY, USA, 1946. [Google Scholar]
- Sapena-Bano, A.; Martinez-Roman, J.; Puche-Panadero, R.; Pineda-Sanchez, M.; Perez-Cruz, J.; Riera-Guasp, M. Induction machine model with space harmonics for fault diagnosis based on the convolution theorem. Int. J. Electr. Power Energy Syst. 2018, 100, 463–481. [Google Scholar] [CrossRef]
- Joksimovic, G.; Durovic, M.; Penman, J.; Arthur, N. Dynamic simulation of dynamic eccentricity in induction machines-winding function approach. IEEE Trans. Energy Convers. 2000, 15, 143–148. [Google Scholar]
- Nandi, S.; Bharadwaj, R.M.; Toliyat, H.A. Performance Analysis of a Three-Phase Induction Motor Under Mixed Eccentricity Condition. IEEE Trans. Energy Convers. 2002, 17, 392–399. [Google Scholar] [CrossRef]
- Faiz, J.; Tabatabaei, I. Extension of winding function theory for nonuniform air gap in electric machinery. IEEE Trans. Magn. 2002, 38, 3654–3657. [Google Scholar]
- Bossio, G.; DeAngelo, C.; Solsona, J.; Garcia, G.; Valla, M. A 2-D Model of the Induction Machine: An Extension of the Modified Winding Function Approach. IEEE Trans. Energy Convers. 2004, 19, 144–150. [Google Scholar]
- Faiz, J.; Ardekanei, I.; Toliyat, H. An Evaluation of Inductances of a Squirrel-Cage Induction Motor under Mixed Eccentric Conditions. IEEE Trans. Energy Convers. 2003, 18, 252–258. [Google Scholar]
- El Malek, M.B.A.; Abdelsalam, A.K.; Hassan, O.E. Novel approach using Hilbert Transform for multiple broken rotor bars fault location detection for three phase induction motor. ISA Trans. 2018, 80, 439–457. [Google Scholar] [CrossRef] [PubMed]
- Sudhoff, S.D.; Kuhn, B.T.; Corzine, K.A.; Branecky, B.T. Magnetic Equivalent Circuit Modeling of Induction Motors. Energy 2007, 22, 259–270. [Google Scholar] [CrossRef]
- Xu, Z.; Ravelo, B.; Maurice, O.; Gantet, J.; Marier, N. Radiated EMC Kron’s Model of 3-D Multilayer PCB Aggressed by Broadband Disturbance. IEEE Trans. Electromagn. Compat. 2019, 62, 406–414. [Google Scholar] [CrossRef]
- Cordier, J.; Kennel, R. A Simple and Efficient State-Space Model of Induction Machines with Interconnected Windings Including Space Harmonics. In Proceedings of the 2018 IEEE Energy Conversion Congress and Exposition (ECCE), Portland, OR, USA, 23–27 September 2018; pp. 1595–1602. [Google Scholar]
- Toliyat, H.A.; Lipo, T.A. Transient Analysis of Cage Induction Machines under Stator, Rotor Bar and End Ring Faults. IEEE Trans. Energy Convers. 1995, 10, 241–247. [Google Scholar]


















© 2020 by the authors. Licensee MDPI, Basel, Switzerland. This article is an open access article distributed under the terms and conditions of the Creative Commons Attribution (CC BY) license (http://creativecommons.org/licenses/by/4.0/).
Share and Cite
Martinez-Roman, J.; Puche-Panadero, R.; Sapena-Bano, A.; Pineda-Sanchez, M.; Perez-Cruz, J.; Riera-Guasp, M. Winding Tensor Approach for the Analytical Computation of the Inductance Matrix in Eccentric Induction Machines. Sensors 2020, 20, 3058. https://doi.org/10.3390/s20113058
Martinez-Roman J, Puche-Panadero R, Sapena-Bano A, Pineda-Sanchez M, Perez-Cruz J, Riera-Guasp M. Winding Tensor Approach for the Analytical Computation of the Inductance Matrix in Eccentric Induction Machines. Sensors. 2020; 20(11):3058. https://doi.org/10.3390/s20113058
Chicago/Turabian StyleMartinez-Roman, Javier, Ruben Puche-Panadero, Angel Sapena-Bano, Manuel Pineda-Sanchez, Juan Perez-Cruz, and Martin Riera-Guasp. 2020. "Winding Tensor Approach for the Analytical Computation of the Inductance Matrix in Eccentric Induction Machines" Sensors 20, no. 11: 3058. https://doi.org/10.3390/s20113058
APA StyleMartinez-Roman, J., Puche-Panadero, R., Sapena-Bano, A., Pineda-Sanchez, M., Perez-Cruz, J., & Riera-Guasp, M. (2020). Winding Tensor Approach for the Analytical Computation of the Inductance Matrix in Eccentric Induction Machines. Sensors, 20(11), 3058. https://doi.org/10.3390/s20113058

