Sensing and Self-Sensing Actuation Methods for Ionic Polymer–Metal Composite (IPMC): A Review
Abstract
1. Introduction
2. Ionic Polymer–Metal Composite (IPMC)
3. Models for IPMC Sensing
3.1. Black-Box Models
3.2. Grey-Box Models
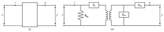
3.3. White-Box Models
4. Organizing IPMC Sensing Methods
5. Active Sensing Methods
5.1. Voltage
5.1.1. Reported Studies
5.1.2. Sensing Characteristics
5.2. Current
5.2.1. Reported Studies
5.2.2. Sensing Characteristics
5.3. Charge
5.3.1. Reported Studies
5.3.2. Sensing Characteristics
6. Passive Sensing Methods
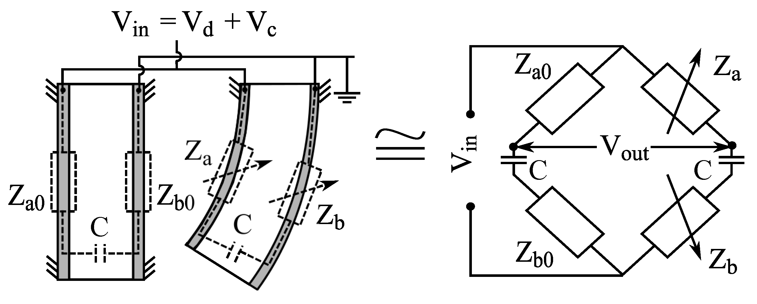
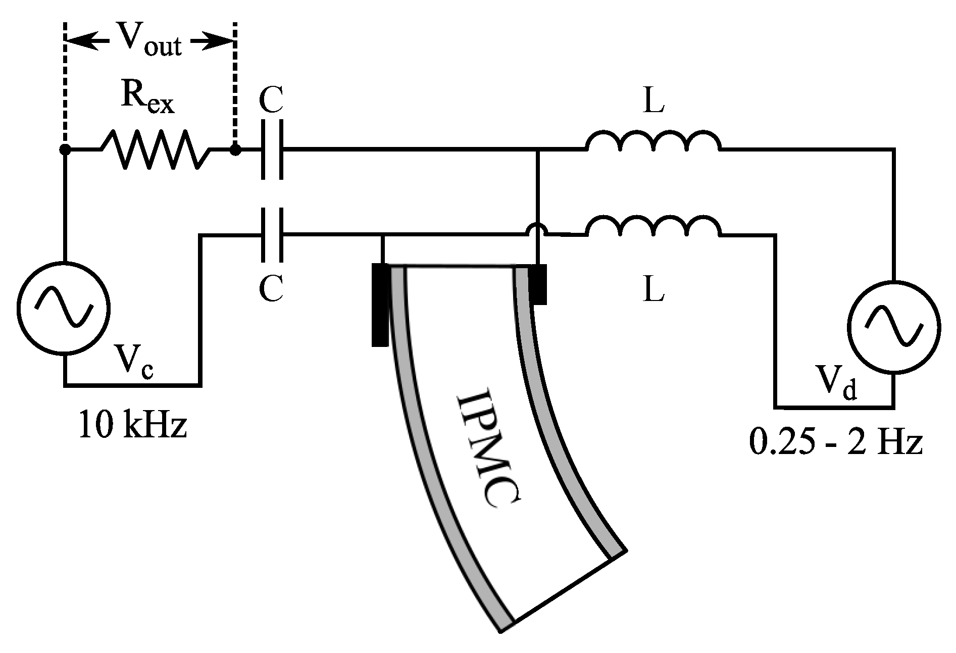
6.1. Capacitive Sensor Element with IPMC
6.2. Sensing IPMC Electrode Impedance
7. Self-Sensing Actuation Methods
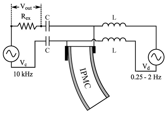
7.1. Sensing IPMC Electrode Impedance
7.2. Sensing Impedance Through IPMC
7.3. Sensing Charge on IPMC Actuator
7.4. Separating Actuator and Sensor Segments
8. Discussion
8.1. Frequency Responses of Sensing and SSA Methods
8.2. Potential Solution for Improving IPMC Sensing Bandwidth
9. Conclusions
Author Contributions
Funding
Conflicts of Interest
References
- Uchino, K. Electrostrictive Actuators: Materials and Applications. Bull. Am. Ceram. Soc. 1986, 65, 647–652. [Google Scholar]
- Heywang, W.; Lubitz, K.; Wersing, W. Piezoelectricity: Evolution and Future of a Technology, 1st ed.; Springer Publishing Company: New York, NY, USA, 2008. [Google Scholar]
- Gao, X.; Browne, A.L.; Alexander, P.W.; Johnson, N.L.; Brown, W. Apparatus and Method of Controlling Phase Transformation Temperature of a Shape Memory Alloy. U.S. Patent No. 8,741,076, 3 June 2013. [Google Scholar]
- He, L.; Lou, J.; Du, J.; Wang, J. Finite bending of a dielectric elastomer actuator and pre-stretch effects. Int. J. Mech. Sci. 2017, 122, 120–128. [Google Scholar] [CrossRef]
- Xin, Y.; Sun, H.; Tian, H.; Guo, C.; Li, X.; Wang, S.; Wang, C. The use of polyvinylidene fluoride (PVDF) films as sensors for vibration measurement: A brief review. Ferroelectrics 2016, 502, 28–42. [Google Scholar] [CrossRef]
- Shahinpoor, M.; Kim, K.J. Ionic polymer-metal composites: I. Fundamentals. Smart Mater. Struct. 2001, 10, 819. [Google Scholar] [CrossRef]
- Kim, K.; Tadoro, S. Electroactive Polymers for Robotic Applications: Artificial Muscles and Sensors; Springer: London, UK, 2007. [Google Scholar]
- Hines, L.; Petersen, K.; Lum, G.Z.; Sitti, M. Soft Actuators for Small-Scale Robotics. Adv. Mater. 2016, 29, 1603483. [Google Scholar] [CrossRef] [PubMed]
- Punning, A.; Kruusmaa, M.; Aabloo, A. A self-sensing ion conducting polymer metal composite (IPMC) actuator. Sens. Actuators A Phys. 2007, 136, 656–664. [Google Scholar] [CrossRef]
- Kruusamae, K.; Brunetto, P.; Graziani, S.; Fortuna, L.; Kodu, M.; Jaaniso, R.; Punning, A.; Aabloo, A. Experiments with self-sensing IPMC actuating device. Proc. SPIE 2010, 7642. [Google Scholar] [CrossRef]
- Fang, B.K.; Lin, C.C.K.; Ju, M.S. Development of sensing/actuating ionic polymer–metal composite (IPMC) for active guide-wire system. Sens. Actuators A Phys. 2010, 158, 1–9. [Google Scholar] [CrossRef]
- Amirkhani, M.; Bakhtiarpour, P. Chapter 19 Ionic Polymer Metal Composites: Recent Advances in Self-sensing Methods. In Ionic Polymer Metal Composites (IPMCs) Vol 2: Smart Multi-Functional Materials and Artificial Muscles; The Royal Society of Chemistry: London, UK, 2016; Volume 2, pp. 240–256. [Google Scholar] [CrossRef]
- Koo, B.; su Na, D.; Lee, S. Control of IPMC Actuator using Self-sensing Method. IFAC Proc. Volume 2009, 42, 267–270. [Google Scholar] [CrossRef]
- Anton, M.; Kruusmaa, M.; Aabloo, A.; Punning, A. Validating Usability of Ionomeric Polymer-Metal Composite Actuators for Real World Applications. In Proceedings of the 2006 IEEE/RSJ International Conference on Intelligent Robots and Systems, Beijing, China, 9–15 October 2006; pp. 5441–5446. [Google Scholar] [CrossRef]
- Hunt, A.; Chen, Z.; Tan, X.; Kruusmaa, M. Control of an inverted pendulum using an Ionic Polymer-Metal Composite actuator. In Proceedings of the 2010 IEEE/ASME International Conference on Advanced Intelligent Mechatronics, Montreal, QC, Canada, 6–9 July 2010; pp. 163–168. [Google Scholar] [CrossRef]
- Bhat, N.; Kim, W.J. Precision force and position control of an ionic polymer metal composite. Proc. Inst. Mech. Eng. Part I J. Syst. Control Eng. 2004, 218, 421–432. [Google Scholar] [CrossRef]
- Nguyen, T.T.; Nguyen, V.K.; Yoo, Y.; Goo, N.S. A Novel Polymeric Micropump based on a Multilayered Ionic Polymer-Metal Composite. In Proceedings of the IECON 2006 - 32nd Annual Conference on IEEE Industrial Electronics, Paris, France, 7–10 November 2006; pp. 4888–4893. [Google Scholar] [CrossRef]
- Bhat, N.D. Modeling and Precision Control of Ionic Polymer Metal Composite. Master’s Thesis, Texas A&M University, College Station, TX, USA, 2003. [Google Scholar]
- Leang, K.K.; Shan, Y.; Song, S.; Kim, K.J. Integrated Sensing for IPMC Actuators Using Strain Gages for Underwater Applications. IEEE/ASME Trans. Mechatron. 2012, 17, 345–355. [Google Scholar] [CrossRef]
- Wang, J.; McDaid, A.; Sharma, R.; Aw, K.C. A Compact Ionic Polymer Metal Composite (IPMC) System with Inductive Sensor for Closed Loop Feedback. Actuators 2015, 4, 114–126. [Google Scholar] [CrossRef]
- Paola, B.; Fortuna, L.; Giannone, P.; Graziani, S.; Strazzeri, S. IPMCs as Vibration Sensors. In Proceedings of the 2008 IEEE Instrumentation and Measurement Technology Conference, Victoria, BC, Canada, 12–15 May 2008; pp. 2065–2069. [Google Scholar] [CrossRef]
- Andò, B.; Baglio, S.; Beninato, A.; Graziani, S.; Pagano, F.; Umana, E. A Seismic Sensor Based on IPMC Combined With Ferrofluids. IEEE Trans. Instrum. Meas. 2013, 62, 1292–1298. [Google Scholar] [CrossRef]
- Lei, H.; Sharif, M.A.; Tan, X. Dynamics of omnidirectional IPMC sensor: Experimental characterization and physical modeling. IEEE/ASME Trans. Mechatron. 2016, 21, 601–612. [Google Scholar] [CrossRef]
- Griffiths, D.J. Development of Ionic Polymer Metallic Composites as Sensors. Master’s Thesis, Virginia Polytechnic Institute and State University, Blacksburg, VI, USA, 2008. [Google Scholar]
- Liu, L.Q.; Chen, Y.; Xiang, C.Q.; Zhao, Y.S.; Hao, L.N.; Zhao, Z.L. Study on Micro-Force Sensor of Cantilever Structure Based on IPMC. In Applied Mechanics and Materials; Vehicle, Mechatronics and Information Technologies II; Trans Tech Publications: Zürich, Switzerland, 2014; Volume 543, pp. 1262–1265. [Google Scholar] [CrossRef]
- Gudarzi, M.; Smolinski, P.; Wang, Q.M. Bending mode ionic polymer-metal composite (IPMC) pressure sensors. Measurement 2017, 103, 250–257. [Google Scholar] [CrossRef]
- Gudarzi, M.; Smolinski, P.; Wang, Q.M. Compression and shear mode ionic polymer-metal composite (IPMC) pressure sensors. Sens. Actuators A Phys. 2017, 260, 99–111. [Google Scholar] [CrossRef]
- Brunetto, P.; Fortuna, L.; Giannone, P.; Graziani, S.; Strazzeri, S. A resonant vibrating tactile probe for biomedical applications based on IPMC. In Proceedings of the 2009 IEEE Instrumentation and Measurement Technology Conference, Singapore, 5–7 May 2009; pp. 658–663. [Google Scholar] [CrossRef]
- Lei, H.; Sharif, M.A.; Paley, D.A.; McHenry, M.J.; Tan, X. Performance improvement of IPMC flow sensors with a biologically-inspired cupula structure. In Electroactive Polymer Actuators and Devices (EAPAD); International Society for Optics and Photonics: Bellingham, WA, USA, 2016; Volume 9798, p. 979827. [Google Scholar] [CrossRef]
- Oguro, K.; Kawami, Y.; Takenaka, H. Bending of an ion-conducting polymer film-electrode composite by an electric stimulus at low voltage. J. Micromach. Soc. 1992, 5, 27–30. [Google Scholar]
- Leo, D.J. Engineering Analysis of Smart Material Systems; John Wiley & Sons, Ltd.: Hoboken, NJ, USA, 2008; pp. i–xiv. [Google Scholar] [CrossRef]
- Li, Y.; Li, J.; Li, W.; Du, H. A state-of-the-art review on magnetorheological elastomer devices. Smart Mater. Struct. 2014, 23, 123001. [Google Scholar] [CrossRef]
- Kocak, G.; Tuncer, C.; Butun, V. pH-Responsive polymers. Polym. Chem. 2017, 8, 144–176. [Google Scholar] [CrossRef]
- Meng, H.; Li, G. A review of stimuli-responsive shape memory polymer composites. Polymer 2013, 54, 2199–2221. [Google Scholar] [CrossRef]
- Jochum, F.D.; Theato, P. Temperature- and light-responsive smart polymer materials. Chem. Soc. Rev. 2013, 42, 7468–7483. [Google Scholar] [CrossRef] [PubMed]
- Lei, H.; Tan, X. A Novel Tubular Thin-Wall IPMC Sensor Capable of Two-Dimensional Sensing: Fabrication, Characterization and Modeling. In ASME 2014 Conference on Smart Materials, Adaptive Structures and Intelligent Systems; Volume 1: Development and Characterization of Multifunctional Materials; Modeling, Simulation and Control of Adaptive Systems; Structural Health Monitoring; Keynote Presentation; American Society of Mechanical Engineers Digital Collection: Newport, RI, USA, 2014; p. V001T03A022. [Google Scholar] [CrossRef]
- Carrico, J.D.; Traeden, N.W.; Aureli, M.; Leang, K.K. Fused filament 3D printing of ionic polymer-metal composites (IPMCs). Smart Mater. Struct. 2015, 24, 125021. [Google Scholar] [CrossRef]
- Mauritz, K.A.; Moore, R.B. State of Understanding of Nafion. Chem. Rev. 2004, 104, 4535–4586. [Google Scholar] [CrossRef] [PubMed]
- Park, I.S.; Jung, K.; Kim, D.; Kim, S.M.; Kim, K.J. Physical Principles of Ionic Polymer–Metal Composites as Electroactive Actuators and Sensors. MRS Bull. 2008, 33, 190–195. [Google Scholar] [CrossRef]
- Wang, Y.; Liu, J.; Zhu, Y.; Zhu, D.; Chen, H. Formation and Characterization of Dendritic Interfacial Electrodes inside an Ionomer. ACS Appl. Mater. Interfaces 2017, 9, 30258–30262. [Google Scholar] [CrossRef] [PubMed]
- Nafion™ 117 product page on FuelCellStore website. Available online: https://www.fuelcellstore.com/nafion-117 (accessed on 13 September 2019).
- Kim, K.J.; Shahinpoor, M. Ionic polymer–metal composites: II. Manufacturing techniques. Smart Mater. Struct. 2003, 12, 65. [Google Scholar] [CrossRef]
- Kim, K.J.; Shahinpoor, M. A novel method of manufacturing three-dimensional ionic polymer–metal composites (IPMCs) biomimetic sensors, actuators and artificial muscles. Polymer 2002, 43, 797–802. [Google Scholar] [CrossRef]
- Wang, H.S.; Cho, J.; Song, D.S.; Jang, J.H.; Jho, J.Y.; Park, J.H. High-Performance Electroactive Polymer Actuators Based on Ultrathick Ionic Polymer–Metal Composites with Nanodispersed Metal Electrodes. ACS Appl. Mater. Interfaces 2017, 9, 21998–22005. [Google Scholar] [CrossRef]
- Trabia, S.; Hwang, T.; Kim, K.J. A fabrication method of unique Nafion® shapes by painting for ionic polymer–metal composites. Smart Mater. Struct. 2016, 25, 085006. [Google Scholar] [CrossRef]
- Akle, B.J.; Bennett, M.D.; Leo, D.J.; Wiles, K.B.; McGrath, J.E. Direct assembly process: A novel fabrication technique for large strain ionic polymer transducers. J. Mater. Sci. 2007, 42, 7031–7041. [Google Scholar] [CrossRef]
- Hunt, A. Application-Oriented Performance Characterization of the Ionic Polymer Transducers (IPTs). Ph.D. Thesis, Tallinn University of Technology, Tallinn, Estonia, 2017. [Google Scholar]
- Nemat-Nasser, S.; Zamani, S. Experimental study of Nafion- and Flemion-based ionic polymer metal composites (IPMCs) with ethylene glycol as solvent. In Smart Structures and Materials 2003: Electroactive Polymer Actuators and Devices (EAPAD); International Society for Optics and Photonics: Bellingham, WA, USA, 2003; Volume 5051, pp. 233–244. [Google Scholar] [CrossRef]
- Ngetha, H.; Sasaki, M.; Tamagawa, H.; Ito, S.; Ikeda, K. The Study of Dynamic Characteristics of Selemion CMV-based IPMC Actuators in Humidity-Controlled Environments. J. Jpn. Soc. Appl. Electromagn. Mech. 2015, 23, 742–747. [Google Scholar] [CrossRef]
- Inamuddin; Khan, A.; Luqman, M.; Dutta, A. Kraton based ionic polymer metal composite (IPMC) actuator. Sens. Actuators A Phys. 2014, 216, 295–300. [Google Scholar] [CrossRef]
- Luqman, M.; Lee, J.W.; Moon, K.K.; Yoo, Y.T. Sulfonated polystyrene-based ionic polymer–metal composite (IPMC) actuator. J. Ind. Eng. Chem. 2011, 17, 49–55. [Google Scholar] [CrossRef]
- Panwar, V.; Cha, K.; Park, J.O.; Park, S. High actuation response of PVDF/PVP/PSSA based ionic polymer metal composites actuator. Sens. Actuators B Chem. 2012, 161, 460–470. [Google Scholar] [CrossRef]
- He, Q.; Yang, X.; Wang, Z.; Zhao, J.; Yu, M.; Hu, Z.; Dai, Z. Advanced Electro-active Dry Adhesive Actuated by an Artificial Muscle Constructed from an Ionic Polymer Metal Composite Reinforced with Nitrogen-doped Carbon Nanocages. J. Bionic Eng. 2017, 14, 567–578. [Google Scholar] [CrossRef]
- Jeon, J.H.; Oh, I.K. Selective growth of platinum electrodes for MDOF IPMC actuators. Thin Solid Film. 2009, 517, 5288–5292. [Google Scholar] [CrossRef]
- Kobayashi, T.; Omiya, M. Frequency response of IPMC actuator with palladium electrode. In Electroactive Polymer Actuators and Devices (EAPAD); International Society for Optics and Photonics: Bellingham, WA, USA, 2011; Volume 7976, p. 797614. [Google Scholar] [CrossRef]
- Palmre, V.; Kim, S.J.; Pugal, D.; Kim, K. Improving electromechanical output of IPMC by high surface area Pd-Pt electrodes and tailored ionomer membrane thickness. Int. J. Smart Nano Mater. 2014, 5, 99–113. [Google Scholar] [CrossRef]
- Lee, H.K.; Choi, N.J.; Jung, S.; Park, K.H.; Kim, J. Ionic polymer-metal composites (IPMCs) containing Cu/Ni electrodes and ionic liquids for durability. In Smart Sensors, Actuators, and MEMS IV; International Society for Optics and Photonics: Bellingham, WA, USA, 2009; Volume 7362, p. 73620I. [Google Scholar] [CrossRef]
- Okazaki, H.; Sawada, S.; Kimura, M.; Tanaka, H.; Matsumoto, T.; Ohtake, T.; Inoue, S. Soft Actuator Using Ionic Polymer–Metal Composite Composed of Gold Electrodes Deposited Using Vacuum Evaporation. IEEE Electron Device Lett. 2012, 33, 1087–1089. [Google Scholar] [CrossRef]
- Chung, C.; Fung, P.; Hong, Y.; Ju, M.; Lin, C.; Wu, T. A novel fabrication of ionic polymer-metal composites (IPMC) actuator with silver nano-powders. Sens. Actuators B Chem. 2006, 117, 367–375. [Google Scholar] [CrossRef]
- Palmre, V.; Brandell, D.; Mäeorg, U.; Torop, J.; Volobujeva, O.; Punning, A.; Johanson, U.; Kruusmaa, M.; Aabloo, A. Nanoporous carbon-based electrodes for high strain ionomeric bending actuators. Smart Mater. Struct. 2009, 18, 095028. [Google Scholar] [CrossRef]
- Nemat-Nasser, S.; Wu, Y. Comparative experimental study of ionic polymer–metal composites with different backbone ionomers and in various cation forms. J. Appl. Phys. 2003, 93, 5255–5267. [Google Scholar] [CrossRef]
- Shahinpoor, M.; Kim, K.J. Effects of counter-ions on the performance of IPMCs. In Smart Structures and Materials 2000: Electroactive Polymer Actuators and Devices (EAPAD); International Society for Optics and Photonics: Bellingham, WA, USA, 2000; Volume 3987. [Google Scholar] [CrossRef]
- Nemat-Nasser, S.; Thomas, C.W. Ionomeric Polymer-Metal Composites. In Electroactive Polymer (EAP) Actuators as Artificial Muscles: Reality, Potential, and Challenges; Bar-Cohen, Y., Ed.; Press Monograph Series; Society of Photo Optical: Bellingham, WA, USA, 2004; Chapter 6. [Google Scholar]
- Nemat-Nasser, S. Electrochemomechanics of Ionic Polymer-Metal Composites. In Springer Handbook of Experimental Solid Mechanics; Springer: New York, NY, USA, 2008; Chapter 8. [Google Scholar]
- Hunt, A.; Chen, Z.; Tan, X.; Kruusmaa, M. An integrated electroactive polymer sensor–actuator: Design, model-based control, and performance characterization. Smart Mater. Struct. 2016, 25, 035016. [Google Scholar] [CrossRef]
- Bar-Cohen, Y.; Bao, X.; Sherrit, S.; Lih, S.S. Characterization of the electromechanical properties of ionomeric polymer-metal composite (IPMC). In Smart Structures and Materials 2002: Electroactive Polymer Actuators and Devices (EAPAD); International Society for Optics and Photonics: Bellingham, WA, USA, 2002; Volume 4695. [Google Scholar] [CrossRef]
- Hao, L.N.; Gao, J.C. A Novel Determination Method of IPMC Young’s Modulus Based on Cantilever Resonance Theory. In Applied Mechanics and Materials; Mechanical, Materials and Manufacturing Engineering; Trans Tech Publications Ltd.: Zürich, Switzerland, 2011; Volume 66, pp. 747–752. [Google Scholar] [CrossRef]
- Nemat-Nasser, S.; Li, J.Y. Electromechanical response of ionic polymer-metal composites. J. Appl. Phys. 2000, 87, 3321–3331. [Google Scholar] [CrossRef]
- Kim, K.; Scientific, W. Biomimetic Robotic Artificial Muscles; Med fisiologia, World Scientific: Singapore, 2013. [Google Scholar]
- Aureli, M.; Porfiri, M. Nonlinear sensing of ionic polymer metal composites. Contin. Mech. Thermodyn. 2013, 25, 273–310. [Google Scholar] [CrossRef]
- Ljung, L. System Identification: Theory for the User; Pearson Education: London, UK, 1998. [Google Scholar]
- Keesman, K. System Identification: An Introduction; Advanced Textbooks in Control and Signal Processing; Springer: London, UK, 2011. [Google Scholar]
- Kanno, R.; Tadoro, S.; Takamori, T.; Hattori, M.; Oguro, K. Modeling of ICPF (ionic conducting polymer film) actuator-modeling of electrical characteristics. In Proceedings of the IECON ’95 - 21st Annual Conference on IEEE Industrial Electronics, Orlando, FL, USA, 6–10 November 1995; Volume 2, pp. 913–918. [Google Scholar] [CrossRef]
- Mallavarapu, K.; Newbury, K.M.; Leo, D.J. Feedback control of the bending response of ionic polymer-metal composite actuators. In Smart Structures and Materials 2001: Electroactive Polymer Actuators and Devices; International Society for Optics and Photonics: Bellingham, WA, USA, 2001; Volume 4329, pp. 301–310. [Google Scholar] [CrossRef]
- Yun, K.; jong Kim, W. Microscale position control of an electroactive polymer using an anti-windup scheme. Smart Mater. Struct. 2006, 15, 924. [Google Scholar] [CrossRef]
- Shan, Y.; Leang, K.K. Frequency-weighted feedforward control for dynamic compensation in ionic polymer–metal composite actuators. Smart Mater. Struct. 2009, 18, 125016. [Google Scholar] [CrossRef]
- Truong, D.Q.; Ahn, K.K.; Nam, D.N.C.; Yoon, J.I. Identification of a nonlinear black-box model for a self-sensing polymer metal composite actuator. Smart Mater. Struct. 2010, 19, 085015. [Google Scholar] [CrossRef]
- Truong, D.Q.; Ahn, K.K. Design and Verification of a Non-linear Black-Box Model for Ionic Polymer Metal Composite Actuators. J. Intell. Mater. Syst. Struct. 2011, 22, 253–269. [Google Scholar] [CrossRef]
- Nam, D.N.C.; Ahn, K.K. Identification of an ionic polymer metal composite actuator employing Preisach type fuzzy NARX model and Particle Swarm Optimization. Sens. Actuators A Phys. 2012, 183, 105–114. [Google Scholar] [CrossRef]
- Sasaki, M.; Lin, W.; Tamagawa, H.; Ito, S.; Kikuchi, K. Self-Sensing Control of Nafion-Based Ionic Polymer-Metal Composite (IPMC) Actuator in the Extremely Low Humidity Environment. Actuators 2013, 2, 74–85. [Google Scholar] [CrossRef]
- Khawwaf, J.; Zheng, J.; Lu, R.; Al-Ghanimi, A.; Kazem, B.I.; Man, Z. Robust tracking control of an IPMC actuator using nonsingular terminal sliding mode. Smart Mater. Struct. 2017, 26, 095042. [Google Scholar] [CrossRef]
- Hunt, A.; Chen, Z.; Tan, X.; Kruusmaa, M. Feedback Control of a Coupled IPMC (Ionic Polymer-Metal Composite) Sensor-Actuator. In ASME 2009 Dynamic Systems and Control Conference; American Society of Mechanical Engineers Digital Collection: New York, NY, USA, 2009; Volume 1, pp. 485–491. [Google Scholar] [CrossRef]
- Ganley, T.; Hung, D.L.S.; Zhu, G.; Tan, X. Temperature-dependent Ionic polymer-metal composite (IPMC) sensing dynamics: Modeling and inverse compensation. In Proceedings of the 2010 IEEE/ASME International Conference on Advanced Intelligent Mechatronics, Montreal, QC, Canada, 6–9 July 2010; pp. 447–452. [Google Scholar] [CrossRef]
- Ganley, T.; Hung, D.L.S.; Zhu, G.; Tan, X. Modeling and Inverse Compensation of Temperature-Dependent Ionic Polymer–Metal Composite Sensor Dynamics. IEEE/ASME Trans. Mechatron. 2011, 16, 80–89. [Google Scholar] [CrossRef]
- Newbury, K.M.; Leo, D.J. Electromechanical Modeling and Characterization of Ionic Polymer Benders. J. Intell. Mater. Syst. Struct. 2002, 13, 51–60. [Google Scholar] [CrossRef]
- Gatland, H. Electronic Engineering Applications of Two-Port Networks; Pergamon International Library, Pergamon Press: Oxford, UK, 1976. [Google Scholar]
- Newbury, K.M.; Leo, D.J. Linear Electromechanical Model of Ionic Polymer Transducers-Part I: Model Development. J. Intell. Mater. Syst. Struct. 2003, 14, 333–342. [Google Scholar] [CrossRef]
- Ikeda, T. Fundamentals of Piezoelectricity; Oxford Science Publications, Oxford University Press: Oxford, UK, 1996. [Google Scholar]
- Newbury, K.M.; Leo, D.J. Linear Electromechanical Model of Ionic Polymer Transducers-Part II: Experimental Validation. J. Intell. Mater. Syst. Struct. 2003, 14, 343–357. [Google Scholar] [CrossRef]
- Akle, B.; Leo, D.J. Electromechanical transduction in multilayer ionic transducers. Smart Mater. Struct. 2004, 13, 1081. [Google Scholar] [CrossRef]
- Bonomo, C.; Fortuna, L.; Giannone, P.; Graziani, S.; Strazzeri, S. A model for ionic polymer metal composites as sensors. Smart Mater. Struct. 2006, 15, 749. [Google Scholar] [CrossRef]
- Park, K.; Yoon, M.K. Evaluation of Circuit Models for an IPMC Sensor to Effectively Detect the Bending Angles of a Body. In ASME 2010 International Mechanical Engineering Congress and Exposition; Volume 12: Processing and Engineering Applications of Novel Materials; American Society of Mechanical Engineers Digital Collection: New York, NY, USA, 2010; pp. 87–93. [Google Scholar] [CrossRef]
- Shahinpoor, M.; Kim, K.J.; Henderson, B.K.; Leo, D.J. Sensing capabilities of ionic polymer-metal composites. In Smart Structures and Materials 2001: Sensory Phenomena and Measurement Instrumentation for Smart Structures and Materials; International Society for Optics and Photonics: Bellingham, WA, USA, 2001; Volume 4328, pp. 267–274. [Google Scholar] [CrossRef]
- Kanno, R.; Tadoro, S.; Takamori, T.; Hattori, M.; Oguro, K. Linear approximate dynamic model of ICPF (ionic conducting polymer gel film) actuator. In Proceedings of the IEEE International Conference on Robotics and Automation, Minneapolis, MN, USA, 22–28 April 1996; Volume 1, pp. 219–225. [Google Scholar] [CrossRef]
- Cha, Y.; Aureli, M.; Porfiri, M. A physics-based model of the electrical impedance of ionic polymer metal composites. J. Appl. Phys. 2012, 111, 124901. [Google Scholar] [CrossRef]
- Shahinpoor, M. New effect in ionic polymeric gels: The ionic flexogelectric effect. In Smart Structures and Materials 1995: Smart Materials; International Society for Optics and Photonics: Bellingham, WA, USA, 1995; Volume 2441, pp. 42–53. [Google Scholar] [CrossRef]
- Shahinpoor, M.; Bar-Cohen, Y.; Simpson, J.O.; Smith, J. Ionic polymer-metal composites (IPMCs) as biomimetic sensors, actuators and artificial muscles—A review. Smart Mat. Struct. 1998, 7, R15–R30. [Google Scholar] [CrossRef]
- de Gennes, P.G.; Okumura, K.; Shahinpoor, M.; Kim, K.J. Mechanoelectric effects in ionic gels. EPL (Europhys. Lett. 2000, 50, 513. [Google Scholar] [CrossRef]
- Nemat-Nasser, S. Micromechanics of actuation of ionic polymer-metal composites. J. Appl. Phys. 2002, 92, 2899–2915. [Google Scholar] [CrossRef]
- Farinholt, K.; Leo, D.J. Modeling of electromechanical charge sensing in ionic polymer transducers. Mech. Mater. 2004, 36, 421–433. [Google Scholar] [CrossRef]
- Farinholt, K.M. Modeling and Characterization of Ionic Polymer Transducers for Sensing and Actuation. Ph.D. Thesis, Virginia Polytechnic Institute and State University, Blacksburg, VA, USA, 2005. [Google Scholar]
- Konyo, M.; Konishi, Y.; Tadoro, S.; Kishima, T. Development of velocity sensor using ionic polymer-metal composites. In Smart Structures and Materials 2004: Electroactive Polymer Actuators and Devices (EAPAD); International Society for Optics and Photonics: Bellingham, WA, USA, 2004; Volume 5385, pp. 307–318. [Google Scholar] [CrossRef]
- Chen, Z.; Tan, X.; Will, A.; Ziel, C. A dynamic model for ionic polymer–metal composite sensors. Smart Mater. Struct. 2007, 16, 1477. [Google Scholar] [CrossRef]
- Chen, Z. Ionic Polymer-Metal Composite Artificial Muscles And Sensors: A Control Systems Perspective. Ph.D. Thesis, Michigan State University, East Lansing, MI, USA, 2009. [Google Scholar]
- Porfiri, M. An electromechanical model for sensing and actuation of ionic polymer metal composites. Smart Mater. Struct. 2009, 18, 015016. [Google Scholar] [CrossRef]
- Bahramzadeh, Y.; Shahinpoor, M. Dynamic curvature sensing employing ionic-polymer–metal composite sensors. Smart Mater. Struct. 2011, 20, 094011. [Google Scholar] [CrossRef]
- Lei, H.; Lim, C.; Tan, X. Modeling and inverse compensation of dynamics of base-excited ionic polymer–metal composite sensors. J. Intel. Mat. Syst. Struct. 2013, 24, 1557–1571. [Google Scholar] [CrossRef]
- Cha, Y.; Porfiri, M. Mechanics and electrochemistry of ionic polymer metal composites. J. Mech. Phys. Solids 2014, 71, 156–178. [Google Scholar] [CrossRef]
- Cha, Y.; Porfiri, M. A physics-based model for actuation and sensing of ionic polymer metal composites. In Electroactive Polymer Actuators and Devices (EAPAD) 2015; International Society for Optics and Photonics: Bellingham, WA, USA, 2015; Volume 9430. [Google Scholar] [CrossRef]
- Hong, W.; Zhao, X.; Suo, Z. Large deformation and electrochemistry of polyelectrolyte gels. J. Mech. Phys. Solids 2010, 58, 558–577. [Google Scholar] [CrossRef]
- Zhu, Z.; Chang, L.; Horiuchi, T.; Takagi, K.; Aabloo, A.; Asaka, K. Multi-physical model of cation and water transport in ionic polymer-metal composite sensors. J. Appl. Phys. 2016, 119, 124901. [Google Scholar] [CrossRef]
- Volpini, V.; Bardella, L.; Rodella, A.; Cha, Y.; Porfiri, M. Modelling compression sensing in ionic polymer metal composites. Smart Mater. Struct. 2017, 26, 035030. [Google Scholar] [CrossRef]
- Yumer, B.K. Experimental Study of Ionic Polymer Transducers: Characterization of Transient Response in Sensing. Ph.D. Thesis, University of Pittsburgh, Pittsburgh, PA, USA, 2014. [Google Scholar]
- Krajcinovic, D. Sandwich Beam Analysis. J. Appl. Mech. 1972, 39, 773–778. [Google Scholar] [CrossRef]
- Yu, Y.Y. A new theory of elastic sandwich plates-one dimensional case. J. Appl. Mech. 1959, 26, 415–421. [Google Scholar]
- Leronni, A.; Bardella, L. Influence of shear on sensing of ionic polymer metal composites. Eur. J. Mech. - A/Solids 2019, 77, 103750. [Google Scholar] [CrossRef]
- Henderson, B.; Lane, S.; Shahinpoor, M.; Kim, K.; Leo, D. Evaluation of ionic-metal polymer composites (IMPC) for use as near-DC mechanical sensors. In Proceedings of the AIAA Space 2001 Conference and Exposition, Ottawa, ON, Canada, 28–30 August 2001. Number AIAA 2001–4600. [Google Scholar] [CrossRef]
- Zhu, Z.; Horiuchi, T.; Takagi, K.; Takeda, J.; Chang, L.; Asaka, K. Effects of cation on electrical responses of ionic polymer-metal composite sensors at various ambient humidities. J. Appl. Phys. 2016, 120, 084906. [Google Scholar] [CrossRef]
- Griffiths, D.; Dominic, J.; Akle, B.J.; Vlacho, P.P.; Leo, D.J. Development of ionic polymer transducers as flow shear stress sensors: Effects of electrode architecture. In Sensors and Smart Structures Technologies for Civil, Mechanical, and Aerospace Systems 2007; International Society for Optics and Photonics: Bellingham, WA, USA, 2007; Volume 6529, p. 65290L. [Google Scholar] [CrossRef]
- Brunetto, P.; Fortuna, L.; Giannone, P.; Graziani, S.; Strazzeri, S. Static and Dynamic Characterization of the Temperature and Humidity Influence on IPMC Actuators. IEEE Trans. Instrum. Meas. 2010, 59, 893–908. [Google Scholar] [CrossRef]
- Lei, H.; Lim, C.; Tan, X. Humidity-dependence of IPMC sensing dynamics: Characterization and modeling from a physical perspective. Meccanica 2015, 50, 2663–2673. [Google Scholar] [CrossRef]
- Esmaeli, E.; Ganjian, M.; Rastegar, H.; Kolahdouz, M.; Kolahdouz, Z.; Zhang, G.Q. Humidity sensor based on the ionic polymer metal composite. Sens. Actuators B Chem. 2017, 247, 498–504. [Google Scholar] [CrossRef]
- Zhu, Z.; Horiuchi, T.; Kruusamäe, K.; Chang, L.; Asaka, K. The effect of ambient humidity on the electrical response of ion-migration-based polymer sensor with various cations. Smart Mater. Struct. 2016, 25, 055024. [Google Scholar] [CrossRef]
- Mehran Mojarrad, M.S. Ion-exchange-metal composite sensor films. In Smart Structures and Materials 1997: Smart Sensing, Processing, and Instrumentation; International Society for Optics and Photonics: Bellingham, WA, USA, 1997; Volume 3042. [Google Scholar] [CrossRef]
- Newbury, K. Characterization, Modeling, and Control of Ionic Polymer Transducers. Ph.D. Thesis, Virginia Polytechnic Institute and State University, Blacksburg, VA, USA, 2002. [Google Scholar]
- Biddiss, E.; Chau, T. Electroactive polymeric sensors in hand prostheses: Bending response of an ionic polymer metal composite. Med. Eng. Phys. 2006, 28, 568–578. [Google Scholar] [CrossRef]
- Park, K. Modeling of IPMC (Ionic Polymer-Metal Composite) Sensor to Effectively Detect the Bending Angles of a Body. J. Sens. Sci. Technol. 2011, 20, 375–381. [Google Scholar] [CrossRef]
- Takagi, K.; Kamamichi, N.; Stoimeno, B.; Asaka, K.; Mukai, T.; Luo, Z.W. Frequency response characteristics of IPMC sensors with current/voltage measurements. In Electroactive Polymer Actuators and Devices (EAPAD); International Society for Optics and Photonics: Bellingham, WA, USA, 2008; Volume 6927. [Google Scholar] [CrossRef]
- Khmelnitskiy, I.K.; Gorodilov, V.V.; Kalyonov, V.E.; Lagosh, A.V.; Broyko, A.P. Investigation of electromechanical parameters of IPMC-sensors. In Proceedings of the 2018 IEEE Conference of Russian Young Researchers in Electrical and Electronic Engineering (EIConRus), St. Petersburg, Russia, 29 January–1 February 2018; pp. 411–414. [Google Scholar] [CrossRef]
- Bonomo, C.; Negro, C.D.; Fortuna, L.; Graziani, S. Characterization of IPMC strip sensorial properties: Preliminary results. In Proceedings of the 2003 International Symposium on Circuits and Systems, Bangkok, Thailand, 25–28 May 2003; pp; Volume 4, p. IV. [Google Scholar] [CrossRef]
- Chew, X.; Hurk, A.V.D.; Aw, K. Characterisation of ionic polymer metallic composites as sensors in robotic finger joints. Int. J. Biomechatron. Biomed. Robot. 2009, 1, 37–43. [Google Scholar] [CrossRef]
- van den Hurk, A.; Chew, X.J.; Aw, K.C.; Xie, S.Q. A rotary joint sensor using ionic polymer metallic composite. In Second International Conference on Smart Materials and Nanotechnology in Engineering; International Society for Optics and Photonics: Bellingham, WA, USA, 2009; Volume 7493, p. 74932K. [Google Scholar] [CrossRef]
- MohdIsa, W.; Hunt, A.; HosseinNia, S.H. Active Sensing Methods of Ionic Polymer Metal Composite (IPMC): Comparative Study in Frequency Domain. In Proceedings of the 2019 2nd IEEE International Conference on Soft Robotics (RoboSoft), Seoul, Korea, 14–18 April 2019; pp. 546–551. [Google Scholar] [CrossRef]
- Bonomo, C.; Fortuna, L.; Giannone, P.; Graziani, S.; Strazzeri, S. Improved Frequency Investigation of IPMC Based Sensors. In Proceedings of the 2006 IEEE Instrumentation and Measurement Technology Conference Proceedings, Sorrento, Italy, 16–19 May 2006; pp. 2338–2341. [Google Scholar] [CrossRef]
- Bonomo, C.; Fortuna, L.; Giannone, P.; Graziani, S.; Strazzeri, S. A resonant force sensor based on ionic polymer metal composites. Smart Mater. Struct. 2008, 17, 015014. [Google Scholar] [CrossRef]
- Bennett, M.D.; Leo, D.J. Ionic liquids as stable solvents for ionic polymer transducers. Sens. Actuators A Phys. 2004, 115, 79–90. [Google Scholar] [CrossRef]
- Liqun, L.; Yang, C.; Zhen, A.; Yashen, Z.; Lina, H.; Zhouli, Z. Design of the Circuit for IPMC Micro-force Sensor and Testing. Sens. Transducers 2014, 166, 62–65. [Google Scholar]
- Shen, Q.; Kim, K.J.; Wang, T. Electrode of ionic polymer-metal composite sensors: Modeling and experimental investigation. J. Appl. Phys. 2014, 115. [Google Scholar] [CrossRef]
- Wang, J.; Wang, Y.; Zhu, Z.; Wang, J.; He, Q.; Luo, M. The Effects of Dimensions on the Deformation Sensing Performance of Ionic Polymer-Metal Composites. Sensors 2019, 19. [Google Scholar] [CrossRef] [PubMed]
- Punning, A.; Kruusmaa, M.; Aabloo, A. Surface resistance experiments with IPMC sensors and actuators. Sens. Actuators A Phys. 2007, 133, 200–209. [Google Scholar] [CrossRef]
- Kruusamae, K.; Punning, A.; Kruusmaa, M.; Aabloo, A. Dynamical variation of the impedances of IPMC. In Electroactive Polymer Actuators and Devices (EAPAD) 2009; International Society for Optics and Photonics: Bellingham, WA, USA, 2009; Volume 7287, p. 72870V. [Google Scholar] [CrossRef]
- Bonomo, C.; Fortuna, L.; Giannone, P.; Graziani, S. A method to characterize the deformation of an IPMC sensing membrane. Sens. Actuators A Phys. 2005, 123–124, 146–154. [Google Scholar] [CrossRef]
- Bakhtiarpour, P.; Parvizi, A.; Müller, M.; Shahinpoor, M.; Marti, O.; Amirkhani, M. An external disturbance sensor for ionic polymer metal composite actuators. Smart Mater. Struct. 2015, 25, 015008. [Google Scholar] [CrossRef]
- Ko, B.G.; Kwon, H.C.; Lee, S.J. A Self-Sensing Method for IPMC Actuator. In Advances in Science and Technology; Emboding Intelligence in Structures and Integrated Systems; Trans Tech Publications: Zürich, Switzerland, 2009; Volume 56, pp. 111–115. [Google Scholar] [CrossRef]
- Nakadoi, H.; Sera, A.; Yamakita, M.; Asaka, K.; Luo, Z.; Ito, K. Integrated Actuator-Sensor System on Patterned IPMC Film: Consideration of Electoric Interference. In Proceedings of the 2007 IEEE International Conference on Mechatronics, Changchun, China, 8–10 May 2007; pp. 1–6. [Google Scholar] [CrossRef]
- Kruusamae, K.; Brunetto, P.; Graziani, S.; Punning, A.; Di Pasquale, G.; Aabloo, A. Self-sensing ionic polymer–metal composite actuating device with patterned surface electrodes. Polym. Int. 2009, 59, 300–304. [Google Scholar] [CrossRef]
- Kruusamae, K.; Brunetto, P.; Punning, A.; Kodu, M.; Jaaniso, R.; Graziani, S.; Fortuna, L.; Aabloo, A. Electromechanical model for a self-sensing ionic polymer–metal composite actuating device with patterned surface electrodes. Smart Mater. Struct. 2011, 20, 124001. [Google Scholar] [CrossRef]
- Cha, Y.; Kim, H.; Porfiri, M. Matching the impedance of ionic polymer metal composites for energy harvesting. Smart Mater. Struct. 2014, 23, 127002. [Google Scholar] [CrossRef]
- Lin, Y.C.; Yu, C.Y.; Li, C.M.; Liu, C.H.; Chen, J.P.; Chu, T.H.; Su, G.D.J. An Ionic-Polymer-Metallic Composite Actuator for Reconfigurable Antennas in Mobile Devices. Sensors 2014, 14, 834–847. [Google Scholar] [CrossRef] [PubMed]
- Sadeghipour, K.; Salomon, R.; Neogi, S. Development of a novel electrochemically active membrane and ’smart’ material based vibration sensor/damper. Smart Mat. Struct. 1992, 1, 172–179. [Google Scholar] [CrossRef]
- McDaid, A.; Xie, S.; Aw, K. A compliant surgical robotic instrument with integrated IPMC sensing and actuation. Int. J. Smart Nano Mater. 2012, 3, 188–203. [Google Scholar] [CrossRef]
- Gonzalez, C.; Lumia, R. An IPMC microgripper with integrated actuator and sensing for constant finger-tip displacement. Smart Mater. Struct. 2015, 24, 055011. [Google Scholar] [CrossRef]
- Swarrup, S.J.; Ganguli, R. Effect of mass loading on ionic polymer metal composite actuators and sensors. In Electroactive Polymer Actuators and Devices (EAPAD); International Society for Optics and Photonics: Bellingham, WA, USA, 2015; Volume 9430. [Google Scholar] [CrossRef]
- Dominik, I.; Kwaśniewski, J.; Kaszuba, F. Ionic polymer-metal composite displacement sensors. Sens. Actuators A Phys. 2016, 240, 10–16. [Google Scholar] [CrossRef]
- Song, D.S.; Han, D.G.; Rhee, K.; Kim, D.M.; Jho, J.Y. Fabrication and characterization of an ionic polymer-metal composite bending sensor. Macromol. Res. 2017, 25, 1205–1211. [Google Scholar] [CrossRef]
- Fu, R.; Yang, Y.; Lu, C.; Ming, Y.; Zhao, X.; Hu, Y.; Zhao, L.; Hao, J.; Chen, W. Large-Scale Fabrication of High-Performance Ionic Polymer–Metal Composite Flexible Sensors by in Situ Plasma Etching and Magnetron Sputtering. ACS Omega 2018, 3, 9146–9154. [Google Scholar] [CrossRef]
- Zhu, Z.; He, X.; He, Q.; Fang, X.; Hu, Q.; Chen, H. Ionic polymer pressure sensor with gradient shape based on ion migration. J. Appl. Phys. 2019, 125, 024901. [Google Scholar] [CrossRef]
- Etebari, A.; Leo, D.J.; Bennet, M.D.; Vlachos, P.P. A Dynamic Wall Shear Stress Sensor Based on Ionic Polymers. In ASME 2005 Fluids Engineering Division Summer Meeting; American Society of Mechanical Engineers Digital Collection: New York, NY, USA, 2005; Volume 2, pp. 483–492. [Google Scholar] [CrossRef]
- Robbins, M.F. Ultimate Electronics: Practical Circuit Design and Analysis; CircuitLab, Inc.: Mountain View, CA, USA, 2017. [Google Scholar]
- Lei, H. Modeling and Fabrication Of Ionic Polymer Metal Composite Sensors. Ph.D. Thesis, Michigan State University, East Lansing, MI, USA, 2015. [Google Scholar]
- Inamuddin; Khan, A. An overview of preparation, properties and applications of ionic polymer composite actuator. In New Polymeric Composite Materials: Environmental, Biomedical, Actuator and Fuel Cell Applications; Materials Research Foundations; Inamuddin, Mohammad, A., Asiri, A.M., Eds.; Materials Research Forum LLC: Millersville, PA, USA, 2016; Chapter 11; Volume 5. [Google Scholar]
- Nakra, B.; Chaudhry, K. Instrumentation, Measurement and Analysis; Tata McGraw-Hill: New York, NY, USA, 2003. [Google Scholar]
- Kruusamae, K.; Punning, A.; Aabloo, A.; Asaka, K. Self-Sensing Ionic Polymer Actuators: A Review. Actuators 2015, 4, 17–38. [Google Scholar] [CrossRef]
- Sodano, H.A.; Park, G.; Inman, D.J. An investigation into the performance of macro-fiber composites for sensing and structural vibration applications. Mech. Syst. Signal Process. 2004, 18, 683–697. [Google Scholar] [CrossRef]
- Law, W.W.; Liao, W.H.; Huang, J. Vibration control of structures with self-sensing piezoelectric actuators incorporating adaptive mechanisms. Smart Mater. Struct. 2003, 12, 720–730. [Google Scholar] [CrossRef]
- Nam, D.N.C.; Kwan, A.K. Ionic Polymer Metal Composite Transducer and Self-Sensing Ability. In Smart Actuation and Sensing Systems; Berselli, G., Vertechy, R., Vassura, G., Eds.; IntechOpen: Rijeka, Croatia, 2012; Chapter 9. [Google Scholar] [CrossRef]
- Rakotondrabe, M.; Ivan, I.A.; Khadraoui, S.; Lutz, P.; Chaillet, N. Simultaneous Displacement/Force Self-Sensing in Piezoelectric Actuators and Applications to Robust Control. IEEE/ASME Trans. Mechatron. 2015, 20, 519–531. [Google Scholar] [CrossRef]
- Dosch, J.J.; Inman, D.J.; Garcia, E. A Self-Sensing Piezoelectric Actuator for Collocated Control. J. Intell. Mater. Syst. Struct. 1992, 3, 166–185. [Google Scholar] [CrossRef]
- Badel, A.; Qiu, J.; Nakano, T. Self-sensing force control of a piezoelectric actuator. IEEE Trans. Ultrason. Ferroelectr. Freq. Control 2008, 55, 2571–2581. [Google Scholar] [CrossRef] [PubMed]
- Jung, K.; Kim, K.J.; Choi, H.R. A self-sensing dielectric elastomer actuator. Sens. Actuators A Phys. 2008, 143, 343–351. [Google Scholar] [CrossRef]
- Sun, S.; Yang, J.; Li, W.; Deng, H.; Du, H.; Alici, G. Development of an MRE adaptive tuned vibration absorber with self-sensing capability. Smart Mater. Struct. 2015, 24, 095012. [Google Scholar] [CrossRef]
- Park, J.M.; Kim, S.J.; Kim, P.G.; Yoon, D.J.; Hansen, G.; DeVries, K.L. Self-sensing and actuation of CNF and Ni nanowire/polymer composites using electro-micromechanical test. In Reliability, Packaging, Testing, and Characterization of MEMS/MOEMS VI; International Society for Optics and Photonics: Bellingham, WA, USA, 2007; Volume 6463, p. 64630B. [Google Scholar] [CrossRef]
- Ji, H.; Qiu, J.; Wu, Y.; Cheng, J.; Ichchou, M. Novel Approach of Self-Sensing Actuation for Active Vibration Control. J. Intell. Mater. Syst. Struct. 2011, 22, 449–459. [Google Scholar] [CrossRef]
- Asghari, M.; Rezaei, S.M.; Rezaie, A.H.; Zareinejad, M.; Ghafarirad, H. Self-sensing actuation using online capacitance measurement with application to active vibration control. J. Intell. Mater. Syst. Struct. 2015, 26, 186–200. [Google Scholar] [CrossRef]
- He, Y.; Chen, X.; Liu, Z.; Qin, Y. Piezoelectric self-sensing actuator for active vibration control of motorized spindle based on adaptive signal separation. Smart Mater. Struct. 2018, 27, 065011. [Google Scholar] [CrossRef]
- Muntges, D.E.; Park, G.; Inman, D.J. Self-healing bolted joint employing a shape memory actuator. In Smart Structures and Materials 2001: Smart Structures and Integrated Systems; International Society for Optics and Photonics: Bellingham, WA, USA, 2001; Volume 4327. [Google Scholar] [CrossRef]
- Sun, M.; Staszewski, W.J.; Swamy, R.N. Smart Sensing Technologies for Structural Health Monitoring of Civil Engineering Structures. Adv. Civ. Eng. 2010, 2010. [Google Scholar] [CrossRef]
- Bogue, R. Smart materials: A review of capabilities and applications. Assem. Autom. 2014, 34, 16–22. [Google Scholar] [CrossRef]
- Okugawa, M.; Sasaki, M. System Identification and Controller Design of a Self-Sensing Piezoelectric Cantilever Structure. J. Intell. Mater. Syst. Struct. 2002, 13, 241–252. [Google Scholar] [CrossRef]
- Akle, B.J.; Leo, D.J. Multilayer ionic polymer transducer. In Smart Structures and Materials 2003: Electroactive Polymer Actuators and Devices (EAPAD); International Society for Optics and Photonics: Bellingham, WA, USA, 2003; Volume 5051. [Google Scholar] [CrossRef]
- Bonomo, C.; Fortuna, L.; Giannone, P.; Graziani, S. A sensor-actuator integrated system based on IPMCs [ionic polymer metal composites]. In Proceedings of the 2004 IEEE SENSORS, Vienna, Austria, 24–27 October 2004; Volume 1, pp. 489–492. [Google Scholar] [CrossRef]
- Tanaka, K.; Sugiura, M.; Yamakita, M.; Kamamich, N.; Mukai, T. Integrated actuator-sensor system of bucky gel device. In Proceedings of the SICE Annual Conference 2010, Taipei, Taiwan, 18–21 August 2010; pp. 2472–2478. [Google Scholar]
- Russell, J.; Cohn, R. Wheatstone Bridge; Book on Demand: Norderstedt, Germany, 2012. [Google Scholar]
- Guo, S.; Fukuda, T.; Kosuge, K.; Arai, F.; Oguro, K.; Negoro, M. Micro catheter system with active guide wire. In Proceedings of the 1995 IEEE International Conference on Robotics and Automation, Nagoya, Aichi, Japan, 21–27 May 1995; Volume 1, pp. 79–84. [Google Scholar] [CrossRef]
- Chen, Z.; Kwon, K.Y.; Tan, X. Integrated IPMC/PVDF sensory actuator and its validation in feedback control. Sens. Actuators A Phys. 2008, 144, 231–241. [Google Scholar] [CrossRef]
- Haykin, S. Kalman Filtering and Neural Networks; Adaptive and Cognitive Dynamic Systems: Signal Processing, Learning, Communications and Control; Wiley: Hoboken, NJ, USA, 2004. [Google Scholar]
- Niimura, T.; Tanaka, K. An Introduction to Fuzzy Logic for Practical Applications; Springer: New York, NY, USA, 1996. [Google Scholar]
- Hassoun, M.; Hassoun, A. Fundamentals of Artificial Neural Networks; A Bradford book; MIT Press: Cambridge, MA, USA, 1995. [Google Scholar]
- Castellini, P.; Montanini, R.; Revel, G.M. Development of a film sensor for static and dynamic force measurement. Rev. Sci. Instrum. 2002, 73, 3378–3385. [Google Scholar] [CrossRef]
- Fleming, A.J.; Wills, A.G.; Moheimani, S.O.R. Sensor Fusion for Improved Control of Piezoelectric Tube Scanners. IEEE Trans. Control Syst. Technol. 2008, 16, 1265–1276. [Google Scholar] [CrossRef]
- Johanson, U.; Punning, A.; Aabloo, A. Chapter 6 Ionic Polymer Metal Composites with Electrochemically Active Electrodes. In Ionic Polymer Metal Composites (IPMCs): Smart Multi-Functional Materials and Artificial Muscles, Volume 1; The Royal Society of Chemistry: London, UK, 2016; Volume 1, pp. 215–227. [Google Scholar] [CrossRef]
- Kaasik, F.; Must, I.; Baranova, I.; Põldsalu, I.; Lust, E.; Johanson, U.; Punning, A.; Aabloo, A. Scalable fabrication of ionic and capacitive laminate actuators for soft robotics. Sens. Actuators B Chem. 2017, 246, 154–163. [Google Scholar] [CrossRef]
- Khan, A.; Jain, R.K.; Luqman, M.; Asiri, A.M. Development of sulfonated poly(vinyl alcohol)/aluminium oxide/graphene based ionic polymer-metal composite (IPMC) actuator. Sens. Actuators A Phys. 2018, 280, 114–124. [Google Scholar] [CrossRef]
- Luo, B.; Chen, H.; Zhu, Z.; Xie, B.; Bian, C.; Wang, Y. Printing single-walled carbon nanotube/Nafion composites by direct writing techniques. Mater. Des. 2018, 155, 125–133. [Google Scholar] [CrossRef]
- Zawaski, C.E.; Wilts, E.M.; Chatham, C.A.; Stevenson, A.T.; Pekkanen, A.M.; Li, C.; Tian, Z.; Whittington, A.R.; Long, T.E.; Williams, C.B. Tuning the material properties of a water-soluble ionic polymer using different counterions for material extrusion additive manufacturing. Polymer 2019, 176, 283–292. [Google Scholar] [CrossRef]
- Kosidlo, U.; Omastová, M.; Micusík, M.; Ćirić-Marjanović, G.; Randriamahazaka, H.; Wallmersperger, T.; Aabloo, A.; Kolaric, I.; Bauernhansl, T. Nanocarbon based ionic actuators—A review. Smart Mater. Struct. 2013, 22, 104022. [Google Scholar] [CrossRef]
- Lee, B.K.; Park, S.J.; Kim, D.S. Fabrication of ionic polymer actuator with graphene nanocomposite electrodes and its characterization. Curr. Appl. Phys. 2013, 13, 1520–1524. [Google Scholar] [CrossRef]
- Kwon, T.; Lee, J.W.; Cho, H.; Henkensmeier, D.; Kang, Y.; Hong, S.M.; Koo, C.M. Ionic polymer actuator based on anion-conducting methylated ether-linked polybenzimidazole. Sens. Actuators B Chem. 2015, 214, 43–49. [Google Scholar] [CrossRef]
- Xu, D.; Guo, J.; Yan, F. Porous ionic polymers: Design, synthesis, and applications. Prog. Polym. Sci. 2018, 79, 121–143. [Google Scholar] [CrossRef]
- Fang, H.; Chen, J.; Xiao, Y.; Zhang, J. Platinum nanoparticles confined in imidazolium-based ionic polymer for assembling a microfluidic reactor with enhanced catalytic activity. Appl. Catal. A Gen. 2019, 585, 117186. [Google Scholar] [CrossRef]























| Method | Implementation | Static Sensing | Dynamic Sensing | Sensitivity (Order of Magnitude) | Remarks | |
|---|---|---|---|---|---|---|
| Voltage (Active) | Voltage and instrumentation amplifiers [111,124,125,126,127,128,129,130] | No [106,131,132,133] | Yes [106,125,128,133] | 10 mV/mm [97,106,118,125,129] | Noisy at low bending radii and at high frequencies [125,128,133]. Offset has been reported in signal reading [93,106,127]. | Dependent on temperature [83,84], humidity level [120,121,122,123], cation species [101,118], solvent [101,111], sample materials and geometries [24,119,138,139] |
| Current (Active) | Current amplifiers (convert current to voltage) [65,100,128,133,134] | No [100] | Yes [65,91,103,107,125,128,133] | 0.01–10 A/mm [65,125,128,133] | Outperforms voltage sensing [118,133]. Noisy at high frequencies [128,134,135]. Suffers from error accumulation [47,65,82]. | |
| Charge (Active) | Charge amplifiers (convert charge to voltage) [26,119,125,136,137] | No [133] | Yes [89,119,125,128,133,136] | 10–100 nC/mm [89,125,128] | Less noisy at high frequency than voltage [125]. Exhibits high-pass filter behavior [89,125]. | |
| 1 (Passive) | Voltage divider or bridge circuit (measuring electrode resistance) [9,11,140,141] | Yes [9] | 0.1 Hz [11] | 10 /mm [140] 0.5 /mm [11] | Electrode resistances vary asymmetrically [9,140]. Feasible at carrier frequencies of up to 20 Hz [141]. | |
| 2 (Passive) | Capacitive sensor element (requires external electrodes) [142] | 0.2 Hz [142] | 0.9 V/mm [142] | Sensor element consists of IPMC, airgap and external electrodes. Shown effective at IPMC deflections <4 mm [142] | ||
| SSA Method | Implementation | Ref. |
|---|---|---|
| Actuator electrode impedance | Sensing variations in IPMC actuator electrode impedance to estimate bending (using voltage divider or bridge circuit) | [9,11] |
| Impedance through actuator | Modulating high-frequency signal with actuation voltage to estimate bending from impedance variations through IPMC | [12,143] |
| Charge on IPMC actuator | Actuation voltage is periodically disconnected to measure IPMC charge (presumed to be proportional to deformation) | [13,144] |
| Separate actuator and sensor segments | Patterning IPMC electrodes to create separate sensor and actuator segments on the same material sample | [102,125,145] [10,146,147] |
© 2019 by the authors. Licensee MDPI, Basel, Switzerland. This article is an open access article distributed under the terms and conditions of the Creative Commons Attribution (CC BY) license (http://creativecommons.org/licenses/by/4.0/).
Share and Cite
MohdIsa, W.; Hunt, A.; HosseinNia, S.H. Sensing and Self-Sensing Actuation Methods for Ionic Polymer–Metal Composite (IPMC): A Review. Sensors 2019, 19, 3967. https://doi.org/10.3390/s19183967
MohdIsa W, Hunt A, HosseinNia SH. Sensing and Self-Sensing Actuation Methods for Ionic Polymer–Metal Composite (IPMC): A Review. Sensors. 2019; 19(18):3967. https://doi.org/10.3390/s19183967
Chicago/Turabian StyleMohdIsa, WanHasbullah, Andres Hunt, and S. Hassan HosseinNia. 2019. "Sensing and Self-Sensing Actuation Methods for Ionic Polymer–Metal Composite (IPMC): A Review" Sensors 19, no. 18: 3967. https://doi.org/10.3390/s19183967
APA StyleMohdIsa, W., Hunt, A., & HosseinNia, S. H. (2019). Sensing and Self-Sensing Actuation Methods for Ionic Polymer–Metal Composite (IPMC): A Review. Sensors, 19(18), 3967. https://doi.org/10.3390/s19183967

