A High-Voltage Energy-Harvesting Interface for Irregular Kinetic Energy Harvesting in IoT Systems with 1365% Improvement Using All-NMOS Power Switches and Ultra-low Quiescent Current Controller
Abstract
:1. Introduction
- (1)
- In high-voltage harvesting interfaces [11,12,13], the power stage consists of a combination of HV PMOS and NMOS. HV NMOS can be driven by output/battery voltage (VBAT) referenced drivers. Because VBAT is stable, NMOS inherits a simple driving scheme. On the other hand, HV PMOS requires a high-voltage (VHRV) referenced driving scheme. Under random input harvesting, stable VHRV cannot be maintained without additional architecture and power overhead. Thus, unstable high-voltage VHRV complicates the driving requirements for HV PMOS, which results in significant driving power overhead and also increases the system cost as HV PMOS driving interface consists of HV devices.
- (2)
- (3)
- Furthermore, for the harvesting interfaces implementing voltage peaking event detection, sample and hold comparators are employed [14]. Periodic charging/discharging of a sampling capacitor incurs power overhead, which may lead to inefficient harvesting at low-energy input.
2. Harvester Maximum Energy Extraction Condition and Top Level Harvesting Interface Architecture
2.1. Output Capacitive Load Isolation Harvesting
2.2. Proposed Harvesting Interface Top Level Architecture
2.3. Proposed Harvesting Interface Operation
3. Controller and Driver Implementation Details
3.1. Wake-Up Controller (WUC)
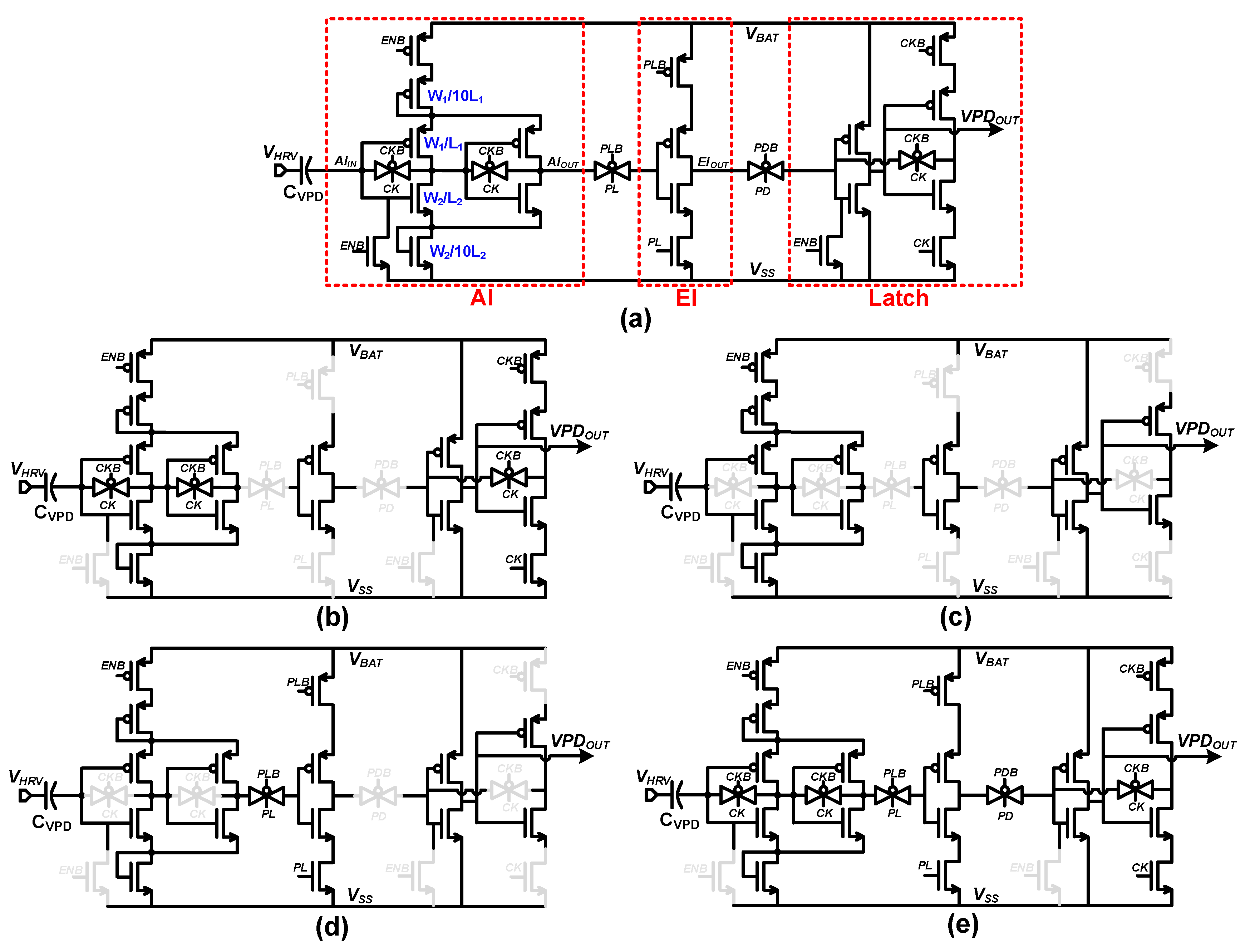
3.2. Voltage Peak Detector (VPD)
3.3. Two-Stage Bootstrap Driver
4. Simulation Results
5. Conclusions
Supplementary Materials
Author Contributions
Funding
Conflicts of Interest
References
- Thomas, B.; Holland, J.D.; Minot, E.O. Wildlife tracking technology options and cost considerations. Wildl. Res. 2012, 38, 653–663. [Google Scholar] [CrossRef]
- Jang, T.; Kim, G.; Kempke, B.; Henry, M.B.; Chiotellis, N.; Pfeiffer, C.; Kim, D.; Kim, Y.; Foo, Z.; Kim, H.; et al. Circuit and System Designs of Ultra-Low Power Sensor Nodes with Illustration in a Miniaturized GNSS Logger for Position Tracking: Part II—Data Communication, Energy Harvesting, Power Management, and Digital Circuits. IEEE Trans. Circutis Syst. I 2017, 64, 2250–2262. [Google Scholar] [CrossRef]
- Kim, G.; Lee, Y.; Foo, Z.; Pannuto, P.; Kuo, Y.-S.; Kempke, B.; Ghaed, M.H.; Bang, S.; Lee, I.; Kim, Y.; et al. A Millimeter-Scale Wireless Imaging System with Continuous Motion Detection and Energy Harvesting. In Proceedings of the IEEE Symposium on VLSI, Honolulu, HI, USA, 10–13 June 2014; pp. 178–179. [Google Scholar]
- Sanchez, D.A.; Leicht, J.; Jodka, E.; Fazel, E.; Manoli, Y. A 4 μW-to-1 mW Parallel-SSHI Rectifier for Piezoelectric Energy Harvesting of Periodic and Shock Excitations with Inductor Sharing, Cold Start-up and up to 681% Power Extraction Improvement. In Proceedings of the IEEE International Solid-State Circuits Conference (ISSCC), San Francisco, CA, USA, 1–3 February 2016; pp. 366–367. [Google Scholar]
- Ramdass, Y.K.; Chandrakansan, A.P. An Efficient Piezoelectric Energy-Harvesting Interface Circuit Using a Bias-Flip Rectifier and Shared Inductor. In Proceedings of the IEEE International Solid-State Circuits Conference (ISSCC), San Francisco, CA, USA, 9–11 February 2009; pp. 296–297. [Google Scholar]
- Aktakka, E.E.; Najafi, K. A Micro Inertial Energy Harvesting Platform with Self-Supplied Power Management Circuit for Autonomous Wireless Sensor Nodes. IEEE J. Solid-State Circuits 2014, 49, 2017–2029. [Google Scholar] [CrossRef]
- Yang, J.H.; Kim, Y.K.; Lee, J.Y. Simplified Process for Manufacturing Macroscale Pattern to Enhance Voltage Generation by a Triboelectric Generator. Energies 2015, 8, 12729–12740. [Google Scholar] [CrossRef]
- Kang, M.; Kim, T.Y.; Seung, W.; Han, J.H.; Kim, S.W. Cylindrical Free-Standing Mode Triboelectric Generator for Suspension System in Vehicle. Micromachines 2019, 10, 17. [Google Scholar] [CrossRef] [PubMed]
- Elvira-Hernandez, E.A.; Uscanga-Gonzalez, L.A.; de Leon, A.; Lopez-Huerta, F.; Herrera-May, A.L. Electromechanical Modeling of a Piezoelectric Vibration Energy Harvesting Microdevice Based on Multilayer Resonator for Air Conditioning Vents at Office Buildings. Micrmachines 2019, 10, 211. [Google Scholar] [CrossRef] [PubMed]
- Yu, H.; Zhou, J.; Deng, L.; Wen, Z. A Vibration-Based MEMS Piezoelectric Energy Harvester and Power Conditioning Circuit. Sensors 2014, 14, 3323–3341. [Google Scholar] [CrossRef] [PubMed]
- Yang, J.; Lee, M.; Park, M.J.; Jung, S.Y.; Kim, J. A 2.5-V, 160 µJ-Output Piezoelectric Energy Harvester and Power Management IC for Batteryless Wireless Switch (BWS) Applications. In Proceedings of the IEEE Symposium on VLSI, Kyoto, Japan, 17–19 June 2015; pp. 282–283. [Google Scholar]
- Hehn, T.; Hagedorn, F.; Maurath, D.; Marinkovic, D.; Kuehne, I.; Frey, A.; Manoli, Y. A Fully Autonomous Integrated Interface Circuit for Piezoelectric Harvesters. IEEE J. Solid-State Circuits 2012, 47, 2185–2198. [Google Scholar] [CrossRef]
- Quelen, A.; Morel, A.; Gasnier, P.; Grezaud, R.; Monfray, S.; Pillonnet, G. A 30 nA Quiescent 80 nW-to 14 nW Power Range Shock-Optimized SECE-Based Piezoelectric Harvesting Interface with 420% Harvested-Energy Improvement. In Proceedings of the IEEE International Solid-State Circuits Conference (ISSCC), San Francisco, CA, USA, 13–15 February 2018; pp. 150–151. [Google Scholar]
- Kwon, D.; Rincon-Mora, G.A. A Single-Inductor 0.35 µm CMOS Energy-Investing Piezoelectric Harvester. IEEE J. Solid-State Circuits 2014, 49, 2277–2291. [Google Scholar] [CrossRef]
- Park, I.; Maeng, J.; Lim, D.; shim, M.; Jeong, J.; Kim, C. A 4.5-to-16 µW Integrated Triboelectric Energy-Harvesting System Based on High-Voltage Dual-Input Buck Converter with MPPT and 70 V Maximum Input Voltage. In Proceedings of the IEEE International Solid-State Circuits Conference (ISSCC), San Francisco, CA, USA, 13–15 February 2018; pp. 146–147. [Google Scholar]
- Kong, N.; Ha, D.S. Low-Power Design of a Self-powered Piezoelectric Energy Harvesting System with Maximum Power Point Tracking. IEEE Trans. Power Electron. 2012, 27, 2298–2308. [Google Scholar] [CrossRef]
- Stanzione, S.; Liempd, C.V.; Schaijk, R.V.; Naito, Y.; Yazicioglu, R.F.; Hoof, C.V. A Self-Biased 5-to-60 V Input Voltage and 25-to-1600 µW Integrated DC-DC Buck Converter with Fully Analog MPPT Algorithm Reaching up to 88% End-to-End Efficiency. In Proceedings of the IEEE International Solid State Circuits Conference (ISSCC), San Francisco, CA, USA, 18–20 February 2013; pp. 74–75. [Google Scholar]
- Shim, M.; Kim, J.; Jung, J.; Kim, C. Self-Powered 30 µW-to-10 mW Piezoelectric Energy-Harvesting System with 9.09 ms/V Maximum Power Point Tracking Time. In Proceedings of the IEEE International Solid State Circuits Conference (ISSCC), San Francisco, CA, USA, 10–12 February 2014; pp. 406–407. [Google Scholar]
- Khan, M.B.; Kim, D.H.; Han, J.H.; Saif, H.; Lee, H.; Lee, Y.; Kim, M.; Jang, E.; Hong, S.K.; Joe, D.J.; et al. Performance improvement of flexible piezoelectric energy harvester for irregular human motion with energy extraction enhancement circuit. Nano Energy 2019, 58, 211–219. [Google Scholar] [CrossRef]
- Razavi, B. Design of Analog CMOS Integrated Circuits; McGraw-Hill: Boston, MA, USA, 2001. [Google Scholar]
- Saif, H.; Lee, Y.; Lee, H.; Kim, M.; Khan, M.B.; Chun, J.H.; Lee, Y. A Wide Load Current and Voltage Range Switched Capacitor DC-DC Converter with Load Dependent Configurability for Dynamic Voltage Implementation in Miniature Sensors. Energies 2018, 11, 3092. [Google Scholar] [CrossRef]
















| Parameters | This Work | [11] | [12] | [13] | [14] | 
|---|---|---|---|---|---|
| Technology | 350 nm BCD | 250 nm HV | 350 nm HV | 40 nm HV | 350 nm HV | 
| Operation Principle | Load Isolation | Bias flip + SC Series/Parallel | PSCE | SECE | Energy Investing | 
| VHRV(V) | 5–45 (INT*) 5–200 (DIS*) | <35 | <20 | <6 | <6 | 
| VOUT (V) | 2.4–4 | 2.5 | 1.5–5 | 1.5, 2.8 | 3.3 | 
| Harvester Capacitance | 500 pF, 19.5 nF | 150 nF | 19.5 nF | 43 nF | 15 nF | 
| Off-chip Inductor | 220 µH | 470 µH | 2.2 mH | 2.2 mH | 330 µH | 
| Excitation Type | Irregular & Periodic | Irregular | Periodic | Periodic & Shock | Periodic & Shock | 
| Efficiency Improvement (w.r.t FBR) | 607% (INT) 1365% (DIS) | - | 206% (Periodic) | 420% (Shock) 314% (Periodic) | 360% (Periodic) | 
| Harvesting Overhead (Interface Active Mode Power) | 1.6 µW (INT) 2.6 µW (DIS) @ 173 Hz (Continuous VHRV) | 12 µJ (Per pulse) | 4.4 µW @ 173 Hz (Continuous VHRV) | - | 1.6 µW @ 143Hz (Continuous VHRV) | 
| Quiescent Current/Power (Interface Standby Mode Power) | 16 pA/53 pW @VBAT = 3.3 V | - | 300 nA | 30 nA/45 nW | 100 nA/320 nW | 
© 2019 by the authors. Licensee MDPI, Basel, Switzerland. This article is an open access article distributed under the terms and conditions of the Creative Commons Attribution (CC BY) license (http://creativecommons.org/licenses/by/4.0/).
Share and Cite
Saif, H.; Khan, M.B.; Lee, J.; Lee, K.; Lee, Y. A High-Voltage Energy-Harvesting Interface for Irregular Kinetic Energy Harvesting in IoT Systems with 1365% Improvement Using All-NMOS Power Switches and Ultra-low Quiescent Current Controller. Sensors 2019, 19, 3685. https://doi.org/10.3390/s19173685
Saif H, Khan MB, Lee J, Lee K, Lee Y. A High-Voltage Energy-Harvesting Interface for Irregular Kinetic Energy Harvesting in IoT Systems with 1365% Improvement Using All-NMOS Power Switches and Ultra-low Quiescent Current Controller. Sensors. 2019; 19(17):3685. https://doi.org/10.3390/s19173685
Chicago/Turabian StyleSaif, Hassan, Muhammad Bilawal Khan, Jongmin Lee, Kyoungho Lee, and Yoonmyung Lee. 2019. "A High-Voltage Energy-Harvesting Interface for Irregular Kinetic Energy Harvesting in IoT Systems with 1365% Improvement Using All-NMOS Power Switches and Ultra-low Quiescent Current Controller" Sensors 19, no. 17: 3685. https://doi.org/10.3390/s19173685
APA StyleSaif, H., Khan, M. B., Lee, J., Lee, K., & Lee, Y. (2019). A High-Voltage Energy-Harvesting Interface for Irregular Kinetic Energy Harvesting in IoT Systems with 1365% Improvement Using All-NMOS Power Switches and Ultra-low Quiescent Current Controller. Sensors, 19(17), 3685. https://doi.org/10.3390/s19173685
 
        

 
       