An Analog Interface Circuit for Capacitive Angle Encoder Based on a Capacitance Elimination Array and Synchronous Switch Demodulation Method
Abstract
:1. Introduction
2. Capacitive Angular Encoder
3. Signal Processing of the ASIC
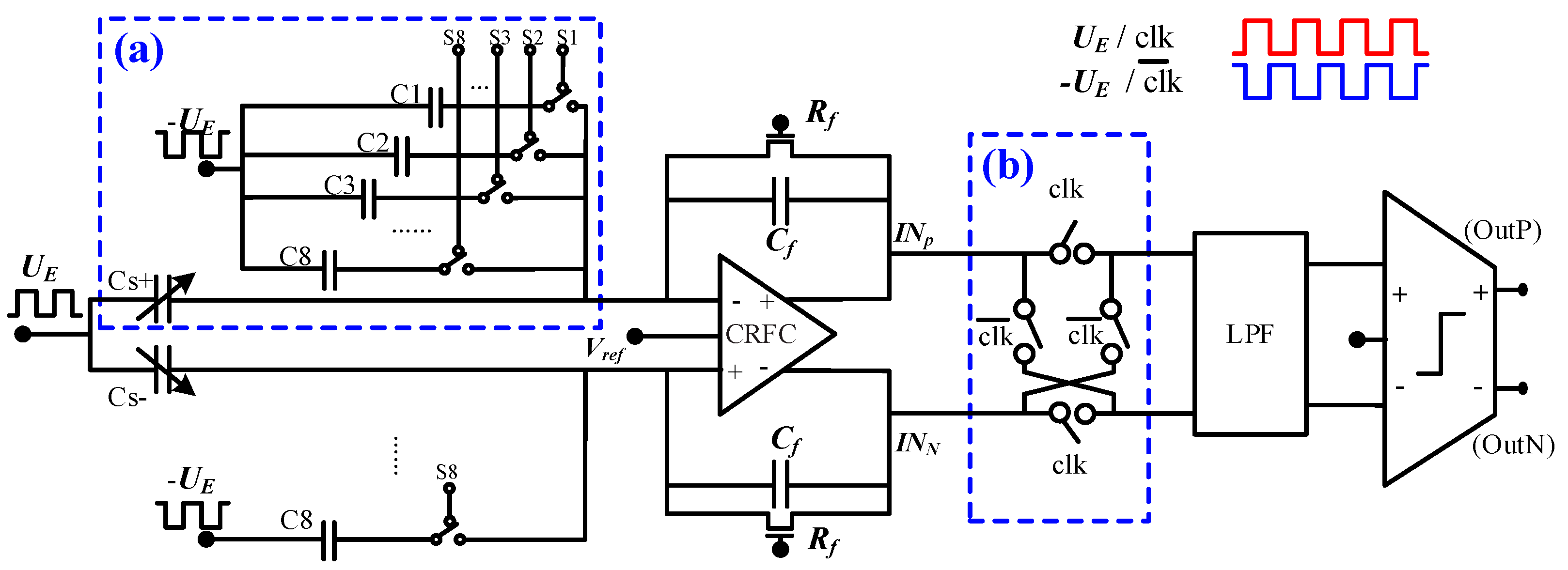
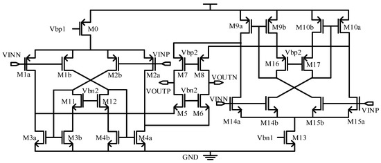
3.1. Processing Circuit Introduction
3.2. On-Chip DC Capacitance Elimination Array
3.3. Synchronous Switch Demodulation and Low-Pass Filter
4. Measurement Results
4.1. Characteristics Test of the ASIC
4.1.1. Scale Factor
4.1.2. Noise Test
4.2. Characteristics Test of Encoder
4.2.1. Angle Stability Test
4.2.2. Step Test
4.2.3. Linearity Test
4.3. Summary of the Encoder
5. Conclusions
Author Contributions
Funding
Acknowledgments
Conflicts of Interest
References
- Lin, C.C.; Tsai, N.C. Measurement of Position Deviation and Eccentricity for μ-Disc-Type Inductive Micro-Motor. Mech. Syst. Signal Process. 2015, 64–65, 296–312. [Google Scholar] [CrossRef]
- Al-Emadi, N.; Ben-Brahim, L.; Benammar, M. A New Tracking Technique for Mechanical Angle Measurement. Measurement 2014, 54, 58–64. [Google Scholar] [CrossRef]
- Han, S.; Han, S. Resolver Angle Estimation Using Parameter and State Estimation. Measurement 2016, 93, 460–464. [Google Scholar] [CrossRef]
- Wang, Y.; Zhu, Z.; Zuo, Z. A Novel Design Method for Resolver-to-Digital Conversion. IEEE Trans. Ind. Electron. 2015, 62, 3724–3731. [Google Scholar] [CrossRef]
- Azimloo, H.; Rezazadeh, G.; Shabani, R. Development of a Capacitive Angular Velocity Sensor for the Alarm and Trip Applications. Measurement 2015, 63, 282–286. [Google Scholar] [CrossRef]
- Krklješ, D.; Vasiljević, D.; Stojanović, G. A Capacitive Angular Sensor with Flexible Digitated Electrodes. Sens. Rev. 2014, 34, 382–388. [Google Scholar] [CrossRef]
- Liu, X.; Peng, K.; Chen, Z.; Pu, H.; Yu, Z. A New Capacitive Displacement Sensor with Nanometer Accuracy and Long Range. IEEE Sens. J. 2016, 16, 2306–2316. [Google Scholar] [CrossRef]
- Anandan, N.; George, B. A Wide-Range Capacitive Sensor for Linear and Angular Displacement Measurement. IEEE Trans. Ind. Electron. 2017, 64, 5728–5737. [Google Scholar] [CrossRef]
- Paul, S.; Chang, J. Design of Absolute Encoder Disk Coding Based on Affine n Digit N-ary Gray Code. In Proceedings of the 2016 IEEE International Instrumentation and Measurement Technology Conference Proceedings, Taipei, Taiwan, 23–26 May 2016. [Google Scholar]
- Dziwinski, T. A Novel Approach of an Absolute Encoder Coding Pattern. IEEE Sens. J. 2015, 15, 397–401. [Google Scholar] [CrossRef]
- Zhang, J.; Wu, Z. Automatic Calibration of Resolver Signals via State Observers. Meas. Sci. Technol. 2014, 25, 095008. [Google Scholar] [CrossRef]
- Hwang, S.H.; Kim, H.J.; Kim, J.M.; Liu, L.; Li, H. Compensation of Amplitude Imbalance and Imperfect Quadrature in Resolver Signals for PMSM Drives. IEEE Trans. Ind. Appl. 2011, 47, 134–143. [Google Scholar] [CrossRef]
- Zheng, D.Z.; Zhang, S.B.; Wang, S.; Hu, C.; Zhao, X.M. Capacitive Rotary Encoder Based on Quadrature Modulation and Demodulation. IEEE Trans. Instrum. Measurement 2015, 64, 143–153. [Google Scholar] [CrossRef]
- Karali, M.; Karasahin, A.T.; Keles, O.; Kocak, M.; Erismis, M.A. A New Capacitive Rotary Encoder Based on Analog Synchronous Demodulation. Electr. Eng. 2018, 100, 1975–1983. [Google Scholar] [CrossRef]
- Kimura, F.; Gondo, M.; Yamamoto, A.; Higuchi, T. Resolver Compatible Capacitive Rotary Position Sensor. In Proceedings of the 35th Annual Conference of IEEE Industrial Electronics, Porto, Portugal, 3–5 November 2009. [Google Scholar]
- Zhang, Z.; Ni, F.; Dong, Y.; Guo, C.; Jin, M.; Liu, H. A Novel Absolute Magnetic Rotary Sensor. IEEE Trans. Ind. Electron. 2015, 62, 4408–4419. [Google Scholar] [CrossRef]
- Gasulla, M.; Li, X.; Meijer, G.C.M.; van der Ham, L.; Spronck, J.W. A Contactless Capacitive Angular-Position Sensor. IEEE Sens. J. 2003, 3, 607–614. [Google Scholar] [CrossRef]
- Hou, B.; Zhou, B.; Song, M.; Lin, Z.; Zhang, R. A Novel Single-Excitation Capacitive Angular Position Sensor Design. Sensors 2016, 16, 1196. [Google Scholar] [CrossRef] [PubMed]
- Kar, S.K.; Chatterjee, P.; Mukherjee, B.; Swamy, K.B.M.M.; Sen, S. A Differential Output Interfacing ASIC for Integrated Capacitive Sensors. IEEE Trans. Instrum. Meas. 2018, 67, 196–203. [Google Scholar] [CrossRef]
- Utz, A.; Walk, C.; Haas, N.; Fedtschenko, T.; Stanitzki, A.; Mokhtari, M.; Görtz, M.; Kraft, M.; Kokozinski, R. An Ultra-Low Noise Capacitance to Voltage Converter for Sensor Applications in 0.35 µm CMOS. J. Sens. Sens. Syst. 2017, 6, 285–301. [Google Scholar] [CrossRef]
- Chu, Y.; Dong, J.; Chi, B.; Liu, Y. A Novel Digital Closed Loop MEMS Accelerometer Utilizing a Charge Pump. Sensors 2016, 16, 389. [Google Scholar] [CrossRef]
- Wu, J.; Fedder, G.K.; Carley, L.R. A Low-Noise Low-Offset Capacitive Sensing Amplifier for a 50-µg/Hz Monolithic CMOS MEMS Accelerometer. IEEE J. Solid-State Circuits 2004, 39, 722–730. [Google Scholar]
- Li, X.; Wei, Q.; Zhou, B.; Chen, Z.; Zhang, R. Data-driven complementary recycling folded cascode OTA. J. Phys. Conf. Ser. 2018, 1074, 012083. [Google Scholar] [CrossRef]
- Assaad, R.S.; Silva-Martinez, J. The Recycling Folded Cascode: A General Enhancement of the Folded Cascode Amplifier. IEEE J. Solid-State Circuits 2009, 44, 2535–2542. [Google Scholar] [CrossRef]












| Properties | Values |
|---|---|
| Process technology | Smic 0.18 µm CMOS |
| Supply voltage | 5 V |
| Scale factor | 4 V/pF |
| Excitation frequency | 250 kHz |
| Eliminated capacitance | Max.: 12495 fF Min.: 49 fF |
| Max. nonlinearity | 0.06% FS |
| Noise floor | 400 nV |
| Power consumption | <20 mW |
| Chip area | 3 mm2 |
| Resolution | <0.01° |
| Stability | 0.002° |
| Precision | ±0.05° |
© 2019 by the authors. Licensee MDPI, Basel, Switzerland. This article is an open access article distributed under the terms and conditions of the Creative Commons Attribution (CC BY) license (http://creativecommons.org/licenses/by/4.0/).
Share and Cite
Hou, B.; Zhou, B.; Li, X.; Gao, Z.; Wei, Q.; Zhang, R. An Analog Interface Circuit for Capacitive Angle Encoder Based on a Capacitance Elimination Array and Synchronous Switch Demodulation Method. Sensors 2019, 19, 3116. https://doi.org/10.3390/s19143116
Hou B, Zhou B, Li X, Gao Z, Wei Q, Zhang R. An Analog Interface Circuit for Capacitive Angle Encoder Based on a Capacitance Elimination Array and Synchronous Switch Demodulation Method. Sensors. 2019; 19(14):3116. https://doi.org/10.3390/s19143116
Chicago/Turabian StyleHou, Bo, Bin Zhou, Xiang Li, Zhenyi Gao, Qi Wei, and Rong Zhang. 2019. "An Analog Interface Circuit for Capacitive Angle Encoder Based on a Capacitance Elimination Array and Synchronous Switch Demodulation Method" Sensors 19, no. 14: 3116. https://doi.org/10.3390/s19143116
APA StyleHou, B., Zhou, B., Li, X., Gao, Z., Wei, Q., & Zhang, R. (2019). An Analog Interface Circuit for Capacitive Angle Encoder Based on a Capacitance Elimination Array and Synchronous Switch Demodulation Method. Sensors, 19(14), 3116. https://doi.org/10.3390/s19143116

