Performance Analysis of a Defected Ground-Structured Antenna Loaded with Stub-Slot for 5G Communication
Abstract
:1. Introduction
2. Design and Analysis
2.1. Stub-Notch Configuration Analysis
2.2. DGS Structure Analysis
2.3. The Proposed DGS Unit Cell and Final Structure
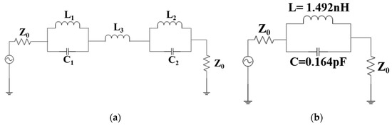
Parameter Extraction
- where,
- is the angular cutoff frequency,
- is the angular resonance frequency, and
- is the prototype value of the Butterworth-type low-pass filter
2.4. Lumped Element Circuit
3. Results and Discussion
4. Conclusions
Author Contributions
Funding
Conflicts of Interest
References
- 5g Spectrum Gsma Public Policy Position. Available online: https://www.gsma.com/latinamerica/wp-content/uploads/2019/03/5G-Spectrum-Positions.pdf (accessed on 23 April 2019).
- 5g Spectrum Auction Picks up in 2018—Report by Gsa. Available online: https://www.telecomlead.com/5g/5g-spectrum-auction-picks-up-in-2018-report-by-gsa-88154 (accessed on 23 April 2019).
- Introducing 5g Networks—Characteristics and Usages. Available online: https://www.gemalto.com/mobile/inspired/5G (accessed on 23 April 2019).
- Guha, D.; Antar, Y.M. Microstrip and Printed Antennas: New Trends, Techniques and Applications; John Wiley & Sons: Hoboken, NJ, USA, 2011. [Google Scholar]
- Breed, G. An introduction to defected ground structures in microstrip circuits. High Freq. Electron. 2008, 7, 50–54. [Google Scholar]
- Kumar, C.; Pasha, M.I.; Guha, D. Microstrip patch with nonproximal symmetric defected ground structure (dgs) for improved cross-polarization properties over principal radiation planes. IEEE Antennas Wirel. Propag. Lett. 2015, 14, 1412–1414. [Google Scholar] [CrossRef]
- Pasha, M.I.; Kumar, C.; Guha, D. Simultaneous compensation of microstrip feed and patch by defected ground structure for reduced cross-polarized radiation. IEEE Trans. Antennas Propag. 2018, 66, 7348–7352. [Google Scholar] [CrossRef]
- Guha, D.; Biswas, M.; Antar, Y.M. Microstrip patch antenna with defected ground structure for cross polarization suppression. IEEE Antennas Wirel. Propag. Lett. 2005, 4, 455–458. [Google Scholar] [CrossRef]
- Reddy, B.S.; Vakula, D. Compact zigzag-shaped-slit microstrip antenna with circular defected ground structure for wireless applications. IEEE Antennas Wirel. Propag. Lett. 2015, 14, 678–681. [Google Scholar] [CrossRef]
- Dash, J.C.; Mishra, G.P.; Mangaraj, B.B. Design of dual band patch antenna with bandwidth enhancement using complementary defected ground structure. In Proceedings of the 2016 2nd International Conference on Contemporary Computing and Informatics (IC3I), Noida, India, 14–17 December 2016; pp. 271–274. [Google Scholar]
- Bhadouria, A.S.; Kumar, M. Microstrip patch antenna for radiolocation using dgs with improved gain and bandwidth. In Proceedings of the 2014 International Conference on Advances in Engineering & Technology Research (ICAETR-2014), Unnao, India, 1–2 August 2014; pp. 1–5. [Google Scholar]
- Gupta, S.; Dhillon, S.S.; Khera, P.; Marwaha, A. Dual band u-slotted microstrip patch antenna for c band and x band radar applications. In Proceedings of the 2013 5th International Conference and Computational Intelligence and Communication Networks, Madrid, Spain, 5–7 June 2013; pp. 41–45. [Google Scholar]
- Salih, A.A.; Sharawi, M.S. A dual-band highly miniaturized patch antenna. IEEE Antennas Wirel. Propag. Lett. 2016, 15, 1783–1786. [Google Scholar] [CrossRef]
- Ali, T.; Biradar, R.C. A triple-band highly miniaturized antenna for wimax/wlan applications. Microw. Opt. Technol. Lett. 2018, 60, 466–471. [Google Scholar] [CrossRef]
- Ali, M.; Rahim, S.; Sabran, M.; Abedian, M.; Eteng, A.; Islam, M.T. Dual band miniaturized microstrip slot antenna for wlan applications. Microw. Opt. Technol. Lett. 2016, 58, 1358–1362. [Google Scholar] [CrossRef]
- Mobashsher, A.T.; Islam, M.T.; Misran, N. A novel high-gain dual-band antenna for rfid reader applications. IEEE Antennas Wirel. Propag. Lett. 2010, 9, 653–656. [Google Scholar] [CrossRef]
- Tiang, J.J.; Islam, M.T.; Misran, N.; Mandeep, J.S. A rounded corner triangular patch antenna for dual-frequency application. Microw. Opt. Technol. Lett. 2014, 56, 69–72. [Google Scholar] [CrossRef]
- Rahman, M.; Khan, W.T.; Imran, M. Penta-notched uwb antenna with sharp frequency edge selectivity using combination of srr, csrr, and dgs. AEU-Int. J. Electron. Commun. 2018, 93, 116–122. [Google Scholar] [CrossRef]
- Yang, W.; Chen, S.; Xue, Q.; Che, W.; Shen, G.; Feng, W. Novel filtering method based on metasurface antenna and its application for wideband high-gain filtering antenna with low profile. IEEE Trans. Antennas Propag. 2019, 67, 1535–1544. [Google Scholar] [CrossRef]
- Arun, H.; Alsath, M.G.N. Octagonal dgs based dual polarised ring-shaped antenna for mimo communications. Int. J. Electron. 2019, 106, 756–769. [Google Scholar] [CrossRef]
- Bahl, I.J.; Bhartia, P. Microstrip Antennas; Artech House: Norwood, MA, USA, 1980. [Google Scholar]
- Garg, R.; Bhartia, P.; Bahl, I.J.; Ittipiboon, A. Microstrip Antenna Design Handbook; Artech House: Norwood, MA, USA, 2001. [Google Scholar]
- Deshmukh, A.A.; Baxi, P.; Kamdar, C.; Vora, B.; Ray, K.P. Analysis of stub loaded rectangular microstrip antenna. In Proceedings of the National Conference on Communications NCC, Kharagpur, India, 3–5 February 2012; pp. 1–5. [Google Scholar]
- Yang, F.-R.; Qian, Y.; Coccioli, R.; Itoh, T. Analysis and application of photonic band-gap (pbg) structures for microwave circuits. Electromagnetics 1999, 19, 241–254. [Google Scholar] [CrossRef]
- Kim, C.-S.; Park, J.-S.; Ahn, D.; Lim, J.-B. A novel 1-d periodic defected ground structure for planar circuits. IEEE Microw. Guided Wave Lett. 2000, 10, 131–133. [Google Scholar]
- Ahn, D.; Park, J.-S.; Kim, C.-S.; Kim, J.; Qian, Y.; Itoh, T. A design of the low-pass filter using the novel microstrip defected ground structure. IEEE Trans. Microw. Theory Tech. 2001, 49, 86–93. [Google Scholar] [CrossRef]
- Chiau, C.; Chen, X.; Parini, C. Multiperiod ebg structure for wide stopband circuits. IEE Proc. -Microw. Antennas Propag. 2003, 150, 489–492. [Google Scholar] [CrossRef]
- Pozar, D.M. Microwave Engineering; Wiley: Hoboken, NJ, USA, 2012. [Google Scholar]
- Matthaei, G.; Young, L.; Jones, E. Design of Microwave Filters, Impedance-Matching Networks, and Coupling Structures; Stanford Research Inst: Menlo Park, CA, USA, 1963; Volume 2. [Google Scholar]
- Awaleh, A.; Dahlan, S.; Jenu, M. Equivalent electrical lumped component modeling of e-shaped patch flat lens antenna unit cell. In Proceedings of the 2014 IEEE Asia-Pacific Conference on Applied Electromagnetics (APACE), Johor Bahru, Malaysia, 8–10 December 2014; pp. 39–42. [Google Scholar]
- Islam, M.; Samsuzzaman, M.; Islam, M.; Kibria, S.; Singh, M. A homogeneous breast phantom measurement system with an improved modified microwave imaging antenna sensor. Sensors 2018, 18, 2962. [Google Scholar] [CrossRef] [PubMed]
- Jafargholi, A.; Jafargholi, A.; Ghalamkari, B. Dual-band slim microstrip patch antennas. IEEE Trans. Antennas Propag. 2018, 66, 6818–6825. [Google Scholar] [CrossRef]
- Ahsan, M.R.; Ullah, M.H.; Islam, M.T. Slot loaded rectangular patch antenna for dual-band operations on glass-reinforced epoxy laminated inexpensive substrate. J. Comput. Electron. 2014, 13, 989–995. [Google Scholar] [CrossRef]



















| Parameters | Value (mm) | Parameters | Value (mm) |
|---|---|---|---|
| l1 | 33.5 | w5 | 1.9 |
| l2 | 19.17 | w6 | 0.5 |
| l3 | 7.38 | w7 | 2.1 |
| l4 | 6 | g1 | 11.91 |
| w1 | 33.5 | g2 | 5.58 |
| w2 | 9.1 | g3 | 10.09 |
| w3 | 12.91 | g4 | 5.81 |
| w4 | 3.68 | g5 | 1 |
| Antenna | Description | Antenna Dimension at the Lower Passband Frequency | Percentage Bandwidth | Gain (dB) | Efficiency (%) |
|---|---|---|---|---|---|
| [9] | Slit loaded antenna with DGS | (0.33 × 0.23 ) | 6.5 (2.45 GHz) 4.18 (3.5 GHz) 4.97 (5.28 GHz) | 4.72 6.2 3.8 | - - - |
| [13] | A dual-band highly miniaturized patch antenna with DGS | (0.16 × 0.15 ) | - - | −1.7 (2.43 GHz) 2.4 (5.2 GHz) | 30 81 |
| [11] | Microstrip patch antenna for radiolocation using DGS with improved gain and bandwidth | (0.28 ×0.28 ) | 3.2 (5.9 GHz) 3.5 (9.1 GHz) 3.7 (10.4 GHz) | 2.5 6.1 5.3 | 78.89 82.33 67.85 |
| [32] | Dual-band slim microstrip patch antennas (no DGS) | (0.19 × 0.32 ) | 4 (1.9 GHz) 2.2 (3.5 GHz) | 1 2.4 | 28 35 |
| [33] | Slot loaded rectangular patch antenna on a glass-reinforced epoxy laminated inexpensive substrate | (0.09 × 0.12 ) | 81.72 (0.460 GHz) 6.99 (4.5 GHz) | 6.6 (dBi) 9.7 (dBi) Average gain | 85 88 |
| [15] | Dual-band miniaturized microstrip slot antenna for wireless local area network (WLAN) applications | (0.16 × 0.32 ) | 1.673 (2.4 GHz) 2.2 (5.83 GHz) | 2.76 1.7 | 52 31 |
| [Present Work] | Dual-band slot antenna without DGS | (0.42 × 0.42 ) | 3.75 (3.736 GHz) 1.98 (−8 dB) (6.076 GHz) | 5.164 5 | 82.15 70.61 |
| Dual-band slot antenna with DGS | (0.4 × 0.4 ) | 12.49(3.532 GHz) 4.49 (6.835 GHz) | 4.02 3.38 | 88.2 76.88 |
© 2019 by the authors. Licensee MDPI, Basel, Switzerland. This article is an open access article distributed under the terms and conditions of the Creative Commons Attribution (CC BY) license (http://creativecommons.org/licenses/by/4.0/).
Share and Cite
Rahman, M.M.; Islam, M.S.; Wong, H.Y.; Alam, T.; Islam, M.T. Performance Analysis of a Defected Ground-Structured Antenna Loaded with Stub-Slot for 5G Communication. Sensors 2019, 19, 2634. https://doi.org/10.3390/s19112634
Rahman MM, Islam MS, Wong HY, Alam T, Islam MT. Performance Analysis of a Defected Ground-Structured Antenna Loaded with Stub-Slot for 5G Communication. Sensors. 2019; 19(11):2634. https://doi.org/10.3390/s19112634
Chicago/Turabian StyleRahman, Md Mushfiqur, Md Shabiul Islam, Hin Yong Wong, Touhidul Alam, and Mohammad Tariqul Islam. 2019. "Performance Analysis of a Defected Ground-Structured Antenna Loaded with Stub-Slot for 5G Communication" Sensors 19, no. 11: 2634. https://doi.org/10.3390/s19112634
APA StyleRahman, M. M., Islam, M. S., Wong, H. Y., Alam, T., & Islam, M. T. (2019). Performance Analysis of a Defected Ground-Structured Antenna Loaded with Stub-Slot for 5G Communication. Sensors, 19(11), 2634. https://doi.org/10.3390/s19112634

