Measurement and Isolation of Thermal Stress in Silicon-On-Glass MEMS Structures
Abstract
:1. Introduction
2. Stress Testing Structure
2.1. Principle of Stress Test Structure
2.2. Natural Frequency Sensitivity to Temperature
2.2.1. Stress Analysis
2.2.2. Natural Frequency Variation with Temperature
2.3. Stress and Natural Frequency Simulations
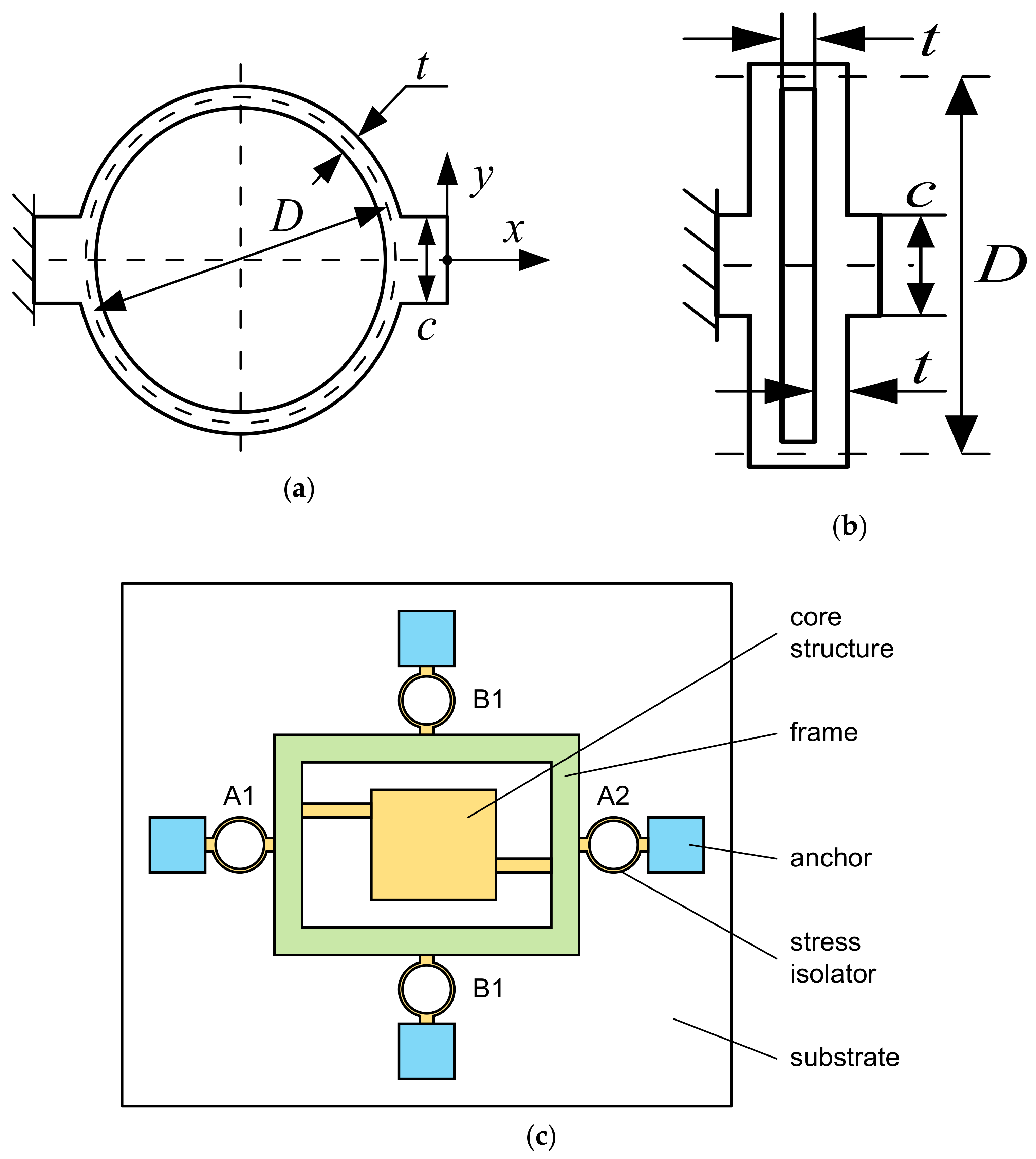
3. Stress Isolation
3.1. Stress Isolator
3.2. DETF with Isolation Structure
4. Experiment
4.1. Test System
4.2. Test Method
4.3. Stress of the SOG Structure
4.4. Effect of Stress Isolation
5. Conclusions
Supplementary Materials
Author Contributions
Funding
Conflicts of Interest
References
- Roy, A.L.; Sarkar, H.; Dutta, A.; Bhattacharyya, T.K. A high precision SOI MEMS–CMOS ±4g piezoresistive accelerometer. Sens. Actuators A Phys. 2014, 210, 77–85. [Google Scholar] [CrossRef]
- Kavitha, S.; Daniel, R.J.; Sumangala, K. A simple analytical design approach based on computer aided analysis of bulk micromachined piezoresistive MEMS accelerometer for concrete SHM applications. Measurement 2013, 46, 3372–3388. [Google Scholar] [CrossRef]
- Dellea, S.; Giacci, F.; Longoni, A.F.; Langfelder, G. In-plane and out-of-plane MEMS gyroscopes based on piezoresistive NEMS detection. J. Microelectromech. Syst. 2015, 24, 1817–1826. [Google Scholar] [CrossRef]
- Xu, S.; Sheng, L. A performance prediction model for a piezoresistive transducer pressure sensor. In Proceedings of the Fifth International Conference on Electronic Packaging Technology, Shanghai, China, 28–30 October 2003; pp. 30–35. [Google Scholar]
- Naito, T.; Konno, N.; Tokunaga, T.; Itoh, T. Doping characteristics of polycrystalline silicon deposited by chemical transport at atmospheric pressure and its application to MEMS sensor. IEEE Sens. J. 2013, 13, 2899–2905. [Google Scholar] [CrossRef]
- Sundararajan, A.; Hasan, S.M.R. Elliptic diaphragm capacitive pressure sensor and signal conditioning circuit fabricated in SiGe CMOS integrated MEMS. IEEE Sens. J. 2015, 15, 1825–1837. [Google Scholar] [CrossRef]
- Moubarak, P.M.; Ben-Tzvi, P.; Zaghloul, M.E. A self-calibrating mathematical model for the direct piezoelectric effect of a new MEMS tilt sensor. IEEE Sens. J. 2012, 12, 1033–1042. [Google Scholar] [CrossRef]
- Dai, G.; Li, M.; He, X.; Du, L.; Shao, B.; Su, W. Thermal drift analysis using a multiphysics model of bulk silicon MEMS capacitive accelerometer. Sens. Actuators A Phys. 2011, 172, 369–378. [Google Scholar] [CrossRef]
- Joo, J.-W.; Choa, S.-H. Deformation behavior of MEMS gyroscope sensor package subjected to temperature change. IEEE Trans. Compon. Packag. Technol. 2007, 30, 346–354. [Google Scholar] [CrossRef]
- Akshdeep, S.; Deepak, B.; Maninder, K.; Prem, K.; Dinesh, K.; Rina, S.; Rangra, K.J. Fabrication and analysis of MEMS test structures for residual stress measurement. Sens. Transducers 2011, 13, 21–30. [Google Scholar]
- Bhat, S.; Bhattacharya, E. Extraction of residual stress and dimensions from electrical measurements on surface micromachined test structures. J. Micro/Nanolithography MEMS MOEMS 2009, 8, 031309. [Google Scholar]
- Starman, L.; Coutu, R. Stress monitoring of post-processed MEMS silicon microbridge structures using raman spectroscopy. Exp. Mech. 2012, 52, 1341–1353. [Google Scholar] [CrossRef]
- Miyatake, T.; Pezzotti, G. Tensor-resolved stress analysis in silicon MEMS device by polarized Raman spectroscopy. Phys. Status Solidi 2011, 208, 1151–1158. [Google Scholar] [CrossRef]
- Majcherek, S.; Leneke, T.; Hirsch, S. A silicon test chip for the thermomechanical analysis of MEMS packagings. Microsyst. Technol. 2008, 15, 191–200. [Google Scholar] [CrossRef]
- Tung, R.C.; Garg, A.; Kovacs, A.; Peroulis, D.; Raman, A. Estimating residual stress, curvature and boundary compliance of doubly clamped MEMS from their vibration response. J. Micromech. Microeng. 2013, 23. [Google Scholar] [CrossRef]
- Sun, C.; Zhou, Z.-F.; Li, W.-H.; Huang, Q.-A. A simple method for extracting material parameters of multilayered MEMS structures using resonance frequency measurements. J. Micromech. Microeng. 2014, 24. [Google Scholar] [CrossRef]
- Hao, Y.; Yuan, W.; Xie, J.; Shen, Q.; Chang, H. Design and verification of a structure for isolating packaging stress in SOI MEMS devices. IEEE Sens. J. 2017, 17, 1246–1254. [Google Scholar] [CrossRef]
- Reedy, E.D.; Kass, W.J. Finite-element analysis of a quartz digital accelerometer. IEEE Trans. Ultrason. Ferroelectr. Freq. Control 1990, 37, 464–474. [Google Scholar] [CrossRef] [PubMed]
- Fukuzawa, K.; Ando, T.; Shibamoto, M.; Mitsuya, Y.; Zhang, H. Monolithically fabricated double-ended tuning-fork-based force sensor. J. Appl. Phys. 2006, 99, 094901. [Google Scholar] [CrossRef]
- Guo, Z.; Li, B.; Gao, Y.; Cheng, F.; Cao, L. Theory and experimental research for the double ended tuning fork in MEMS. Sens. Rev. 2016, 36, 217–224. [Google Scholar] [CrossRef]
- Middelmann, T.; Walkov, A.; Bartl, G.; Schödel, R. Thermal expansion coefficient of single-crystal silicon from 7 k to 293 k. Phys. Rev. B 2015, 92, 174113. [Google Scholar] [CrossRef]
- Watanabe, H.; Yamada, N.; Okaji, M. Linear thermal expansion coefficient of silicon from 293 to 1000 k. J. Thermophys. Prop. Thermophys. Its Appl. 2004, 25, 221–236. [Google Scholar] [CrossRef]
- Roberts, R.B. Thermal expansion reference data: Silicon 300-850 k. J. Phys. D Appl. Phys. 1981, 14, L163–L166. [Google Scholar] [CrossRef]
- Hopcroft, M.A.; Nix, W.D.; Kenny, T.W. What is the young’s modulus of silicon? J. Microelectromech. Syst. 2010, 19, 229–238. [Google Scholar] [CrossRef]
- Brantley, W.A. Calculated elastic constants for stress problems associated with semiconductor devices. J. Appl. Phys. 1973, 44, 534–535. [Google Scholar] [CrossRef]
- Bourgeois, C.; Steinsland, E.; Blanc, N.; de Rooij, N.F. Design of resonators for the determination of the temperature coefficients of elastic constants of monocrystalline silicon. In Proceedings of the International Frequency Control Symposium, Orlando, FL, USA, 30 May 1997; pp. 791–799. [Google Scholar]










| Isolator Type | D (μm) | t (μm) | Kx (N/m) | Ky (N/m) |
|---|---|---|---|---|
| Annular | 100 | 10 | 7.324 × 104 | 6.547 × 103 |
| Annular | 200 | 10 | 8.435 × 103 | 9.031 × 102 |
| Annular | 200 | 20 | 6.018 × 104 | 4.137 × 103 |
| Rectangular | 100 | 10 | 1.092 × 105 | 8.131 × 104 |
| Rectangular | 200 | 10 | 1.489 × 104 | 4.454 × 104 |
| Rectangular | 200 | 20 | 8.764 × 104 | 5.543 × 104 |
© 2018 by the authors. Licensee MDPI, Basel, Switzerland. This article is an open access article distributed under the terms and conditions of the Creative Commons Attribution (CC BY) license (http://creativecommons.org/licenses/by/4.0/).
Share and Cite
Chen, Z.; Guo, M.; Zhang, R.; Zhou, B.; Wei, Q. Measurement and Isolation of Thermal Stress in Silicon-On-Glass MEMS Structures. Sensors 2018, 18, 2603. https://doi.org/10.3390/s18082603
Chen Z, Guo M, Zhang R, Zhou B, Wei Q. Measurement and Isolation of Thermal Stress in Silicon-On-Glass MEMS Structures. Sensors. 2018; 18(8):2603. https://doi.org/10.3390/s18082603
Chicago/Turabian StyleChen, Zhiyong, Meifeng Guo, Rong Zhang, Bin Zhou, and Qi Wei. 2018. "Measurement and Isolation of Thermal Stress in Silicon-On-Glass MEMS Structures" Sensors 18, no. 8: 2603. https://doi.org/10.3390/s18082603
APA StyleChen, Z., Guo, M., Zhang, R., Zhou, B., & Wei, Q. (2018). Measurement and Isolation of Thermal Stress in Silicon-On-Glass MEMS Structures. Sensors, 18(8), 2603. https://doi.org/10.3390/s18082603

