Microwave Metamaterial-Based Sensor for Dielectric Characterization of Liquids
Abstract
:1. Introduction
2. Materials and Methods
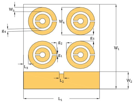
2.1. Metamaterial Sensor
2.2. Measurement Setup
2.3. Test Material
3. Results and Discussion
4. Conclusions
Author Contributions
Acknowledgments
Conflicts of Interest
References
- O’Hara, J.F.; Singh, R.; Brener, I.; Smirnova, E.; Han, J.; Taylor, A.J.; Zhang, W. Thin film sensing with planar terahertz metamaterials: Sensitivity and limitations. Opt. Express 2008, 16, 1786–1795. [Google Scholar] [CrossRef] [PubMed]
- Withayachumnankul, W.; Lin, H.; Serita, K.; Shah, C.M.; Sriram, S.; Bhaskaran, M.; Tonouchi, M.; Fumeaux, C.; Abbott, D. Sub diffraction thin film sensing with planar terahertz metamaterials. Opt. Express 2012, 20, 3345–3352. [Google Scholar] [CrossRef] [PubMed]
- Zarifi, M.H.; Daneshmand, M. Wide dynamic range microwave planar coupled ring resonator for sensing applications. Appl. Phys. Lett. 2016, 108, 232906. [Google Scholar] [CrossRef]
- Albishi, A.M.; Ramahi, O.M. Highly Sensitive Microwaves Sensors for Fluid Concentration Measurements. IEEE Microw. Wirel. Compon. Lett. 2018, 4, 287–289. [Google Scholar] [CrossRef]
- Zarifi, M.H.; Daneshmand, M. High-resolution RFID liquid sensing using a chipless tag. IEEE Microw. Wirel. Compon. Lett. 2017, 27, 311–313. [Google Scholar] [CrossRef]
- Ebrahimi, A.; Withayachumnankul, W.; Al-Sarawi, S.F.; Abbott, D. Microwave microfluidic sensor based on microstrip-line-coupled complementary resonator. In Proceedings of the 2016 IEEE 2nd Australian Microwave Symposium (AMS), Adelaide, SA, Australia, 11–12 February 2016; pp. 21–22. [Google Scholar]
- Zarifi, M.H.; Daneshmand, M. Monitoring Solid Particle Deposition in Lossy Medium Using Planar Resonator Sensor. IEEE Sens. J. 2017, 17, 7981–7989. [Google Scholar] [CrossRef]
- Zarifi, M.H.; Sadabadi, H.; Hejazi, S.H.; Daneshmand, M.; Sanati-Nezhad, A. Noncontact and Nonintrusive Microwave-Microfluidic Flow Sensor for Energy and Biomedical Engineering. Sci. Rep. 2018, 8, 139. [Google Scholar] [CrossRef] [PubMed]
- Abdolrazzaghi, M.; Zarifi, M.H.; Daneshmand, M. Wireless communication in feedback-assisted active sensors. IEEE Sens. J. 2016, 16, 8151–8157. [Google Scholar] [CrossRef]
- Balanis, C.A. Analysis and Design, 3rd ed.; John Wiley & Som: Hoboken, NY, USA, 2005. [Google Scholar]
- Pozar, D.M. Microstrip Antennas. Proc. IEEE 1992, 80, 79–91. [Google Scholar] [CrossRef]
- Veselago, V.G. The electrodynamics of substance with simultaneously negative values of ε and μ. Sov. Phys. Uspekhi 1968, 10, 509–514. [Google Scholar] [CrossRef]
- Pendry, J.B.; Holden, A.J.; Robbins, D.J.; Stewart, W.J. Magnetism from conductors and enhanced nonlinear phenomena. IEEE Trans. Microw. Theory Tech. 1999, 47, 2075–2084. [Google Scholar] [CrossRef]
- Bai, Q.; Liu, C.; Chen, J.; Cheng, C.; Kang, M. Tunable slow light in semiconductor metamaterial in a broad terahertz regime. J. Appl. Phys. 2010, 107, 1–8. [Google Scholar]
- Ishimaru, A.; Jaruwatanadilok, S.; Kuga, Y. Generalized surface plasmon resonance srensors using metamaterials and negative index materials. Prog. Electromagn. Res. 2005, 51, 139–152. [Google Scholar] [CrossRef]
- He, S.; Jin, Y.; Ruan, Z.C.; Kuang, J.G. On subwavelength and open resonators involving metamaterials of negative refraction index. New J. Phys. 2005, 7, 210. [Google Scholar] [CrossRef]
- Cong, L.; Tan, S.; Yahiaoui, R.; Yan, F.; Zhang, W.; Singh, R. Experimental demonstration of ultrasensitive sensing with terahertz metamaterial absorbers: A comparison with the metasurfaces. Appl. Phys. Lett. 2015, 106, 031107. [Google Scholar] [CrossRef]
- Yahiaoui, R.; Strikwerda, A.C.; Jepsen, P.U. Terahertz Plasmonic Structure with Enhanced Sensing Capabilities. IEEE Sens. J. 2016, 16, 2484–2488. [Google Scholar] [CrossRef]
- Yahiaoui, R.; Tan, S.; Cong, L.; Singh, R.; Yan, F.; Zhang, W. Multispectral terahertz sensing with highly flexible ultrathin metamaterial absorber. J. Appl. Phys. 2015, 118, 083103. [Google Scholar] [CrossRef]
- Alù, A.; Engheta, N. Dielectric sensing in ε-near-zero narrow waveguide channels. Phys. Rev. B 2008, 78, 045102. [Google Scholar] [CrossRef]
- Caloz, C.; Itoh, T. Electromagnetic Metamaterial: Transmission Line Theory and Microwave Application; Wiley IEEE Press: Hoboken, NJ, USA, 2005. [Google Scholar]
- Kaschke, J.; Blume, L.; Wu, L.; Thiel, M.; Bade, K.; Yang, Z.; Wegener, M. A helical metamaterial for broadband circular polarization conversion. Adv. Opt. Mater. 2015, 3, 1411–1417. [Google Scholar] [CrossRef]
- Barreto, E.L.; de Mendonca, L.M. A Novel Planar Fractal Antenna with CPW-Feed and Partial Ground Plane Removal for C-Band and S-Band Applications. In Proceedings of the 2016 IEEE AP-S Symposium on Antennas and Propagation and USNC-URSI Radio Science Meeting, Fajardo, Puerto Rico, 25 June–2 July 2016. [Google Scholar]
- Campos, A.L.P.; d’Assuncao, A.G.; De Mendonca, L.M. Scattering by FSS on anisotropic substrate for TE and TM excitation. IEEE Trans. Microw. Theory Tech. 2002, 50, 72–76. [Google Scholar] [CrossRef]
- Li, X.S.; Xu, K.D.; Liu, Z.M.; Zhou, D.Y.; Du, F. Metamaterial Extends Patch. Microw. RF 2015, 54, 58–64. [Google Scholar]
- Li, L.W.; Li, Y.N.; Yeo, T.S. A broadband and high-gain metamaterial microstrip antenna. Appl. Phys. Lett. 2010, 96, 164101. [Google Scholar] [CrossRef]
- Schreiber, D.; Gupta, M.; Cravey, R. Comparative study of 1-D and 2-D metamaterial lens for microwave nondestructive evaluation of dielectric materials. Sens. Actuators A Phys. 2011, 165, 256–260. [Google Scholar] [CrossRef]
- Howell, J.Q. Microstrip antennas. In Proceedings of the Antennas and Propagation Society International Symposium, Williamsburg, VA, USA, 11–14 December 1972. [Google Scholar]
- Filho, R.C.; Araújo, J.H.; Ginani, M.F.; d’Assunção, A.G., Jr.; Martins, R.A.; d’Assunção, A.G.; Mendonça, L.M. Simulation and measurement of inset-fed microstrip patch antennas on BiNbO substrates. Microw. Opt. Technol. Lett. 2010, 52, 1034–1036. [Google Scholar] [CrossRef]
- Boybay, M.S.; Ramahi, O.M. Material Characterization using complementary split-ring resonators. IEEE Trans. Instrum. Meas. 2012, 61, 3039–3046. [Google Scholar] [CrossRef]
- Lee, C.S.; Yang, C.L. Complementary split-ring resonators for measuring dielectric constants and loss tagents. IEEE Microw. Wirel. Compon. Lett. 2014, 24, 563–565. [Google Scholar] [CrossRef]
- Yang, C.L.; Lee, C.S.; Chen, K.W.; Chen, K.Z. Noncotact measurement of complex permittivity and thickness bay using planar resonators. IEEE Trans. Microw. Theory Tech. 2016, 64, 247–257. [Google Scholar] [CrossRef]
- Sousa Neto, M.P.; Fernandes, H.C.C. Um Estudo de Metamaterial em Antenas de Microfita. Ph.D. Thesis, Universidade Federal, Natal, Rio Grande do Norte, Brazil, 2014. [Google Scholar]
- Weiland, T.; Schumann, R.; Greegor, R.B.; Parazzoli, C.G.; Vetter, A.M.; Smith, D.R.; Vier, D.C.; Schultz, S. Ab Initio Numerical Simulation of Left-handed Metamaterials: Comparison of Calculations and experiments. J. Appl. Phys. 2001, 90, 5419–5424. [Google Scholar] [CrossRef]
- Rahman, N.A.; Zakaria, Z.; Rahim, R.A.; Dasril, Y.; Bahar, A.A.M.; Azuan, A. Planar Microwave Sensors for Accurate Measurement of Material Characterization: A Review. TELKOMNIKA 2017, 15, 1693–6930. [Google Scholar] [CrossRef]
- Salim, A.; Lim, S. Complementary Split-Ring Resonator-Loaded Microfluidic Ethanol Chemical Sensor. Sensors 2016, 16, 156–756. [Google Scholar] [CrossRef] [PubMed]
- Withayachumnankul, W.; Jaruwongrungsee, K.; Tuantranont, A.; Fumeaux, C.; Abbott, D. Metamaterial-based microfluidic sensor for dielectric characterization. Sens. Actuators A Phys. 2013, 189, 233–237. [Google Scholar] [CrossRef]















| Design Parameter | Dimension (mm) | Design Parameter | Dimension (mm) |
|---|---|---|---|
| 55.64 | 13.00 | ||
| 3.25 | 15.10 | ||
| 3.25 | 6.62 | ||
| 63.70 | 15.10 | ||
| 30.89 |
| Design Parameter | Dimension (mm) | Design Parameter | Dimension (mm) |
|---|---|---|---|
| 55.64 | 20.79 | ||
| 3.25 | 1.04 | ||
| 3.51 | 7.03 | ||
| 63.70 | 4.56 | ||
| 13.00 | 1.81 | ||
| 3.30 |
| Substances | S21 to 1.8 GHz | S21 to 2.4 GHz | S21 to 3.4 GHz | S21 to 4.1 GHz |
|---|---|---|---|---|
| Anechoic Chamber | −22.002 dB | −27.987 dB | −30.932 dB | −43.223 dB |
| NaCl 1% | −22.883 dB | −28.398 dB | −31.288 dB | −43.974 dB |
| NaCl 3% | −23.871 dB | −29.533 dB | −31.399 dB | −44.682 dB |
| NaCl 10% | −27.311 dB | −31.174 dB | −31.789 dB | −45.910 dB |
| NaCl 20% | −27.790 dB | −32.667 dB | −32.890 dB | −46.871 dB |
| NaCl 30% | −27.893 dB | −33.765 dB | −33.541 dB | −47.033 dB |
| Substances | S21 to 1.8 GHz | S21 to 2.4 GHz | S21 to 3.4 GHz | S21 to 4.1 GHz |
|---|---|---|---|---|
| Anechoic Chamber | −22.002 dB | −27.987 dB | −30.932dB | −43.223 dB |
| C2H4O2 1% | −22.992 dB | −28.506 dB | −30.994 dB | −43.547 dB |
| C2H4O2 3% | −23.956 dB | −28.543 dB | −31.265 dB | −44.236 dB |
| C2H4O2 10% | −24.760 dB | −29.541 dB | −31.909 dB | −44.917 dB |
| C2H4O2 20% | −25.652 dB | −30.454 dB | −32.921 dB | −45.707 dB |
| C2H4O2 30% | −26.994 dB | −31.867 dB | −33.764 dB | −46.986 dB |
| Substances | S21 to 1.8 GHz | S21 to 2.4 GHz | S21 to 3.4 GHz | S21 to 4.1 GHz |
|---|---|---|---|---|
| Anechoic Chamber | −24.566 dB | −28.782 dB | −31.721 dB | −45.122 dB |
| NaCl 1% | −25.145 dB | −29.294 dB | −32.691 dB | −45.909 dB |
| NaCl 3% | −24.995 dB | −29.822 dB | −32.904 dB | −46.012 dB |
| NaCl 10% | −25.298 dB | −30.567 dB | −33.998 dB | −46.910 dB |
| NaCl 20% | −26.590 dB | −31.999 dB | −34.556 dB | −46.996 dB |
| NaCl 30% | −25.884 dB | −33.002 dB | −35.886 dB | −47.445 dB |
| Substances | S21 to 1.8 GHz | S21 to 2.4 GHz | S21 to 3.4 GHz | S21 to 4.1 GHz |
|---|---|---|---|---|
| Anechoic Chamber | −22.002 dB | −30.002 dB | −34.226 dB | −45.105 dB |
| C2H4O2 1% | −24.013 dB | −30.906 dB | −35.774 dB | −46.012 dB |
| C2H4O2 3% | −24.746 dB | −30.776 dB | −36.014 dB | −47.565 dB |
| C2H4O2 10% | −25.610 dB | −31.565 dB | −36.619 dB | −47.134 dB |
| C2H4O2 20% | −26.001 dB | −32.103 dB | −37.245 dB | −48.166 dB |
| C2H4O2 30% | −27.484 dB | −32.198 dB | −37.846 dB | −48.446 dB |
© 2018 by the authors. Licensee MDPI, Basel, Switzerland. This article is an open access article distributed under the terms and conditions of the Creative Commons Attribution (CC BY) license (http://creativecommons.org/licenses/by/4.0/).
Share and Cite
Soffiatti, A.; Max, Y.; G. Silva, S.; M. de Mendonça, L. Microwave Metamaterial-Based Sensor for Dielectric Characterization of Liquids. Sensors 2018, 18, 1513. https://doi.org/10.3390/s18051513
Soffiatti A, Max Y, G. Silva S, M. de Mendonça L. Microwave Metamaterial-Based Sensor for Dielectric Characterization of Liquids. Sensors. 2018; 18(5):1513. https://doi.org/10.3390/s18051513
Chicago/Turabian StyleSoffiatti, André, Yuri Max, Sandro G. Silva, and Laércio M. de Mendonça. 2018. "Microwave Metamaterial-Based Sensor for Dielectric Characterization of Liquids" Sensors 18, no. 5: 1513. https://doi.org/10.3390/s18051513
APA StyleSoffiatti, A., Max, Y., G. Silva, S., & M. de Mendonça, L. (2018). Microwave Metamaterial-Based Sensor for Dielectric Characterization of Liquids. Sensors, 18(5), 1513. https://doi.org/10.3390/s18051513

