HCl Gas Sensor Coating Based on Poly(N-isopropylacrylamide) Nanoparticles Prepared from Water-Methanol Binary Solvent
Abstract
1. Introduction
2. Materials and Methods
2.1. Preparation of the PNIPAM Nanoparticle Sensor
2.2. Measurement of Sensing Properties
2.3. LCST Measurement
2.4. DLS Measurement
2.5. SEM Observation
3. Results
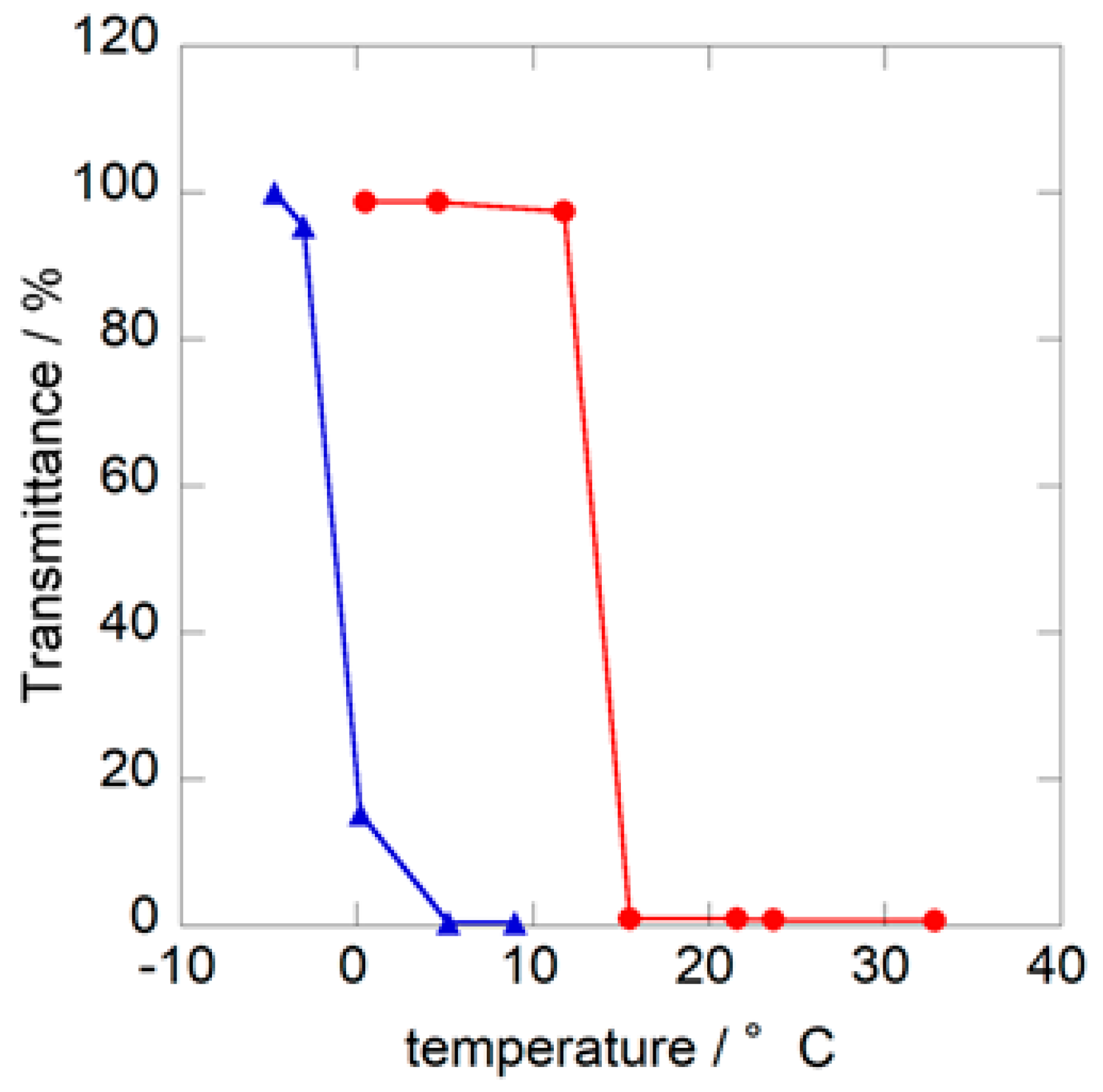
3.1. Properties of PNIPAM Solution
3.2. Morphology of PNIPAM Nanoparticle Coating
3.3. Response Toward HCl Gas
4. Discussion
5. Conclusions
Author Contributions
Funding
Acknowledgments
Conflicts of Interest
References
- Tyndall, G.S.; Kegley-Owen, C.S.; Orlando, J.J.; Fried, A. Tunable Diode Laser Study of the Reaction OH + ClO → HCl + O2. J. Phys. Chem. A 2002, 106, 1567–1575. [Google Scholar] [CrossRef]
- Thornton, J.A.; Kercher, J.P.; Riedel, T.P.; Wagner, N.L.; Cozic, J.; Holloway, J.S.; Dube, W.P.; Wolfe, G.M.; Quinn, P.K.; Middlebrook, A.M.; et al. A large atomic chlorine source inferred from mid-continental reactive nitrogen chemistry. Nature 2010, 464, 271–274. [Google Scholar] [CrossRef] [PubMed]
- Hu, M.; Kang, W.; Cheng, B.; Li, Z.; Zhao, Y.; Li, L. Sensitive and fast optical HCl gas sensor using a nanoporous fiber membrane consisting of poly(lactic acid) doped with tetraphenylporphyrin. Microchim. Acta 2016, 183, 1713–1720. [Google Scholar] [CrossRef]
- Xie, Y.-Z.; Shan, G.-G.; Zhou, Z.-Y.; Su, Z.-M. Schiff-base as highly sensitive and reversible chemosensors for HCl gas. Sens. Actuators B 2013, 177, 41–49. [Google Scholar] [CrossRef]
- Wang, H.; Cui, H.; Liu, X.; Li, L.; Cao, Y.; Liu, T.; Fang, Y. Alternative copolymerization of a conjugated segment and a flexible segment and fabrication of a fluorescent sensing film for HCl in the vapor phase. Chem. Asian J. 2013, 8, 101–107. [Google Scholar] [CrossRef] [PubMed]
- Cano, M.; Castillero, P.; Roales, J.; Pedrosa, J.M.; Brittle, S.; Richardson, T.; Gonzalez-Elipe, A.R.; Barranco, A. A transparent TMPyP/TiO2 composite thin film as an HCl sensitive optochemical gas sensor. Sens. Actuators B 2010, 150, 764–769. [Google Scholar] [CrossRef]
- Lv, Y.-Y.; Wu, J.; Xu, Z.-K. Colorimetric and fluorescent sensor constructing from the nanofibrous membrane of porphyrinated polyimide for the detection of hydrogen chloride gas. Sens. Actuators B 2010, 148, 233–239. [Google Scholar] [CrossRef]
- Itagaki, Y.; Deki, K.; Nakashima, S.-I.; Sadaoka, Y. Development of porphyrin dispersed sol-gel films as HCl sensitive optochemical gas sensor. Sens. Actuators B 2006, 117, 302–307. [Google Scholar] [CrossRef]
- Imaya, H.; Ishiji, T.; Takahashi, K. Detection properties of electrochemical acidic gas sensors using halide-halate electrolytic solutions. Sens. Actuators B 2005, 108, 803–807. [Google Scholar] [CrossRef]
- Misra, S.C.K.; Mathur, P.; Yadav, M.; Tiwari, M.K.; Garg, S.C.; Tripathi, P. Preparation and characterization of vacuum deposited semiconducting nanocrystalline polymeric thin film sensors for detection of HCl. Polymer 2004, 45, 8623–8628. [Google Scholar] [CrossRef]
- Chen, J.; Yang, J.; Yan, X.; Xue, Q. NH3 and HCl sensing characteristics of polyaniline nanofibers deposited on commercial ceramic substrates using interfacial polymerization. Synth. Met. 2010, 160, 2452–2458. [Google Scholar] [CrossRef]
- Wang, L.; Kumar, R.V. Thick film miniaturized HCl gas sensor. Sens. Actuators B 2004, 98, 196–203. [Google Scholar] [CrossRef]
- Ortwein, P.; Woiwode, W.; Fleck, S.; Eberhard, M.; Kolb, T.; Wagner, S.; Gisi, M.; Ebert, V. Absolute diode laser-based in situ detection of HCl in gasification processes. Exp. Fluids 2010, 49, 961–968. [Google Scholar] [CrossRef]
- Ma, Y.; He, Y.; Yu, X.; Chen, C.; Sun, R.; Tittel, F.K. HCl ppb-level detection based on QEPAS sensor using a low resonance frequency quartz tuning fork. Sens. Actuators B 2016, 233, 388–393. [Google Scholar] [CrossRef]
- Matsuguchi, M.; Kadowaki, Y. Poly(acrylamide) derivatives for QCM-based HCl gas sensor applications. Sens. Actuators B 2008, 130, 842–847. [Google Scholar] [CrossRef]
- Maeda, Y.; Higuchi, T.; Ikeda, I. Change in Hydration State during the Coil-Globule Transition of Aqueous Solutions of Poly(N-isopropylacrylamide) as Evidenced by FTIR Spectroscopy. Langmuir 2000, 16, 7503–7509. [Google Scholar] [CrossRef]
- Nayak, S.; Lyon, L.A. Soft Nanotechnology with Soft Nanoparticles. Angew. Chem. Int. Ed. 2005, 44, 7686–7708. [Google Scholar] [CrossRef] [PubMed]
- Munk, T.; Baldursdottir, S.; Hietala, S.; Rades, T.; Nuopponen, M.; Kalliomaki, K.; Tenhu, H.; Rantanen, J.; Strachan, C.J. Investigation of the phase separation of PNIPAM using infrared spectroscopy together with multivariate data analysis. Polymer 2013, 54, 6947–6953. [Google Scholar] [CrossRef]
- Kawaguchi, H.; Kisara, K.; Takahashi, T.; Achiha, K.; Yasui, M.; Fujimoto, K. Versatility of thermosensitive particles. Macromol. Symp. 2000, 151, 591–598. [Google Scholar] [CrossRef]
- Matsuguchi, M.; Harada, N.; Omori, S. Poly(N-isopropylacrylamide) nanoparticles for QCM-based gas sensing of HCl. Sens. Actuators B 2014, 190, 446–450. [Google Scholar] [CrossRef]
- Matsuguchi, M.; Takaoka, K.; Kai, H. HCl gas adsorption/desorption properties of poly(N-isopropylacrylamide) brushes grafted onto quartz resonator for gas-sensing applications. Sens. Actuators B 2015, 208, 106–111. [Google Scholar] [CrossRef]
- Matsuguchi, M.; Tada, A. Fabrication of poly(N-isopropylacrylamide) nanoparticles using a simple spray-coating method and applications for a QCM-based HCl gas sensor coating. Sens. Actuators B 2017, 251, 821–827. [Google Scholar] [CrossRef]
- Schild, H.G.; Muthukumar, M.; Tirrell, D.A. Cononsolvency in mixed aqueous solutions of poly(N-isopropylacrylamide). Macromolecules 1991, 24, 948–952. [Google Scholar] [CrossRef]
- Costa, R.O.R.; Freitas, R.F.S. Phase behavior of poly(N-isopropylacrylamide) in binary aqueous solutions. Polymer 2002, 43, 5879–5885. [Google Scholar] [CrossRef]
- Yamauchi, H.; Maeda, Y. LCST and UCST Behavior of Poly(N-isopropylacrylamide) in DMSO/Water Mixed Solvents Studied by IR and Micro-Raman Spectroscopy. J. Phys. Chem. B 2007, 111, 12964–12968. [Google Scholar] [CrossRef] [PubMed]
- Tanaka, F.; Koga, T.; Kojima, H.; Winnik, F.M. Temperature- and Tension-Induced Coil-Globule Transition of Poly(N-isopropylacrylamide) Chains in Water and Mixed Solvent of Water/Methanol. Macromolecules 2009, 42, 1321–1330. [Google Scholar] [CrossRef]
- Costa, M.C.M.; Silva, S.M.C.; Antunes, F.E. Adjusting the low critical solution temperature of poly(N-isopropyl acrylamide) solutions by salts, ionic surfactants and solvents: A rheological study. J. Mol. Liq. 2015, 210, 113–118. [Google Scholar] [CrossRef]
- Pang, X.; Wang, K.; Cui, S. Single-chain mechanics of poly(N-isopropyl-acrylamide) in the water/methanol mixed solvent. Polymer 2013, 54, 3737–3743. [Google Scholar] [CrossRef]
- Kim, K.H.; Kim, J.; Jo, W.H. Preparation of hydrogen nanoparticles by atom transfer radical polymerization of N-isopropylacrylamide in aqueous media using PEG macro-initiator. Polymer 2005, 46, 2836–2840. [Google Scholar] [CrossRef]
- Tanaka, F.; Koga, T. Temperature-responsive polymers in mixed solvents: Competitive hydrogen bonds cause cononsolvency. Phys. Rev. Lett. 2008, 101, 028302. [Google Scholar] [CrossRef] [PubMed]









© 2018 by the authors. Licensee MDPI, Basel, Switzerland. This article is an open access article distributed under the terms and conditions of the Creative Commons Attribution (CC BY) license (http://creativecommons.org/licenses/by/4.0/).
Share and Cite
Matsuguchi, M.; Fujii, S. HCl Gas Sensor Coating Based on Poly(N-isopropylacrylamide) Nanoparticles Prepared from Water-Methanol Binary Solvent. Sensors 2018, 18, 3283. https://doi.org/10.3390/s18103283
Matsuguchi M, Fujii S. HCl Gas Sensor Coating Based on Poly(N-isopropylacrylamide) Nanoparticles Prepared from Water-Methanol Binary Solvent. Sensors. 2018; 18(10):3283. https://doi.org/10.3390/s18103283
Chicago/Turabian StyleMatsuguchi, Masanobu, and Shinnosuke Fujii. 2018. "HCl Gas Sensor Coating Based on Poly(N-isopropylacrylamide) Nanoparticles Prepared from Water-Methanol Binary Solvent" Sensors 18, no. 10: 3283. https://doi.org/10.3390/s18103283
APA StyleMatsuguchi, M., & Fujii, S. (2018). HCl Gas Sensor Coating Based on Poly(N-isopropylacrylamide) Nanoparticles Prepared from Water-Methanol Binary Solvent. Sensors, 18(10), 3283. https://doi.org/10.3390/s18103283
