An Automation System for Controlling Streetlights and Monitoring Objects Using Arduino
Abstract
1. Introduction
2. Materials and Methods
2.1. Electronic Components
2.1.1. IR Obstacle Avoidance Sensor
2.1.2. LDR
2.1.3. Arduino Uno
2.1.4. L298 Motor Module
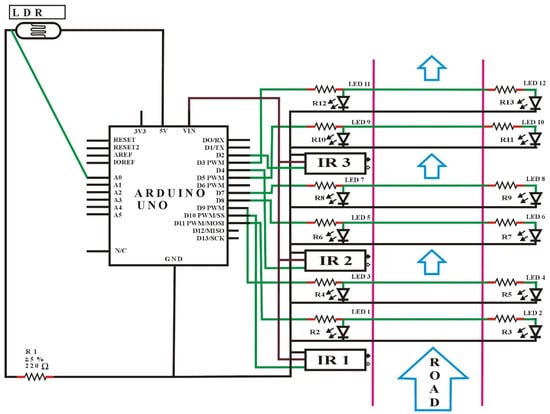
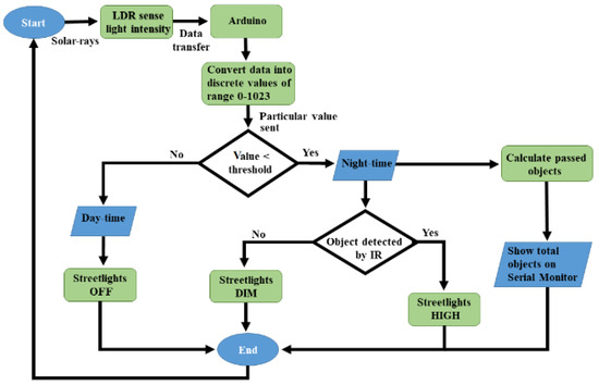
2.2. Automation System Based on Night-Time Object Detection
Results and Discussion
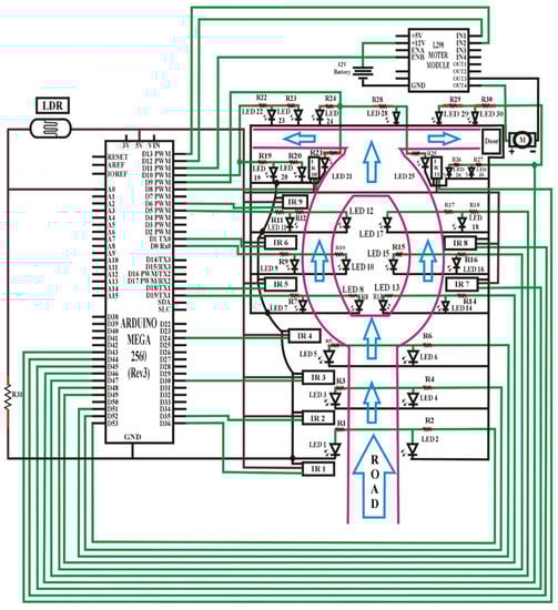
2.3. An Automation System Based on Object Detection
Results and Discussion
3. Conclusions
Supplementary Materials
Author Contributions
Funding
Acknowledgments
Conflicts of Interest
References
- Oditis, I.; Bicevskis, J. The concept of automated process control. Comput. Sci. Inf. 2010, 756, 193–203. [Google Scholar]
- Adetiba, E.; Matthews, V.O.; Awelewa, A.A.; Samuel, I.A.; Badejo, J.A. Automatic electrical appliances control panel based on infrared and Wi-Fi: A framework for electrical energy conservation. Int. J. Sci. Eng. Res. 2011, 2, 1–7. [Google Scholar]
- Wilson, C.; Hargreaves, T.; Hauxwell-Baldwin, R. Smart homes and their users: A systematic analysis and key challenges. Pers. Ubiquitous Comput. 2015, 19, 463–476. [Google Scholar] [CrossRef]
- Chan, M.; Estève, D.; Escriba, C.; Campo, E. A review of smart homes: Present state and future challenges. Comput. Methods Programs Biomed. 2008, 91, 55–81. [Google Scholar] [CrossRef] [PubMed]
- Cook, D.J. How smart is your home? Science 2012, 335, 1579–1581. [Google Scholar] [CrossRef] [PubMed]
- Chan, M.; Campo, E.; Estève, D.; Fourniols, J.Y. Smart homes current features and future perspectives. Maturitas 2009, 64, 90–97. [Google Scholar] [CrossRef] [PubMed]
- Ding, D.; Cooper, R.A.; Pasquina, P.F.; Fici-Pasquina, L.F. Sensor technology for smart homes. Maturitas 2011, 69, 131–136. [Google Scholar] [CrossRef] [PubMed]
- Granzer, W.; Praus, F.; Kastner, W. Security in building automation systems. IEEE Trans. Ind. Electron. 2010, 57, 3622–3630. [Google Scholar] [CrossRef]
- Lee, K.C.; Lee, H.H. Network-based fire-detection system via controller area network for smart home automation. IEEE Trans. Consum. Electron. 2004, 50, 1093–1100. [Google Scholar]
- Electrical4u. Light Dependent Resistor. Available online: http://www.electrical4u.com/light-dependent-resistor-ldr-working-principle-of-ldr/ (accessed on 14 September 2018).
- Wiki.eprolabs. IR Obstacle Sensor. Available online: https://wiki.eprolabs.com/index.php?title=IR_Obstacle_Sensor/ (accessed on 14 September 2018).
- Louis, L. Working principle of arduino and using it as a tool for study and research. Int. J. Control Autom. Commun. Syst. 2016, 1, 21–29. [Google Scholar]
- Arduino. Arduino Uno. Available online: https://store.arduino.cc/usa/arduino-uno-rev3/ (accessed on 14 September 2018).
- Salvi, R.; Margaj, S.; Mate, K.; Aher, P.B. Smart street light using arduino uno microcontroller. Int. J. Innov. Res. Comput. Commun. Eng. 2017, 5, 5203–5206. [Google Scholar]
- Cynthia, P.C.; Raj, V.A.; George, S.T. Automatic street light control based on vehicle detection using arduino for power saving applications. Int. J. Electron. Electr. Comput. Syst. 2017, 6, 291–295. [Google Scholar]
- Bapat, M.; Ghotekar, S. Intelligent street light control management system using arduino. Int. J. Adv. Sci. Res. 2018, 3, 34–38. [Google Scholar]
- Jalan, A.S. A survey on automatic street lightning system on indian streets using Arduino. Int. J. Innov. Res. Sci. Eng. Technol. 2017, 6, 4139–4144. [Google Scholar]
- Mishra, S.; Gupta, S.; Singh, S.; Tiwari, T.; Mohan, A. Arduino based led street light auto intensity control system. Int. J. Adv. Res. Eng. Technol. Sci. 2016, 3, 73–77. [Google Scholar]
- Rath, K. Arduino based: Smart light control system. Int. J. Eng. Res. Gen. Sci. 2016, 4, 784–790. [Google Scholar]
- Jadhav, K.; More, A.; Rakshe, S.; Shinde, P.; Arya, C.S. Automatic street light control system. Imp. J. Interdiscip. Res. 2017, 3, 75–79. [Google Scholar]
- Patil, A.N.; Tripathi, A.; Fanan, S.A. Intelligent street-light system using arduino uno. Int. J. Eng. Sci. Comput. 2017, 7, 10919–10922. [Google Scholar]
- Gowdhaman, T.; Scholar, P. Automatic street light control and fault detection system with cloud storage. Int. J. Sci. Eng. Res. 2017, 8, 1–5. [Google Scholar]
- Keni, P.; Wajid, S.M.; Ahmad, S.Z.; Rahimunnisa, K.S. Automated street lighting system using IoT. Int. J. Adv. Res. Ideas Innov. Technol. 2018, 4, 1970–1973. [Google Scholar]
- Rawal, J.; Patel, D.R.B. Wireless smart street light control. Int. J. Sci. Res. 2017, 6, 648–650. [Google Scholar]
- Satyaseel, H.; Sahu, G.; Agarwal, M.; Priya, J. Light intensity monitoring and automation of street light control by Iot. Int. J. Innov. Adv. Comput. Sci. 2017, 6, 34–40. [Google Scholar]
- Jalan, A.; Hoge, G.; Banaitkar, S.; Adam, S. Campus automation using Arduino. Int. J. Adv. Res. Electr. Electron. Instrum. Eng. 2017, 6, 4635–4642. [Google Scholar]
- Rao, A.; Konnur, A. Street light automation system using arduino uno. Int. J. Innov. Res. Comput. Commun. Eng. 2017, 5, 16499–16507. [Google Scholar]
- Khachane, M.Y. Intelligent street lighting system. Int. J. Eng. Res. Comput. Sci. Eng. 2018, 5, 587–590. [Google Scholar]
- Sharath, P.G.S.; Rudresh, S.M.; Kallendrachari, K.; Kumar, M.K.; Vani, H.V. Design and implementation of automatic street light control using sensors and solar panel. Int. J. Eng. Res. Appl. 2015, 5, 97–100. [Google Scholar]
- Ramli, N.L.; Yamin, N.M.; Ghani, S.A.; Saad, N.M.; Sharif, S.A.M. Implementation of passive infrared sensor in street lighting automation system. ARPN J. Eng. Appl. Sci. 2015, 10, 17120–17126. [Google Scholar]
- Sravani, A.; Malarvezhi, P.; Dayana, R. Design and implementation of dimmer based smart street lighting system using raspberry pi and IoT. Int. J. Eng. Technol. 2018, 7, 524–528. [Google Scholar] [CrossRef]
- Thapa, C.; Rasaily, D.; Wangchuk, T.R.; Pradhan, A.; Ashraf, A. Auto intensity control of street light with solar tracker using microcontroller. Int. J. Eng. Trends Technol. 2016, 33, 369–372. [Google Scholar] [CrossRef]
- Banerjee, R. Solar tracking system. Int. J. Sci. Res. Publ. 2015, 5, 1–7. [Google Scholar]
- Rajasekhar, T.; Rao, K.P. Solar powered led street light with auto intensity control. Int. J. Tech. Innov. Mod. Eng. Sci. 2017, 3, 1–4. [Google Scholar]
- Patel, B.B.; Kinjal, P.; Vinnie, G.; Deval, P. Solar smart led street lighting system. Int. J. Adv. Eng. Res. Dev. 2015, 2, 1277–1282. [Google Scholar]
- Srikanth, M.; Sudhakar, K.N. Zigbee based remote control automatic street light system. Int. J. Eng. Sci. Comput. 2014, 639–643. [Google Scholar]
- Prakash, B.; Reddy, G.K.; Geethika, A.; Reddy, B.S. IoT based monitoring and control system for home automation. Int. J. Res. 2018, 5, 4120–4124. [Google Scholar]
- Nirosha, K.; Sri, B.D.; Mamatha, C.; Dhanalaxmi, B. Automatic street lights on/off application using IoT. Int. J. Mech. Eng. Technol. 2017, 8, 38–47. [Google Scholar]
- Gupta, V.; Thakur, K.; Surnar, S.; Thakur, R. Iot based smart street lights. Int. J. Res. 2015, 2, 270–272. [Google Scholar]
- Arkade, S.; Mohite, A.; Joshi, S.; Sonawane, R.; Patil, V. IoT based street lights for smart city. Int. J. Res. Appl. Sci. Eng. Technol. 2016, 4, 178–181. [Google Scholar]
- Gajare, M.P.; Deshpande, A.; Aulwar, L.; Deshmukh, S. IoT based streetlight automation system. Int. J. Eng. Res. Technol. 2017, 6, 831–833. [Google Scholar]
- Kokilavani, M.; Malathi, A. Smart street lighting system using IoT. Int. J. Adv. Res. Appl. Sci. Technol. 2017, 3, 8–11. [Google Scholar]
- Bhosale, S.; Gaware, K.; Phalke, P.; Wadekar, D.; Ahire, P. IoT based dynamic control of street lights for smart city. Int. Res. J. Eng. Technol. 2017, 4, 1181–1183. [Google Scholar]
- Fraga, L.P.; Suárez, A.M.; Fernández, C.T.M.; Castedo, L.; González, L.M. A Review on Internet of Things for Defense and Public Safety. Sensors 2016, 16, 1644. [Google Scholar] [CrossRef] [PubMed]
- Chunjiang, Y. Development of a smart home control system based on mobile internet technology. Int. J. Smart Home 2016, 10, 293–300. [Google Scholar] [CrossRef]
- Zanella, A.; Bui, N.; Castellani, A.; Vangelista, L.; Zorzi, M. Internet of things for smart cities. IEEE Internet Things J. 2014, 1, 22–32. [Google Scholar] [CrossRef]
- Stojkoska, B.R.; Trivodaliev, K.; Davcev, D. Internet of things framework for home care systems. Wirel. Commun. Mob. Comput. 2017, 2017, 8323646. [Google Scholar] [CrossRef]
- Akinyemi1, L.A.; Shoewu, O.O.; Makanjuola, N.T.; Ajasa, A.A.; Folorunso, C.O. Design and development of an automated home control system using mobile phone. World J. Control Sci. Eng. 2014, 2, 6–11. [Google Scholar]
- Sriskanthan, N.; Tan, K. Bluetooth based home automation systems. J. Microprocess. Microsyst. 2002, 26, 281–289. [Google Scholar] [CrossRef]
- Sivakrishnan, J.; Vigneswaran, E.E.; Vishnu, R.S. Home automation control and monitoring system using BLE device. Middle-East J. Sci. Res. 2016, 24, 78–82. [Google Scholar]
- Led Supply. 5mm LED. Available online: https://www.ledsupply.com/blog/how-does-a-5mm-led-work/ (accessed on 14 September 2018).
- Explain That Stuff. Resistors. Available online: https://www.explainthatstuff.com/resistors.html (accessed on 14 September 2018).
- How to Mechatronics. L298 Motor Module. Available online: https://howtomechatronics.com/tutorials/arduino/arduino-dc-motor-control-tutorial-l298n-pwm-h-bridge/ (accessed on 14 September 2018).
- Electronics Hub. IR Sensor. Available online: https://www.electronicshub.org/ir-sensor/ (accessed on 14 September 2018).
- Maker Pro. Use an LDR Sensor. Available online: https://maker.pro/arduino/tutorial/how-to-use-an-ldr-sensor-with-arduino/ (accessed on 14 September 2018).
- Arduino. Arduino Mega. Available online: https://www.arduino.cc/en/pmwiki.php?n=Main/arduinoBoardMega/ (accessed on 14 September 2018).
- Mikhaylov, K.; Plevritakis, N.; Tervonen, J. Performance analysis and comparison of bluetooth low energy with ieee 802.15.4 and simpliciti. J. Sens. Actuator Netw. 2013, 2, 589–613. [Google Scholar] [CrossRef]
- Keyence. Ultrasonic Sensor. Available online: https://www.keyence.com/ss/products/sensor/sensorbasics/ultrasonic/info/ (accessed on 14 September 2018).
- Adafruit. IR Distance Sensor. Available online: https://www.adafruit.com/product/1568/ (accessed on 14 September 2018).
- All about Circuits. An Introduction to Laser Diodes. Available online: https://www.allaboutcircuits.com/technical-articles/an-introduction-to-laser-diodes/ (accessed on 14 September 2018).








| Components | Specifications |
|---|---|
| IR obstacle avoidance sensor [11] | Voltage: DC 3–5 V; Range 2–30 cm; Angle: 35° |
| LDR [10] | Voltage: DC 3–5 V; Diameter: 5 mm |
| Arduino Uno [12,13] | 22 pins; Operating voltage: 6–20 V |
| LEDs [51] | Diameter: 5 mm; Operating voltage: 5 V |
| Resistors [52] | 100 ohm; 220 ohms |
| L298 Motor Module [53] | Operating voltage: 5 V; Max power: 25 W |
| Functionality | Old Systems | Proposed System |
|---|---|---|
| Based on Arduino | Yes | Yes |
| Operates with LDR and IR | Yes | Yes |
| DIM/FULL light capability with object detection | No | Yes |
| Displays the total number of objects passing through a road | No | Yes |
| Automatic door system | No | Yes |
© 2018 by the authors. Licensee MDPI, Basel, Switzerland. This article is an open access article distributed under the terms and conditions of the Creative Commons Attribution (CC BY) license (http://creativecommons.org/licenses/by/4.0/).
Share and Cite
Mumtaz, Z.; Ullah, S.; Ilyas, Z.; Aslam, N.; Iqbal, S.; Liu, S.; Meo, J.A.; Madni, H.A. An Automation System for Controlling Streetlights and Monitoring Objects Using Arduino. Sensors 2018, 18, 3178. https://doi.org/10.3390/s18103178
Mumtaz Z, Ullah S, Ilyas Z, Aslam N, Iqbal S, Liu S, Meo JA, Madni HA. An Automation System for Controlling Streetlights and Monitoring Objects Using Arduino. Sensors. 2018; 18(10):3178. https://doi.org/10.3390/s18103178
Chicago/Turabian StyleMumtaz, Zain, Saleem Ullah, Zeeshan Ilyas, Naila Aslam, Shahid Iqbal, Shuo Liu, Jehangir Arshad Meo, and Hamza Ahmad Madni. 2018. "An Automation System for Controlling Streetlights and Monitoring Objects Using Arduino" Sensors 18, no. 10: 3178. https://doi.org/10.3390/s18103178
APA StyleMumtaz, Z., Ullah, S., Ilyas, Z., Aslam, N., Iqbal, S., Liu, S., Meo, J. A., & Madni, H. A. (2018). An Automation System for Controlling Streetlights and Monitoring Objects Using Arduino. Sensors, 18(10), 3178. https://doi.org/10.3390/s18103178

