An NFC on Two-Coil WPT Link for Implantable Biomedical Sensors under Ultra-Weak Coupling
Abstract
:1. Introduction
2. Dual-Carrier NFC System
2.1. System Overview
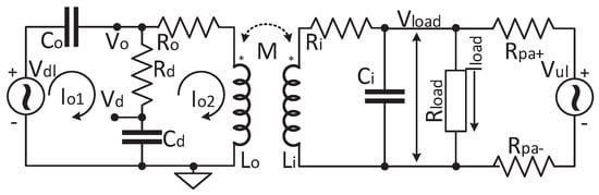
2.2. Inductive Link Circuit
2.3. Dual Carriers
2.4. Application Requirements on Coils
3. Inductive Link Circuit Modeling
3.1. Equivalent Circuit Simplification
3.2. Power Link (Downlink) Transfer Functions
3.3. Uplink Transfer Function
3.4. Signal-To-Interference Ratio of the Uplink
4. Minimizing Interactions between NFC and WPT
4.1. Minimizing Interactions between NFC Uplink and Power Link
- (1)
- The strong power carrier will overwhelm the uplink signal and saturate the uplink filter in the out-body receiver.
- (2)
- The RC divider, which is used to avoid saturating the uplink filter, introduces extra thermal noises and degrades the received uplink signal.
- (3)
- The PTE of the power link decreases.
4.1.1. Avoiding the Out-Body Receiver from Being Saturated by the Power Carrier
4.1.2. Calculating the Sensitivity Limit of the Out-Body Receiver
4.1.3. Selecting the Optimal and
4.1.4. Selecting the Optimal and
4.2. Minimizing the Impact of the NFC Downlink on the Power Link
5. Experimental Results
5.1. Prototype
5.2. Measurement Results
5.3. Tissue and Safety
5.4. Comparison with the State-of-the-Art
6. Conclusions
Acknowledgments
Author Contributions
Conflicts of Interest
Abbreviations
| AC | Alternating current |
| ADC | Analog to digital converter |
| ASK | Amplitude shift keying |
| BER | Bit error rate |
| BPSK | Binary phase shift keying |
| BW | Bandwidth |
| DC | Direct current |
| DR | Data rate |
| DPSK | Differential phase shift keying |
| FSK | Frequency shift keying |
| HIPR | High impedance probe resistor |
| IOP | Intraocular pressure |
| LNA | Low noise amplifier |
| LSK | Load-shift keying |
| NF | Noise figure |
| NFC | Near-field communication |
| OQPSK | Offset quadrature shift keying |
| PA | Power amplifier |
| PDL | Power delivered to load |
| PTE | Power transfer efficiency |
| PWM | Pulse-width modulation |
| RFID | Radio frequency identification device |
| SAR | Specific absorption rate |
| SIR | Signal-to-interference ratio |
| SNR | Signal-to-noise ratio |
| WPT | Wireless power transfer |
References
- Donida, A.; Di Dato, G.; Cunzolo, P.; Sala, M.; Piffaretti, F.; Orsatti, P.; Barrettino, D. A Circadian and Cardiac Intraocular Pressure Sensor for Smart Implantable Lens. IEEE Trans. Biomed. Circuits Syst. 2015, 9, 777–789. [Google Scholar] [CrossRef] [PubMed]
- Yeon, P.; Mirbozorgi, S.A.; Ash, B.; Eckhardt, H.; Ghovanloo, M. Fabrication and Microassembly of a mm-Sized Floating Probe for a Distributed Wireless Neural Interface. Micromachines 2016, 7, 154. [Google Scholar] [CrossRef]
- Xu, H.; Handwerker, J.; Ortmanns, M. Telemetry for Implantable Medical Devices: Part 2—Power Telemetry. IEEE Solid-State Circuits Mag. 2014, 6, 60–63. [Google Scholar] [CrossRef]
- Nikita, K.S. Handbook of Biomedical Telemetry; John Wiley & Sons: Hoboken, NJ, USA, 2014. [Google Scholar]
- Mandal, S.; Sarpeshkar, R. Power-Efficient Impedance-Modulation Wireless Data Links for Biomedical Implants. IEEE Trans. Biomed. Circuits Syst. 2008, 2, 301–315. [Google Scholar] [CrossRef] [PubMed]
- Sauer, C.; Stanacevic, M.; Cauwenberghs, G.; Thakor, N. Power harvesting and telemetry in CMOS for implanted devices. IEEE Trans. Circuits Syst. I Regul. Pap. 2005, 52, 2605–2613. [Google Scholar] [CrossRef]
- Kiani, M.; Ghovanloo, M. An RFID-based closed-loop wireless power transmission system for biomedical applications. IEEE Trans. Circuits Syst. II Express Br. 2010, 57, 260–264. [Google Scholar] [CrossRef] [PubMed]
- Ghovanloo, M.; Najafi, K. A Modular 32-site wireless neural stimulation microsystem. IEEE J. Solid-State Circuits 2004, 39, 2457–2466. [Google Scholar] [CrossRef]
- Hu, Y.; Sawan, M. A fully integrated low-power BPSK demodulator for implantable medical devices. IEEE Trans. Circuits Syst. I Regul. Pap. 2005, 52, 2552–2562. [Google Scholar]
- Zhou, M.; Yuce, M.; Liu, W. A non-coherent DPSK data receiver with interference cancellation for dual-band transcutaneous telemetries. IEEE J. Solid-State Circuits 2008, 43, 2003–2012. [Google Scholar] [CrossRef]
- Simard, G.; Sawan, M.; Massicotte, D. High-speed OQPSK and efficient power transfer through inductive link for biomedical implants. IEEE Trans. Biomed. Circuits Syst. 2010, 4, 192–200. [Google Scholar] [CrossRef] [PubMed]
- Davanger, M.; Ringvold, A.; Blika, S. The probability of having glaucoma at different IOP levels. Acta Ophthalmol. 1991, 69, 565–568. [Google Scholar] [CrossRef]
- Caprioli, J. IOP: Quantity and quality. Bull. Soc. Belge Ophtalmol. 2011, 317, 7–10. [Google Scholar]
- Kazimierczuk, M.K. RF Power Amplifier; John Wiley & Sons: Hoboken, NJ, USA, 2014. [Google Scholar]
- Casanova, J.J.; Low, Z.N.; Lin, J. Design and optimization of a class-E amplifier for a loosely coupled planar wireless power system. IEEE Trans. Circuits Syst. II Express Br. 2009, 56, 830–834. [Google Scholar] [CrossRef]
- Luo, H.; Liu, D.; Gong, C.; Li, M. A Digital Crystal-Less Clock Generation Scheme for Wireless Biomedical Implants. In Proceedings of the 2016 IEEE Biomedical Circuits Systems Conference, Shanghai, China, 17–19 October 2016; pp. 480–483. [Google Scholar]
- Wu, P.H. The optimal BPSK demodulator with a 1-bit A/D front-end. In Proceedings of the IEEE MILCOM, Boston, MA, USA, 19–21 October 1998; Volume 3, pp. 730–735. [Google Scholar]
- Gong, C.; Liu, D.; Miao, Z.; Zhang, H. A novel transcutaneous NFC uplink system symbiotic with inductive wireless power supply under ultra low coupling coefficient. In Proceedings of the IEEE Biomedical Circuits Systems Conference, Atlanta, GA, USA, 22–24 October 2015; pp. 1–4. [Google Scholar]
- Seo, D.W.; Lee, J.H.; Lee, H.S. Optimal Coupling to Achieve Maximum Output Power in a WPT System. IEEE Trans. Power Electron. 2016, 31, 3994–3998. [Google Scholar]
- Vaillancourt, P.; Djemouai, A.; Harvey, J.; Sawan, M. EM radiation behavior upon biological tissues in a radio-frequency power transfer link for a cortical visual implant. In Proceedings of the IEEE 19th Annual International Conference of the IEEE Engineering in Medicine and Biology Society, Chicago, IL, USA, 30 October–2 November 1997; Volume 6, pp. 2499–2502. [Google Scholar]
- Miao, Z.; Liu, D.; Gong, C. An optimizing procedure of the wireless power transfer link for an intraocular implantable device. In Proceedings of the 8th International Conference on Biomedical Engineering and Informatics (BMEI), Shenyang, China, 14–16 October 2016; pp. 338–343. [Google Scholar]
- Nilsson, J.W.; Riedel, S.A. Electric Circuits, 10th ed.; Pearson Education: Upper Saddle River, NJ, USA, 2015. [Google Scholar]
- Bullock, S.R. Transceiver and System Design for Digital Communications; SciTech Publishing: Edison, NJ, USA, 2014. [Google Scholar]
- Ghovanloo, M.; Atluri, S. A wide-band power-efficient inductive wireless link for implantable microelectronic devices using multiple carriers. IEEE Trans. Circuits Syst. I Regul. Pap. 2007, 54, 2211. [Google Scholar] [CrossRef]
- Kiani, M.; Ghovanloo, M. The Circuit Theory Behind Coupled-Mode Magnetic Resonance-Based Wireless Power Transmission. IEEE Trans. Circuits Syst. I Regul. Pap. 2012, 59, 2065–2074. [Google Scholar] [CrossRef] [PubMed]
- Jow, U.M.; Ghovanloo, M. Modeling and Optimization of Printed Spiral Coils in Air, Saline, and Muscle Tissue Environments. IEEE Trans. Biomed. Circuits Syst. 2009, 3, 339–347. [Google Scholar]
- Gabriel, C.; Gabriel, S.; Corthout, E. The dielectric properties of biological tissues: I. Literature survey. Phys. Med. Biol. 1996, 41, 2231–2249. [Google Scholar] [CrossRef] [PubMed]
- Noetscher, G.M.; Yanamadala, J.; Kozlov, M.; Louie, S.; Nazarian, A.; Makarov, S. VHP-Female v3.0 FEM/BEM Computational Human Phantom. In Proceedings of the 24th International Meshing Roundtable (IMR24), Austin, TX, USA, 12–14 October 2015. [Google Scholar]
- Andreuccetti, D.; Fossi, R.; Petrucci, C. An Internet Resource for the Calculation of the Dielectric Properties of Body Tissues in the Frequency Range 10 Hz–100 GHz. Available online: http://niremf.ifac.cnr.it/tissprop/ (accessed on 5 April 2017).
- ICNIRP. Guidelines for limiting exposure to time-varying electric, magnetic, and electromagnetic fields (up to 300 GHz). Health Phys. 1998, 74, 494–522. [Google Scholar]
- Lazzi, G. Thermal effects of bioimplants. IEEE Eng. Med. Biol. Mag. 2005, 24, 75–81. [Google Scholar] [CrossRef] [PubMed]
- Catrysse, M.; Hermans, B.; Puers, R. An inductive power system with integrated bi-directional data-transmission. Sens. Actuators A Phys. 2004, 115, 221–229. [Google Scholar] [CrossRef]
- Wang, G.; Liu, W.; Sivaprakasam, M.; Kendir, G.A. Design and analysis of an adaptive transcutaneous power telemetry for biomedical implants. IEEE Trans. Circuits Syst. I Regul. Pap. 2005, 52, 2109–2117. [Google Scholar] [CrossRef]
- Xu, W.; Luo, Z.; Sonkusale, S. Fully Digital BPSK Demodulator and Multilevel LSK Back Telemetry for Biomedical Implant Transceivers. IEEE Trans. Circuits Syst. II Express Br. 2009, 56, 714–718. [Google Scholar]
- Jiang, D.; Cirmirakis, D.; Schormans, M.; Perkins, T.; Donaldson, N.; Demosthenous, A. An Integrated Passive Phase-Shift Keying Modulator for Biomedical Implants With Power Telemetry Over a Single Inductive Link. IEEE Trans. Biomed. Circuits Syst. 2017, 11, 64–77. [Google Scholar] [CrossRef] [PubMed]



















| Parameter | ||
|---|---|---|
| Coil Wire Type | Litz wire with 11 strands of 30 AWG | Enameled copper |
| Wire Diameter | 0.8 mm | 0.06 mm |
| Coil Diameter | 40 mm | 20 mm |
| Coil Thickness | 4.5 mm | 0.12 mm |
| Number of Turns | 30 | 35 |
| Coil Inductance | 68.2 H a | 65.5 H a |
| Equivalent Series Resistance | 8.5 a | 21.2 a |
| Quality Factor | 100.8 a | 38.8 a,b |
| References | [32] | [33] | [34] | [35] | This Work |
|---|---|---|---|---|---|
| Coil Number | 2 | 2 | 3 | 2 | 2 |
| Coil Diameter (mm) | 60/20 | 40/22 | 35/12 | 25/16 | 40/20 |
| Wireless Power Transfer (Power Link) | |||||
| Carrier Frequency | 700 kHz | 1 MHz | 13.56 MHz | 13.56 MHz | 2 MHz |
| Typical PDL (mW) | 50 | 250 | >2.3 | ≤100 | 5 |
| Overall Power (mW) | 137.3 | 689 | NA | NA | 63.8 |
| Typical PTE | 51% | 38% | NA | 58% (k = 0.1) | 59% (k = 0.1) |
| Near-Field Communication (Downlink/Uplink) | |||||
| Carrier Frequency | 700 kHz/- | 1 MHz/- | 13.56 MHz/- | 13.56 MHz/- | 2 M/125 kHz |
| Data Rate (bps) | 60 k/- | 3 k/- | 100 k/- | 400 k/1.35 M | 10 k |
| Modulation | ASK/LSK | -/LSK | BPSK/LSK | OOK/PPSK | BPSK/BPSK |
| Duplex Type | Half-duplex | Uplink | Full-duplex | Half-duplex | Half-duplex |
| Distance (mm) | 30 | 15 | 10 | 15 | 50 |
| Coupling Coefficient | 0.045 | 0.08 | 0.075 | 0.055 | 0.008 |
| BER | NA | ≤1.6 × 10 (PER) | NA | ≤1 × 10 | ≤1 × 10 |
| The Impacts of NFC on WPT | |||||
| PTE Relative Decrease | 50% | NA | NA | 20% (k = 0.05) | 15% (k = 0.05) |
| Ripple | NA | NA | NA | 100% | ∼5% |
© 2017 by the authors. Licensee MDPI, Basel, Switzerland. This article is an open access article distributed under the terms and conditions of the Creative Commons Attribution (CC BY) license (http://creativecommons.org/licenses/by/4.0/).
Share and Cite
Gong, C.; Liu, D.; Miao, Z.; Wang, W.; Li, M. An NFC on Two-Coil WPT Link for Implantable Biomedical Sensors under Ultra-Weak Coupling. Sensors 2017, 17, 1358. https://doi.org/10.3390/s17061358
Gong C, Liu D, Miao Z, Wang W, Li M. An NFC on Two-Coil WPT Link for Implantable Biomedical Sensors under Ultra-Weak Coupling. Sensors. 2017; 17(6):1358. https://doi.org/10.3390/s17061358
Chicago/Turabian StyleGong, Chen, Dake Liu, Zhidong Miao, Wei Wang, and Min Li. 2017. "An NFC on Two-Coil WPT Link for Implantable Biomedical Sensors under Ultra-Weak Coupling" Sensors 17, no. 6: 1358. https://doi.org/10.3390/s17061358
APA StyleGong, C., Liu, D., Miao, Z., Wang, W., & Li, M. (2017). An NFC on Two-Coil WPT Link for Implantable Biomedical Sensors under Ultra-Weak Coupling. Sensors, 17(6), 1358. https://doi.org/10.3390/s17061358

