Real-Time Performance of a Self-Powered Environmental IoT Sensor Network System
Abstract
:1. Introduction and Related Works
2. Hardware Implementation
2.1. Energy Harvesting Unit
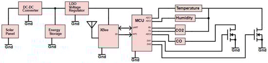
2.2. Brief Descriptions of Sensor Node
3. Results and Evaluations
3.1. Power Requirement of Sensor Nodes
3.2. Power Calculations and Capacitor Selection
3.3. Supercapacitor Charging and Discharging
3.4. Integration of Solar Energy Harvesting and Sensor Node
3.5. Sensor Network Performance
4. Conclusions and Possible Future Improvements
Acknowledgments
Author Contributions
Conflicts of Interest
References
- Climent, S.; Sanchez, A.; Blanc, S.; Capella, J.V.; Ors, R. Wireless sensor network with energy harvesting: Modeling and simulation based on a practical architecture using real radiation levels. Concurr. Comput. Pract. Exp. 2016, 28, 1812–1830. [Google Scholar] [CrossRef]
- Escolar, S.; Chessa, S.; Carretero, J. Energy management in solar cells powered wireless sensor networks for quality of service optimization. Pers. Ubiquitous Comput. 2013, 18, 449–464. [Google Scholar] [CrossRef]
- Jang, S.; Jo, H.; Cho, S.; Mechitov, K.; Rice, J.A.; Sim, S.-H.; Jung, H.-J.; Yun, C.-B.; Spencer, B.F., Jr.; Agha, G. Structural health monitoring of a cable-stayed bridge using smart sensor technology: Deployment and evaluation. Smart Struct. Syst. 2010, 6, 439–459. [Google Scholar] [CrossRef]
- Penella, M.T.; Gasulla, M. A Review of Commercial Energy Harvesters for Autonomous Sensors. In Proceedings of the IEEE Instrumentation & Measurement Technology Conference IMTC 2007, Warsaw, Poland, 1–3 May 2007; pp. 1–5.
- Penella, M.T.; Albesa, J.; Gasulla, M. Powering wireless sensor nodes: Primary batteries versus energy harvesting. In Proceedings of the 2009 IEEE Instrumentation and Measurement Technology Conference, Singapore, 5–7 May 2009; pp. 1625–1630.
- Capella, J.V.; Bonastre, A.; Ors, R.; Peris, M. In line river monitoring of nitrate concentration by means of a wireless sensor network with energy harvesting. Sens. Actuators B Chem. 2013, 177, 419–427. [Google Scholar] [CrossRef]
- Vračar, L.; Prijić, A.; Nešić, D.; Dević, S.; Prijić, Z. Photovoltaic energy harvesting wireless sensor node for telemetry applications optimized for low illumination levels. Electronics 2016, 5, 26. [Google Scholar] [CrossRef]
- Alippi, C.; Camplani, R.; Galperti, C.; Roveri, M. A robust, adaptive, solar-powered WSN framework for aquatic environmental monitoring. IEEE Sens. J. 2011, 11, 45–55. [Google Scholar] [CrossRef]
- Amruta, M.K.; Satish, M.T. Solar powered water quality monitoring system using wireless sensor network. In Proceedings of the 2013 International Multi-Conference on Automation, Computing, Communication, Control and Compressed Sensing (iMac4s), Palai, Kerala, India, 22–23 March 2013; pp. 281–285.
- Dehwah, A.H.; Mousa, M.; Claudel, C.G. Lessons learned on solar powered wireless sensor network deployments in urban, desert environments. Ad Hoc Netw. 2015, 28, 52–67. [Google Scholar] [CrossRef]
- Dias, P.C.; Morais, F.J.O.; de Morais Franca, M.B.; Ferreira, E.C.; Cabot, A.; Siqueira Dias, J.A. Autonomous multisensor system powered by a solar thermoelectric energy harvester with ultralow-power management circuit. IEEE Trans. Instrum. Meas. 2015, 64, 2918–2925. [Google Scholar] [CrossRef]
- Olsen, M.L.; Warren, E.L.; Parilla, P.A.; Toberer, E.S.; Kennedy, C.E.; Snyder, G.J.; Firdosy, S.A.; Nesmith, B.; Zakutayev, A.; Goodrich, A.; et al. A high-temperature, high-efficiency solar thermoelectric generator prototype. Energy Procedia 2014, 49, 1460–1469. [Google Scholar] [CrossRef]
- McGarry, S.; Knight, C. Development and successful application of a tree movement energy harvesting device, to power a wireless sensor node. Sensors 2012, 12, 12110–12125. [Google Scholar] [CrossRef]
- Hamid, R.; Mohammadi, A.; Yuce, M.R. We-harvest: A wearable piezoelectric-electromagnetic energy harvester. In Proceedings of the 10th EAI International Conference on Body Area Networks, ICST (Institute for Computer Sciences, Social-Informatics and Telecommunications Engineering), Sydney, New South Wales, Australia, 28–30 September 2015; pp. 62–66.
- An, C.-C.; Shi, X.-X. Wireless sensor network in wind and solar hybrid street lamp application. In Proceedings of the 27th Chinese Control and Decision Conference (2015 CCDC), Qingdao, China, 23–25 May 2015; pp. 3335–3339.
- Alvarado, U.; Juanicorena, A.; Adin, I.; Sedano, B.; Gutiérrez, I.; de Nó, J. Energy harvesting technologies for low-power electronics. Trans. Emerg. Telecommun. Technol. 2012, 23, 728–741. [Google Scholar] [CrossRef]
- Ongaro, F.; Saggini, S.; Mattavelli, P. Li-ion battery-supercapacitor hybrid storage system for a long lifetime, photovoltaic-based wireless sensor network. IEEE Trans. Power Electron. 2012, 27, 3944–3952. [Google Scholar] [CrossRef]
- Naveen, K.V.; Manjunath, S.S. A reliable ultracapacitor based solar energy harvesting system for wireless sensor network enabled intelligent buildings. In Proceedings of the 2011 2nd International Conference on Intelligent Agent and Multi-Agent Systems (IAMA), Chennai, India, 7–9 September 2011; pp. 20–25.
- Ingelrest, F.; Barrenetxea, G.; Schaefer, G.; Vetterli, M.; Couach, O.; Parlange, M. Sensorscope: Application-specific sensor network for environmental monitoring. ACM Trans. Sens. Netw. 2010, 6, 1–32. [Google Scholar] [CrossRef]
- Malaver, A.; Motta, N.; Corke, P.; Gonzalez, F. Development and integration of a solar powered unmanned aerial vehicle and a wireless sensor network to monitor greenhouse gases. Sensors 2015, 15, 4072–4096. [Google Scholar] [CrossRef] [PubMed]
- Technology, L. Ltc3105: 400mA step-up dc/dc converter with maximum power point control and 250 mV start-up [datasheet]. Linear Technology Corporation: Milpitas, CA, United States. Available online: http://cds.linear.com/docs/en/datasheet/3105fb.pdf (accessed on 20 September 2016).
- Bq25504: Ultra low-power boost converter with battery management for energy harvester applications [datasheet]. Texas Instruments: Dallas, Texas, United States. Available online: http://www.ti.com/lit/ds/symlink/bq25504.pdf (accessed on 15 September 2016).
- Kowal, J.; Avaroglu, E.; Chamekh, F.; Šenfelds, A.; Thien, T.; Wijaya, D.; Sauer, D.U. Detailed analysis of the self-discharge of supercapacitors. J. Power Sources 2011, 196, 573–579. [Google Scholar] [CrossRef]
- Barrenetxea, G.; Ingelrest, F.; Schaefer, G.; Vetterli, M. Wireless sensor networks for environmental monitoring: The sensorscope experience. In Proceedings of the 2008 IEEE International Zurich Seminar on Communications, Zurich, Switzerland, 12–14 March 2008; pp. 98–101.
- Lazarescu, M.T. Design and field test of a WSN platform prototype for long-term environmental monitoring. Sensors 2015, 15, 9481–9518. [Google Scholar] [CrossRef] [PubMed]
- Mestre, G.; Ruano, A.; Duarte, H.; Silva, S.; Khosravani, H.; Pesteh, S.; Ferreira, P.M.; Horta, R. An intelligent weather station. Sensors 2015, 15, 31005–31022. [Google Scholar] [CrossRef] [PubMed]
- Ramesh, M.V. Design, development, and deployment of a wireless sensor network for detection of landslides. Ad Hoc Netw. 2014, 13, 2–18. [Google Scholar] [CrossRef]
- KAMCAP. Product: Winding series. Available online: http://www.kamcap.com/index.php?m=En&c=Product&a=view&id=867 (accessed on 18 January 2017).
- Geoff Stapleton, S.N. Geoff Milne Energy photovoltaic systems. Available online: http://www.yourhome.gov.au/sites/prod.yourhome.gov.au/files/pdf/YOURHOME-Energy-PhotovoltaicSystems.pdf (accessed on 22 January 2017).








| Function | Device | Wake-Up Time (s) | Idle/transmit Current (mA) | Sleep Current (µA) |
|---|---|---|---|---|
| RF module | XBee | 15 | 29/120 | 2.5 |
| MCU | ATMega328 | 15.5 | 4.35 | 200 |
| Humidity | HIH5030 | 15 | 0.2 | 0 |
| Temperature | MCP9700 | 15 | 0.006 | 0 |
| CO2 | GC-0012 | 15 | 1.5 | 0 |
| CO | MiCS-5121WP | 10.5 | 30.7 | 0 |
| LDO | MCP1700 | 15.5 | 0.0016 | 1.6 |
| Total | 65.7576/156.7576 | 204.1 |
| Stage | Mode | Current (mA) | Power Consumption (mW) | Energy Consumption (mJ) |
|---|---|---|---|---|
| 1 | Idle (0–10 s, 10.1–10.5 s) | 65.8 | 217.14 | 2258.26 |
| 2 | Transmit (10–10.1 s) | 156.2 | 515.46 | 51.55 |
| 3 | Idle (10.5–15 s) | 35.1 | 115.83 | 521.24 |
| 4 | Sleep (15–16 s) | 4.3 | 14.19 | 14.19 |
| 5 | Sleep (16 s+) | 0.2 | 0.66 | 781.44 |
| Time Intervals (min) | Charging Rate (mV/s) | Voltage (V) |
|---|---|---|
| 0–10 | 2.17 | 0–1.3 |
| 10–20 | 2.00 | 1.3–2.5 |
| 20–30 | 1.67 | 2.5–3.5 |
| 30–45 | 1.22 | 3.5–4.6 |
© 2017 by the authors. Licensee MDPI, Basel, Switzerland. This article is an open access article distributed under the terms and conditions of the Creative Commons Attribution (CC BY) license ( http://creativecommons.org/licenses/by/4.0/).
Share and Cite
Wu, F.; Rüdiger, C.; Yuce, M.R. Real-Time Performance of a Self-Powered Environmental IoT Sensor Network System. Sensors 2017, 17, 282. https://doi.org/10.3390/s17020282
Wu F, Rüdiger C, Yuce MR. Real-Time Performance of a Self-Powered Environmental IoT Sensor Network System. Sensors. 2017; 17(2):282. https://doi.org/10.3390/s17020282
Chicago/Turabian StyleWu, Fan, Christoph Rüdiger, and Mehmet Rasit Yuce. 2017. "Real-Time Performance of a Self-Powered Environmental IoT Sensor Network System" Sensors 17, no. 2: 282. https://doi.org/10.3390/s17020282
APA StyleWu, F., Rüdiger, C., & Yuce, M. R. (2017). Real-Time Performance of a Self-Powered Environmental IoT Sensor Network System. Sensors, 17(2), 282. https://doi.org/10.3390/s17020282

