A Novel Field-Circuit FEM Modeling and Channel Gain Estimation for Galvanic Coupling Real IBC Measurements
Abstract
:1. Introduction
2. Field-Circuit FEM Modeling
2.1. Electric Field Modeling
2.2. Field-Circuit Modeling
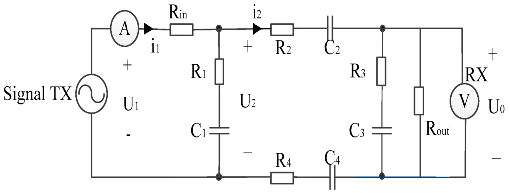
2.2.1. Field-Circuit Model
2.2.2. Field-Circuit Model Parameter Estimation
3. Channel Estimation
3.1. Short Channel Gain Estimated
3.2. Long Channel Gain Estimated
3.3. Channel Gain Estimated Expression
4. The Measurement Experiments
4.1. Short Channel Estimation Results
4.2. Long Channel Estimation Results
5. Conclusions
Acknowledgments
Author Contributions
Conflicts of Interest
References
- Gao, W.; Emaminejad, S.; Nyein, H.Y.Y.; Challa, S.; Chen, K.; Peck, A.; Fahad, H.M.; Ota, H.; Shiraki, H.; Kiriya, D.; et al. Fully integrated wearable sensor arrays for multiplexed in situ perspiration analysis. Nature 2016, 529, 509–514. [Google Scholar] [CrossRef] [PubMed]
- Sonner, Z.; Wilder, E.; Heikenfeld, J.; Kasting, G.; Beyette, F.; Swaile, D.; Sherman, F.; Joyce, J.; Hagen, J.; Kelley-Loughnane, N.; et al. The microfluidics of the eccrine sweat gland, including biomarker partitioning, transport, and biosensing implications. Biomicrofluidics 2015, 9. [Google Scholar] [CrossRef] [PubMed]
- Hung, K.; Lee, C.C.; Choy, S.O. Ubiquitous health monitoring: Integration of wearable sensors, novel sensing techniques, and body sensor networks. In Mobile Health; Springer International Publishing: Berlin, Germany, 2015; pp. 319–342. [Google Scholar]
- Zimmerman, T.G. Personal Area Networks(PAN): Near-Field Intra-Body Communication; Massachusetts Institute of Technology: Cambridge, MA, USA, 1995. [Google Scholar]
- Handa, T.; Shoji, S.; Ike, S.; Takeda, S.; Sekiguchi, T. A very low-power consumption wireless ECG monitoring system using body as a signal transmission medium. In Proceedings of the 1997 International Conference on Solid State Sensors and Actuators, Chicago, IL, USA, 16–19 June 1997; pp. 1003–1006.
- Fujii, K.; Takahashi, M.; Ito, K. Electric field distributions of wearable devices using the human body as a transmission channel. IEEE Trans. Antennas Propag. 2007, 55, 2080–2087. [Google Scholar] [CrossRef]
- Bae, J.; Cho, H.; Song, K.; Lee, H.; Yoo, H. The Signal Transmission Mechanism on the Surface of Human Body for Body Channel Communication. IEEE Trans. Microw. Theory Tech. 2012, 60, 582–593. [Google Scholar] [CrossRef]
- Seyedi, M.; Kibret, B.; Lai, D.T.H.; Faulkner, M. A Survey on Intrabody Communications for Body Area Network Applications. IEEE Trans. Biomed. Eng. 2013, 60, 2067–2079. [Google Scholar] [CrossRef] [PubMed]
- Pereira, M.D.; Alvarez-Botero, G.A.; de Sousa, F.R. Characterization and Modeling of the Capacitive HBC Channel. Instrum. Meas. IEEE Trans. 2015, 64, 2626–2635. [Google Scholar] [CrossRef]
- Xu, R.; Zhu, H.; Yuan, J. Electric-field intra-body communication channel modeling with finite element method. IEEE Trans. Biomed. Eng. 2011, 58, 705–712. [Google Scholar] [PubMed]
- Swaminathan, M.; Cabrera, F.S.; Pujol, J.S.; Muncuk, U.; Schirner, G.; Chowdhury, K.R. Multi-Path Model and Sensitivity Analysis for Galvanic Coupled Intra-Body Communication Through Layered Tissue. IEEE Trans. Biomed. Circuits Syst. 2015, 10, 339–351. [Google Scholar] [CrossRef] [PubMed]
- Kibret, B.; Seyedi, M.; Lai, D.T.H.; Faulkner, M. Investigation of Galvanic-Coupled Intrabody Communication Using the Human Body Circuit Model. IEEE J. Biomed. Health Inform. 2014, 18, 1196–1206. [Google Scholar] [CrossRef] [PubMed]
- Song, Y.; Hao, Q.; Zhang, K. Review of the Modeling, Simulation and Implement of Intra-body Communication. Def. Technol. 2013, 9, 10–17. [Google Scholar] [CrossRef]
- Pun, S.H.; Gao, Y.M.; Mak, P.U.; Vai, M.I.; Du, M. Quasi-static modeling of human limb for intra-body communications with experiments. IEEE Trans. Inf. Technol. Biomed. 2011, 15, 870–876. [Google Scholar] [PubMed]
- Chen, X.M.; Mak, P.U.; Pun, S.H.; Gao, Y.M.; Lam, C.; Vai, M. I.; Du, M. Study of Channel Characteristics for Galvanic-Type Intra-Body Communication Based on a Transfer Function from a Quasi-Static Field Model. Sensors 2012, 12, 16433–16450. [Google Scholar] [CrossRef] [PubMed]
- Amparo, C.M.; Reina-Tosina, J.; Naranjo-Hernandez, D.; Roa, L.M. Galvanic Coupling Transmission in Intrabody Communication: A Finite Element Approach. IEEE Trans. Biomed. Eng. 2014, 61, 775–783. [Google Scholar] [CrossRef] [PubMed]
- Zeng, X.Z.; Gao, Y.M.; Pun, S.H. Effects of muscle conductivity on signal transmission of intra-body communication. J. Electron. Meas. Instrum. 2013, 27, 21–25. [Google Scholar] [CrossRef]
- Szczepanik, Z.; Rucki, Z. Frequency analysis of electrical impedance tomography system. IEEE Trans. Instrum. Meas. 2000, 49, 844–851. [Google Scholar] [CrossRef]
- Gao, Y.M.; Pan, S.H.; Du, M.; Vai, M.I.; Mak, P.U. A Preliminary two dimensional model for intra-body communication of body sensor networks. In Proceedings of the International Conference on Intelligent Sensors, Sensor Networks and Information, Sydney, Australia, 15–18 December 2008.
- Pan, S.H.; Gao, Y.M.; Mak, P.U.; Du, M.; Vai, M.I. Modeling for intra-body communication with bone effect. In Proceedings of the 31st Annual International Conference of the IEEE-EMBS, Minneapolis, MN, USA, 3–6 September 2009; pp. 701–704.
- Gabriel, S.; Lau, R.W.; Gabriel, C. The dielectric properties of biological tissues: III. Parametric models for the dielectric spectrum of tissues. Phys. Med. Biol. 1996, 41, 2271–2293. [Google Scholar] [CrossRef] [PubMed]
- Qian, W.; Jie, H. Impedance influence on measurement. Foreign Electron. Meas. Technol. 2006, 25, 67–69. [Google Scholar]













| Shortening | Meaning |
|---|---|
| cl (cm) | Channel length |
| EF | Electric Field Model |
| C-EF | Field-Circuit Model |
| σ (s/m) | σbone | σfat | σskin | σmuscle_x = σmuscle_y | σmuscle_z = 3σmuscle_x | |
|---|---|---|---|---|---|---|
| f (kHz) | ||||||
| 10 | 2.043 × 10−2 | 2.383 × 10−2 | 2.041 × 10−4 | 3.408 × 10−1 | 1.022 | |
| 30 | 2.057 × 10−2 | 2.412 × 10−2 | 2.293 × 10−4 | 3.475 × 10−1 | 1.043 | |
| 100 | 2.079 × 10−2 | 2.441 × 10−2 | 4.513 × 10−4 | 3.619 × 10−1 | 1.086 | |
| 400 | 2.177 × 10−2 | 2.477 × 10−2 | 3.048 × 10−3 | 4.278 × 10−1 | 1.283 | |
| 1000 | 2.435 × 10−2 | 2.508 × 10−2 | 1.324 × 10−2 | 5.027 × 10−1 | 1.508 | |
| K(6) | K(8) | K(10) | K(12) | |
|---|---|---|---|---|
| average K | 1.289 | 1.498 | 1.767 | 2.000 |
| Standard deviation | 0.028 | 0.043 | 0.058 | 0.069 |
© 2016 by the authors; licensee MDPI, Basel, Switzerland. This article is an open access article distributed under the terms and conditions of the Creative Commons by Attribution (CC-BY) license (http://creativecommons.org/licenses/by/4.0/).
Share and Cite
Gao, Y.-M.; Wu, Z.-M.; Pun, S.-H.; Mak, P.-U.; Vai, M.-I.; Du, M. A Novel Field-Circuit FEM Modeling and Channel Gain Estimation for Galvanic Coupling Real IBC Measurements. Sensors 2016, 16, 471. https://doi.org/10.3390/s16040471
Gao Y-M, Wu Z-M, Pun S-H, Mak P-U, Vai M-I, Du M. A Novel Field-Circuit FEM Modeling and Channel Gain Estimation for Galvanic Coupling Real IBC Measurements. Sensors. 2016; 16(4):471. https://doi.org/10.3390/s16040471
Chicago/Turabian StyleGao, Yue-Ming, Zhu-Mei Wu, Sio-Hang Pun, Peng-Un Mak, Mang-I Vai, and Min Du. 2016. "A Novel Field-Circuit FEM Modeling and Channel Gain Estimation for Galvanic Coupling Real IBC Measurements" Sensors 16, no. 4: 471. https://doi.org/10.3390/s16040471
APA StyleGao, Y.-M., Wu, Z.-M., Pun, S.-H., Mak, P.-U., Vai, M.-I., & Du, M. (2016). A Novel Field-Circuit FEM Modeling and Channel Gain Estimation for Galvanic Coupling Real IBC Measurements. Sensors, 16(4), 471. https://doi.org/10.3390/s16040471
