Effect of Different Catholytes on the Removal of Sulfate/Sulfide and Electricity Generation in Sulfide-Oxidizing Fuel Cell
Abstract
:1. Introduction
2. Results
2.1. Overall Performance of SRBR–SOFC System
Efficiency of Sulfate Removal in the SRBR
2.2. Performance Comparison of SOFC Using Different Catholytes
2.2.1. Effect of Three Different Catholytes on Sulfide Removal in SOFC
2.2.2. The Effects of Three Different Catholytes on Electricity Generation in SOFC
3. Discussion
4. Materials and Methods
4.1. Sulfate-Reducing Bioreactor (SRBR)
4.1.1. The Inoculum
4.1.2. SRBR and Operating Conditions
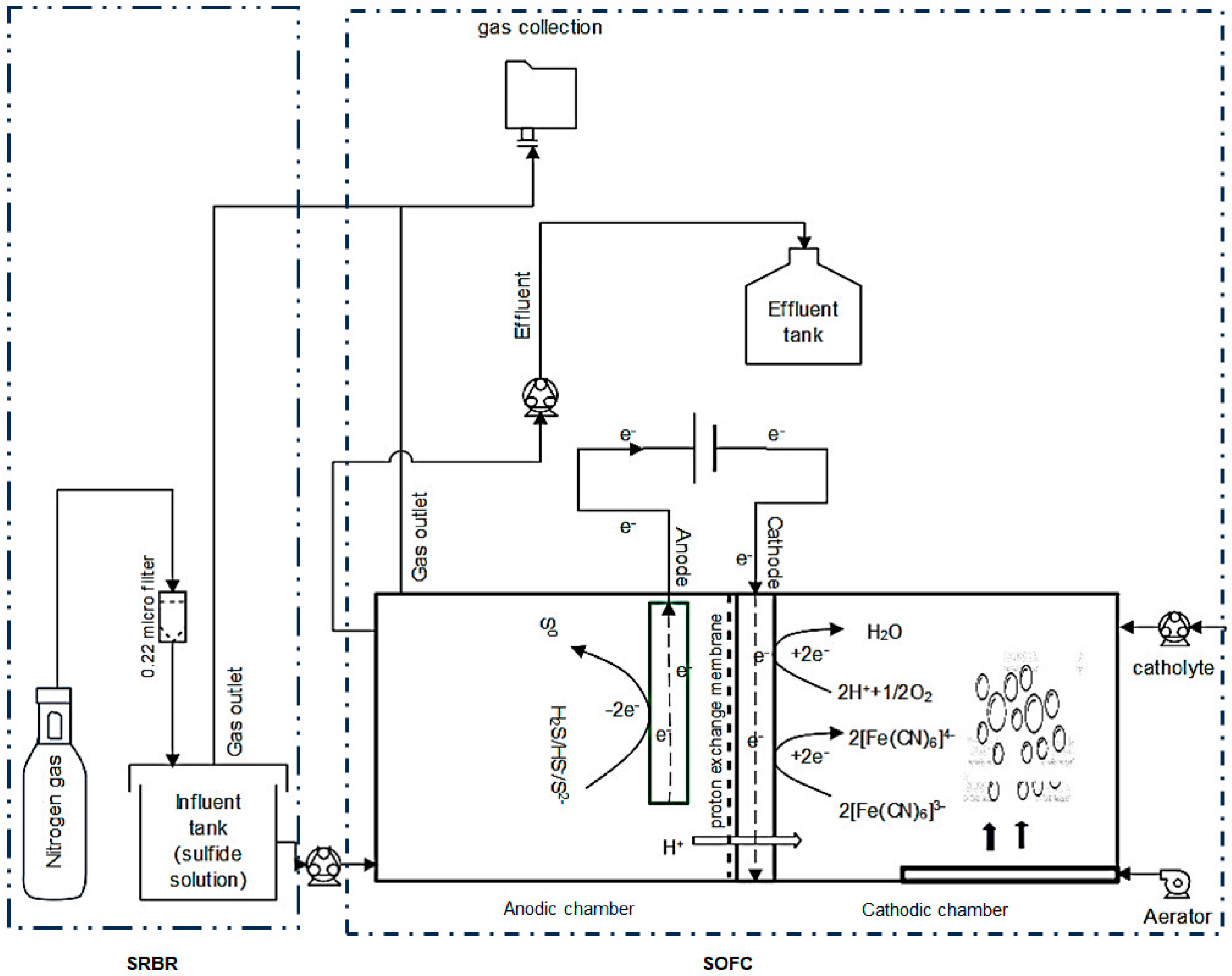
4.2. Sulfide-Oxidizing Fuel Cell (SOFC)
4.2.1. Design and Fabrication of SOFC
4.2.2. SOFC Operation Conditions
4.2.3. Experimental Design of Integrated SRBR–SOFC System
4.2.4. Experimental Analysis
5. Conclusions
Author Contributions
Funding
Institutional Review Board Statement
Informed Consent Statement
Data Availability Statement
Conflicts of Interest
Sample Availability
References
- Batterman, S.; Grant-Alfieri, A.; Seo, S.-H. Low level exposure to hydrogen sulfide: A review of emissions, community exposure, health effects, and exposure guidelines. Crit. Rev. Toxicol. 2023, 53, 244–295. [Google Scholar] [CrossRef]
- Chen, Z.; Zhang, S.H.; Zhong, L. Simultaneous sulfide removal, nitrogen removal and electricity generation in a coupled microbial fuel cell system. Bioresour. Technol. 2019, 291, 121888. [Google Scholar] [CrossRef]
- Omri, I.; Bouallagui, H.; Aouidi, F.; Godon, J.J. H2S gas biological removal efficiency and bacterial community diversity in biofilter treating wastewater odor. Bioresour. Technol. 2011, 102, 10202–10209. [Google Scholar] [CrossRef]
- Guerrero-Rangel, N.; Rodriguez-de la Garza, J.A.; Garza-Garcia, Y.; Rios-Gonzalez, I.J.; Sosa-Santillan, G.J. Comparative study of three cathodic electron acceptors on the performance of mediatorless microbial fuel cell. Int. J. Electr. Power Eng. 2010, 4, 27–31. [Google Scholar]
- Weng, H.-L.; Lee, D.J. Performance of sulfate-reducing bacteria-microbial fuel cells: Reproducibility. J. Taiwan Inst. Chem. Eng. 2015, 56, 148–153. [Google Scholar] [CrossRef]
- Krishnakumar, B.; Majumdar, S.; Manilal, V.B.; Haridas, A. Treatment of sulphide containing wastewater with sulphur recovery in a novel reverse fluidized loop reactor (RFLR). Water Res. 2005, 39, 639–647. [Google Scholar] [CrossRef]
- Zhao, F.; Rahunen, N.; Varcoe, J.R.; Roberts, A.J.; Avignone-Rossa, C.; Thumser, A.E. Factors affecting the performance of microbial fuel cells for sulfur pollutants removal. Biosens. Bioelectron. 2009, 24, 1931–1936. [Google Scholar] [CrossRef]
- Tang, K.; Baskaran, V.; Nemati, M. Bacteria of the sulphur cycle: An overview of microbiology, biokinetics and their role in petroleum and mining industries. Biochem. Eng. J. 2009, 44, 73–94. [Google Scholar] [CrossRef]
- Zhang, L.; de Schryver, P.; de Gusseme, B.; de Myynck, W.; Boon, N.; Vertraete, W. Chemical and biological technologies for hydrogen sulfide emission control in sewer systems: A review. Water Res. 2008, 42, 1–12. [Google Scholar] [CrossRef]
- Rattanapan, C.; Boonsawang, P.; Kantachote, D. Removal of H2S in down-flow GAC biofiltration using sulfide oxidizing bacteria from concentrated latex wastewater. Bioresour. Technol. 2009, 100, 125–130. [Google Scholar] [CrossRef]
- Song, T.S.; Wang, D.B.; Wang, H.; Li, X.; Liang, Y.; Xie, J. Cobalt oxide/nanocarbon hybrid materials as alternative cathode catalyst for oxygen reduction in microbial fuel cell. Int. J. Hydrogen Energy 2015, 40, 3868–3874. [Google Scholar] [CrossRef]
- Sun, M.; Mu, Z.X.; Chen, Y.P.; Sheng, G.P.; Liu, X.W.; Chen, Y.Z.; Zhao, Y.; Wang, H.L.; Yu, H.Q.; Wei, L.; et al. Microbe-assisted sulfide oxidation in the anode of a microbial fuel cell. Environ. Sci. Technol. 2009, 43, 3372–3377. [Google Scholar] [CrossRef] [PubMed]
- Sun, M.; Tong, Z.H.; Sheng, G.P.; Chen, Y.Z.; Zhang, F.; Mu, Z.X.; Wang, H.L.; Zeng, R.J.; Liu, X.W.; Yu, H.Q.; et al. Microbial communities involved in electricity generation from sulfide oxidation in a microbial fuel cell. Biosens. Bioelectron. 2010, 26, 470–476. [Google Scholar] [CrossRef] [PubMed]
- Zhang, B.G.; Zhao, H.Z.; Shi, C.H.; Zhou, S.G.; Ni, J.R. Simultaneous removal of sulfide and organics with vanadium(V) reduction in microbial fuel cells. J. Chem. Technol. Biotechnol. 2009, 84, 1780–1786. [Google Scholar] [CrossRef]
- Gul, H.; Raza, W.; Lee, J.; Azam, M.; Ashraf, M.; Kim, K.-H. Progress in microbial fuel cell technology for wastewater treatment and energy harvesting. Chemosphere 2021, 281, 130828. [Google Scholar] [CrossRef]
- Chou, T.Y.; Whiteley, C.G.; Lee, D.J.; Liao, Q. Control of dual-chambered microbial fuel cell by anodic potential: Implications with sulfate reducing bacteria. Int. J. Hydrogen Energy 2013, 38, 15580–15589. [Google Scholar] [CrossRef]
- Goswami, R.; Mishra, V.K. A review of design, operational conditions and applications of microbial fuel cells. Biofuels 2018, 9, 203–220. [Google Scholar] [CrossRef]
- Malik, S.; Kishore, S.; Dhasmana, A.; Kumari, P.; Mitra, T.; Chaudhary, V.; Kumari, R.; Bora, J.; Ranjan, A.; Minkina, T.; et al. A perspective review on microbial fuel cells in treatment and product recovery from wastewater. Water 2023, 15, 316. [Google Scholar] [CrossRef]
- Feng, Y.; Yang, Q.; Wang, X.; Logan, B.E. Treatment of carbon fiber brush anodes for improving power generation in air-cathode microbial fuel cells. Power Sources 2010, 195, 1841–1844. [Google Scholar] [CrossRef]
- Rabaey, K.; ad Verstraete, W. Microbial fuel cells. Novel biotechnology for energy generation. Trends Biotechnol. 2005, 23, 291–298. [Google Scholar] [CrossRef]
- Bond, D.R.; Lovley, D.R. Electricity production by Geobacter sulfurreducens attached to electrodes. Appl. Environ. Microbiol. 2003, 69, 1548–1555. [Google Scholar] [CrossRef]
- Ieropoulos, I.A.; Greenman, J.; Melhuish, C.; Hart, J. Comparative study of three types of microbial fuel cell. Enzym. Microb. Technol. 2005, 37, 238–245. [Google Scholar] [CrossRef]
- Barua, P.K.; Deka, D. Electricity generation from biowaste based microbial fuel. Int. J. Energy Inf. Commun. 2010, 1, 77–92. [Google Scholar]
- Anjum, A.; Mazari, S.A.; Hashmi, Z.; Jatoi, A.S.; Abro, R. A review of role of cathodes in the performance of microbial fuel cells. J. Electroanal. Chem. 2021, 899, 115673. [Google Scholar] [CrossRef]
- Chae, K.J.; Choi, M.; Ajayi, F.F.; Park, W.; Chang, I.S.; Kim, I.S. Characterization of Polyester cloth as an alternative separator to Nafion membrane in microbial fuel cells for bioelectricity generation using swine wastewater. Energy Fuels 2008, 22, 169–176. [Google Scholar] [CrossRef]
- Rozendal, R.A.; Hamelers, H.V.M.; Buisman, C.J.N. Effect of membrane cation transport on pH and microbal fuel cell performance. Environ. Sci. Technol. 2006, 40, 5206–5211. [Google Scholar] [CrossRef]
- Santoro, C.; Cremins, M.; Pasaogullari, U.; Guilizzoni, M.; Casalegno, A.; Mackay, A.; Li, B. Evaluation of water transport and oxygen presence in single chamber microbial fuel cells with carbon-based cathodes. J. Electrochem. Soc. 2013, 160, G3128–G3134. [Google Scholar] [CrossRef]
- He, H.; Yuan, S.-J.; Tong, Z.-H.; Huang, Y.-X.; Lin, Z.-Q.; Yu, H.-Q. Characterization of a new electrochemically active bacterium, Lysinibacillus sphaericus D-8, isolated with a WO3 nanocluster probe. Process Biochem. 2014, 49, 290–294. [Google Scholar] [CrossRef]
- Logan, B.E.; Rossi, R.; Ragab Aa Saikaly, P.E. Electroactive microorganisms in bioelectrochemical systems. Nat. Rev. Microbiol. 2019, 17, 307–319. [Google Scholar] [CrossRef]
- Wan, Y.; Zhang, D.; Wang, Y. Electron transfer from sulfate-reducing bacteria biofilm promoted by reduced graphene sheets. Chin. J. Ocean Limnol. 2012, 30, 12. [Google Scholar] [CrossRef]
- Gao, C.; Wang, A.; Zhao, Y. Contribution of sulfate-reducing bacte-ria to the electricity generation in microbial fuel cells. Adv. Mater. Res. 2014, 1008–1009, 285–289. [Google Scholar] [CrossRef]
- Lawson, K.; Rossi, R.; Regan, J.M.; Logan, B.E. Impact of cathodic electron acceptor on microbial fuel cell internal resistance. Bioresour. Technol. 2020, 316, 123919. [Google Scholar] [CrossRef]
- Jang, J.K.; Pham, T.H.; Chang, I.S.; Kang, K.H.; Moon, H.; Cho, K.S.; Kim, B.H. Construction and operation of a novel mediator-and membrane-lessmicrobial fuel cell. Process Biochem. 2004, 39, 1007–1012. [Google Scholar] [CrossRef]
- Behera, M. Performance of Microbial Fuel Cell under Different Operating Conditions and Employing Earthenware as Separator. Ph.D. Thesis, IIT Kharagpur, Kharagpur, India, 2011. [Google Scholar]
- You, S.; Zhao, Q.; Zhang, J.; Jiang, J.; Zhao, S. A microbial fuel cell using permanganate as the cathodic electron acceptor. J. Power Sources 2006, 162, 1409–1415. [Google Scholar] [CrossRef]
- Santoro, C.; Arbizzani, C.; Erable, B.; Ieropoulos, I. Microbial fuel cells: From fundamentals to applications: A review. J. Power Sources 2017, 356, 225–244. [Google Scholar] [CrossRef]
- Damianovic, M.H.A.Z.; Foresti, E. Anaerobic degradataion of synthetic wastewaters at different levels of sulfate and COD/sulfate ratios in horizontal-flow anaerobic reactors (HAIB). Environ. Eng. Sci. 2007, 24, 383–393. [Google Scholar] [CrossRef]
- Forrestal, C.; Xu, P.; Ren, Z. Sustainable desalination using a microbial capacitive desali-nation cell. Energy Environ. Sci. 2012, 5, 7161–7167. [Google Scholar] [CrossRef]
- Zhang, B.; He, Z. Integrated salinity reduction and water recovery in an osmotic microbial desalination cell. RSC Adv. 2012, 2, 3265–3269. [Google Scholar] [CrossRef]
- Chen, X.; Xia, X.; Liang, P.; Cao, X.; Sun, H.; Huang, X. Stacked microbial desalination cells to enhance water desalination efficiency. Environ. Sci. Technol. 2011, 45, 2465–2470. [Google Scholar] [CrossRef]
- Qu, Y.; Feng, Y.; Liu, J.; He, W.; Shi, X.; Yang, Q.; Lv, J.; Logan, B.E. Salt removal using multiple microbial desalination cells under continuous flow conditions. Desalination 2013, 317, 17–22. [Google Scholar] [CrossRef]
- Cheng, S.; Liu, H.; Logan, B.E. Increased power generation in a continuous flow MFC with advective flow through the porous anode and reduced electrode spacing. Environ. Sci. Technol. 2006, 40, 2426–2432. [Google Scholar] [CrossRef]
- Fan, Y.; Hu, H.; Liu, H. Enhanced columbic efficiency and power density of air-cathode microbial fuel cells with an improved cell configuration. J. Power Sources 2007, 171, 348–354. [Google Scholar] [CrossRef]
- Gil, G.C.; Chang, I.S.; Kim, B.H.; Kim, M.; Jang, J.K.; Park, H.S.; Kim, H.J. Operational parameters affecting the performance of a mediator-less microbial fuel cell. Biosens. Bioelectron. 2003, 18, 327–334. [Google Scholar] [CrossRef]
- Miller, T.L.; Wolin, M.J. A serum bottle modification of the Hungate technique for cultivating obligate anaerobes. Appl. Microbiol. 1974, 27, 985. [Google Scholar] [CrossRef] [PubMed]
- Postgate, J.R. The Sulfate-Reducing Bacteria, 2nd ed.; Cambridge University Press: Cambridge, UK, 1984. [Google Scholar]
- APHA. Standard Methods for the Examination of Water and Wastewater, 22nd ed.; American Public Health Association: Washington, DC, USA, 2012. [Google Scholar]
- Cord-Ruwisch, R. A quick method for the determination of dissolved and precipitated sulfides in cultures of sulfate-reducing bacteria. J. Microbiol. Meth. 1985, 4, 33–36. [Google Scholar] [CrossRef]







Disclaimer/Publisher’s Note: The statements, opinions and data contained in all publications are solely those of the individual author(s) and contributor(s) and not of MDPI and/or the editor(s). MDPI and/or the editor(s) disclaim responsibility for any injury to people or property resulting from any ideas, methods, instructions or products referred to in the content. |
© 2023 by the authors. Licensee MDPI, Basel, Switzerland. This article is an open access article distributed under the terms and conditions of the Creative Commons Attribution (CC BY) license (https://creativecommons.org/licenses/by/4.0/).
Share and Cite
Kieu, T.Q.H.; Nguyen, T.Y.; Do, C.L. Effect of Different Catholytes on the Removal of Sulfate/Sulfide and Electricity Generation in Sulfide-Oxidizing Fuel Cell. Molecules 2023, 28, 6309. https://doi.org/10.3390/molecules28176309
Kieu TQH, Nguyen TY, Do CL. Effect of Different Catholytes on the Removal of Sulfate/Sulfide and Electricity Generation in Sulfide-Oxidizing Fuel Cell. Molecules. 2023; 28(17):6309. https://doi.org/10.3390/molecules28176309
Chicago/Turabian StyleKieu, Thi Quynh Hoa, Thi Yen Nguyen, and Chi Linh Do. 2023. "Effect of Different Catholytes on the Removal of Sulfate/Sulfide and Electricity Generation in Sulfide-Oxidizing Fuel Cell" Molecules 28, no. 17: 6309. https://doi.org/10.3390/molecules28176309
APA StyleKieu, T. Q. H., Nguyen, T. Y., & Do, C. L. (2023). Effect of Different Catholytes on the Removal of Sulfate/Sulfide and Electricity Generation in Sulfide-Oxidizing Fuel Cell. Molecules, 28(17), 6309. https://doi.org/10.3390/molecules28176309
