Chemical and Antimicrobial Evaluation of Supercritical and Conventional Sideritis scardica Griseb., Lamiaceae Extracts
Abstract
:1. Introduction
2. Results and Discussion
2.1. Chemical Composition of Investigated Samples
2.2. Antimicrobial Activity
2.3. The Extraction Yields
2.4. The Kinetics of SC-CO2 Extraction
3. Experimental
3.1. Plant Material
3.2. Essential Oil Extraction by Hydrodistillation
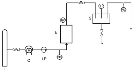
3.3. Supercritical Fluid Extraction
3.4. Solvent Extraction (SE)
3.5. Gas Chromatography (GC-FID)
3.6. Gas Chromatography/Mass Spectrometry (GC-MS)
3.7. In Vitro Antimicrobial Activity
4. Conclusions
Acknowledgments
Conflict of Interest
References and Notes
- Basile, A.; Senatore, F.; Gargano, R.; Sorbo, S.; Del Pezzo, M.; Lavitola, A.; Ritieni, A.; Bruno, M.; Spatuzzi, D.; Rigano, D.; Vuotto, M.L. Antibacterial and antioxidant activities in Sideritis italica (Miller) Greuter et Burdet essential oils. J. Ethnopharmacol. 2006, 107, 240–248. [Google Scholar] [CrossRef] [PubMed]
- Charami, M.; Lazari, D.; Karioti, A.; Skaltsa, H.; Hadjipavlou-Litina, D.; Souleles, C. Antioxidant and Antiinflammatory Activities of Sideritis perfoliata subsp. perfoliata (Lamiaceae). Phytother. Res. 2008, 22, 450–454. [Google Scholar] [CrossRef] [PubMed]
- Küpeli, E.; Şahin, F.P.; Çalış, I.; Yeşilada, E.; Ezer, N. Phenolic compounds of Sideritis ozturkii and their in vivo anti-inflammatory and antinociceptive activities. J. Ethnopharmacol. 2007, 118, 356–360. [Google Scholar] [CrossRef] [PubMed]
- Aboutabl, E.A.; Nassar, M.I.; Elsakhawy, F.M.; Maklad, Y.A.; Osman, A.F.; El-Khrisy, E.A.M. Phytochemical and pharmacological studies on Sideritis taurica Stephan ex Wild. J. Ethnopharmacol. 2002, 82, 177–184. [Google Scholar] [CrossRef]
- Hernàndez-Pérez, M.; Rabanal, R.M. Evaluation of the antinflammatory and analgesic activity of Sideritis canariensis var. pannosa in mice. J. Ethnopharmacol. 2002, 81, 43–47. [Google Scholar] [CrossRef]
- Navarro, A.; de las Heras, B.; Villar, A. Anti-inflammatory and immunomodulating properties of a sterol fraction from Sideitis foetens Clem. Biol. Pharm. Bull. 2001, 24, 470–473. [Google Scholar] [CrossRef] [PubMed]
- De las Heras, B.; Navarro, A.; Díaz-Guerra, M.J.; Bermejo, P.; Castrillo, A.; Boscá, L.; Villar, A. Inhibition of NOS-2 expression in macrophages through the inactivation of NF-kB by andalusol. Br. J. Pharmacol. 1999, 28, 605–612. [Google Scholar] [CrossRef] [PubMed]
- Güvenç, A.; Okada, Y.; Küpeli Akkol, E.; Duman, H.; Okuyama, T.; Çalıs, I. Investigations of anti-inflammatory, antinociceptive, antioxidant and aldose reductase inhibitory activities of phenolic compounds from Sideritis brevibracteata. Food Chem. 2010, 118, 686–692. [Google Scholar] [CrossRef]
- Demirtas, I.; Sahin, A.; Ayhan, B.; Tekin, S.; Telci, I. Antiproliferative effects of the methanolic extracts of Sideritis libanotica Labill. subsp. Linearis. Rec. Nat. Prod. 2009, 3, 104–109. [Google Scholar]
- Ertaş, A.; Öztürk, M.; Boga, B.; Topçu, G. Antioxidant and anticholinesterase activity evaluation of ent-kaurane diterpenoids from Sideritis arguta. J. Nat. Prod. 2009, 72, 500–502. [Google Scholar] [CrossRef] [PubMed]
- Kassi, E.; Papoutsi, Z.; Fokialakis, N.; Messari, J.; Mitakou, S.; Moutsatsou, P. Greek plant extracts exhibit selective estrogen receptor modulator (SERM)-like properties. J. Agric. Food. Chem. 2004, 52, 6956–6961. [Google Scholar] [CrossRef] [PubMed]
- Tadic, V.M.; Jeremic, I.; Dobric, S.; Isakovic, A.; Markovic, I.; Trajkovic, V.; Bojovic, D.; Arsic, I. Anti-inflammatory, gastroprotective and cytotoxic effects of Sideritis scardica extracts. Planta Med. 2012, 78, 1–13. [Google Scholar] [CrossRef] [PubMed]
- Plioukas, M.; Termentzi, A.; Gabrieli, C.; Zervou, M.; Kefalas, P.; Kokkalou, E. Novel acylflavones from Sideritis syriaca ssp. syriaca. Food Chem. 2010, 123, 1136–1141. [Google Scholar] [CrossRef]
- Petreska, J.; Stefova, M.; Ferreres, F.; Moreno, D.A.; Thomas-Barberan, F.A.; Stefkov, G.; Kulevanova, S.; Gil-Izquiredo, A. Potential bioactive phenolics of Macedonian Sideritis species used for medicinal “Mountain tea”. Food Chem. 2011, 125, 13–20. [Google Scholar] [CrossRef]
- Alipieva, K.I.; Kostadinova, E.P.; Evstatieva, L.N.; Stefova, M.; Bankova, V.S. An iridoid and a flavonoid from Sideritis lanata L. Fitoterapia 2009, 80, 51–53. [Google Scholar] [CrossRef] [PubMed]
- Kilic, T. Isolation and biological activity of new and known diterpenoids from Sideritis stricta Boiss. & Heldr. Molecules 2006, 11, 257–262. [Google Scholar] [PubMed]
- Diklić, N. Genus Sideritis L. In Flora of Serbia; Josifović, M., Ed.; Serbian academy of Sciecne and Art: Belgrade, Serbia, 1974; Volume 4, pp. 371–372. [Google Scholar]
- Koleva, I.; Linssen, J.P.H.; van Beek, T.A.; Evstatieva, L.N.; Kortenska, V.; Handjieva, N. Antioxidant activity screening of extracts from Sideritis species (Labiatae) grown in Bulgaria. J. Sci. Food Agric. 2003, 83, 809–819. [Google Scholar] [CrossRef]
- Reverchon, E. Supercritical fluid extraction and fractionation of essential oils and related products. J. Supercrit. Fluid. 1997, 10, 1–37. [Google Scholar] [CrossRef]
- Papaefstathiou, G.; Polychronopoulos, P.; Aligiannis, N.; Skaltsounis, A.L.; Mitaku, S. Comparative study of accelerated solvent extraction and supercritical fluid extraction of total phenolics and flavonoids from Sideritis raeseri subsp. attica and study of antioxidant activity. Planta Med. 2008, 74, 1122. [Google Scholar]
- Krimer, N.; Tabanaca, N.; Özek, T.; Tümen, G.; Başer, K.H.C. Essential oil of annual Sideritis species growing in Turkey. Pharm. Biol. 2000, 38, 106–111. [Google Scholar] [CrossRef]
- Kostadinova, E.; Nikolova, D.; Alipieva, K.; Stefova, M.; Stefkov, G.; Evstatieva, L.; Matevski, V.; Bankova, V. Chemical constituents of the essential oils of Sideritis scardica Griseb. and Sideritis raeseri Boiss and Heldr. from Bulgaria and Macedolnia. Nat. Prod. Res. 2007, 21, 819–823. [Google Scholar] [CrossRef] [PubMed]
- Kirimer, N.; Baser, K.H.C.; Demirci, B.; Duman, H. Essential oils of Sideritis species of Turkey belonging to the section Empedoclia. Chem. Nat. Compd. 2004, 40, 19–23. [Google Scholar] [CrossRef]
- Ezer, N.; Vila, R.; Caiqigueraland, S.; Adzet, T. Essential oil composition of four Turkish species of Sideritis. Phytochemistry 1996, 41, 203–205. [Google Scholar] [CrossRef]
- Baser, K.H.C. Aromatic biodiversity among the flowering plant taxa of Turkey. Pure App. Chem. 2002, 74, 527–545. [Google Scholar] [CrossRef]
- Aligiannis, N.; Kalpoutzakis, I.; Chinou, B.; Mitakou, S. Composition and antimicrobial activity of the essential oils of five taxa of Sideritis from Greece. J. Agric. Food Chem. 2001, 49, 811–815. [Google Scholar] [CrossRef] [PubMed]
- Palá-Paúl, J.; Pérez-Alonso, M.J.; Velasco-Negueruela, A.; Ballesteros, M.T.; Sanz, J. Essential oil composition of Sideritis hirsuta L. from Guadalajara Province, Spain. Flavour. Frag. J. 2006, 21, 410–415. [Google Scholar] [CrossRef]
- Rodriguez-Garcia, I.; Munoz-Dorado, M.; Gomez-Mercado, F.; Garcia-Maroto, F.; Guil-Guerrero, J.L. Essential oil composition of Sideritis pusilla (Lange) Pau ssp. J. Essent. Oil Res. 2004, 16, 535–538. [Google Scholar] [CrossRef]
- Aloush, V.; Navon-Venezia, S.; Seigman-Igra, Y.; Cabili, S.; Carmeli, Y. Multidrug-resistant Pseudomonas aeruginosa: risk factors and clinical impact. Antimicrob. Agents Ch. 2006, 1, 43–48. [Google Scholar] [CrossRef] [PubMed]
- Livermore, D. Multiple mechanisms of antimicrobial resistance in Pseudomonas aeruginosa: Our worst nightmare. Clin. Infect. Dis. 2002, 34, 634–640. [Google Scholar] [CrossRef] [PubMed]
- Quinn, P.; Markey, B. Concise Review of Veterinary Microbiology, 1st ed.; Blackwell Publishing: Oxford, UK, 2003; pp. 8–10. [Google Scholar]
- Winn, W.; Allen, S.; Janda, W.; Koneman, E.; Procop, G.; Schreckenberger, P.; Woods, G. Koneman’s Color Atlas and Textbook of Diagnostic Microbiology, 6th ed.; Lippincott Williams & Wilkins: Baltimore, MD, USA, 2006; pp. 945–1021. [Google Scholar]
- Brooks, G.; Butel, J.; Morse, S. Jawetz, Melnick & Adelberg’s Medical Microbiology, 21st ed.; Appleton & Lange: Stamford, CT, USA, 1998; pp. 145–177. [Google Scholar]
- Kirimer, N.; Demirci, B.; Iscan, G.; Baser, K.H.C.; Duman, H. Composition of the essential oils of two Sideritis species from Turkey and antimicrobial activity. Chem. Nat. Comp. 2008, 44, 121–123. [Google Scholar] [CrossRef]
- Ŭgur, A.; Varol, O.; Ceylan, O. Antibacterial activity of Sideritis curvidens and Sideritis lanata from Turkey. Pharm. Biol. 2005, 43, 47–52. [Google Scholar] [CrossRef]
- Villar, A.; Recio, M.C.; Ríos, J.L.; Zafra-Polo, M.C. Antimicrobial activity of essential oils from Sideritis species. Pharmazie 1986, 41, 298–299. [Google Scholar] [PubMed]
- Iscan, G.; Kirimer, N.; Kurkcuoglu, M.; Baser, K.H.C. Composition and antimicrobial activity of the essential oils of two endemic species from Turkey: Sideritis cilicica and Sideritis bilgerana. Chem. Nat. Comp. 2005, 41, 679–682. [Google Scholar] [CrossRef]
- Sagdic, O.; Aksoy, A.; Ozkan, G.; Ekici, L.; Albayrak, S. Biological activities of the extracts of two endemic Sideritis species in Turkey. Innov. Food Sci. Emerg. Technol. 2008, 9, 80–84. [Google Scholar] [CrossRef]
- Çarıkç, S.; Çöl, Ç.; Kılıç, T.; Azizoglu, A. Diterpenoids from Sideritis tmolea P. H. Davis. Rec. Nat. Prod. 2007, 4, 44–50. [Google Scholar]
- Dulger, B.; Gonuz, A.; Aysel, V. Inhibition of clotrimmazole-resistant Candida albicans by some Sideritis species from Turkey. Fitoterapia 2006, 77, 404–405. [Google Scholar] [CrossRef] [PubMed]
- García-Granados, A.; Liñán, E.; Martínez, A.; Rivas, F.; Mesa-Valle, C.M.; Castilla-Calvente, J.J.; Osuna, A. In vitro action of ent-manoyl oxides against Leishmania donovani. J. Nat. Prod. 1997, 60, 13–16. [Google Scholar] [CrossRef]
- Ambrósio, S.R.; Arakawa, N.S.; Esperandim, V.R.; de Albuquerque, S.; Da Costa, F.B. Trzpanocidal activity of pimarane diterpenes from Viguiera arenaria (Asteraceae). Phytother. Res. 2008, 22, 1413–1415. [Google Scholar] [CrossRef] [PubMed]
- Weckesser, S.; Engel, K.; Simon-Haarhaus, B.; Wittmer, A.; Pelz, K.; Schempp, C.M. Screening of plant extracts for antimicrobial activity against bacteria and yeasts with dermatological relevance. Phytomedicine 2007, 14, 508–516. [Google Scholar] [CrossRef] [PubMed]
- Saddique, Z.; Naeem, I.; Maimoona, A. A review of the antibacterial activity of Hypericum perforatum L. J. Ethnopharmacol. 2010, 31, 511–521. [Google Scholar] [CrossRef] [PubMed]
- Clinical and Laboratory Standards Institute. Performance Standards for Antimicrobial Susceptibility Testing; Twentieth Informational Supplement; CLSI document M100-S20; Clinical and Laboratory Standards Institute: Wayne, PA, USA, 2010. [Google Scholar]
- Isenberg, H.D. Antimicrobial Susceptibility Testing. In Clinical Microbiology Procedures Handbook, 1st ed.; Isenberg, H.D., Ed.; ASM Press: Washington, DC, USA, 2004; Volume 2, pp. 5.1.1.–5.18.2.1. [Google Scholar]
- Schwalbe, R.; Steele-Moore, L.; Goodwin, A. Antimicrobial Susceptibility Testing Protocols, 1st ed.; CRC Press: Boca Raton, FL, USA, 2007; pp. 150–182. [Google Scholar]
- Mišić, D.; Ašanin, R.; Ivanović, J.; Žižović, I. Investigation of antibacterial activity of supercriticsl extracts of plants, as well as of extracts obtained by other technological processes on some bacteria isolated from animals. Acta Vet. 2009, 59, 557–568. [Google Scholar]
- Zizovic, I.; Stamenic, M.; Orlovic, A.; Skala, D. Supercritical carbon dioxide extraction of essential oils from plants with secretory ducts: Mathematical modeling on the micro-scale. J. Supercrit. Fluids. 2007, 39, 338–346. [Google Scholar] [CrossRef]
- Adams, R.P. Identification of Essential Oil Components by Gas Chromatography/Mass Spectrometry, 4th ed.; Allured Publishing Corporation: Carol Stream, IL, USA, 2007. [Google Scholar]
- Automated Mass Spectral Deconvolution and Identification System software (AMDIS ver. 2.1National Institute of Standards and Technology (NIST), Standard Reference Data Program, Gaithersburg, MD, USA, 2005.
Sample Availability: Samples of the analyzed samples are available from the authors. |



| No | Extraction mode | HD | SC CO2 | SE | |||||
|---|---|---|---|---|---|---|---|---|---|
| Compound | K.I. a | EO | EO-CO2 | AO-CO2 | A | B | C | D | |
| 1 | α-thujene | 925.5 | 0.30 | - | - | - | - | - | - |
| 2 | thuja-2,4(10)-diene | 953.0 | - | 1.33 | - | - | - | - | - |
| 3 | sabinene | 967.3 | 0.05 | - | - | - | - | - | - |
| 4 | myrcene | 967.4 | 1.25 | 0.24 | - | - | - | - | - |
| 5 | n-Decane | 985.5 | 0.07 | - | - | - | - | - | - |
| 6 | β-phellandrene/limonene | 1021.7 | 0.05 | - | - | - | - | - | - |
| 7 | 1,8-cineole | 1023.2 | 0.08 | - | - | - | - | - | - |
| 8 | γ-terpinene | 1052.8 | 0.11 | - | - | - | - | - | - |
| 9 | isobutyl acetoacetate | 1084.9 | 0.31 | - | - | - | - | - | - |
| 10 | linalool | 1095.3 | 1.53 | - | - | - | - | - | - |
| 11 | β-thujone | 1097.8 | 0.45 | - | - | - | - | - | - |
| 12 | α-thujone | 1098.7 | 0.56 | - | - | - | - | - | - |
| 13 | trans-pinocarveol | 1130.8 | 0.34 | - | - | - | - | - | - |
| 14 | camphor | 1134.8 | 0.88 | - | - | - | - | - | - |
| 15 | trans-verbenol | 1138.8 | t | - | - | - | - | - | - |
| 16 | iso-menthone | 1145.8 | 1.75 | - | - | - | - | - | - |
| 17 | borneol | 1157.7 | 1.46 | - | - | - | - | - | - |
| 18 | menthol | 1165.6 | 4.90 | - | - | - | - | - | - |
| 19 | terpinen-4-ol | 1169.8 | 0.42 | - | - | - | - | - | - |
| 20 | α-terpineol | 1186.2 | 0.27 | - | - | - | - | - | - |
| 21 | myrtenal | 1190.8 | 0.42 | - | - | - | - | - | - |
| 22 | myrtenol | 1191.2 | 0.64 | - | - | - | - | - | - |
| 23 | trans-dihydrocarvone | 1199.5 | 0.07 | - | - | - | - | - | - |
| 24 | β-cyclocitral | 1214.0 | 0.09 | - | - | - | - | - | - |
| 25 | neoiso-dihydrocarveol | 1224.5 | 0.08 | - | - | - | - | - | - |
| 26 | thymol methyl ether | 1228.4 | 0.19 | - | - | - | - | - | - |
| 27 | pulegone | 1233.4 | 0.80 | - | - | - | - | - | - |
| 28 | carvacrol methyl ether | 1235.5 | 0.36 | - | - | - | - | - | - |
| 29 | d-carvone | 1242.1 | 0.37 | - | - | - | - | - | - |
| 30 | piperotone | 1250.7 | 0.27 | - | - | - | - | - | - |
| 31 | (Z)-chrysanthenyl acetate | 1257.8 | - | - | - | - | - | 1.63 | 4.58 |
| 32 | isobornyl acetate | 1277.5 | 1.10 | - | - | - | - | - | - |
| 33 | (E)-anethole | 1281.4 | 2.89 | - | - | - | - | - | - |
| 34 | menthyl acetate | 1286.4 | - | - | - | - | - | - | |
| 35 | thymol | 1291.1 | 1.97 | - | - | - | - | - | - |
| 36 | carvacrol | 1300.5 | 2.05 | - | - | 1.94 | 0.48 | 0.82 | 1.88 |
| 37 | (E)-dimetoxy citral | 1341.0 | - | - | - | 1.62 | - | - | - |
| 38 | 3’-metoxy-acetophenone | 1343.0 | 0.02 | - | - | - | - | - | - |
| 39 | α-cubebene | 1345.0 | 0.02 | - | 0.05 | - | - | - | - |
| 40 | α-terpenyl acetate | 1342.3 | 0.03 | - | - | - | - | - | - |
| 41 | decanoic acid | 1364.0 | - | - | - | - | - | 0.10 | 5.47 |
| 42 | α-copeane | 1365.6 | 0.11 | 0.34 | - | - | - | - | - |
| 43 | β-bourbonene | 1374.3 | 0.04 | - | - | - | - | - | - |
| 44 | trans-β-demascenone | 1376.9 | 0.21 | - | - | - | - | - | - |
| 45 | decyl acetate | 1407.0 | - | - | - | - | - | 2.66 | 12.54 |
| 46 | α-dihydroionone | 1389.0 | 0.27 | - | - | - | - | - | - |
| 47 | β-funebrene | 1395.2 | 0.30 | - | - | - | - | - | - |
| 48 | trans-β-caryophyllene | 1408.0 | 0.60 | 1.39 | - | - | - | - | - |
| 49 | 2,5-dimethyl-p-cymene | 1417.4 | 0.07 | - | - | - | - | - | - |
| 50 | trans-α-bergamotene | 1425.9 | 0.06 | - | - | - | - | - | - |
| 51 | α-humulene | 1442.4 | 0.10 | - | - | - | - | - | - |
| 52 | (E)-β-farnesene | 1449.2 | 0.21 | - | - | - | - | - | - |
| 53 | (2E)-dodecanal | 1464.0 | 0.10 | - | - | - | - | - | - |
| 54 | germacrene D | 1470.3 | 0.52 | - | - | - | - | - | - |
| 55 | (E)-β-ionone | 1478.0 | 1.15 | - | - | - | - | - | - |
| 56 | (E)-muurola-4(14),5-diene | 1482.2 | 0.03 | - | - | - | - | - | - |
| 57 | valencene | 1484.8 | 0.35 | - | - | - | - | - | - |
| 58 | α-muurolene | 1490.2 | 0.33 | - | - | - | - | - | - |
| 59 | β-bisabolene | 1499.3 | 0.19 | 0.41 | - | - | - | - | - |
| 60 | χ-cadinene | 1503.1 | 0.13 | 0.89 | - | - | - | - | - |
| 61 | 7-epi-α-selinene | 1520.0 | 0.66 | 0.94 | - | - | - | - | - |
| 62 | (E)-calamenene | 1521.0 | 0.36 | - | - | - | - | - | - |
| 63 | myristicin | 1522.0 | 5.23 | - | - | - | - | - | - |
| 64 | δ-cadinene | 1522.0 | 0.10 | - | - | - | - | - | - |
| 65 | ether-italicane | 1531.1 | t | - | - | - | - | - | - |
| 66 | α-calacorene | 1532.7 | 1.31 | - | - | - | - | - | - |
| 67 | β-calacorene | 1553.3 | 1.21 | - | - | - | - | - | - |
| 68 | (E)-nerolidol | 1557.1 | 0.06 | - | - | - | - | - | - |
| 69 | dodecanoic acid | 1565.0 | - | - | - | 17.05 | 6.96 | 25.56 | 35.78 |
| 70 | spathulenol | 1577.0 | 1.97 | - | - | - | - | - | - |
| 71 | caryophyllene oxide | 1582.0 | 4.84 | 2.44 | 0.07 | - | - | - | - |
| 72 | viridiflorol | 1592.0 | 1.23 | - | - | - | - | - | - |
| 73 | carotol | 1593.5 | t | - | - | - | - | - | - |
| 74 | ledol | 1594.3 | 0.99 | - | - | - | - | - | - |
| 75 | diepi-α-cedrenepoxide | 1607.0 | t | - | - | - | - | - | - |
| 76 | humulene epoxide II | 1608.0 | 0.56 | - | - | - | - | - | - |
| 77 | ledene | 1613.0 | 0.32 | - | - | - | - | - | - |
| 78 | (E)-isolongifolanene | 1618.8 | 0.56 | - | - | - | - | - | - |
| 79 | α-colocalene | 1622.0 | 0.14 | - | - | - | - | - | - |
| 80 | muurola-4,10(14)-dien-1-β-ol | 1630.0 | 0.61 | 0.21 | - | - | - | - | - |
| 81 | caryophylla-4(12),8(13)-dien-5-β-ol | 1639.0 | 0.51 | - | - | - | - | - | - |
| 82 | τ-muurolol | 1640.6 | 3.62 | - | - | - | - | - | - |
| 83 | α-muurolol | 1645.7 | 0.19 | - | - | - | - | - | - |
| 84 | α-selin-11-en-4-ol | 1658.1 | 1.65 | - | - | - | - | - | - |
| 85 | (E)-calamenen-10-ol | 1668.2 | 1.45 | - | - | - | - | - | - |
| 86 | valeranone | 1674.4 | 2.15 | 1.06 | - | - | - | - | - |
| 87 | cadelene | 1675.0 | 1.51 | - | - | - | - | - | - |
| 88 | α-germacra-4(15),5,10(14)-trien-1-ol | 1685.3 | 1.21 | - | - | - | - | - | - |
| 89 | α-bisabolol | 1685.7 | 0.32 | 0.27 | - | - | - | - | - |
| 90 | acorenone | 1692.0 | 0.26 | - | - | - | - | - | - |
| 91 | 2-(E)-tridecanol acetate | 1703.0 | 2.50 | 0.65 | 0.19 | - | - | - | - |
| 92 | (E)-coniferyl alcohol | 1735.6 | - | - | - | - | - | 11.81 | 18.69 |
| 93 | benzyl benzoate | 1761.8 | 0.02 | - | - | - | - | - | - |
| 94 | β-bisabolenal | 1768.9 | 0.22 | - | - | - | - | - | - |
| 95 | β-bisabolenol | 1786.1 | 1.40 | 0.53 | - | - | - | - | - |
| 96 | (2Z,6E)-farnesyl acetate | 1821.0 | - | 0.44 | - | - | - | - | - |
| 97 | cyclopentadecanolide | 1826.6 | - | - | - | 4.01 | 0.34 | 15.35 | - |
| 98 | (Z)-lanceol acetate | 1858.0 | - | 0.66 | - | - | - | - | - |
| 99 | hexadecanol | 1878.8 | - | - | - | - | - | 0.63 | 0.42 |
| 100 | (5E,9E)-farnesyl acetone | 1907.9 | 0.45 | - | 0.12 | - | - | - | - |
| 101 | methyl hexadecanoate | 1922.0 | - | - | 0.27 | - | - | - | - |
| 102 | ent-rosa-5,15-diene | 1933.9 | 0.15 | - | - | - | - | - | - |
| 103 | pimaradiene | 1948.8 | 0.05 | 1.52 | 2.84 | - | - | - | - |
| 104 | hexadecanoic acid | 1966.6 | 12.92 | 18.59 | 43.22 | 46.57 | 8.53 | 29.89 | 0.38 |
| 105 | ethyl hexadecanoate | 1992.0 | 0.20 | 11.82 | - | 4.13 | 1.23 | 7.64 | - |
| 106 | kaur-15-ene | 1997.0 | 1.88 | 0.55 | - | - | - | - | - |
| 107 | 13-epi-manool oxide | 2009.9 | 0.62 | - | - | - | - | - | - |
| 108 | manool | 2041.7 | 0.54 | - | - | - | - | - | - |
| 109 | 13-epi-manool | 2059.0 | 0.53 | - | - | - | - | - | - |
| 110 | octadecanol | 2077.0 | 0.21 | 6.20 | 1.84 | t | t | - | - |
| 111 | methyl linoleate | 2095.0 | 0.01 | 1.34 | 0.11 | - | - | - | - |
| 112 | methyl oleate | 2104.0 | - | - | 0.18 | t | - | - | - |
| 113 | linoleic acid | 2132.0 | 0.12 | 0.71 | 24.80 | - | t | - | - |
| 114 | oleic acid | 2141.0 | - | 0.80 | - | - | - | - | - |
| 115 | phytol acetate | 2170.6 | - | - | 0.46 | - | - | - | - |
| 116 | ugandensodial | 2190.0 | - | - | - | 1.36 | - | - | - |
| 117 | 7α-hydroxy manool | 2237.0 | 0.41 | 0.61 | - | - | - | - | - |
| 118 | 3β-sandaracopimardienol | 2269.0 | 0.20 | - | - | t | t | - | - |
| 119 | sandaracopimarinol | 2269.0 | 0.37 | 1.26 | 1.26 | - | - | - | - |
| 120 | tricosane | 2300.0 | 0.38 | 0.40 | - | - | t | - | - |
| 121 | isopimarol | 2310.4 | 0.22 | 1.49 | - | - | - | - | - |
| 122 | (E) -ferruginol acetate | 2357.0 | - | 11.73 | 11.22 | 8.25 | 65.47 | - | - |
| 123 | methyl strictate | 2387.0 | - | 1.70 | - | - | - | - | - |
| 124 | 9-octadecen-1-ol | 2396.4 | - | 1.05 | - | - | - | - | - |
| 125 | (Z) -ferruginol acetate | 2406.0 | - | - | - | 4.26 | 1.04 | - | - |
| 126 | pentacosane | 2486.0 | 0.41 | 1.23 | - | - | - | - | - |
| 127 | dihydroxysandaracopimar-8(14),15-diene b | 2506.0 | - | 14.89 | 11.49 | 10.79 | 6.25 | - | - |
| 128 | hexacosane | 2600 | - | t | - | - | - | - | - |
| 129 | heptacosane | 2700.0 | 1.28 | t | t | - | - | - | - |
| 130 | octacosane | 2800.0 | - | t | t | - | - | - | - |
| 131 | nonacosane | 2900.0 | - | t | - | - | - | - | - |
| 132 | triacontane | 3000.0 | 0.08 | - | - | - | - | - | - |
| 133 | dotriacontane | 3200.0 | 0.01 | - | - | - | - | - | - |
| Total | 89.12 | 87.69 | 98.12 | 99.98 | 90.30 | 96.09 | 79.74 | ||
| Monoterpene hydrocarbons | 1.83 | 1.57 | - | - | - | - | - | ||
| Oxygenated monoterpenes | 30.01 | - | - | 3.56 | 0.48 | 14.26 | 25.15 | ||
| Sesquiterpene hydrocarbons | 8.63 | 3.97 | 0.05 | - | - | - | - | ||
| Oxygenated sesquiterpenes | 25.54 | 5.61 | 0.19 | - | - | - | - | ||
| Diterpenes | 4.97 | 33.75 | 26.81 | 23.30 | 72.76 | - | - | ||
| Fatty acids&esters&aldehydes&alcohols | 15.96 | 41.16 | 71.07 | 67.75 | 16.72 | 66.48 | 54.59 | ||
| Hydrocarbones | 2.16 | 1.63 | t | - | t | - | - | ||
| Others | 0.02 | - | - | 5..37 | 0.34 | 15.35 | - | ||
| Strain | MIC VALUES µg/mL | |||||||
|---|---|---|---|---|---|---|---|---|
| EO | EO-CO2 | AO-CO2 | A | B | C | D | Gentamicin | |
| Gram-positive bacteria | ||||||||
| Streptococcus pyogenes 1, tonsils swab | 1280 | 640 | 640 | 1280 | 640 | 1280 | 1280 | ≤4 |
| Streptococcus pyogenes 2, tonsils swab | 1280 | 640 | 640 | 1280 | 1280 | 1280 | 2560 | ≤4 |
| Streptococcus canis, tonsils swab dog | 2560 | 2560 | 2560 | 2560 | 2560 | 2560 | >2560 | ≤4 |
| Moraxella catarrhalis, tonsils swab | 1280 | 2560 | 2560 | 1280 | 1280 | 1280 | 2560 | ≤4 |
| Staphylococcus aureus, ATCC 25923 | >2560 | >2560 | >2560 | 1280 | 1280 | 1280 | 1280 | ≤4 |
| Staphylococcus aureus, CI, tonsils swab | >2560 | 2560 | 2560 | 1280 | 1280 | 640 | 1280 | ≤4 |
| MRSA ATCC 43300 | >2560 | 2560 | 2560 | 1280 | 1280 | 640 | 640 | ≤4 |
| Corynebacterium pseudotuberculosis, tonsils swab | 640 | 320 | 320 | 160 | 320 | 80 | 80 | ≤4 |
| Enterococcus faecalis, tonsils swab | 2560 | 2560 | 2560 | >2560 | >2560 | >2560 | 1280 | ≤4 |
| Gram-negative bacteria | ||||||||
| Escherichia coli, ATCC 25922 | 2560 | >2560 | >2560 | 2560 | >2560 | >2560 | 2560 | ≤4 |
| Escherichia coli, CI, skin swab | >2560 | >2560 | >2560 | 2560 | >2560 | >2560 | 2560 | ≤4 |
| Pseudomonas aeruginosa, tonsils swab | 2560 | 2560 | 2560 | 2560 | >2560 | >2560 | 2560 | ≤4 |
| Klebsiella pneumoniae, tonsils swab | >2560 | >2560 | >2560 | 2560 | >2560 | >2560 | 2560 | ≤4 |
| Pasteurella multocida tonsils swab, dog | 1280 | 1280 | 1280 | 640 | 640 | 320 | 320 | ≤4 |
| Haemophilus sp., nose swab | 640 | 640 | 640 | 320 | 320 | 40 | 80 | ≤4 |
| Yeast | ||||||||
| Candida albicans, tonsils swab | 2560 | 2560 | 2560 | 2560 | >2560 | >2560 | 2560 | - |
| Investigated samples | Yield of extraction (%) |
|---|---|
| EO | 0.03 |
| EO-CO2 | 1.04 |
| AO-CO2 | 0.63 |
| A | 16.70 |
| B | 0.50 |
| C | 0.20 |
| D | 0.70 |
© 2012 by the author. This article is an open access article distributed under the terms and conditions of the Creative Commons Attribution license (http://creativecommons.org/licenses/by/3.0/).
Share and Cite
Tadić, V.; Bojović, D.; Arsić, I.; Đorđević, S.; Aksentijevic, K.; Stamenić, M.; Janković, S. Chemical and Antimicrobial Evaluation of Supercritical and Conventional Sideritis scardica Griseb., Lamiaceae Extracts. Molecules 2012, 17, 2683-2703. https://doi.org/10.3390/molecules17032683
Tadić V, Bojović D, Arsić I, Đorđević S, Aksentijevic K, Stamenić M, Janković S. Chemical and Antimicrobial Evaluation of Supercritical and Conventional Sideritis scardica Griseb., Lamiaceae Extracts. Molecules. 2012; 17(3):2683-2703. https://doi.org/10.3390/molecules17032683
Chicago/Turabian StyleTadić, Vanja, Dragica Bojović, Ivana Arsić, Sofija Đorđević, Ksenija Aksentijevic, Marko Stamenić, and Slobodan Janković. 2012. "Chemical and Antimicrobial Evaluation of Supercritical and Conventional Sideritis scardica Griseb., Lamiaceae Extracts" Molecules 17, no. 3: 2683-2703. https://doi.org/10.3390/molecules17032683
APA StyleTadić, V., Bojović, D., Arsić, I., Đorđević, S., Aksentijevic, K., Stamenić, M., & Janković, S. (2012). Chemical and Antimicrobial Evaluation of Supercritical and Conventional Sideritis scardica Griseb., Lamiaceae Extracts. Molecules, 17(3), 2683-2703. https://doi.org/10.3390/molecules17032683
