A Comparative Study of Physical and Chemical Processes for Removal of Biomass in Biofilters
Abstract
1. Introduction
2. Results and Discussion
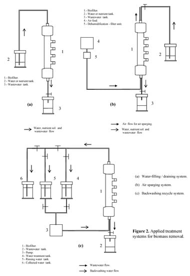
2.1. Water-Filling/Draining, Air Sparging and Backwashing Control Treatments with Distilled Water
2.2. NaOH Backwashing and Batch Assays
2.3. Air Sparging with NaOH Solutions
2.4. Backwashings and Batch Assays with NaOCl
2.5. Air Sparging with NaOCl Solutions
2.6. Backwashing Strategy Applying a Cationic Detergent: Hexadecyltrimethylammonium Bromide (HTAB)
2.7. Backwashing Strategy and Batch Assays at High Temperatures
2.8. Air Sparging at High Temperatures
2.9. Manual Stirring for Removal of Biomass
2.10. Biofilter Water Content, Total and Dry Weight
2.11. Effect of High-Pressure Drop when Applying a Treatment for Biomass Removal
3. Experimental
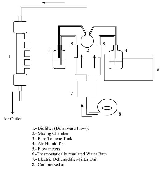
3.1. Biofilter Apparatus
3.2. Organisms and Culture Media
3.3. Experimental Set-Up
3.4. Batch Experiments
3.5. Analytical Methods
4. Conclusions
References and Notes
- Ciccioli, P. VOCs and Air Pollution. In Chemistry and Analysis of Volatile Organic Compounds in the Environment, 1st ed.; Bloemen, H.J.T., Burn, J., Eds.; Blackie Academic & Professional: London, UK, 1993; pp. 92–174. [Google Scholar]
- Oosting, R.; Urlings, L.G.C.M.; van Riel, P.H.; van Driel, C. Biopur: Alternative Packaging for Biological Systems. In Biotechniques for Air Pollution Abatement and Odour Control Policies; Dragt, A.J., van Ham, J., Eds.; Elsevier Science Publishers B.V.: Amsterdam, The Netherlands, 1992; pp. 63–70. [Google Scholar]
- Veiga, M.C.; Fraga, M.; Amor, L.; Kennes, C. Biofilter Performance and Characterization of a Biocatalyst Degrading Alkylbenzene Gases. Biodegradation 1999, 10, 169–176. [Google Scholar] [CrossRef] [PubMed]
- Deshusses, M.A.; Cox, H.H.J. A Cost Benefit Approach to Reactor Sizing and Nutrient Supply for Biotrickling Filters for Air Pollution Control. Environ. Progr. 1999, 18, 188–196. [Google Scholar] [CrossRef]
- Gerrard, A.M. Economic Design of Biofilter System. J. Chem. Tech. Biotechnol. 1997, 68, 77–380. [Google Scholar] [CrossRef]
- Veiga, M.C.; Fraga, M.; Amor, L.; Kennes, C. Tecnologías Actuales para el Tratamiento de Aire contaminado con Compuestos Orgánicos Volátiles: La Biofiltración. Medio ambiente. Retema 1996, 65, 65–70. [Google Scholar]
- Kennes, C.; Thalasso, F. Waste Gas Biotreatment Technology. J. Chem. Tech. Biotechnol. 1998, 72, 303–319. [Google Scholar] [CrossRef]
- Le Bihan, Y.; Lessard, P. Monitoring Biofilter Clogging: Biochemical Characteristics of the Biomass. Wat. Res. 2000, 34, 4284–4294. [Google Scholar] [CrossRef]
- Andrews, G.; Apel, W. Bioreactors, Gas Treatment. In The Wiley Encyclopedia of Environmental Pollution and Cleanup, 1st ed.; Meyers, R.A., Ed.; John Wiley & Sons, Inc.: New York, NY, USA, 1999; Volume 1, pp. 381–394. [Google Scholar]
- Alonso, C.; Suidan, M.T.; Sorial, G.A.; Lee Smith, F.; Biswas, P.; Smith, P.J.; Brenner, R.C. Gas Treatment in Trickle-Bed Biofilters: Biomass, How Much Is Enough? Biotechnol. Bioeng. 1997, 54, 583–594. [Google Scholar] [CrossRef]
- Cox, H.H.J.; Deshusses, M.A. Biomass control in Waste Air Biotrickling Filters by Protozoan Predation. Biotechnol. Bioeng. 1999, 62, 216–224. [Google Scholar] [CrossRef]
- Cox, H.H.J.; Deshusses, M.A. Chemical Removal of Biomass from Waste Air Biotrickling Filters: Screening of Chemicals of Potential Interest. Wat. Res. 1999, 33, 2383–2391. [Google Scholar] [CrossRef]
- Smith, F.L.; Sorial, G.A.; Suidan, M.T.; Breen, A.W.; Biswas, P. Development of Two Biomass Control Strategies for Extends, Stable Operation of Highly Efficient Biofilters with High Toluene Loadings. Environ. Sci. Technol. 1996, 30, 1744–1751. [Google Scholar] [CrossRef]
- Kennes, C.; Veiga, M.C. Inert filter media for the biofiltration of waste gases —characteristics and biomass control. Rev. Environ. Sci. Biotechnol. 2002, 1, 201–214. [Google Scholar] [CrossRef]
- Yang, C.P.; Chen, H.; Zeng, G.M.; Yu, G.L.; Luo, S.L. Biomass accumulation and control strategies in gas biofilters. Biotechnol. Adv. 2010, 28, 531–540. [Google Scholar]
- Weber, F.J.; Hartmans, S. Prevention of Clogging in a Biological Trickle-Bed Reactor Removing Toluene from Contaminated Air. Biotechnol. Bioeng. 1996, 50, 131–141. [Google Scholar] [CrossRef]
- Korstgens, V.; Flemming, H.C.; Wingender, J.; Borchard, W. Influence of Calcium Ions on the Mechanical Properties of a Model Biofilm of Mucoid Pseudomonas aeruginosa. Wat. Sci. Tech. 2001, 43, 49–57. [Google Scholar] [CrossRef]
- Chen, X.; Stewart, Ph.S. Biofilm Removal Caused by Chemical Treatments. Wat. Res. 2000, 34, 4229–4233. [Google Scholar] [CrossRef]
- Mirpuri, R.; Jones, W.; Bryers, J.D. Toluene Degradation Kinetics for Planktonic and Biofilm-Grown Cells of Pseudomonas putida 54G. Biotechnol. Bioeng. 1997, 53, 535–546. [Google Scholar] [CrossRef]
- Laurenzis, A.; Heits, H.; Wubker, S.M.; Heinze, U.; Friedrich, C.; Werner, U. Continuous Biological Waste Gas Treatment in Stirred Trickle-Bed Reactor with Discontinuous Removal of Biomass. Biotechnol. Bioeng. 1998, 57, 497–503. [Google Scholar] [CrossRef]
- Wübker, S.M.; Laurenzis, A.; Werner, U.; Friedrich, C. Controlled Biomass Formation and Kinetics of Toluene Degradation in a Bioscrubber and in a Reactor with a Periodically Moved Trickle-Bed. Biotechnol. Bioeng. 1997, 55, 686–692. [Google Scholar] [CrossRef]
- Pedersen, A.R.; Møller, S.; Mølin, S.; Arvin, E. Activity of Toluene-Degrading Pseudomonas putida in the Early Growth Phase of a Biofilm for Waste Gas Treatment. Biotechnol. Bioeng. 1997, 54, 131–141. [Google Scholar] [CrossRef]
- Sorial, G.A.; Smith, F.L.; Suidan, M.T.; Pandit, A.; Biswas, P.; Brenner, R.C. Evaluation of Trickle-Bed Air Biofilter Performance for Styrene Removal. Wat. Res. 1998, 32, 1593–1603. [Google Scholar] [CrossRef]
- Kennes, C.; Cox, H.H.J.; Doddema, H.J.; Harder, W. Design and Performance of biofilters for the Removal of Alkylbenzene Vapors. J. Chem. Tech. Biotechnol. 1996, 66, 300–304. [Google Scholar] [CrossRef]
- Fortin, N.Y.; Deshusses, M.A. Treatment of Methyl tert-Butyl Ether Vapors in Biotrickling Filters. 1. Reactor Startup, Steady-State Performance, and Culture Characteristics. Environ. Sci. Technol. 1999, 33, 2980–2986. [Google Scholar] [CrossRef]
- Kennes, C.; Veiga, M.C. Tratamiento con Biorreactores de Gases Contaminantes. Ingeniería Química. 1996, 325, 175–179. [Google Scholar]
- Rihn, M.J.; Zhu, X.; Suidan, M.T.; Kim, B.J.; Kim, B.R. The Effect of Nitrate on VOC Removal in Trickle-Bed Biofilters. Wat. Res. 1997, 31, 2997–3008. [Google Scholar] [CrossRef]
- Veiga, M.C.; Kennes, C. Parameters Affecting Performance and Modeling of Biofilters Treating Alkylbenzene-Polluted Air. Appl. Microbiol. Biotechnol. 2001, 55, 254–258. [Google Scholar] [CrossRef] [PubMed][Green Version]
- APHAStandard Methods for the Examination of Water and Wastewater, 17th ed.; American Public Health Association: Washington, DC, USA, 1989.
- Cherry, R.S.; Thompson, D.N. Shift from Growth to Nutrient-Limited Maintenance Kinetics during Biofilter Acclimation. Biotechnol. Bioeng. 1997, 56, 330–339. [Google Scholar] [CrossRef]
- Deshusses, M.A.; Hamer, G.; Dunn, I.J. Behavior of Biofilters for Waste Air Treatment. 1. Dynamic Model Development. Environ. Sci. Technol. 1995, 29, 1048–1058. [Google Scholar] [CrossRef] [PubMed]
- Ottengraf, S.P.P. Exhaust Gas Purification. In Biotechnology; Rehm, H.J., Reed, G., Eds.; VCH: Weinheim, Germany, 1986; pp. 426–452. [Google Scholar]
- Shareefdeen, Z.; Baltzis, B.C.; Oh, Y.S.; Bartha, R. Biofiltration of Methanol Vapor. Biotechnol. Bioeng. 1993, 41, 512–524. [Google Scholar] [CrossRef] [PubMed]
- Diks, R.M.M.; Ottengraf, S.P.P.; Vrijland, S. The Existence of a Biological Equilibrium in a Trickling Filter for Waste Gas Purification. Biotechnol. Bioeng. 1994, 44, 1279–1287. [Google Scholar] [CrossRef] [PubMed]
Samples Availability: Available from the authors. |


















© 2011 by the authors; licensee MDPI, Basel, Switzerland. This article is an open access article distributed under the terms and conditions of the Creative Commons Attribution license (http://creativecommons.org/licenses/by/3.0/).
Share and Cite
Flores-Valle, S.O.; Ríos-Bernÿ, O.; Chanona-Pérez, J.; Fregoso-Aguilar, T.; Morales-González, J.A.; Prado-Rubianes, O.J.; Herrera-Bucio, R.; López-Albarán, P.; Morales-González, Á.; Garibay-Febles, V.; et al. A Comparative Study of Physical and Chemical Processes for Removal of Biomass in Biofilters. Molecules 2011, 16, 6927-6949. https://doi.org/10.3390/molecules16086927
Flores-Valle SO, Ríos-Bernÿ O, Chanona-Pérez J, Fregoso-Aguilar T, Morales-González JA, Prado-Rubianes OJ, Herrera-Bucio R, López-Albarán P, Morales-González Á, Garibay-Febles V, et al. A Comparative Study of Physical and Chemical Processes for Removal of Biomass in Biofilters. Molecules. 2011; 16(8):6927-6949. https://doi.org/10.3390/molecules16086927
Chicago/Turabian StyleFlores-Valle, Sergio Odín, Omar Ríos-Bernÿ, Jorge Chanona-Pérez, Tomas Fregoso-Aguilar, José A. Morales-González, Oscar Jesús Prado-Rubianes, Rafael Herrera-Bucio, Pablo López-Albarán, Ángel Morales-González, Vicente Garibay-Febles, and et al. 2011. "A Comparative Study of Physical and Chemical Processes for Removal of Biomass in Biofilters" Molecules 16, no. 8: 6927-6949. https://doi.org/10.3390/molecules16086927
APA StyleFlores-Valle, S. O., Ríos-Bernÿ, O., Chanona-Pérez, J., Fregoso-Aguilar, T., Morales-González, J. A., Prado-Rubianes, O. J., Herrera-Bucio, R., López-Albarán, P., Morales-González, Á., Garibay-Febles, V., Domínguez, E. G., Kennes, C., Veiga-Barbazán, M. C., & Mendoza-Pérez, J. A. (2011). A Comparative Study of Physical and Chemical Processes for Removal of Biomass in Biofilters. Molecules, 16(8), 6927-6949. https://doi.org/10.3390/molecules16086927

