Secure Polar Coding for the Primitive Relay Wiretap Channel
Abstract
1. Introduction
1.1. Related Work and Contributions
1.2. Structure
2. Polar Codes and the Relay Channel
2.1. Some Fundamentals on Polar Coding
2.2. Bounds and Nested Structure
2.3. Smart Relaying
3. System Model and Requirements
3.1. The Relay Wiretap Channel
- In the first stage, the Source encodes a message into a code word and broadcasts it to the destination and relay.
- In the second stage, the Relay first decodes the and obtains , then re-encodes it and transmits to the destination.
- The Destination combines the two observations to produce an estimate of the original message.
- The Eavesdropper observes during both transmissions.
3.2. Coding Requirements
3.3. Architecture
4. Polar Coding for Secrecy
4.1. Weak Secrecy
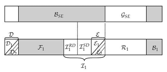
- Processing at the relay: The relay using SC and the knowledge of frozen bits decodes the message transmitted by the source, then extracts and encodes the information bits with indices in and forwards them to the destination using a capacity-achieving polar code for and partition (17). To protect this transmission, we again fill with random bits the indices in , the information bits are in the set and the bits in are frozen and known (Figure 5).
- Decoding at the destination: Having received and recovered the missing bits from the relay, the destination uses these bits in addition to the first observation and employs the SC algorithm to recover the source’s message.
4.1.1. Reliability Analysis
4.1.2. Secrecy Analysis
4.2. Strong Secrecy
4.2.1. Asymmetric Channel Coding
4.2.2. Encoding Scheme
- Source encoding: For block , set carries the message bits; set is filled with uniformly distributed random bits; the first bits of the set are chained with the bits of , i.e., ; the bits in are fixed, known, and can be reused over blocks; and the bits of are sampled from . Moreover, since the source–destination link is weaker, the bits in need to be delivered to the destination by the relay during the second-hop transmission. That is, the message bits of are loaded in and . Finally, as described in Section 4.2.1, let be the vector storing the not completely polarized bit-channels , which is shared secretly between the legitimate users with some reliable error-correcting code. Figure 7 shows the coding scheme, the lines on and imply the first chain construction.
- Processing at the relay: The relay decodes message block j, knowing , the seed , and the bits of , then extracts the bits in and forwards them to the destination by using a polar code for the channel using partition (49). Specifically, for block message bits are loaded in the set ; random bits in the set ; the bits in the set are chained with those of , i.e., , as shown in Figure 8; and the bits of are sampled from . Furthermore, let be the vector storing the not completely polarized bit-channels , which is shared secretly with the destination using some reliable error-correcting code. The frozen set for this transmission is , which is known to the destination.
- Destination decoding: At the destination, the process starts by decoding the first block message of the relay transmission, knowing and and the bits of . Then, it uses those bits and the knowledge of , , and to decode the corresponding message block received from the source transmission at the first stage by employing the SC algorithm.
4.2.3. Total Variation Distance and Reliability Analysis
4.2.4. Secrecy Analysis
5. Conclusions
Author Contributions
Funding
Institutional Review Board Statement
Informed Consent Statement
Conflicts of Interest
References
- Wyner, A.D. The wire-tap channel. Bell Syst. Tech. J. 1975, 54, 1355–1387. [Google Scholar] [CrossRef]
- Van der Meulen, E.C. Three-terminal communication channels. Adv. Appl. Probab. 1971, 3, 120–154. [Google Scholar] [CrossRef]
- Cover, T.; Gamal, A.A.E. Capacity theorems for the relay channel. IEEE Trans. Inf. Theory 1979, 25, 572–584. [Google Scholar] [CrossRef]
- Lai, L.; Gamal, H.E. The Relay-Eavesdropper Channel: Cooperation for Secrecy. IEEE Trans. Inf. Theory 2008, 54, 4005–4019. [Google Scholar] [CrossRef]
- Yuksel, M.; Erkip, E. The relay channel with a wire-tapper. In Proceedings of the 2007 41st Annual Conference on Information Sciences and Systems, Baltimore, MD, USA, 14–16 March 2007; pp. 13–18. [Google Scholar]
- Kim, Y.H. Coding techniques for primitive relay channels. In Proceedings of the 2007 Allerton Conference on Communication, Control, Computing, Monticello, IL, USA, 26–28 September 2007; pp. 129–135. [Google Scholar]
- Aggarwal, V.; Sankar, L.; Calderbank, A.R.; Poor, H.V. Secrecy capacity of a class of orthogonal relay eavesdropper channels. In Proceedings of the 2009 Information Theory and Applications Workshop, San Diego, CA, USA, 8–14 February 2009; pp. 295–300. [Google Scholar]
- Arikan, E. Channel Polarization: A method for constructing capacity-achieving codes for symmetric binary-input memoryless channels. IEEE Trans. Inf. Theory 2009, 55, 3051–3073. [Google Scholar] [CrossRef]
- Mahdavifar, H.; Vardy, A. Achieving the secrecy capacity of wiretap channels using polar codes. IEEE Trans. Inf. Theory 2011, 57, 6428–6443. [Google Scholar] [CrossRef]
- Sasoglou, E.; Vardy, A. A New Polar Coding Scheme for Strong Security on Wiretap Channels. In Proceedings of the 2013 IEEE International Symposium on Information Theory, Istanbul, Turkey, 7–12 July 2013; pp. 1117–1121. [Google Scholar]
- Gulcu, T.; Barg, A. Achieving secrecy capacity of the wiretap channel and broadcast channel with a confidential component. IEEE Trans. Inf. Theory 2017, 63, 1311–1324. [Google Scholar] [CrossRef]
- Wei, Y.P.; Ulukus, S. Polar Coding for the General Wiretap Channel With Extensions to Multiuser Scenarios. IEEE J. Sel. Areas Commun. 2016, 34, 278–291. [Google Scholar]
- Chou, R.A.; Bloch, M. Polar Coding for the Broadcast Channel With Confidential Messages: A Random Binning Analogy. IEEE Trans. Inf. Theory 2016, 62, 2410–2429. [Google Scholar] [CrossRef]
- Blasco-Serrano, R.; Thobanen, R.; Andersson, M.; Rathi, V.; Skoglund, M. Polar codes for cooperative relaying. IEEE Trans. Commun. 2012, 60, 3263–3273. [Google Scholar] [CrossRef]
- Karas, D.S.; Pappi, K.N.; Karagiannidis, G. Smart Decode-and-Forward Relaying with Polar Codes. IEEE Wirel. Commun. Lett. 2014, 3, 62–65. [Google Scholar] [CrossRef]
- Wang, L. Polar Coding for the Relay Channels. In Proceedings of the 2015 IEEE International Symposium on Information Theory, Hong Kong, China, 14–19 June 2015; pp. 1532–1536. [Google Scholar]
- Andersson, M.; Rathi, V.; Thobaben, R.; Kliewer, J.; Skoglund, M. Nested polar codes for wiretap and relay channels. IEEE Wirel. Commun. Lett. 2010, 14, 752–754. [Google Scholar] [CrossRef]
- Mondelli, M.; Hassani, S.H.; Urbanke, R. A new Coding Paradigm for the Primitive Relay Channel. In Proceedings of the 2018 IEEE International Symposium on Information Theory, Vail, CO, USA, 17–22 June 2018; pp. 351–355. [Google Scholar]
- Duo, B.; Wang, P.; Li, Y.; Vucetic, B. Secure Transmission for Relay-Eavesdropper Channels Using Polar Coding. In Proceedings of the 2014 IEEE International Conference on Communications (ICC), Sydney, NSW, Australia, 10–14 June 2014; pp. 2197–2202. [Google Scholar]
- Athanasakos, M.; Karagiannidis, G. Strong Secrecy for Relay Wiretap Channels with Polar Codes and Double-Chaining. In Proceedings of the 2020 IEEE Global Communications Conference—GLOBECOM, Taipei, Taiwan, 7–11 December 2020. [Google Scholar]
- Hassani, S.H.; Urbanke, R. Universal polar codes. In Proceedings of the IEEE International Symposium on Information Theory, Honolulu, HI, USA, 29 June–4 July 2014; pp. 1451–1455. [Google Scholar]
- Honda, J.; Yamamoto, H. Polar coding without alphabet extension for assymetric models. IEEE Trans. Inf. Theory 2013, 59, 7829–7838. [Google Scholar] [CrossRef]
- Chou, R.; Bloch, M. Using deterministic decisions for low-entropy bits in the encoding and decoding of polar codes. In Proceedings of the Annual Allerton Conference on Communication Control and Computing, Monticello, IL, USA, 29 September–2 October 2015. [Google Scholar]
- Del Olmo Alòs, J.; Fonollosa, J.R. Polar Coding for Confidential Broadcasting. Entropy 2020, 22, 149. [Google Scholar] [CrossRef] [PubMed]
- Arikan, E.; Telatar, E. On the rate of Channel Polarization. In Proceedings of the 2009 IEEE International Symposium on Information Theory, Seoul, Korea, 28 June–3 July 2009; pp. 1493–1495. [Google Scholar]
- Korada, S.B.; Urbanke, R.L. Polar codes are optimal for lossy source coding. IEEE Trans. Inf. Theory 2010, 56, 1751–1768. [Google Scholar] [CrossRef]
- Korada, S.B. Polar Codes for Channel and Source Coding. Ph.D. Thesis, École Polytechnique Fédérale de Lausanne, Lausanne, Switzerland, 2009. [Google Scholar]
- Mauerer, U.M.; Wolf, S. Information-theoretic key agreement: From weak to strong secrecy for free. In Advances in Cryptology—Eurocrypt 2000; Lecture Notes in Computer Science; Springer: Berlin/Heidelberg, Germany, 2000; pp. 351–368. [Google Scholar]
- Arikan, E. Source polarization. In Proceedings of the IEEE International Symposium on Information Theory, Austin, TX, USA, 13–18 June 2010; pp. 899–903. [Google Scholar]
- Gad, E.E.; Li, Y.; Kliewer, J.; Langberg, M.; Jiang, A.A.; Bruck, J. Asymmetric error correction and flash-memory rewriting using polar codes. IEEE Trans. Inf. Theory 2016, 62, 4024–4038. [Google Scholar] [CrossRef]
- Cuff, P.W. Communication in Networks for Coordinating Behavior. Ph.D. Thesis, Stanford University, Stanford, CA, USA, 2009. [Google Scholar]
- Cover, T.; Thomas, J.A. Elements of Information Theory, 2nd ed.; Wiley: Hoboken, NJ, USA, 2006. [Google Scholar]
- Wu, F.; Xing, C.; Zhao, S.; Gao, F. Encrypted polar codes for wiretap channel. In Proceedings of the 2012 2nd International Conference on Computer Science and Network Technology, Changchun, China, 29–31 December 2012; Volume 1, pp. 579–583. [Google Scholar]
- Zhao, Y.; Zou, X.; Lu, Z.; Liu, Z. Chaotic Encrypted Polar Coding Scheme for General Wiretap Channel. IEEE Trans. Very Large Scale Integr. VLSI Syst. 2017, 25, 3331–3340. [Google Scholar] [CrossRef]








Publisher’s Note: MDPI stays neutral with regard to jurisdictional claims in published maps and institutional affiliations. |
© 2021 by the authors. Licensee MDPI, Basel, Switzerland. This article is an open access article distributed under the terms and conditions of the Creative Commons Attribution (CC BY) license (https://creativecommons.org/licenses/by/4.0/).
Share and Cite
Athanasakos, M.; Karagiannidis, G. Secure Polar Coding for the Primitive Relay Wiretap Channel. Entropy 2021, 23, 442. https://doi.org/10.3390/e23040442
Athanasakos M, Karagiannidis G. Secure Polar Coding for the Primitive Relay Wiretap Channel. Entropy. 2021; 23(4):442. https://doi.org/10.3390/e23040442
Chicago/Turabian StyleAthanasakos, Manos, and George Karagiannidis. 2021. "Secure Polar Coding for the Primitive Relay Wiretap Channel" Entropy 23, no. 4: 442. https://doi.org/10.3390/e23040442
APA StyleAthanasakos, M., & Karagiannidis, G. (2021). Secure Polar Coding for the Primitive Relay Wiretap Channel. Entropy, 23(4), 442. https://doi.org/10.3390/e23040442

