Sign in to use this feature.

Years

Between: -

Subjects

remove_circle_outline
remove_circle_outline
remove_circle_outline
remove_circle_outline
remove_circle_outline
remove_circle_outline
remove_circle_outline
remove_circle_outline
remove_circle_outline

Journals

remove_circle_outline
remove_circle_outline
remove_circle_outline
remove_circle_outline
remove_circle_outline
remove_circle_outline
remove_circle_outline
remove_circle_outline
remove_circle_outline
remove_circle_outline
remove_circle_outline
remove_circle_outline
remove_circle_outline
remove_circle_outline
remove_circle_outline
remove_circle_outline
remove_circle_outline
remove_circle_outline
remove_circle_outline
remove_circle_outline
remove_circle_outline

Article Types

Countries / Regions

remove_circle_outline
remove_circle_outline
remove_circle_outline
remove_circle_outline
remove_circle_outline
remove_circle_outline

Search Results (5,445)

Search Parameters:
Keywords = microstructural formation

Order results
Result details
Results per page
Select all
Export citation of selected articles as:
20 pages, 19535 KB  
Article
The Effect of Structural States on the Microstructure and Mechanical Properties of Low-Activation Austenitic Steel After Long-Term Thermal Exposure at 700 °C
by Igor Litovchenko, Sergey Akkuzin, Nadezhda Polekhina, Valeria Osipova, Anna Kim, Kseniya Spiridonova and Vyacheslav Chernov
J. Manuf. Mater. Process. 2026, 10(4), 126; https://doi.org/10.3390/jmmp10040126 - 8 Apr 2026
Abstract
The microstructure of a high-manganese low-activation austenitic steel after aging for 500 and 1000 h at 700 °C was investigated using transmission and scanning electron microscopy. Two structural states were examined: cold rolling (CR) and high-temperature thermomechanical treatment (HTMT). After CR, aging leads [...] Read more.
The microstructure of a high-manganese low-activation austenitic steel after aging for 500 and 1000 h at 700 °C was investigated using transmission and scanning electron microscopy. Two structural states were examined: cold rolling (CR) and high-temperature thermomechanical treatment (HTMT). After CR, aging leads to the precipitation of dispersed M23C6 carbides (M = Cr, W), primarily along grain and deformation twin boundaries. After HTMT, these particles are mainly localized at grain and low-angle boundaries. With increasing aging time, both the size and volume fraction of the particles increase. In both states, the microtwin and substructure are partially retained after aging. Local regions corresponding to the early stages of recrystallization were identified after both treatments. These regions were associated with intense decomposition of the supersaturated solid solution and the coarsening of carbide particles. The mechanical properties were evaluated by tensile testing at 20, 650, and 700 °C. Aging reduced average ductility after both treatments and at all test temperatures, with this trend persisting with increasing aging time. After CR and aging, a significant scatter in elongation to failure was observed, with minimum values of ≈2–3%. This behavior is attributed to the high density of plate-like M23C6 carbides at grain and microtwin boundaries. Microcrack formation and intercrystalline fracture features were observed, directly linked to the high density of boundary carbides. These effects were less pronounced in the HTMT condition after aging. In this paper, strategies for suppressing carbide precipitation in high-manganese low-activation austenitic steels via chemical composition and thermomechanical processing optimization are discussed. Full article
(This article belongs to the Special Issue Deformation and Mechanical Behavior of Metals and Alloys)
Show Figures

Figure 1

14 pages, 2912 KB  
Article
Effect of Aluminum Carbide (Al4C3) on the Mechanical Properties of Aluminum Matrix Composites Reinforced with Graphene Nanoplatelets
by Yana Mourdjeva, Kateryna Valuiska, Daniela Karashanova and Rumyana Lazarova
Metals 2026, 16(4), 408; https://doi.org/10.3390/met16040408 - 8 Apr 2026
Abstract
Aluminum–graphene nanoplatelet (Al/GNP) composites have attracted significant attention as lightweight structural materials, yet their mechanical performance is strongly influenced by interfacial reactions and the formation of carbides. In this study, Al/GNP composites containing 0.1–1.1 wt.% graphene were produced via powder metallurgy and hot [...] Read more.
Aluminum–graphene nanoplatelet (Al/GNP) composites have attracted significant attention as lightweight structural materials, yet their mechanical performance is strongly influenced by interfacial reactions and the formation of carbides. In this study, Al/GNP composites containing 0.1–1.1 wt.% graphene were produced via powder metallurgy and hot extrusion at 400 °C and 500 °C. Hot extrusion at the higher temperature enables the controlled in situ formation of aluminum carbide (Al4C3). A comprehensive microstructural characterization using SEM and HRTEM was combined with tensile testing to elucidate the influence of carbide size on mechanical behavior. Hot extrusion at 500 °C promotes the formation of uniformly distributed, nanoscale Al4C3 carbides whose size, morphology, and aspect ratio depend on graphene content. Composites containing nano-sized carbides exhibit a markedly improved strength–ductility balance compared to carbide-free counterparts, with optimal performance achieved at 0.3 and 0.7 wt.% GNPs. The enhancement is attributed to synergistic strengthening mechanisms involving improved interfacial bonding, efficient load transfer, nanoscale dispersion strengthening, and carbide–dislocation interactions. The results indicate that the controlled formation of nanoscale Al4C3 is not detrimental; rather, it contributes to the optimization of the mechanical properties of Al/GNP composites. Unlike most previous studies that treat carbide formation as a detrimental effect, this work demonstrates that its controlled nanoscale evolution can be used as a deliberate strengthening strategy through its influence on microstructural mechanisms. Full article
Show Figures

Figure 1

49 pages, 13934 KB  
Article
Static and Dynamic Properties of Organic Soils Stabilized with Nano-Silica and Sand
by Gaoliang Tao, Ning Yang, Shaoping Huang, Qingsheng Chen and Eihui Guo
Appl. Sci. 2026, 16(7), 3607; https://doi.org/10.3390/app16073607 - 7 Apr 2026
Abstract
The stabilization of soft, organic-rich soils with cement is often hindered by retarded hydration and poor long-term performance under cyclic loads. While nano-silica or sand are known modifiers, their individual efficacy in high-organic environments remains limited, and a systematic comparison of their composite [...] Read more.
The stabilization of soft, organic-rich soils with cement is often hindered by retarded hydration and poor long-term performance under cyclic loads. While nano-silica or sand are known modifiers, their individual efficacy in high-organic environments remains limited, and a systematic comparison of their composite effect across different soil types is lacking. This study investigates the synergistic enhancement of cement-stabilized soils using a combined nano-SiO2 and sand composite, comparing its effectiveness in high-organic soft soil and low-organic clay. Laboratory tests, including unconfined compressive strength (UCS), cyclic loading, scanning electron microscopy (SEM), and X-ray diffraction (XRD), were conducted. Results showed a stark contrast in 28-day UCS between unmodified soft soil cement (0.13 MPa) and clay cement (1.04 MPa). The optimal composite of 3.5% nano-SiO2 and 40% sand increased the 28-day UCS to 1.39 MPa for soft soil (a 969% improvement) and 5.51 MPa for clay (a 430% improvement), respectively. Notably, under a cyclic stress ratio (CSR) of 0.7~0.8, unmodified specimens failed after fewer than 120 load cycles, whereas the composite-modified soils withstood 20,000 cycles without failure, demonstrating exceptional fatigue resistance independent of static strength gain. Microstructural analysis revealed that the composite effectively promoted the formation of cementitious hydration products, counteracting the inhibitory effect of organic matter. This research demonstrates that the nano-silica sand composite provides a superior and more broadly applicable improvement for cement-stabilized soils across the tested organic content range (3.3–7.7% LOI) compared to single-additive approaches, significantly enhancing both mechanical strength and long-term durability. Full article
Show Figures

Figure 1

18 pages, 2707 KB  
Article
Optimizing the Flexural Performance of ABS Parts Fabricated by FDM Additive Manufacturing Through a Taguchi–ANOVA Statistical Framework
by Hind B. Ali, Jamal J. Dawood, Farag M. Mohammed, Farhad M. Othman and Makram A. Fakhri
J. Manuf. Mater. Process. 2026, 10(4), 125; https://doi.org/10.3390/jmmp10040125 - 7 Apr 2026
Abstract
Additive manufacturing (AM), particularly Fused Deposition Modeling (FDM), has revolutionized polymer-based fabrication through design freedom and material efficiency. This work presents a comprehensive statical optimization of FDM parameters affecting the flexural properties of acrylonitrile/butadiene/styrene (ABS) specimens. The effects of layer thickness (0.15–0.25 mm), [...] Read more.
Additive manufacturing (AM), particularly Fused Deposition Modeling (FDM), has revolutionized polymer-based fabrication through design freedom and material efficiency. This work presents a comprehensive statical optimization of FDM parameters affecting the flexural properties of acrylonitrile/butadiene/styrene (ABS) specimens. The effects of layer thickness (0.15–0.25 mm), infill density (30–70%), printing speed (35–95 mm/s), and build orientation (Flat, On-edge, Vertical) were investigated following ASTM D790 standards. A Taguchi L9 orthogonal array coupled with ANOVA analysis was employed to quantity parameter significance. According to the ANOVA analysis, infill density was identified as the most influential parameter, accounting for 61.3% of the variation in flexural strength (σf) and 60.1% in flexural modulus (Eb). The optimal configuration (0.25 mm layer thickness, 70% infill, 65 mm/s speed, horizontal orientation) yielded a flexural strength of 84.9 MPa and modulus of 2.54 GPa. Microstructural observations confirmed that higher infill and moderate speed improved interlayer fusion and reduced void formation. The developed Taguchi–ANOVA framework offers quantitative insights for tailoring process–structure–property relationships in polymer-based additive manufacturing. Full article
Show Figures

Graphical abstract

23 pages, 4744 KB  
Article
Study of the Properties of Zinc Phosphate Composite Cement Modified with Phosphorus Slag
by Nurgali Zhanikulov, Aidana Abdullin, Bakhitzhan Taimasov, Ekaterina Potapova, Yana Alferyeva, Tatyana Lubkova, Irina Nikolaeva and Fatima Amanulla
J. Compos. Sci. 2026, 10(4), 198; https://doi.org/10.3390/jcs10040198 - 7 Apr 2026
Viewed by 72
Abstract
This paper presents an analysis of the physicochemical and biological properties of the developed composite zinc phosphate cement modified with bismuth oxide and phosphorus slag additives. The powder phase was synthesized by sintering a frit with an optimal composition (ZnO, MgO, SiO2 [...] Read more.
This paper presents an analysis of the physicochemical and biological properties of the developed composite zinc phosphate cement modified with bismuth oxide and phosphorus slag additives. The powder phase was synthesized by sintering a frit with an optimal composition (ZnO, MgO, SiO2, Bi2O3) using phosphorus slag as the active component. The study included an assessment of the microstructure, chemical resistance in aggressive environments (5% NaCl solution, 10% lactic acid, carbonated water), solubility in artificial saliva, and cytotoxicity in human fibroblasts. The addition of phosphorus slag was found to promote the formation of low-melting eutectics, which reduces the sintering temperature by 100 °C and increases the material’s whiteness to 97.8%. X-ray diffraction analysis confirmed the presence of zincite, quartz, and periclase phases, forming a dense microstructure without pronounced pores or cracks. The experimental cement demonstrated high acid resistance: the maximum weight loss in lactic acid was 8%, while the leaching of toxic elements (Pb, As, Cr, etc.) remained extremely low (10–67 ppm), confirming the material’s environmental safety. Testing of the composite zinc phosphate cement in artificial saliva revealed minimal weight loss compared to similar products. Biological testing showed that the cement’s cytotoxicity is dose-dependent; at a 0.3 g dose and a 1:4 dilution, the material loses its toxic properties and becomes safe for living tissue. The developed zinc phosphate composite cement composition offers improved aesthetic and mechanical properties, high chemical stability, and biocompatibility at working concentrations, making it promising for use in clinical dentistry. Full article
(This article belongs to the Section Composites Applications)
Show Figures

Figure 1

19 pages, 4343 KB  
Article
Tribomechanical Behaviour and Elasto-Plastic Contact Response of 3D-Printed Versus Conventional Polymer Inserts in Robotic Gripping Interfaces
by Georgiana Ionela Păduraru, Andrei Călin, Marilena Stoica, Delia Alexandra Prisecaru and Petre Lucian Seiciu
Polymers 2026, 18(7), 891; https://doi.org/10.3390/polym18070891 - 6 Apr 2026
Viewed by 189
Abstract
Three-dimensional printed polymers produced using Fused Deposition Modelling (FDM) exhibit directional microstructures resulting from filament paths, layer interfaces, and cellular infill, leading to mechanical and tribological responses distinct from those of homogeneous bulk materials. This study presents a comparative tribomechanical evaluation of polypropylene [...] Read more.
Three-dimensional printed polymers produced using Fused Deposition Modelling (FDM) exhibit directional microstructures resulting from filament paths, layer interfaces, and cellular infill, leading to mechanical and tribological responses distinct from those of homogeneous bulk materials. This study presents a comparative tribomechanical evaluation of polypropylene (PP) bulk inserts and 3D-printed polyethylene terephthalate glycol (PETG) inserts with a 30% hexagonal infill, relevant for robotic gripping applications. Progressive scratch tests were performed under loads from 5 to 100 N (150 N for PP), and profilometry was applied to quantify groove morphology, ridge formation, and displaced-volume ratios. An elasto-plastic conical indentation model was used to derive indentation pressures and elastic–plastic transition radii from groove geometry. The PETG inserts exhibited heterogeneous groove depth, intermittent ridge tearing, and friction fluctuations associated with the internal infill structure, consistent with previous findings on anisotropy and architecture-dependent behaviour in additively manufactured polymers. In contrast, bulk PP demonstrated smoother friction profiles and more stable plastic flow under increasing loads. Two functional indices—specific frictional work and ridge-to-trace volumetric ratio—are introduced to support material selection for robotic gripping systems. The results show that local contact mechanics in 3D-printed inserts are governed by print-induced structural features and can be effectively evaluated through a scratch-based elasto-plastic analysis. The methods and results presented in this work support the rational selection and design of polymer inserts for robotic gripper fingertips. The proposed scratch-based elasto-plastic evaluation framework enables manufacturers and automation engineers to compare 3D-printed and conventional materials based on friction stability, wear response, and deformation resistance. This approach can be directly applied to optimise gripping performance in industrial handling, packaging, and collaborative robotics. Full article
(This article belongs to the Section Polymer Processing and Engineering)
Show Figures

Figure 1

19 pages, 5064 KB  
Article
Nanoscale α Phase Enables Excellent Strength–Ductility Balance in TC21 Titanium Alloy
by Keyu Ma, Zehua Jiang, Kaihong Wu, Yongfeng Shen and Zhaodong Wang
Nanomaterials 2026, 16(7), 442; https://doi.org/10.3390/nano16070442 - 5 Apr 2026
Viewed by 204
Abstract
The limited ductility of conventional titanium alloys significantly limits their application in critical load-bearing components. To overcome this limitation, a Ti-6Al-2Mo-2Nb-2Zr-2Sn titanium alloy (TC21) was subjected to warm rolling at 500 and 600 °C and aging treatment. Subsequently, microstructural characterization was conducted using [...] Read more.
The limited ductility of conventional titanium alloys significantly limits their application in critical load-bearing components. To overcome this limitation, a Ti-6Al-2Mo-2Nb-2Zr-2Sn titanium alloy (TC21) was subjected to warm rolling at 500 and 600 °C and aging treatment. Subsequently, microstructural characterization was conducted using scanning electron microscopy, electron backscatter diffraction and transmission electron microscopy, while the mechanical properties were tested by uniaxial tensile tests and nanoindentation tests. The sample warm rolled at 600 °C exhibited an optimal combination of strength and ductility, with an ultrahigh yield strength of 1138 MPa and an elongation-to-fracture of 7.3%. Aging treatment further enhanced the yield strength to 1263 MPa, while retaining a good ductility of 9.6%. The improved mechanical properties are mainly associated with the formation of nanoscale secondary α phase (αs) lamellae caused by the aging treatment. Interface strengthening is identified as the primary strengthening mechanism. In particular, the optimal volume fraction and decreasing texture intensity of the soft phase contribute to the enhanced ductility. This work provides a method for viable thermo-mechanical processing for achieving an excellent strength–ductility combination in titanium alloys. Full article
(This article belongs to the Section Synthesis, Interfaces and Nanostructures)
Show Figures

Figure 1

19 pages, 2244 KB  
Article
Effects of Formulation and Processing Variables on the Rheology of Chitosan–Vanillin-Stabilized Olive Oil–Water Emulsions for Oleogel Applications
by Leticia Montes, David Rey, Ramón Moreira and Daniel Franco
Foods 2026, 15(7), 1233; https://doi.org/10.3390/foods15071233 - 4 Apr 2026
Viewed by 200
Abstract
The rheological behavior of chitosan–vanillin crosslinked olive oil-in-water emulsions (Φ = 0.52) was investigated to identify formulation and processing conditions suitable for designing oleogel precursors. The effects of homogenization conditions, reaction temperature, chitosan concentration, vanillin-to-chitosan molar ratio, and non-ionic surfactants were systematically evaluated. [...] Read more.
The rheological behavior of chitosan–vanillin crosslinked olive oil-in-water emulsions (Φ = 0.52) was investigated to identify formulation and processing conditions suitable for designing oleogel precursors. The effects of homogenization conditions, reaction temperature, chitosan concentration, vanillin-to-chitosan molar ratio, and non-ionic surfactants were systematically evaluated. Surfactant-free emulsions exhibited a structured, gel-like response and non-thixotropic shear-thinning flow, which was well described by the Herschel–Bulkley model within the investigated shear-rate range. Optimal homogenization (4 min, ≥9500 rpm) refined the microstructure without compromising stability. Increasing the reaction temperature to 55 °C, the chitosan concentration to ~0.9% (w/w), and the vanillin-to-chitosan molar ratio to 0.7 maximized yield stress, consistency, and thermal robustness, consistent with enhanced network formation. In contrast, Tween® surfactants produced divergent responses, increasing small-amplitude oscillatory stiffness while markedly reducing resistance under steady shear, likely due to surfactant-driven interfacial displacement. Among the tested surfactants, Tween® 20 provided the highest thermal stability. Overall, these results define processing and formulation windows to obtain surfactant-free, structured emulsions with improved structuring performance, supporting their use as effective templates for olive oil oleogel development. Full article
Show Figures

Figure 1

19 pages, 12400 KB  
Article
Effect of Laser Shock Peening on the Passivation Behavior of Subtractively and Additively Manufactured Ti–6Al–4V Alloys in pH 2 Buffer Solution
by JuHee Lee, Jan Kaufman, Martin Divoký, Tomáš Mocek, Jan Brajer and HeeJin Jang
Materials 2026, 19(7), 1432; https://doi.org/10.3390/ma19071432 - 3 Apr 2026
Viewed by 237
Abstract
The effects of laser shock peening (LSP) on subtractively manufactured (SM) and additively manufactured (AM) Ti–6Al–4V alloys in pH 2 buffer solution were investigated. LSP increased the surface roughness from 0.25 ± 0.05 μm to 0.6 ± 0.1 μm, raised Vickers hardness by [...] Read more.
The effects of laser shock peening (LSP) on subtractively manufactured (SM) and additively manufactured (AM) Ti–6Al–4V alloys in pH 2 buffer solution were investigated. LSP increased the surface roughness from 0.25 ± 0.05 μm to 0.6 ± 0.1 μm, raised Vickers hardness by 12–16%, and introduced compressive residual stresses of 400–950 MPa. Microstructural analysis indicated that LSP promoted β-phase formation and grain refinement in SM alloys, while reducing the α′-phase fraction in AM alloys. Electrochemical testing revealed that all LSP-treated specimens exhibited active–passive transitions, unlike the stable passive response of unpeened samples. The corrosion rate (icorr) decreased from approximately 5 × 10−6 to 1 × 10−6 A·cm−2 after LSP. During 24 h potentiostatic polarization at 1.3 VSCE, the passive current density stabilized at 10−8–10−7 A·cm−2, with LSP AM specimens exhibiting values approximately twice those of their unpeened counterparts. Mott–Schottky analysis confirmed that the donor density (ND) in the SM alloy changed negligibly after LSP, indicating a stable passive alloy. In contrast, the ND for the AM alloy increased from 1 × 1019 to 3 × 1019 cm−3, suggesting an oxygen-vacancy-rich, less stable passive film. Overall, LSP reduces the corrosion rate primarily through the introduction of compressive residual stress but may impair the long-term passive-film stability of AM Ti–6Al–4V owing to defect generation. In contrast, the SM alloy maintains passive-film stability under identical treatment conditions. Full article
(This article belongs to the Section Corrosion)
Show Figures

Graphical abstract

25 pages, 13105 KB  
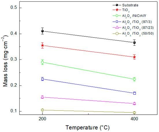
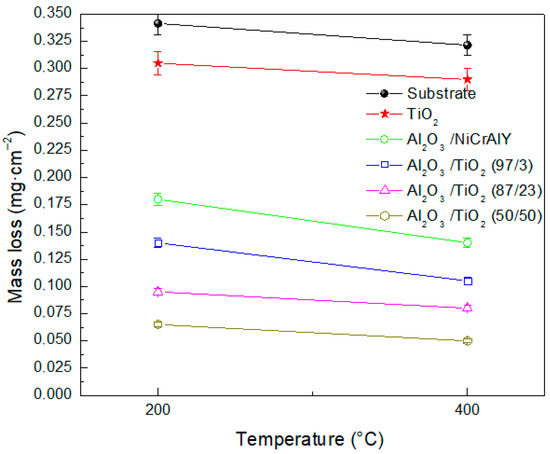
Article
Microstructural Architecture Governing Erosion–Corrosion Synergy in APS Al2O3–TiO2 and Al2O3/NiCrAlY Coatings at 200–400 °C
by Willian Aperador and Giovany Orozco-Hernández
Metals 2026, 16(4), 395; https://doi.org/10.3390/met16040395 - 3 Apr 2026
Viewed by 213
Abstract
Erosion–corrosion at elevated temperature represents a critical degradation mechanism in components exposed to particle-laden gaseous flows, such as industrial boilers and combustion systems. This study evaluates the combined erosion–corrosion behaviour of atmospheric plasma-sprayed (APS) coatings based on Al2O3/TiO2 [...] Read more.
Erosion–corrosion at elevated temperature represents a critical degradation mechanism in components exposed to particle-laden gaseous flows, such as industrial boilers and combustion systems. This study evaluates the combined erosion–corrosion behaviour of atmospheric plasma-sprayed (APS) coatings based on Al2O3/TiO2 (97/3, 87/13, and 50/50 wt.%), TiO2, and a hybrid Al2O3/NiCrAlY (90/10 wt.%) system. Coatings were characterised by scanning electron microscopy, X-ray diffraction, Vickers microhardness and porosity analysis, and subsequently tested under solid particle erosion and cyclic oxidation at 200 and 400 °C with impact angles of 30° and 90°. All coatings exhibited significantly higher hardness (446–597 HV) than the AISI 310 substrate (181 HV), together with distinct differences in porosity and interlamellar cohesion. Erosion rates decreased with increasing temperature for both impact angles; however, the synergistic contribution to total degradation increased, particularly under normal impact (90°). This behaviour indicates that thermochemical activation enhances the nonlinear interaction between mechanical damage and oxidation. Coatings with lower defect connectivity showed reduced synergistic effects, demonstrating that microstructural architecture governs the magnitude of combined degradation. The Al2O3/NiCrAlY system exhibited improved thermomechanical stability associated with the formation of protective Al- and Cr-rich oxides. Full article
(This article belongs to the Section Powder Metallurgy)
Show Figures

Figure 1

19 pages, 8328 KB  
Article
Effect of Ni Interlayer on Microstructure and Properties of C276 Hastelloy/Q235 Steel Cladding Plates
by Lin Lv, Mingfang Wu, Fei Long, Mingkuan Zhou and Juan Pu
Coatings 2026, 16(4), 425; https://doi.org/10.3390/coatings16040425 - 2 Apr 2026
Viewed by 209
Abstract
C276 Hastelloy/Q235 Steel cladding plates were prepared by vacuum-sealed hot rolling (VSHR) with a small hole. The effects of different Ni interlayers on the macro-morphology, microstructure, mechanical properties and corrosion resistance of the cladding plates were systematically investigated. The results indicated that without [...] Read more.
C276 Hastelloy/Q235 Steel cladding plates were prepared by vacuum-sealed hot rolling (VSHR) with a small hole. The effects of different Ni interlayers on the macro-morphology, microstructure, mechanical properties and corrosion resistance of the cladding plates were systematically investigated. The results indicated that without an interlayer, a large number of Mo-rich white M6C particles formed near the C276 Hastelloy side, along with the formation of black Cr-Mn oxides at the interface. The addition of the Ni interlayer suppressed the diffusion of the C element from the Q235 Steel toward the C276 Hastelloy, consequently reducing the precipitation of M6C carbides and Cr-Mn oxides. When the Ni interlayer thickness was 0.5 mm, the M6C carbides on the Hastelloy side disappeared completely. The incorporation of a Ni interlayer increased the hardness of the C276 Hastelloy side and the interface layer, as well as the shear strength of the cladding plate. This was mainly because the Ni interlayer acted as a barrier to suppress the development of a Mo/Cr-depleted zone adjacent to the C276 Hastelloy and decrease interfacial Cr-Mn oxides, thus enhancing interfacial bonding. Under all three conditions, the cladding plates were bent without cracking. Moreover, the addition of a Ni interlayer also improved the corrosion resistance of the cross-section of the C276 Hastelloy. XPS analysis of the passive film revealed that the corrosion resistance was primarily attributed to the formation of Mo- and Cr-containing oxides on the surface. The corrosion resistance reached the optimal with the Ni interlayer thickness of 0.5 mm, in which Mo and Cr played a crucial role. Full article
(This article belongs to the Section High-Energy Beam Surface Engineering and Coatings)
Show Figures

Figure 1

24 pages, 5195 KB  
Article
Experimental Study on Mechanical Properties of Silica Fume Foam Concrete After Exposure to High Temperatures
by Shiyi Zhao, Xiaolong Li, Alipujiang Jierula, Hushitaer Niyazi and Bin Yang
Buildings 2026, 16(7), 1394; https://doi.org/10.3390/buildings16071394 - 1 Apr 2026
Viewed by 215
Abstract
To investigate how the content of silica fume (SF) influences the performance of foam concrete (FC) after high-temperature exposure and the underlying mechanisms, this study prepared standard FC cube specimens with SF contents of 0%, 0.15%, 0.2%, 0.25%, and 0.3%. The working properties [...] Read more.
To investigate how the content of silica fume (SF) influences the performance of foam concrete (FC) after high-temperature exposure and the underlying mechanisms, this study prepared standard FC cube specimens with SF contents of 0%, 0.15%, 0.2%, 0.25%, and 0.3%. The working properties of the material at room temperature were systematically tested, and the mass loss, residual compressive strength, failure mode, microstructure and acoustic emission (AE) data at different temperatures (100 °C, 200 °C, 300 °C and 400 °C) were analyzed. The test results indicate that increasing the SF content reduces the fluidity of the fresh paste yet significantly enhances the compressive strength and lowers the water absorption of FC at room temperature. After high-temperature exposure, the effect of SF exhibits a dual character: at 200 °C and below, SF effectively mitigates the performance degradation of FC. However, when the temperature reaches 300–400 °C, specimens with an excessively high SF content (e.g., 0.3%) experience rapidly built-up internal steam pressure that cannot escape in time, which triggers the formation and propagation of a microcrack network and leads to a sharp drop in strength. Based on AE detection and scanning electron microscopy (SEM) image analysis, the failure process of silica fume foam concrete (SFFC) proceeds through three stages: free water evaporation at low temperatures, dehydration shrinkage of the C-S-H gel at medium temperatures, and finally, structural failure marked by the collapse of the C-S-H gel network at high temperatures. This study indicates that an SF content of 0.25% allows FC to achieve an optimal balance between mechanical properties and high-temperature stability. The findings provide a theoretical basis for optimizing FC mix proportions and enhancing fire prevention design. Full article
(This article belongs to the Section Building Materials, and Repair & Renovation)
Show Figures

Figure 1

25 pages, 6319 KB  
Article
Engineering a Nanostructured Hybrid Gel System with Sodium Humate for Enhanced Wound Healing
by Petya Peneva, Vesela Kokova, Elisaveta Apostolova, Plamen Simeonov, Nikolay Zahariev, Yana Gvozdeva, Dimitar Penkov, Rayna Hadjikinova, Ilia Bivolarski, Maria Koleva and Plamen Katsarov
J. Funct. Biomater. 2026, 17(4), 175; https://doi.org/10.3390/jfb17040175 - 1 Apr 2026
Viewed by 332
Abstract
The development of effective topical drug delivery systems remains a key challenge in wound management, particularly for bioactive compounds with limited skin permeability. In this study, a nanostructured bigel system incorporating sodium humate-loaded ultra-deformable vesicles (UDVs) was developed and evaluated for wound healing [...] Read more.
The development of effective topical drug delivery systems remains a key challenge in wound management, particularly for bioactive compounds with limited skin permeability. In this study, a nanostructured bigel system incorporating sodium humate-loaded ultra-deformable vesicles (UDVs) was developed and evaluated for wound healing applications. Sodium humate-loaded UDVs were prepared using a thin-layer hydration method, and the influence of key technological parameters (phospholipid/glycerol concentrations, sonication time) on vesicle size and encapsulation efficiency was investigated. An optimized UDV formulation characterized by small particle size, high stability, and high drug encapsulation efficiency was selected and incorporated into a bigel composed of hydroxypropyl methylcellulose hydrogel and andiroba oil oleogel. The developed bigels were characterized in terms of microstructure, physical stability, pH, spreadability, and rheological behavior, demonstrating suitable properties for dermal application. In vivo wound healing evaluation in rat wound models revealed that bigels containing sodium humate-loaded UDVs significantly enhanced wound closure and tissue regeneration compared to control and reference treatments. Histopathological analysis confirmed improved granulation tissue formation and complete epithelialization. Overall, the results demonstrate that the proposed UDV-loaded hybrid bigel represents a promising nanostructured platform for enhanced dermal delivery and wound healing therapy. Full article
Show Figures

Graphical abstract

15 pages, 3586 KB  
Article
Elevated-Temperature Tribo-Corrosion Response of Eutectic High-Entropy Alloy
by Jibril Shittu, Shristy Jha, Mayur Pole and Sundeep Mukherjee
Entropy 2026, 28(4), 391; https://doi.org/10.3390/e28040391 - 1 Apr 2026
Viewed by 220
Abstract
The combination of elevated temperature and tribo-corrosion leads to the accelerated degradation of structural components used in many extreme environments. Recently developed high-entropy alloys (HEAs) with multiple principal elements have the potential for superior degradation resistance compared with presently used structural alloys. Here, [...] Read more.
The combination of elevated temperature and tribo-corrosion leads to the accelerated degradation of structural components used in many extreme environments. Recently developed high-entropy alloys (HEAs) with multiple principal elements have the potential for superior degradation resistance compared with presently used structural alloys. Here, we demonstrate the microstructural stability, pitting resistance, and superior tribo-corrosion degradation resistance of the AlCoCrFeNi2.1 eutectic HEA in comparison with duplex stainless steel 2205 in deionized water (controlled low-ionic-strength electrolyte) at 25 °C, 50 °C and 100 °C. The AlCoCrFeNi2.1 HEA showed excellent microstructural stability and tribo-corrosion resistance at all three temperatures, an order-of-magnitude lower wear rate, and a lower coefficient of friction compared with duplex 2205 steel. The lowest wear volume loss and wear rate for both AlCoCrFeNi2.1 and duplex steel were recorded at 50 °C, which was attributed to temperature-assisted passivation and formation of a comparatively stable tribological surface condition. These results suggest superior performance of eutectic HEAs in tribo-corrosion applications compared with currently used dual-phase steels and motivate future evaluation in ion-containing industrial water chemistries. Full article
(This article belongs to the Special Issue Recent Advances in High Entropy Alloys)
Show Figures

Figure 1

14 pages, 4095 KB  
Article
The Optimization of Corrosion Performance of Al-Zn-Mg-Cu Alloy by Si Addition and Solid Solution Treatment
by Dongwei Zhang, Yi Lu, Huijun Shi, Shengping Wen, Wu Wei, Xiaolan Wu, Kunyuan Gao, Hui Huang, Xiangyuan Xiong, Peng Cao and Zuoren Nie
Materials 2026, 19(7), 1406; https://doi.org/10.3390/ma19071406 - 1 Apr 2026
Viewed by 248
Abstract
Achieving a balanced combination of mechanical performance and corrosion resistance remains a critical challenge restricting the broader application of Al–Zn–Mg–Cu alloys in aerospace, marine, and transportation industries. In this investigation, the addition of Si significantly enhances the mechanical properties of the alloy. Among [...] Read more.
Achieving a balanced combination of mechanical performance and corrosion resistance remains a critical challenge restricting the broader application of Al–Zn–Mg–Cu alloys in aerospace, marine, and transportation industries. In this investigation, the addition of Si significantly enhances the mechanical properties of the alloy. Among them, the alloy containing 0.35Si has the best corrosion resistance, which is closely related to the transformation of precipitates. A non-monotonic relationship between Si content and corrosion resistance was observed. At low Si levels, the simultaneous precipitation of η, T, and GPB-II phases leads to a large electrochemical potential difference among these phases, which promotes micro-galvanic corrosion. With increasing Si content, the microstructure evolves toward the dominance of GPB-II precipitates, thereby reducing the internal potential difference and improving corrosion resistance. However, excessive addition of Si will lower the equilibrium solid phase temperature, resulting in overburning during the solid solution treatment process and a significant decrease in corrosion resistance. In addition, lowering the solution treatment temperature effectively improves corrosion resistance by suppressing the formation of remelted spheres and low-melting-point brittle phases along grain boundaries. These phases can form strong micro-galvanic couples with the matrix, accelerating anodic dissolution. Therefore, by adding an appropriate amount of Si and optimizing the solid solution temperature, a corrosion-resistant high-strength Al-Zn-Mg-Cu-Si alloy can be obtained. This strategy also provides a broader compositional and heat-treatment design window, which could be further expanded through the incorporation of rare-earth (RE) elements. Full article
Show Figures

Figure 1

Back to TopTop