Sign in to use this feature.

Years

Between: -

Subjects

remove_circle_outline
remove_circle_outline
remove_circle_outline
remove_circle_outline
remove_circle_outline

Journals

Article Types

Countries / Regions

Search Results (9)

Search Parameters:
Keywords = hydraulic quadruped robot

Order results
Result details
Results per page
Select all
Export citation of selected articles as:
14 pages, 5882 KB  
Article
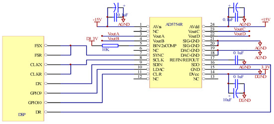
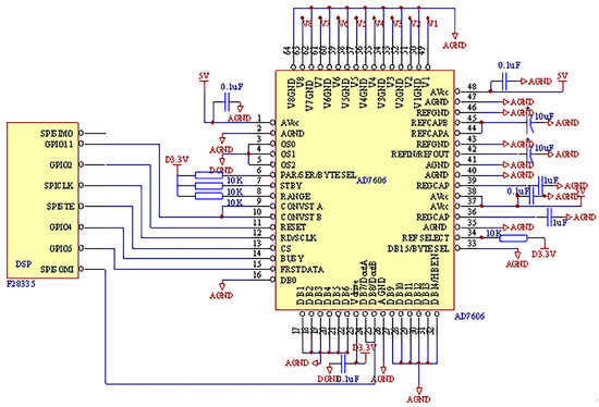
Development of Lower Computer for Hydraulically Actuated Quadruped Bionic Robots Based on DSP
by Bingwei Gao, Yongkang Wang, Wenlong Han and Shilong Xue
Electronics 2023, 12(18), 3802; https://doi.org/10.3390/electronics12183802 - 8 Sep 2023
Viewed by 1670
Abstract
Background: Hydraulic quadruped robots have broad application prospects. Control system design is the core content of robot design. However, the micro-controllers used in the past have shortcomings such as long sampling period and simple algorithm. Methods: An electric control system of the layered, [...] Read more.
Background: Hydraulic quadruped robots have broad application prospects. Control system design is the core content of robot design. However, the micro-controllers used in the past have shortcomings such as long sampling period and simple algorithm. Methods: An electric control system of the layered, distributed structure for hydraulically actuated quadruped robots is designed considering a dog as a bionic model. In order to improve the response time and the steady precision of the system at the same time, a Fuzzy–PID compound control algorithm is put forward in this paper. The hardware and software of the control system are designed. Results: The lower computer’s control system for hydraulically actuated quadruped robots is developed using TMS320F28335 in series of DSP2000 as the core processor. Outside control circuit expands some external chips, such as AD7606, AD5754R, and PCA82C250, and a peripheral interface circuit is designed. Taking full advantage of the efficient processing power of the chip and the rich on-chip resources, the hardware circuit is simpler and reliable, and the software is also easy to implement. It is verified that the control system is rational and effective using experiments. Conclusions: The experimental results show that the control system designed in this paper is reasonable and can effectively control the joints of the quadruped robot. It has strong scalability and can meet the basic requirements of the autonomous mobile robot control system. Full article
Show Figures

Figure 1

14 pages, 3609 KB  
Article
On Slip Detection for Quadruped Robots
by Ylenia Nisticò, Shamel Fahmi, Lucia Pallottino, Claudio Semini and Geoff Fink
Sensors 2022, 22(8), 2967; https://doi.org/10.3390/s22082967 - 13 Apr 2022
Cited by 10 | Viewed by 5753
Abstract
Legged robots are meant to autonomously navigate unstructured environments for applications like search and rescue, inspection, or maintenance. In autonomous navigation, a close relationship between locomotion and perception is crucial; the robot has to perceive the environment and detect any change in order [...] Read more.
Legged robots are meant to autonomously navigate unstructured environments for applications like search and rescue, inspection, or maintenance. In autonomous navigation, a close relationship between locomotion and perception is crucial; the robot has to perceive the environment and detect any change in order to autonomously make decisions based on what it perceived. One main challenge in autonomous navigation for legged robots is locomotion over unstructured terrains. In particular, when the ground is slippery, common control techniques and state estimation algorithms may not be effective, because the ground is commonly assumed to be non-slippery. This paper addresses the problem of slip detection, a first fundamental step to implement appropriate control strategies and perform dynamic whole-body locomotion. We propose a slip detection approach, which is independent of the gait type and the estimation of the position and velocity of the robot in an inertial frame, that is usually prone to drift problems. To the best of our knowledge, this is the first approach of a quadruped robot slip detector that can detect more than one foot slippage at the same time, relying on the estimation of measurements expressed in a non-inertial frame. We validate the approach on the 90 kg Hydraulically actuated Quadruped robot (HyQ) from the Istituto Italiano di Tecnologia (IIT), and we compare it against a state-of-the-art slip detection algorithm. Full article
(This article belongs to the Special Issue State Estimation for Mobile Robotics)
Show Figures

Graphical abstract

18 pages, 14577 KB  
Article
Multi-Objective Optimal Torque Control with Simultaneous Motion and Force Tracking for Hydraulic Quadruped Robots
by Yapeng Shi, Xiaolong He, Wenpeng Zou, Bin Yu, Lipeng Yuan, Mantian Li, Gang Pan and Kaixian Ba
Machines 2022, 10(3), 170; https://doi.org/10.3390/machines10030170 - 24 Feb 2022
Cited by 11 | Viewed by 3796
Abstract
Model-based force control for motion and force tracking faces significant challenges on real quadruped platforms due to the apparent model inaccuracies. In this paper, we present a multi-objective optimal torque control for hydraulic quadruped robots under significant model errors, such as non-modelable hydraulic [...] Read more.
Model-based force control for motion and force tracking faces significant challenges on real quadruped platforms due to the apparent model inaccuracies. In this paper, we present a multi-objective optimal torque control for hydraulic quadruped robots under significant model errors, such as non-modelable hydraulic components, linearization, disturbances, etc. More specifically, the centroidal dynamics are first modeled to project the dynamics of the floating-based whole-body behaviors to the centroidal frame. Model error compensation mechanisms are subsequently developed to track the reference motion of the CoM, torso, and foot-end trajectories, which are mapped into the joint space. Furthermore, a multi-objective optimal torque control scheme is formulated using quadratic programming (QP) to coordinate follow the reference motion and ground reaction forces simultaneously while satisfying all constraints. Finally, we present a series of simulations as well as experiments on a real hydraulic quadruped platform, EHbot. The results demonstrate that the proposed torque control scheme is robust to large model inaccuracies and improves the performance of the overall system. Full article
(This article belongs to the Special Issue Advanced Control of Industrial Electro-Hydraulic Systems)
Show Figures

Figure 1

17 pages, 4715 KB  
Article
A Bio-Inspired Compliance Planning and Implementation Method for Hydraulically Actuated Quadruped Robots with Consideration of Ground Stiffness
by Xiaoxing Zhang, Haoyuan Yi, Junjun Liu, Qi Li and Xin Luo
Sensors 2021, 21(8), 2838; https://doi.org/10.3390/s21082838 - 17 Apr 2021
Cited by 3 | Viewed by 3717
Abstract
There has been a rising interest in compliant legged locomotion to improve the adaptability and energy efficiency of robots. However, few approaches can be generalized to soft ground due to the lack of consideration of the ground surface. When a robot locomotes on [...] Read more.
There has been a rising interest in compliant legged locomotion to improve the adaptability and energy efficiency of robots. However, few approaches can be generalized to soft ground due to the lack of consideration of the ground surface. When a robot locomotes on soft ground, the elastic robot legs and compressible ground surface are connected in series. The combined compliance of the leg and surface determines the natural dynamics of the whole system and affects the stability and efficiency of the robot. This paper proposes a bio-inspired leg compliance planning and implementation method with consideration of the ground surface. The ground stiffness is estimated based on analysis of ground reaction forces in the frequency domain, and the leg compliance is actively regulated during locomotion, adapting them to achieve harmonic oscillation. The leg compliance is planned on the condition of resonant movement which agrees with natural dynamics and facilitates rhythmicity and efficiency. The proposed method has been implemented on a hydraulic quadruped robot. The simulations and experimental results verified the effectiveness of our method. Full article
Show Figures

Figure 1

20 pages, 2832 KB  
Article
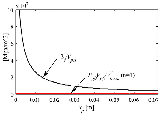
Analysis and Verification on Energy Consumption of the Quadruped Robot with Passive Compliant Hydraulic Servo Actuator
by Zisen Hua, Xuewen Rong, Yibin Li, Hui Chai, Bin Li and Shuaishuai Zhang
Appl. Sci. 2020, 10(1), 340; https://doi.org/10.3390/app10010340 - 2 Jan 2020
Cited by 19 | Viewed by 5261
Abstract
The hydraulic servo actuator with passive compliance (HPCA) is designed for hydraulically-driven quadruped robots. It is characterized by an accumulator that connects to the piston chamber of the hydraulic cylinder to buffer impact forces between a robot’s feet and the ground. This paper [...] Read more.
The hydraulic servo actuator with passive compliance (HPCA) is designed for hydraulically-driven quadruped robots. It is characterized by an accumulator that connects to the piston chamber of the hydraulic cylinder to buffer impact forces between a robot’s feet and the ground. This paper studies the energy efficiency of this actuator in the dynamic locomotion of a quadruped robot. Different from the traditional methods of storing potentially recyclable energy using accumulators, the energy-saving principle of HPCA is to utilize the pressure-transition characteristics of the asymmetric hydraulic cylinder with control of the symmetrical valve. The accumulator can store and release oil during the switching of the transition point in each gait cycle of the robot, thereby improving the energy efficiency of the actuator. The influence of the initial inflation pressure and working volume of the accumulator on the energy efficiency of the HPCA is studied by simulation and physical experiments. The results show that the HPCA has a higher energy efficiency that is independent of the physical parameters of the accumulator. Full article
Show Figures

Figure 1

19 pages, 4778 KB  
Article
The Complex Dynamic Locomotive Control and Experimental Research of a Quadruped-Robot Based on the Robot Trunk
by Dongyi Ren, Junpeng Shao, Guitao Sun and Xuan Shao
Appl. Sci. 2019, 9(18), 3911; https://doi.org/10.3390/app9183911 - 18 Sep 2019
Cited by 12 | Viewed by 5116
Abstract
The research of quadruped robots is fundamentally motivated by their excellent performance in complex terrain. Maintaining the trunk moving smoothly is the basis of assuring the stable locomotion of the robot. In this paper we propose a planning and control strategy for the [...] Read more.
The research of quadruped robots is fundamentally motivated by their excellent performance in complex terrain. Maintaining the trunk moving smoothly is the basis of assuring the stable locomotion of the robot. In this paper we propose a planning and control strategy for the pacing gait of hydraulic quadruped robots based on the centroid. Initially, the kinematic model between the single leg and the robot trunk was established. The coupling of trunk motion and leg motion was elaborated on in detail. Then, the real-time attitude feedback information of the trunk was considered, the motion trajectory of the trunk centroid was planned, and the foot trajectory of the robot was carried out. Further, the joint torques were calculated that fulfillment minimization of the contact forces. The position and attitude of the robot trunk were adjusted by the presented controller. Finally, the performance of the proposed control framework was tested in simulations and on a robot platform. By comparing the attitude of the robot trunk, the experimental results show that the trunk moved smoothly with small-magnitude by the proposed controller. The stable dynamic motion of the hydraulic quadruped robot was accomplished, which verified the effectiveness and feasibility of the proposed control strategy. Full article
Show Figures

Figure 1

24 pages, 1735 KB  
Article
Energy Efficient Foot Trajectory of Trot Motion for Hydraulic Quadruped Robot
by Kun Yang, Yibin Li, Lelai Zhou and Xuewen Rong
Energies 2019, 12(13), 2514; https://doi.org/10.3390/en12132514 - 29 Jun 2019
Cited by 31 | Viewed by 5922
Abstract
Quadruped robots can be used to transport loads or conduct rescue missions on tough terrain. In addition to flexibility and adaptability to complex terrain, the hydraulic driven quadruped robots also have the important characteristic of energy consumption. This paper studies the trot gait [...] Read more.
Quadruped robots can be used to transport loads or conduct rescue missions on tough terrain. In addition to flexibility and adaptability to complex terrain, the hydraulic driven quadruped robots also have the important characteristic of energy consumption. This paper studies the trot gait motions of the quadruped robot SCalf. The energy model including the mechanical power and heat rate is established, which can be used to obtained the energy consumption of the robot. Compared with a cubic spline interpolation reference trajectory, a foot trajectory based on Fourier series is studied to reduce the joints energy consumption, and the parameters of the foot trajectory are acquired by the Pattern Search method. The effectiveness of the energy efficient trajectory is verified by simulations and verified on the robot prototype. Full article
(This article belongs to the Special Issue Intelligent Energy Systems for Vehicles and Robots)
Show Figures

Figure 1

17 pages, 1544 KB  
Article
Modeling and Analysis on Energy Consumption of Hydraulic Quadruped Robot for Optimal Trot Motion Control
by Kun Yang, Xuewen Rong, Lelai Zhou and Yibin Li
Appl. Sci. 2019, 9(9), 1771; https://doi.org/10.3390/app9091771 - 28 Apr 2019
Cited by 30 | Viewed by 4825
Abstract
Energy consumption is an important performance index of quadruped robots. In this paper, the energy consumptions of the quadruped robot SCalf with a trot gait under different gait parameters are analyzed. Firstly, the kinematics and dynamics models of the robot are established. Then, [...] Read more.
Energy consumption is an important performance index of quadruped robots. In this paper, the energy consumptions of the quadruped robot SCalf with a trot gait under different gait parameters are analyzed. Firstly, the kinematics and dynamics models of the robot are established. Then, an energy model including the mechanical power and heat rate is proposed. To obtain the energy consumption, a cubic spline interpolation foot trajectory is used, and the feet forces are calculated by using the minimization of norm of the foot force method. Moreover, an energetic criterion measuring the energy cost is defined to evaluate the motion. Finally, the gait parameters such as step height, step length, standing height, gait cycle, and duty cycle that influence the energy consumption are studied, which could provide a theoretical basis for parameter optimization and motion control of quadruped robots. Full article
(This article belongs to the Special Issue Mobile Robots Navigation)
Show Figures

Figure 1

17 pages, 7176 KB  
Article
Towards Scalable Strain Gauge-Based Joint Torque Sensors
by Hamza Khan, Mariapaola D’Imperio, Ferdinando Cannella, Darwin G. Caldwell, Alfred Cuschieri and Claudio Semini
Sensors 2017, 17(8), 1905; https://doi.org/10.3390/s17081905 - 18 Aug 2017
Cited by 29 | Viewed by 11873
Abstract
During recent decades, strain gauge-based joint torque sensors have been commonly used to provide high-fidelity torque measurements in robotics. Although measurement of joint torque/force is often required in engineering research and development, the gluing and wiring of strain gauges used as torque sensors [...] Read more.
During recent decades, strain gauge-based joint torque sensors have been commonly used to provide high-fidelity torque measurements in robotics. Although measurement of joint torque/force is often required in engineering research and development, the gluing and wiring of strain gauges used as torque sensors pose difficulties during integration within the restricted space available in small joints. The problem is compounded by the need for a scalable geometric design to measure joint torque. In this communication, we describe a novel design of a strain gauge-based mono-axial torque sensor referred to as square-cut torque sensor (SCTS), the significant features of which are high degree of linearity, symmetry, and high scalability in terms of both size and measuring range. Most importantly, SCTS provides easy access for gluing and wiring of the strain gauges on sensor surface despite the limited available space. We demonstrated that the SCTS was better in terms of symmetry (clockwise and counterclockwise rotation) and more linear. These capabilities have been shown through finite element modeling (ANSYS) confirmed by observed data obtained by load testing experiments. The high performance of SCTS was confirmed by studies involving changes in size, material and/or wings width and thickness. Finally, we demonstrated that the SCTS can be successfully implementation inside the hip joints of miniaturized hydraulically actuated quadruped robot-MiniHyQ. This communication is based on work presented at the 18th International Conference on Climbing and Walking Robots (CLAWAR). Full article
(This article belongs to the Section Physical Sensors)
Show Figures

Figure 1

Back to TopTop