Sign in to use this feature.

Years

Between: -

Subjects

remove_circle_outline
remove_circle_outline
remove_circle_outline
remove_circle_outline
remove_circle_outline

Journals

Article Types

Countries / Regions

Search Results (11)

Search Parameters:
Keywords = hybrid magnetic bearings (HMBs)

Order results
Result details
Results per page
Select all
Export citation of selected articles as:
17 pages, 4731 KB  
Article
The Adaptive Nonsingular Terminal Sliding Mode Control of Six-Pole Radial–Axial Hybrid Magnetic Bearing Considering Varying Current Stiffness
by Jintao Ju, Xin Li, Jian Huang, Rui Yan and Rui Zhou
Electronics 2025, 14(24), 4807; https://doi.org/10.3390/electronics14244807 - 6 Dec 2025
Viewed by 277
Abstract
Most control strategies for magnetic bearings are typically formulated upon the linearized suspension force model, and the nonlinear characteristics are neglected or regarded as the disturbance and variation in parameters of the control system. The controllers based on linearized suspension force model struggle [...] Read more.
Most control strategies for magnetic bearings are typically formulated upon the linearized suspension force model, and the nonlinear characteristics are neglected or regarded as the disturbance and variation in parameters of the control system. The controllers based on linearized suspension force model struggle to achieve fast response under disturbance. Therefore, a nonlinear mathematic model that simultaneously represents the main nonlinearity of suspension force and facilitates the design of high-performance controller is necessary to establish. In this study, a new mathematical model of suspension force with varying current stiffness is developed, and a specific controller was designed based on this model. Firstly, the nonlinear mathematical model of six-pole radial–axial hybrid magnetic bearing (RAHMB) is established. Secondly, the characteristics of the current stiffness varying with rotor displacement are analyzed and the expression between current stiffness and rotor displacement is fitted. Then, the linearized model is built via Taylor expansion of the nonlinear model. Subsequently, the varying current stiffness model is constructed by substituting the fitted expression of varying current stiffness into linearized model. Finally, an adaptive nonsingular terminal sliding mode controller (ANTSMC) is designed based on the proposed varying current stiffness model. The simulation and experiment results have shown that the ANTSMC based on varying current stiffness model reduces chattering more than 64% and reduces convergence time more than 70% to the NTSMC based on the linearized model. Full article
Show Figures

Figure 1

21 pages, 4928 KB  
Article
System Identification and Robust Control Method for Magnetic Bearings in Ship Propulsion Shaft Systems
by Feng Xiong, Tianqi Yin, Neng Zhang, Wenhao Xu and Yan Li
J. Mar. Sci. Eng. 2025, 13(11), 2096; https://doi.org/10.3390/jmse13112096 - 4 Nov 2025
Viewed by 555
Abstract
In the field of rotating machinery, such as marine propulsion shafting, magnetic bearing-supported propulsion systems have garnered significant attention due to their non-mechanical contact advantages. To address the problem that the design of magnetic bearing controllers, based on theoretical models, neglects the dynamic [...] Read more.
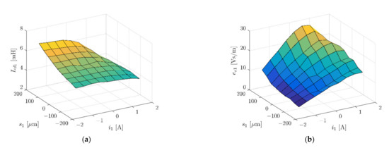
In the field of rotating machinery, such as marine propulsion shafting, magnetic bearing-supported propulsion systems have garnered significant attention due to their non-mechanical contact advantages. To address the problem that the design of magnetic bearing controllers, based on theoretical models, neglects the dynamic characteristics of practical components like power amplifiers and displacement sensors, making it difficult to achieve ideal performance in practical applications, this paper proposes a control method for Hybrid Magnetic Bearings (HMBs) that combines a time-domain identification model with robust control. The method first models the power amplifier, HMB, and displacement sensor as an equivalent single system and obtains its high-precision transfer function model by performing system identification on its time-domain data using the least squares method. Based on this foundation, a PID controller is designed using the loop-shaping method to enhance the system’s robustness and control performance. Both simulations and experiments on an HMB test rig confirmed the controller’s effectiveness. The system showed excellent levitation, dynamic stability, and disturbance rejection, with experimental results closely matching simulations. The experimental results are consistent with the simulation results. This method provides a practical and feasible technical approach for enhancing the control performance of magnetic bearing-supported propulsion shafting. Full article
(This article belongs to the Section Ocean Engineering)
Show Figures

Figure 1

12 pages, 4299 KB  
Article
Modeling, Design and Suspension Force Analysis of a Novel AC Six-Pole Heteropolar Hybrid Magnetic Bearing
by Chao Wu and Shanshou Li
Appl. Sci. 2023, 13(3), 1643; https://doi.org/10.3390/app13031643 - 27 Jan 2023
Cited by 7 | Viewed by 2431
Abstract
To improve the radial suspension force of heteropolar hybrid magnetic bearing (HMB), a novel AC six-pole heteropolar HMB is proposed. Firstly, the structure, magnetic circuit, and suspension force generation principle are introduced and analyzed. Secondly, the equivalent magnetic circuits are established. The mathematical [...] Read more.
To improve the radial suspension force of heteropolar hybrid magnetic bearing (HMB), a novel AC six-pole heteropolar HMB is proposed. Firstly, the structure, magnetic circuit, and suspension force generation principle are introduced and analyzed. Secondly, the equivalent magnetic circuits are established. The mathematical models of magnetic resistances, air gap magnetic fluxes, and levitation force are derived by node magnetomotive force (MMF) method. The main parameters of prototype heteropolar HMB, such as outer and inner air-gap length, winding turns, and permanent magnets, are designed. Then, the analysis model is established by MagNet 3D. The magnetic circuit, air-gap flux density, suspension mechanism, force-current relationships, force-displacement relationships, and force coupling characteristics are analyzed and calculated. Finally, the experimental system was built to test the levitation force and levitation displacement waveforms. The research results have shown that the proposed novel six-pole heteropolar HMB has a reasonable structure and magnetic circuit. The design method is also proven to be correct. Furthermore, it is compared with the traditional heteropolar six-pole HMB, the maximum suspension forces in the X and Y directions are increased by 1.96 and 2.02 times, respectively. Full article
Show Figures

Figure 1

13 pages, 4532 KB  
Article
Modeling and Design of a Novel 5-DOF AC–DC Hybrid Magnetic Bearing
by Xiaoting Ye, Yiming Yan, Chunlai Jia and Tao Zhang
Appl. Sci. 2022, 12(18), 8931; https://doi.org/10.3390/app12188931 - 6 Sep 2022
Cited by 1 | Viewed by 2561
Abstract
This paper investigates a novel integrated AC–DC hybrid magnetic bearing (HMB) to reduce the volume, weight, manufacturing, and operation cost of magnetic suspension motors. Two radial MBs and an axial MB are integrated with the proposed HMB. The five-degree-of-freedom (5-DOF) suspension is realized [...] Read more.
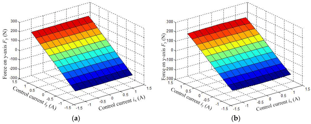
This paper investigates a novel integrated AC–DC hybrid magnetic bearing (HMB) to reduce the volume, weight, manufacturing, and operation cost of magnetic suspension motors. Two radial MBs and an axial MB are integrated with the proposed HMB. The five-degree-of-freedom (5-DOF) suspension is realized in one unit. Two axially polarized permanent magnets provide the radial and axial bias fluxes. First, the HMB structure and the suspension mechanism are introduced. Second, based on the method of equivalent magnetic circuits, magnetic circuits are calculated. The mathematical models of suspension force are discussed. Third, the main parameters of the 5-DOF AC–DC HMB are given. The 3D finite element method (FEM) is adopted to analyze the proposed system’s electromagnetic characteristics, and the suspension mechanism of the 5-DOF is verified. The radial suspension forces versus the radial control current, the axial suspension forces versus the axial control current, the relationship between the axial suspension force and the axial control current with the X direction offset, and the relationship between the radial suspension force in the X direction and the axial control current with the Z direction offset are calculated. Based on the research results, it is shown that the HMB structure is compact and reasonable, and the mathematical models and suspension mechanism are correct. Full article
Show Figures

Figure 1

15 pages, 6192 KB  
Article
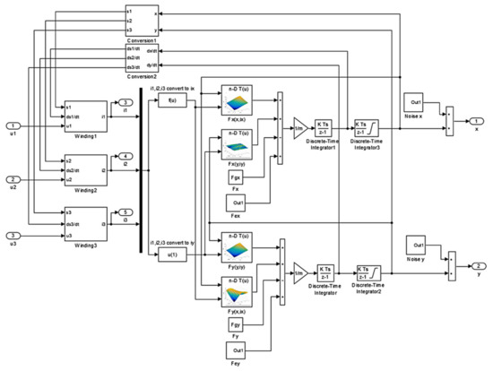
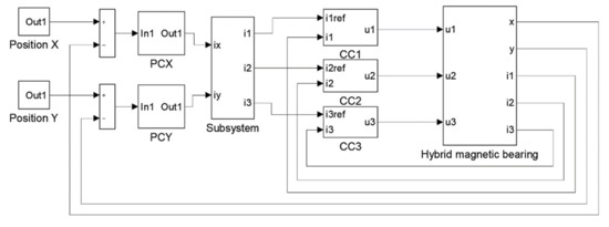
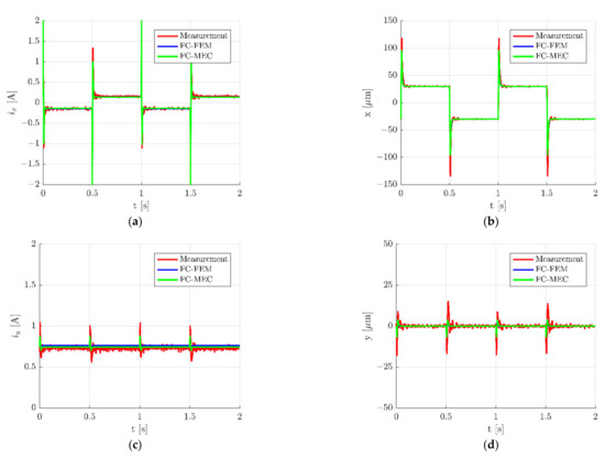
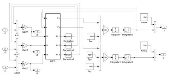
Two Models for Time-Domain Simulation of Hybrid Magnetic Bearing’s Characteristics
by Dawid Wajnert and Bronisław Tomczuk
Sensors 2022, 22(4), 1567; https://doi.org/10.3390/s22041567 - 17 Feb 2022
Cited by 8 | Viewed by 2811
Abstract
A comparison of two developed simulation models for a hybrid magnetic bearing (HMB) transient states is presented. This applies to analyses using the flux-circuit directly coupled magnetic equivalent circuit and field-circuit indirectly coupled finite element analysis. The required control system was implemented for [...] Read more.
A comparison of two developed simulation models for a hybrid magnetic bearing (HMB) transient states is presented. This applies to analyses using the flux-circuit directly coupled magnetic equivalent circuit and field-circuit indirectly coupled finite element analysis. The required control system was implemented for both models. The results obtained from the simulations were compared with those obtained from measurement tests. Full article
(This article belongs to the Section Physical Sensors)
Show Figures

Figure 1

15 pages, 7498 KB  
Article
An Enhanced Dynamic Simulation Model of a Hybrid Magnetic Bearing Taking Account of the Sensor Noise
by Dawid Wajnert, Jan K. Sykulski and Bronislaw Tomczuk
Sensors 2020, 20(4), 1116; https://doi.org/10.3390/s20041116 - 18 Feb 2020
Cited by 6 | Viewed by 3889
Abstract
The paper presents simulation and experimental verification of the hybrid magnetic bearing (HMB) performance characteristics. It has been demonstrated that the additional errors from the eddy current sensors have a significant impact on the control signals. An improved mathematical model combines a nonlinear [...] Read more.
The paper presents simulation and experimental verification of the hybrid magnetic bearing (HMB) performance characteristics. It has been demonstrated that the additional errors from the eddy current sensors have a significant impact on the control signals. An improved mathematical model combines a nonlinear magnetic equivalent circuit of the HMB with the ordinary differential equations of its transients. These equations describe the rotor motion and the electric circuit of the system, as well as the control system required for stable levitation of the rotor. Certain harmonics have been observed in the displacement signals of frequencies equal to the multiples of the cylinder rotations. The calculation model has, therefore, been improved, taking into account the interference of the harmonics. Simulation results were validated by comparing the time responses of the transients obtained from the numerical calculations with those measured on a real object; a satisfactory agreement between the results has been achieved. Full article
Show Figures

Figure 1

17 pages, 5437 KB  
Article
Experimental Analysis and Full Prediction Model of a 5-DOF Motorized Spindle
by Weiyu Zhang, Huangqiu Zhu, Hengkun Yang and Tao Chen
Energies 2017, 10(1), 75; https://doi.org/10.3390/en10010075 - 10 Jan 2017
Cited by 6 | Viewed by 4904
Abstract
The cost and power consumption of DC power amplifiers are much greater than that of AC power converters. Compared to a motorized spindle supported with DC magnetic bearings, a motorized spindle supported with AC magnetic bearings is inexpensive and more efficient. This paper [...] Read more.
The cost and power consumption of DC power amplifiers are much greater than that of AC power converters. Compared to a motorized spindle supported with DC magnetic bearings, a motorized spindle supported with AC magnetic bearings is inexpensive and more efficient. This paper studies a five-degrees-of-freedom (5-DOF) motorized spindle supported with AC hybrid magnetic bearings (HMBs). Most models of suspension forces, except a “switching model”, are quite accurate, but only in a particular operating area and not in regional coverage. If a “switching model” is applied to a 5-DOF motorized spindle, the real-time performance of the control system can be significantly decreased due to the large amount of data processing for both displacement and current. In order to solve this defect, experiments based on the “switching model” are performed, and the resulting data are analyzed. Using the data analysis results, a “full prediction model” based on the operating state is proposed to improve real-time performance and precision. Finally, comparative, verification and stiffness tests are conducted to verify the improvement of the proposed model. Results of the tests indicate that the rotor has excellent characteristics, such as good real-time performance, superior anti-interference performance with load and the accuracy of the model in full zone. The satisfactory experimental results demonstrate the effectiveness of the “full prediction model” applied to the control system under different operating stages. Therefore, the results of the experimental analysis and the proposed full prediction model can provide a control system of a 5-DOF motorized spindle with the most suitable mathematical models of the suspension force. Full article
(This article belongs to the Special Issue Next-Generation Low-Carbon Power and Energy Systems)
Show Figures

Figure 1

19 pages, 12018 KB  
Article
Design, Modeling and Control of Magnetic Bearings for a Ring-Type Flywheel Energy Storage System
by Chow-Shing Toh and Shyh-Leh Chen
Energies 2016, 9(12), 1051; https://doi.org/10.3390/en9121051 - 14 Dec 2016
Cited by 14 | Viewed by 11842
Abstract
This study is concerned with the magnetic force models of magnetic bearing in a flywheel energy storage system (FESS). The magnetic bearing is of hybrid type, with axial passive magnetic bearing (PMB) and radial hybrid magnetic bearing (HMB). For the PMB, a pair [...] Read more.
This study is concerned with the magnetic force models of magnetic bearing in a flywheel energy storage system (FESS). The magnetic bearing is of hybrid type, with axial passive magnetic bearing (PMB) and radial hybrid magnetic bearing (HMB). For the PMB, a pair of ring-type Halbach arrays of permanent magnets are arranged vertically to support the rotor weight. For the HMB, a set of ring-type Halbach array is placed on the rotor side, which corresponds to coil sets on the stator side. The HMB can produce both attraction and repulsion forces on the radial direction, depending on the direction of the coil currents. It is found that the ring-type configuration and the differential winding scheme for coil sets can yield linear magnetic force models for both PMB and HMB. Based on the obtained magnetic force model, an integral sliding mode controller is designed for the stable rotor levitation in the radial direction. The experimental results show that the rotor can be stabilized to the bearing center, verifying the accuracy of the magnetic force models and effectiveness of the levitation controller. Full article
(This article belongs to the Special Issue Next-Generation Low-Carbon Power and Energy Systems)
Show Figures

Figure 1

17 pages, 6681 KB  
Article
Basic Characteristics and Design of a Novel Hybrid Magnetic Bearing for Wind Turbines
by Yanjun Yu, Weiyu Zhang, Yuxin Sun and Peifeng Xu
Energies 2016, 9(11), 905; https://doi.org/10.3390/en9110905 - 2 Nov 2016
Cited by 11 | Viewed by 6746
Abstract
This paper proposes a five-degree-of-freedom (5-DOF) hybrid magnetic bearing (HMB) for direct-drive wind turbines, which can realize suspension in the 4-DOF radial and 1-DOF axial directions. Only two sets of radial control windings are employed in the proposed HMB because only one set [...] Read more.
This paper proposes a five-degree-of-freedom (5-DOF) hybrid magnetic bearing (HMB) for direct-drive wind turbines, which can realize suspension in the 4-DOF radial and 1-DOF axial directions. Only two sets of radial control windings are employed in the proposed HMB because only one set of radial control windings can achieve the 2-DOF suspension in the radial direction. Unlike the traditional active thrust magnetic bearings, this paper uses a cylindrical rotor core without a large thrust disc in the novel HMB. The numbers of the controller, power amplifier and system volume can be reduced in the magnetic suspension system. This paper also presents the structure and basic characteristics of the proposed magnetic bearing. A precision equivalent magnetic circuit analysis of the permanent magnet ring and control magnetic field is conducted in this study, in consideration of the non-uniform distribution of magnetic density. Accordingly, the mathematical models, including the suspension force expression, are derived based on the accurate equivalent magnetic circuit. The basic principle of the structure parameter design is presented, based on the given key parameters. The accuracy of the analytical method is further validated by 3D finite element analysis. Full article
Show Figures

Figure 1

17 pages, 3641 KB  
Article
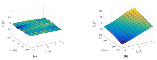
Radial Force-Current Characteristics Analysis of Three-Pole Radial-Axial Hybrid Magnetic Bearings and Their Structure Improvement
by Jintao Ju and Huangqiu Zhu
Energies 2016, 9(9), 706; https://doi.org/10.3390/en9090706 - 2 Sep 2016
Cited by 12 | Viewed by 6670
Abstract
The radial stator of three-pole radial-axial hybrid magnetic bearings (HMB) has three magnetic poles and the three magnetic poles are driven by a three-phase converter, so the three-pole radial-axial HMB has the advantages of compact structure, low cost, low power consumption and so [...] Read more.
The radial stator of three-pole radial-axial hybrid magnetic bearings (HMB) has three magnetic poles and the three magnetic poles are driven by a three-phase converter, so the three-pole radial-axial HMB has the advantages of compact structure, low cost, low power consumption and so on. However, as the sum of three-phase current is zero and the three radial magnetic poles are asymmetric, the relationship between the radial suspension force and the control current is nonlinear. In this paper, firstly a mathematical model of three-pole radial-axial HMB is built based on the equivalent magnetic circuit method. The radial force-current characteristics are then analyzed based on the non-linearized model. The calculation, finite element method (FEM) and experimental results show that the suspension force on the x-axis is a quadratic function of the control current, but the suspension force on the y-axis is linear with control current. Besides, the suspension forces on the two radial axes are coupled with each other. Then, in order to decrease the nonlinearity and coupling of radial force-current characteristics, the six-pole radial-axial HMB is proposed based on the above analyses. The radial force-current characteristics of the six-pole radial-axial HMB are also analyzed based on the non-linearitzed model and are validated by 3-D FEM analysis. The calculation and FEM results have shown that the radial force-current relationship of a six-pole radial-axial HMB is linear and there is no coupling between the two radial axes. Full article
Show Figures

Figure 1

15 pages, 4609 KB  
Article
Modeling for Three-Pole Radial Hybrid Magnetic Bearing Considering Edge Effect
by Huangqiu Zhu, Shuling Ding and Jintao Jv
Energies 2016, 9(5), 345; https://doi.org/10.3390/en9050345 - 6 May 2016
Cited by 16 | Viewed by 5161
Abstract
In order to overcome the shortcoming of magnetic bearings whereby general mathematical models of the radial suspension forces cannot be accurately established, a mathematical model considering the edge effect is set up. The configuration, operation principle and flux distribution features of a three-pole [...] Read more.
In order to overcome the shortcoming of magnetic bearings whereby general mathematical models of the radial suspension forces cannot be accurately established, a mathematical model considering the edge effect is set up. The configuration, operation principle and flux distribution features of a three-pole radial hybrid magnetic bearing (HMB) are analyzed in this paper. The magnetic field division method is employed to calculate the permeance of different regions around the end portion of poles. The total permeance of a single pole is composed of the permeance of the regions. Then, an accurate mathematical model of the radial suspension forces considering the edge effect is deduced by the equivalent magnetic circuit method. From the modeling procedures, it can be seen that the edge effect calculation is only related to the configuration and parameters of the magnetic poles, and is isolated with the other configurations and parameters of the three-pole radial HMB, therefore, the mathematical model is proved universal for calculating different suspension forces of hybrid magnetic bearings. A finite element analysis (FEA) simulation and three-pole radial HMB experiments are performed. The error between the theoretical calculation values and the FEA simulation values of the suspension forces is less than 5%, and the error between theoretical calculation value and experimental value of suspension forces is less than 7%. The comparison between the results of the theoretical calculation, FEA simulation and experiments has verified that the established mathematical model can accurately calculate the suspension forces. Full article
(This article belongs to the Special Issue Energy Efficient Actuators and Systems)
Show Figures

Figure 1

Back to TopTop