Sign in to use this feature.

Years

Between: -

Subjects

remove_circle_outline
remove_circle_outline
remove_circle_outline
remove_circle_outline
remove_circle_outline

Journals

Article Types

Countries / Regions

Search Results (6)

Search Parameters:
Keywords = excitation and demagnetization processes

Order results
Result details
Results per page
Select all
Export citation of selected articles as:
25 pages, 11913 KB  
Article
Research on the Remanence Measurement Method of Transformers Based on the Degaussing Hysteresis Loop
by Dingyuan Li, Jing Zhou, Zhanlong Zhang, Yu Yang, Zijian Dong, Wenhao He, Xichen Pei, Jiatai Gao, Siyang Chen and Zhicheng Pan
Appl. Sci. 2025, 15(10), 5375; https://doi.org/10.3390/app15105375 - 12 May 2025
Viewed by 615
Abstract
The residual magnetism of the iron core of power transformers can cause an excitation inrush current, posing a threat to the safe and stable operation of the power grid. This paper proposes a transformer remanence measurement method based on a demagnetization hysteresis loop [...] Read more.
The residual magnetism of the iron core of power transformers can cause an excitation inrush current, posing a threat to the safe and stable operation of the power grid. This paper proposes a transformer remanence measurement method based on a demagnetization hysteresis loop to address the problems of large errors, complex operation, and poor universality in existing remanence measurement methods. This method is designed for off-grid transformers to avoid potential interference to the power grid caused by current pulses during the measurement process. This method constructs an RLC oscillation circuit that utilizes capacitor energy storage and iron core magnetic field energy conversion, combined with the dynamic characteristics of hysteresis loops, to achieve accurate measurement of residual magnetism and synchronous demagnetization. The effectiveness of this method has been verified through residual magnetism measurement experiments on ring transformers and large converter transformers, and it can be applied in specific engineering practice operations. Theoretical analysis shows that the charging range of energy storage capacitors is affected by the hysteresis characteristics of the iron core and the saturation magnetic flux, and the residual magnetization value can be directly calculated based on the difference in the intersection point of the longitudinal axis of the demagnetization hysteresis loop. Simulation and experimental results show that the measurement error of the proposed method is less than 5%—significantly better than traditional methods. This method does not require complex control strategies, has high precision and efficiency, and can provide reliable technical support for residual magnetism detection and suppression of off-grid power transformers. Full article
(This article belongs to the Section Electrical, Electronics and Communications Engineering)
Show Figures

Figure 1

18 pages, 12535 KB  
Article
A Synchronization of Permanent Magnet Synchronous Generator Dedicated for Small and Medium Hydroelectric Plants
by Adam Gozdowiak and Maciej Antal
Energies 2025, 18(8), 2128; https://doi.org/10.3390/en18082128 - 21 Apr 2025
Viewed by 1206
Abstract
This article presents the simulation results of synchronization of a permanent magnet synchronous generator (PMSG) dedicated for a hydroelectric plant without power converter devices. The proposed machine design allows to connect a generator to the grid in two different ways. With the first [...] Read more.
This article presents the simulation results of synchronization of a permanent magnet synchronous generator (PMSG) dedicated for a hydroelectric plant without power converter devices. The proposed machine design allows to connect a generator to the grid in two different ways. With the first method, the machine is connected to the grid in a similar way as in the case of an electrically excited synchronous generator. The second method is a direct line-start process based on asynchronous torque—similar to asynchronous motor start. Both methods can be used alternately. The advantages of the presented design are elimination of converter devices for starting the PMSG, possibility of use in small and medium hydroelectric power plants, operation with a high efficiency and high power factor in a wide range of generated power, and smaller dimensions in comparison to the generators currently used. The described rotor design allows for the elimination of capacitor batteries for compensation of reactive power drawn by induction generators commonly used in small hydroelectric plants. In addition, due to the high efficiency of the PMSG, high power factor, and appropriately selected design, the starting current during synchronization is smaller than in the case of an induction generator, which means that the structural elements wear out more slowly, and thus, the generator’s service life is increased. In this work, it is shown that PMSG with a rotor cage should have permanent magnets with an increased temperature class in order to avoid demagnetization of the magnets during asynchronous start-up. In addition, manufacturers of such generators should provide the number of start-up cycles from cold and warm states in order to avoid shortening the service life of the machine. The main objective of the article is to present the methods of synchronizing a generator of such a design (a rotor with permanent magnets and a starting cage) and their consequences on the behavior of the machine. The presented design allows synchronization of the generator with the network in two ways. The first method enables synchronization of the generator with the power system by asynchronous start-up, i.e., obtaining a starting torque exceeding the braking torque from the magnets. The second method of synchronization is similar to the method used in electromagnetically excited generators, i.e., before connecting, the rotor is accelerated to synchronous speed by means of a water turbine, and then, the machine is connected to the grid by switching on the circuit breaker. This paper presents electromagnetic phenomena occurring in both cases of synchronization and describes the influence of magnet temperature on physical quantities. Full article
(This article belongs to the Section F: Electrical Engineering)
Show Figures

Figure 1

19 pages, 5942 KB  
Article
Research on Pipeline Stress Detection Method Based on Double Magnetic Coupling Technology
by Guoqing Wang, Qi Xia, Hong Yan, Shicheng Bei, Huakai Zhang, Hao Geng and Yuhan Zhao
Sensors 2024, 24(19), 6463; https://doi.org/10.3390/s24196463 - 7 Oct 2024
Cited by 6 | Viewed by 1685
Abstract
Oil and gas pipelines are subject to soil corrosion and medium pressure factors, resulting in stress concentration and pipe rupture and explosion. Non-destructive testing technology can identify the stress concentration and defect corrosion area of the pipeline to ensure the safety of pipeline [...] Read more.
Oil and gas pipelines are subject to soil corrosion and medium pressure factors, resulting in stress concentration and pipe rupture and explosion. Non-destructive testing technology can identify the stress concentration and defect corrosion area of the pipeline to ensure the safety of pipeline transportation. In view of the problem that the traditional pipeline inspection cannot identify the stress signal at the defect, this paper proposes a detection method using strong and weak magnetic coupling technology. Based on the traditional J-A (Jiles–Atherton) model, the pinning coefficient is optimized and the stress demagnetization factor is added to establish the defect of the ferromagnetic material. The force-magnetic relationship optimization model is used to calculate the best detection magnetic field strength. The force-magnetic coupling simulation of Q235 steel material is carried out by ANSYS 2019 R1 software based on the improved J-A force-magnetic model. The results show that the effect of the stress on the pipe on the magnetic induction increases first and then decreases with the increase in the excitation magnetic field strength, and the magnetic signal has the maximum proportion of the stress signal during the excitation process; the magnetic induction at the pipe defect increases linearly with the increase in the stress trend. Through the strong and weak magnetic scanning detection of cracked pipeline materials, the correctness of the theoretical analysis and the validity of the engineering application of the strong and weak magnetic detection method are verified. Full article
Show Figures

Figure 1

19 pages, 4872 KB  
Article
Modeling of Dual-Phase Composite Magnetic Material and Its Application in Transformers
by Yang Liu, Fuyao Yang, Yu Han, Jie Gao, Dezhi Chen and Haonan Bai
Energies 2024, 17(6), 1354; https://doi.org/10.3390/en17061354 - 12 Mar 2024
Cited by 1 | Viewed by 1596
Abstract
Dual-phase composite magnetic materials have magnetic and permanent magnetic properties. They can realize the dual-phase conversion of soft magnetic and permanent magnetic composites with a small amount of excitation energy. They have the advantages of good control and conversion characteristics and save energy, [...] Read more.
Dual-phase composite magnetic materials have magnetic and permanent magnetic properties. They can realize the dual-phase conversion of soft magnetic and permanent magnetic composites with a small amount of excitation energy. They have the advantages of good control and conversion characteristics and save energy, and they have a wide range of application scenarios in regard to power equipment. In this paper, the magnetization modeling of dual-phase composite magnetic materials is carried out based on micromagnetic theory, and a specific mathematical expression is given. Secondly, the preparation process of the dual-phase composite magnetic material is studied, the dual-phase composite magnetic material is prepared, and the demagnetization curve of the dual-phase composite magnetic material is measured. Finally, the application of dual-phase composite magnetic materials in power equipment is carried out. Using the soft magnetic and permanent magnetic characteristics of dual-phase composite magnetic materials, their impact on DC bias suppression in transformers is assessed. Magnetic circuit reluctance theory is used to develop the structure and electromagnetic design of a transformer. A transformer prototype with DC bias suppression ability based on dual-phase composite magnetic materials is manufactured, and simulation and experimental research are carried out. The simulation and experimental results verify the correctness of the proposed scheme. Although this scheme requires a more complex core structure, the energy-saving effect is remarkable without changing the transformer’s neutral grounding. The indicators meet the actual requirements of the project. Full article
(This article belongs to the Section F: Electrical Engineering)
Show Figures

Figure 1

9 pages, 4873 KB  
Article
Fluence and Temperature Dependences of Laser-Induced Ultrafast Demagnetization and Recovery Dynamics in L10-FePt Thin Film
by Zhikun Xie, Yuanhai Cai, Meng Tang, Jielin Zhou, Junhao Liu, Jun Peng, Tianran Jiang, Zhong Shi and Zhifeng Chen
Materials 2023, 16(14), 5086; https://doi.org/10.3390/ma16145086 - 19 Jul 2023
Cited by 5 | Viewed by 2150
Abstract
The fundamental mechanisms of ultrafast demagnetization and magnetization recovery processes in ferromagnetic materials remain incompletely understood. The investigation of different dynamic features which depend on various physical quantities requires a more systematic approach. Here, the femtosecond laser-induced demagnetization and recovery dynamics in L [...] Read more.
The fundamental mechanisms of ultrafast demagnetization and magnetization recovery processes in ferromagnetic materials remain incompletely understood. The investigation of different dynamic features which depend on various physical quantities requires a more systematic approach. Here, the femtosecond laser-induced demagnetization and recovery dynamics in L10-Fe0.5Pt0.5 alloy film are studied by utilizing time-resolved magneto-optical Kerr measurements, focusing on their dependences of excitation fluence and ambient temperature over broad ranges. Ultrafast demagnetization dominated by Elliott-Yafet spin-flip scattering, and two-step magnetization recovery processes are found to be involved in all observations. The fast recovery time corresponding to spin–lattice relaxation is much shorter than that of many ferromagnets and increase with excitation fluence. These can be ascribed to the strong spin–orbit coupling (SOC) demonstrated in FePt and the reduction of transient magnetic anisotropy, respectively. Surprisingly, the demagnetization time exhibits no discernible correlation with ambient temperature. Two competitive factors are proposed to account for this phenomenon. On the other hand, the spin–lattice relaxation accelerates as temperature decreases due to enhanced SOC at lower ambient temperature. A semiquantitative analysis is given to get a visualized understanding. These results offer a comprehensive understanding of the dynamic characteristics of ultrafast demagnetization and recovery processes in iron-based materials with strong SOC, highlighting the potential for regulating the magnetization recovery process through temperature and laser fluence adjustments. Full article
Show Figures

Figure 1

16 pages, 7489 KB  
Article
Multiport Driving Topology for a Photovoltaic Aircraft Light Transmission System Driven by Switched Reluctance Motors
by Xiaoshu Zan, Wenyuan Zhang, Kai Ni, Zhikai Jiang and Yi Gong
Energies 2020, 13(14), 3687; https://doi.org/10.3390/en13143687 - 17 Jul 2020
Cited by 1 | Viewed by 2230
Abstract
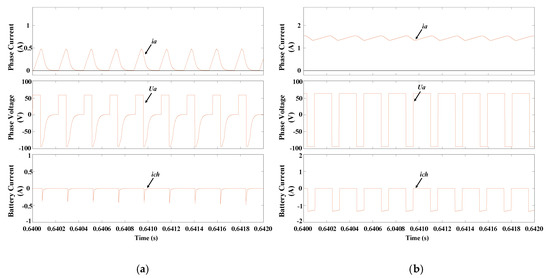
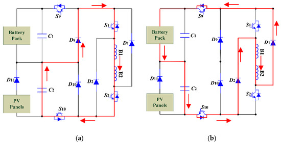
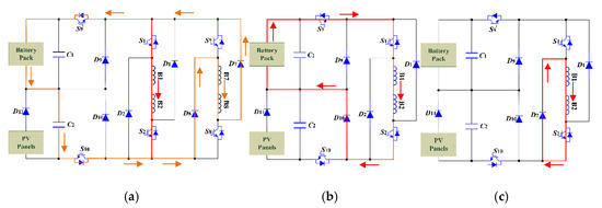
In order to meet the working requirements of high performance and low cost for a photovoltaic (PV) aircraft driven by switched reluctance motors (SRMs), a multiport driving topology (MDT) is proposed. The converter is composed of an asymmetric half-bridge and a multiport power [...] Read more.
In order to meet the working requirements of high performance and low cost for a photovoltaic (PV) aircraft driven by switched reluctance motors (SRMs), a multiport driving topology (MDT) is proposed. The converter is composed of an asymmetric half-bridge and a multiport power source circuit. Three driving and two charging modes can be realized through simple control of the switches. The output torque and the efficiency of the system are improved, because the excitation and demagnetization processes are accelerated by increasing the commutation voltage. The battery pack can be self-charged when the system is running, and PV panels can be used to charge the battery pack to reduce energy consumption when the system is stationary. The simulation analysis and the experimental verification on an 8/6 SRM confirm the effectiveness of the MFT proposed in this paper. Full article
(This article belongs to the Section A1: Smart Grids and Microgrids)
Show Figures

Figure 1

Back to TopTop