Sign in to use this feature.

Years

Between: -

Subjects

remove_circle_outline
remove_circle_outline
remove_circle_outline
remove_circle_outline
remove_circle_outline
remove_circle_outline
remove_circle_outline

Journals

Article Types

Countries / Regions

Search Results (17)

Search Parameters:
Keywords = brush actuation

Order results
Result details
Results per page
Select all
Export citation of selected articles as:
25 pages, 23143 KB  
Article
Experimental Characterization of Miniature DC Motors for Robotics in High Magnetic Field Environments
by Francesco Mazzei, Luca Bernardi, Paolo Francesco Scaramuzzino, Corrado Gargiulo and Fabio Curti
Robotics 2025, 14(12), 172; https://doi.org/10.3390/robotics14120172 - 21 Nov 2025
Viewed by 479
Abstract
The deployment of robotic systems in hazardous and magnetically intense environments requires careful assessment of their performance under external disturbances. In particular, electromagnetic motors used for actuation may interact with strong magnetic fields, potentially impairing their functionality. This study investigates the behaviour of [...] Read more.
The deployment of robotic systems in hazardous and magnetically intense environments requires careful assessment of their performance under external disturbances. In particular, electromagnetic motors used for actuation may interact with strong magnetic fields, potentially impairing their functionality. This study investigates the behaviour of miniature brushed coreless Direct Current (DC) motors for small Unmanned Aerial Vehicle (UAV) applications in magnetically harsh environments, such as underground accelerator facilities like the Large Hadron Collider (LHC) at CERN. Experimental tests were conducted measuring four main physical quantities: the torque components acting along the axes orthogonal to the shaft, the torque about the shaft axis, variations in angular speed, and electrical current consumption. The results showed that the motors were able to operate under external magnetic field intensities up to 0.4 T, although measurable torques acted on the internal permanent magnet and on the ferromagnetic housing material. Some discrepancies and speed fluctuations were observed during operation and were attributed to mobility of the internal permanent magnet. Overall, the findings demonstrate that the tested miniature motors exhibit resilience in high magnetic fields but suffer from manufacturing variability, suggesting that higher-quality motors with more consistent characteristics would be preferable for reliable robotic operation in harsh environments. Full article
(This article belongs to the Section Intelligent Robots and Mechatronics)
Show Figures

Figure 1

13 pages, 6013 KB  
Article
Gold Nanorod-Coated Hydrogel Brush Valves in Macroporous Silicon Membranes for NIR-Driven Localized Chemical Modulation
by Nafis Mustakim, Youngsik Song and Sang-Woo Seo
Gels 2025, 11(1), 25; https://doi.org/10.3390/gels11010025 - 1 Jan 2025
Viewed by 1409
Abstract
A two-dimensional array of microfluidic ports with remote-controlled valve actuation is of great interest for applications involving localized chemical stimulation. Herein, a macroporous silicon-based platform where each pore contains an independently controllable valve made from poly(N-isopropylacrylamide) (PNIPAM) brushes is proposed. These valves are [...] Read more.
A two-dimensional array of microfluidic ports with remote-controlled valve actuation is of great interest for applications involving localized chemical stimulation. Herein, a macroporous silicon-based platform where each pore contains an independently controllable valve made from poly(N-isopropylacrylamide) (PNIPAM) brushes is proposed. These valves are coated with silica-encapsulated gold nanorods (GNRs) for NIR-actuated switching capability. The layer-by-layer (LBL) electrostatic deposition technique was used to attach the GNRs to the PNIPAM brushes. The deposition of GNRs was confirmed by dark-field optical microscopy, and the localized surface plasmon resonance (LSPR) of the deposited GNRs was analyzed using UV-Vis spectra. To evaluate the chemical release behaviors, fluorescein dye was employed as a model substance. The chemical release properties, like OFF-state diffusion through the valve, the ratio between ON-state and OFF-state chemical release, and the rapidness of chemical modulation of the valve, were investigated, varying the PNIPAM brush thickness. The results indicate that enhancing the thickness of the PNIPAM brush in our platform improves control over the chemical modulation properties. However, excessive increases in brush length may lead to entanglement, which negatively impacts the chemical modulation efficiency. Full article
Show Figures

Graphical abstract

24 pages, 12274 KB  
Article
Methodology for Selecting the Appropriate Electric Motor for Robotic Modular Systems for Lower Extremities
by Dimitrios Kavalieros, Evangelos Kapothanasis, Athanasios Kakarountas and Thanasis Loukopoulos
Healthcare 2022, 10(10), 2054; https://doi.org/10.3390/healthcare10102054 - 17 Oct 2022
Cited by 13 | Viewed by 5761
Abstract
Torque calculation is essential for selecting the appropriate motor to achieve the required torque at each joint of a hybrid exoskeleton. In recent years, the combined use of functional electrical stimulation (FES) and robotic devices, called hybrid robotic rehabilitation systems, has emerged as [...] Read more.
Torque calculation is essential for selecting the appropriate motor to achieve the required torque at each joint of a hybrid exoskeleton. In recent years, the combined use of functional electrical stimulation (FES) and robotic devices, called hybrid robotic rehabilitation systems, has emerged as a promising approach for the rehabilitating of lower limb motor functions. Specifically, the implementation strategy of functional electrical stimulation walking aid combined with the design of the exoskeleton part is the main focus of our research team. This work copes with issues of the design process of a robotic exoskeleton. The importance of robotic exoskeletons for providing walking aid to people with mobility disorders or the elderly is discussed. Furthermore, the approaches to calculating the joint torques are investigated, and the mathematical models and parameters of interest are identified. This further includes the comparative data for servo motors: robotic exoskeleton characteristics and actuator analysis in the robotic exoskeleton. The aforementioned is used to propose a mathematical model based on previous models (Zatsiorsky BSP and Dempster BSP body segment parameters models, forward kinematics models), which was extended to include added adjustable parameters such as length, area, volume, mass, density, the centre of mass, human body characteristics, and considering both static and dynamic parameter extraction. Then, an analytic method is presented, exploiting the results from the mathematical model to select the appropriate motor for each joint of the lower extremities. The detailed description of the method is followed by examples, experimental measurements, and statistical analysis of qualitative and quantitative characteristics. The results showed deviations from typical calculation methods, offering a better understanding of the motor requirements for each joint of the exoskeleton and avoiding selections of marginal functionality features of the motors. In addition, researchers are offered a tool for replicating the results of this work, allowing them to configure the parameters associated with the servo motor features. The researcher can either use the embedded library developed for this work or enter new data into it, affecting the calculated torques of the model joints. The extracted results assist the researcher in choosing the appropriate motor among commercially available brushed and brushless motors based on the torques applied at each joint in robotic articulated systems. Full article
Show Figures

Figure 1

21 pages, 6812 KB  
Article
Mobile Robots—AHP-Based Actuation Solution Selection and Comparison between Mecanum Wheel Drive and Differential Drive with Regard to Dynamic Loads
by Sever-Gabriel Racz, Mihai Crenganiș, Radu-Eugen Breaz, Adrian Maroșan, Alexandru Bârsan, Claudia-Emilia Gîrjob, Cristina-Maria Biriș and Melania Tera
Machines 2022, 10(10), 886; https://doi.org/10.3390/machines10100886 - 1 Oct 2022
Cited by 10 | Viewed by 3521
Abstract
Mobile robots are increasingly used in industrial applications. There are many constructive solutions for mobile robots using various variants of actuation and control. The proposed work presents a low-cost variant of a mobile robot equipped with Mecanum wheels, which uses brushed DC motors, [...] Read more.
Mobile robots are increasingly used in industrial applications. There are many constructive solutions for mobile robots using various variants of actuation and control. The proposed work presents a low-cost variant of a mobile robot equipped with Mecanum wheels, which uses brushed DC motors, controlled by the PWM method as the actuation solution. In the first part, a multicriteria analysis based on the AHP method was performed for the selection of the actuation solution. Then, using the software tools Simscape Multibody, Matlab, and Simulink, models were developed that allowed the simulation of the operation of the proposed robot, based both on its kinematics and dynamics. Using these models, both the Mecanum wheel drive version and the differential drive version were studied by means of simulation. The simulations mainly aimed at identifying the way the currents vary through the wheel drive motors, in order to find methods to reduce them. The values obtained by the simulation were later compared with those obtained experimentally, and the corresponding conclusions with regard to the accuracy of the models were drawn. Full article
(This article belongs to the Special Issue Design and Control of Industrial Robots)
Show Figures

Figure 1

20 pages, 3421 KB  
Article
A Cooperative ADRC-Based Approach for Angular Velocity Synchronization and Load-Sharing in Servomechanisms
by W. Fermin Guerrero-Sánchez, Jésus Linares-Flores, Arturo Hernández-Méndez, Victor R. Gonzalez-Diaz, Gerardo Mino Aguilar, German A. Munoz-Hernandez and J. Fermi Guerrero-Castellanos
Energies 2022, 15(14), 5121; https://doi.org/10.3390/en15145121 - 14 Jul 2022
Cited by 1 | Viewed by 2271
Abstract
This paper is concerned with designing a dynamical synchronization (via a robust cooperative control) of an electromechanical system network (EMSN), consisting of nonidentical brushed DC motors, where only the motors’ angular velocity measurements are available. The challenge of the proposed approach is that [...] Read more.
This paper is concerned with designing a dynamical synchronization (via a robust cooperative control) of an electromechanical system network (EMSN), consisting of nonidentical brushed DC motors, where only the motors’ angular velocity measurements are available. The challenge of the proposed approach is that the actuation provided by the motor needs to handle external disturbances to achieve the velocity tracking task and handle the interaction between both motors cooperatively to share the load and the disturbance rejection. The control’s basis involves differential flatness and an active disturbance rejection control (ADRC) framework augmented using ideas from the graph theory analysis and multi-agent networks. Experimental results verify the theoretical developments and show the effectiveness of the proposed control strategy despite unexpectedly changing load disturbance and parameters uncertainties. The proposed algorithm is suitable for embedded use due to its simplicity. It can be applied to a broad spectrum of mechatronic systems where dual-motor drive arrangements are necessary. Full article
(This article belongs to the Special Issue Active Disturbance Rejection Control in Power Electronics)
Show Figures

Figure 1

18 pages, 7506 KB  
Review
Characteristics of Hydraulic and Electric Servo Motors
by Sayako Sakama, Yutaka Tanaka and Akiya Kamimura
Actuators 2022, 11(1), 11; https://doi.org/10.3390/act11010011 - 5 Jan 2022
Cited by 44 | Viewed by 12026
Abstract
Until the 1970s, hydraulic actuators were widely used in many mechanical systems; however, recently, electric motors have become mainstream by virtue of their improved performance, and hydraulic motors have largely been replaced by electric motors in many applications. Although this trend is expected [...] Read more.
Until the 1970s, hydraulic actuators were widely used in many mechanical systems; however, recently, electric motors have become mainstream by virtue of their improved performance, and hydraulic motors have largely been replaced by electric motors in many applications. Although this trend is expected to continue into the future, it is important to comprehensively evaluate which motor is most suitable when designing mechanical systems. This paper presents the results of a survey of the performance of electric and hydraulic servo motors and aims to provide quantitative data that can be used as a reference for selecting appropriate motors. We surveyed AC, AC direct, brushless DC, and brushed DC electric motors and swash plate-type axial piston, bent axis-type axial piston, crank-type radial piston, and multistroke-type radial piston hydraulic motors. Performance data were collected from catalogs and nonpublic data. We compared and evaluated the characteristics of these diverse servo motors using indexes such as torque, rotating speed, output power, power density, and power rate. Full article
(This article belongs to the Section High Torque/Power Density Actuators)
Show Figures

Figure 1

16 pages, 3681 KB  
Article
One-Step Fabrication of Stimuli-Responsive Chitosan-Platinum Brushes for Listeria monocytogenes Detection
by Daniela A. Oliveira, Suleiman Althawab, Eric S. McLamore and Carmen L. Gomes
Biosensors 2021, 11(12), 511; https://doi.org/10.3390/bios11120511 - 13 Dec 2021
Cited by 13 | Viewed by 3929
Abstract
Bacterial contamination in food-processing facilities is a critical issue that leads to outbreaks compromising the integrity of the food supply and public health. We developed a label-free and rapid electrochemical biosensor for Listeria monocytogenes detection using a new one-step simultaneous sonoelectrodeposition of platinum [...] Read more.
Bacterial contamination in food-processing facilities is a critical issue that leads to outbreaks compromising the integrity of the food supply and public health. We developed a label-free and rapid electrochemical biosensor for Listeria monocytogenes detection using a new one-step simultaneous sonoelectrodeposition of platinum and chitosan (CHI/Pt) to create a biomimetic nanostructure that actuates under pH changes. The XPS analysis shows the effective co-deposition of chitosan and platinum on the electrode surface. This deposition was optimized to enhance the electroactive surface area by 11 times compared with a bare platinum–iridium electrode (p < 0.05). Electrochemical behavior during chitosan actuation (pH-stimulated osmotic swelling) was characterized with three different redox probes (positive, neutral, and negative charge) above and below the isoelectric point of chitosan. These results showed that using a negatively charged redox probe led to the highest electroactive surface area, corroborating previous studies of stimulus–response polymers on metal electrodes. Following this material characterization, CHI/Pt brushes were functionalized with aptamers selective for L. monocytogenes capture. These aptasensors were functional at concentrations up to 106 CFU/mL with no preconcentration nor extraneous reagent addition. Selectivity was assessed in the presence of other Gram-positive bacteria (Staphylococcus aureus) and with a food product (chicken broth). Actuation led to improved L. monocytogenes detection with a low limit of detection (33 CFU/10 mL in chicken broth). The aptasensor developed herein offers a simple fabrication procedure with only one-step deposition followed by functionalization and rapid L. monocytogenes detection, with 15 min bacteria capture and 2 min sensing. Full article
Show Figures

Figure 1

14 pages, 6389 KB  
Article
Design of 4-DOF Voice Coil Motor with Function of Reducing Laser Geometrical Fluctuations
by Chien-Sheng Liu, Yu-Cheng Wu and Yu-Jie Lan
Actuators 2021, 10(12), 320; https://doi.org/10.3390/act10120320 - 3 Dec 2021
Cited by 5 | Viewed by 4534
Abstract
In order to improve the quality of the laser and shorten the optical path of the fast steering mirror (FSM) laser compensation system, this paper proposes a four-degrees-of-freedom (4-DOF) voice coil motor (VCM) with the function of reducing laser geometrical fluctuations. The feature [...] Read more.
In order to improve the quality of the laser and shorten the optical path of the fast steering mirror (FSM) laser compensation system, this paper proposes a four-degrees-of-freedom (4-DOF) voice coil motor (VCM) with the function of reducing laser geometrical fluctuations. The feature of this paper is the combination of a DC brushed spindle motor and the proposed 4-DOF VCM. A diffuser is installed on the shaft of the DC brushed motor for suppressing the laser speckle. The proposed 4-DOF VCM is combined with a laboratory-designed mirror set, controlling the laser direction to compensate for laser fluctuations. The proposed actuator was designed and verified by using the commercial CAD software SolidWorks and finite element analysis (FEA) software ANSYS. A mathematical model was built to simulate the dynamic response of the proposed 4-DOF VCM in MATLAB Simulink. Full article
(This article belongs to the Special Issue Design and Application of Actuators with Multi-DOF Movement)
Show Figures

Figure 1

20 pages, 4361 KB  
Article
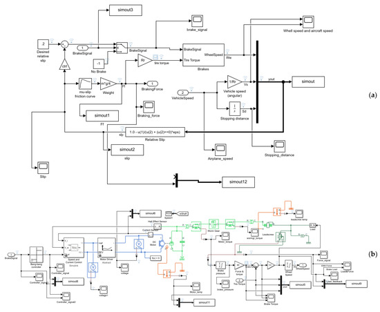
Digital Simulation and Identification of Faults with Neural Network Reasoners in Brushed Actuators Employed in an E-Brake System
by Gouri Ramesh, Pablo Garza and Suresh Perinpanayagam
Appl. Sci. 2021, 11(19), 9171; https://doi.org/10.3390/app11199171 - 2 Oct 2021
Cited by 7 | Viewed by 3290
Abstract
The aerospace industry is constantly looking to adopt new technologies to increase the performance of the machines and procedures they employ. In recent years, the industry has tried to introduce more electric aircraft and integrated vehicle health management technologies to achieve various benefits, [...] Read more.
The aerospace industry is constantly looking to adopt new technologies to increase the performance of the machines and procedures they employ. In recent years, the industry has tried to introduce more electric aircraft and integrated vehicle health management technologies to achieve various benefits, such as weight reduction, lower fuel consumption, and a decrease in unexpected failures. In this experiment, data obtained from the simulation model of an electric braking system employing a brushed DC motor is used to determine its health. More specifically, the data are used to identify faults, namely open circuit fault, intermittent open circuit, and jamming. The variation of characteristic parameters during normal working conditions and when faults are encountered are analysed qualitatively. The analysis is used to select the features that are ideal to be fed into the reasoner. The selected features are braking force, wheel slip, motor temperature, and motor angular displacement, as these parameters have very distinct profiles upon injection of each of the faults. Due to the availability of clean data, a data-driven approach is adopted for the development of the reasoner. In this work, a Long Short-Term Memory Neural Network time series classifier is proposed for the identification of faults. The performance of this classifier is then compared with two others—K Nearest Neighbour time series and Time Series Forest classifiers. The comparison of the reasoners is then carried out in terms of accuracy, precision, recall and F1-score. Full article
(This article belongs to the Section Robotics and Automation)
Show Figures

Figure 1

17 pages, 2964 KB  
Article
Chimney Sweeping Robot Based on a Pneumatic Actuator
by Peter Ján Sinčák, Ivan Virgala, Michal Kelemen, Erik Prada, Zdenko Bobovský and Tomáš Kot
Appl. Sci. 2021, 11(11), 4872; https://doi.org/10.3390/app11114872 - 26 May 2021
Cited by 13 | Viewed by 4736
Abstract
The need of improving the quality of professions led to the idea of simplification of processes during chimney sweeping. These processes have been essentially the same for tens of years. The goal of this paper is to bring an automation element into the [...] Read more.
The need of improving the quality of professions led to the idea of simplification of processes during chimney sweeping. These processes have been essentially the same for tens of years. The goal of this paper is to bring an automation element into the chimney sweeping process, making the job easier for the chimney sweeper. In this paper, an essentially in-pipe robot is presented, which uses brushes to move while simultaneously cleaning the chimney or pipeline. The problem of the robot motion was reduced using an in-pipe robot due to the environments and obstacles that the robot has to face. An approach of using a pneumatic actuator for motion is presented along with the mechanical design. The next part of this paper is focused on the mathematical model of the robot motion, as well as its simulation and testing in the experimental pipeline. The simulations were compared with the experimental measurements and a few analyses were conducted describing the simulation model and its differences with the real robot, as well as considering certain parameters and their impact on the performance of the robot. The results are discussed at the end of the paper. Full article
Show Figures

Figure 1

24 pages, 3029 KB  
Article
Sense–Analyze–Respond–Actuate (SARA) Paradigm: Proof of Concept System Spanning Nanoscale and Macroscale Actuation for Detection of Escherichia coli in Aqueous Media
by Cassie A. Giacobassi, Daniela A. Oliveira, Cicero C. Pola, Dong Xiang, Yifan Tang, Shoumen Palit Austin Datta, Eric S. McLamore and Carmen L. Gomes
Actuators 2021, 10(1), 2; https://doi.org/10.3390/act10010002 - 23 Dec 2020
Cited by 13 | Viewed by 5698
Abstract
Foodborne pathogens are a major concern for public health. We demonstrate for the first time a partially automated sensing system for rapid (~17 min), label-free impedimetric detection of Escherichia coli spp. in food samples (vegetable broth) and hydroponic media (aeroponic lettuce system) based [...] Read more.
Foodborne pathogens are a major concern for public health. We demonstrate for the first time a partially automated sensing system for rapid (~17 min), label-free impedimetric detection of Escherichia coli spp. in food samples (vegetable broth) and hydroponic media (aeroponic lettuce system) based on temperature-responsive poly(N-isopropylacrylamide) (PNIPAAm) nanobrushes. This proof of concept (PoC) for the Sense-Analyze-Respond-Actuate (SARA) paradigm uses a biomimetic nanostructure that is analyzed and actuated with a smartphone. The bio-inspired soft material and sensing mechanism is inspired by binary symbiotic systems found in nature, where low concentrations of bacteria are captured from complex matrices by brush actuation driven by concentration gradients at the tissue surface. To mimic this natural actuation system, carbon-metal nanohybrid sensors were fabricated as the transducer layer, and coated with PNIPAAm nanobrushes. The most effective coating and actuation protocol for E. coli detection at various temperatures above/below the critical solution temperature of PNIPAAm was determined using a series of electrochemical experiments. After analyzing nanobrush actuation in stagnant media, we developed a flow through system using a series of pumps that are triggered by electrochemical events at the surface of the biosensor. SARA PoC may be viewed as a cyber-physical system that actuates nanomaterials using smartphone-based electroanalytical testing of samples. This study demonstrates thermal actuation of polymer nanobrushes to detect (sense) bacteria using a cyber-physical systems (CPS) approach. This PoC may catalyze the development of smart sensors capable of actuation at the nanoscale (stimulus-response polymer) and macroscale (non-microfluidic pumping). Full article
(This article belongs to the Special Issue Miniature and Micro-Actuators)
Show Figures

Graphical abstract

19 pages, 2847 KB  
Article
An Energy Saving Road Sweeper Using Deep Vision for Garbage Detection
by Luca Donati, Tomaso Fontanini, Fabrizio Tagliaferri and Andrea Prati
Appl. Sci. 2020, 10(22), 8146; https://doi.org/10.3390/app10228146 - 17 Nov 2020
Cited by 28 | Viewed by 10826
Abstract
Road sweepers are ubiquitous machines that help preserve our cities cleanliness and health by collecting road garbage and sweeping out dirt from our streets and sidewalks. They are often very mechanical instruments, needing to operate in harsh conditions dealing with all sorts of [...] Read more.
Road sweepers are ubiquitous machines that help preserve our cities cleanliness and health by collecting road garbage and sweeping out dirt from our streets and sidewalks. They are often very mechanical instruments, needing to operate in harsh conditions dealing with all sorts of abandoned trash and natural garbage. They are usually composed of rotating brushes, collector belts and bins, and sometimes water or air streams. All of these mechanical tools are usually high in power demand and strongly subject to wear and tear. Moreover, due to the simple working logic often implied by these cleaning machines, these tools work in an “always on”/“max power” state, and any further regulation is left to the pilot. Therefore, adding artificial intelligence able to correctly operate these tools in a semi-automatic way would be greatly beneficial. In this paper, we propose an automatic road garbage detection system, able to locate with great precision most types of road waste, and to correctly instruct a road sweeper in order to handle them. With this simple addition to an existing sweeper, we will be able to save more than 80% electrical power currently absorbed by the cleaning systems and reduce by the same amount brush weariness (prolonging their lifetime). This is done by choosing when to use the brushes and when not to, with how much strength, and where. The only hardware components needed by the system will be a camera and a PC board able to read the camera output (and communicate via CanBus). The software of the system will be mainly composed of a deep neural network for semantic segmentation of images, and a real-time software program to control the sweeper actuators with the appropriate timings. To prove the claimed results, we run extensive tests onboard of such a truck, as well as benchmark tests for accuracy, sensitivity, specificity and inference speed of the system. Full article
Show Figures

Figure 1

19 pages, 1006 KB  
Article
Path-Tracking of a WMR Fed by Inverter-DC/DC Buck Power Electronic Converter Systems
by Victor Manuel Hernández-Guzmán, Ramón Silva-Ortigoza, Salvador Tavera-Mosqueda, Mariana Marcelino-Aranda and Magdalena Marciano-Melchor
Sensors 2020, 20(22), 6522; https://doi.org/10.3390/s20226522 - 15 Nov 2020
Cited by 7 | Viewed by 2782
Abstract
This paper is concerned with path-tracking control of a wheeled mobile robot. This robot is equipped with two permanent magnet brushed DC-motors which are fed by two inverter-DC/DC Buck power converter systems as power amplifiers. By taking into account the dynamics of all [...] Read more.
This paper is concerned with path-tracking control of a wheeled mobile robot. This robot is equipped with two permanent magnet brushed DC-motors which are fed by two inverter-DC/DC Buck power converter systems as power amplifiers. By taking into account the dynamics of all the subsystems we present, for the first time, a formal stability proof for this control problem. Our control scheme is simple, in the sense that it is composed by four internal classical proportional-integral loops and one external classical proportional-derivative loop for path-tracking purposes. This is the third paper of a series of papers devoted to control different nonlinear systems, which proves that the proposed methodology is a rather general approach for controlling electromechanical systems when actuated by power electronic converters. Full article
(This article belongs to the Special Issue Sensors and Robot Control)
Show Figures

Figure 1

18 pages, 20659 KB  
Review
Oscillating Reactions Meet Polymers at Interfaces
by Alina Osypova, Matthias Dübner and Guido Panzarasa
Materials 2020, 13(13), 2957; https://doi.org/10.3390/ma13132957 - 2 Jul 2020
Cited by 14 | Viewed by 4401
Abstract
Chemo-mechanical phenomena, including oscillations and peristaltic motions, are widespread in nature—just think of heartbeats—thanks to the ability of living organisms to convert directly chemical energy into mechanical work. Their imitation with artificial systems is still an open challenge. Chemical clocks and oscillators (such [...] Read more.
Chemo-mechanical phenomena, including oscillations and peristaltic motions, are widespread in nature—just think of heartbeats—thanks to the ability of living organisms to convert directly chemical energy into mechanical work. Their imitation with artificial systems is still an open challenge. Chemical clocks and oscillators (such as the popular Belousov–Zhabotinsky (BZ) reaction) are reaction networks characterized by the emergence of peculiar spatiotemporal dynamics. Their application to polymers at interfaces (grafted chains, layer-by-layer assemblies, and polymer brushes) offers great opportunities for developing novel smart biomimetic materials. Despite the wide field of potential applications, limited research has been carried out so far. Here, we aim to showcase the state-of-the-art of this fascinating field of investigation, highlighting the potential for future developments and providing a personal outlook. Full article
(This article belongs to the Special Issue Self-Regulating Materials: Design, Fabrication and Applications)
Show Figures

Graphical abstract

17 pages, 5055 KB  
Article
Effect of Structure of Polymers Grafted from Graphene Oxide on the Compatibility of Particles with a Silicone-Based Environment and the Stimuli-Responsive Capabilities of Their Composites
by Monika Zygo, Miroslav Mrlik, Marketa Ilcikova, Martina Hrabalikova, Josef Osicka, Martin Cvek, Michal Sedlacik, Barbora Hanulikova, Lukas Munster, David Skoda, Pavel Urbánek, Joanna Pietrasik and Jaroslav Mosnáček
Nanomaterials 2020, 10(3), 591; https://doi.org/10.3390/nano10030591 - 24 Mar 2020
Cited by 21 | Viewed by 4499
Abstract
This study reports the utilization of controlled radical polymerization as a tool for controlling the stimuli-responsive capabilities of graphene oxide (GO) based hybrid systems. Various polymer brushes with controlled molecular weight and narrow molecular weight distribution were grafted from the GO surface by [...] Read more.
This study reports the utilization of controlled radical polymerization as a tool for controlling the stimuli-responsive capabilities of graphene oxide (GO) based hybrid systems. Various polymer brushes with controlled molecular weight and narrow molecular weight distribution were grafted from the GO surface by surface-initiated atom transfer radical polymerization (SI-ATRP). The modification of GO with poly(n-butyl methacrylate) (PBMA), poly(glycidyl methacrylate) (PGMA), poly(trimethylsilyloxyethyl methacrylate) (PHEMATMS) and poly(methyl methacrylate) (PMMA) was confirmed by thermogravimetric analysis (TGA) coupled with online Fourier transform infrared spectroscopy (FTIR), transmission electron microscopy (TEM) and X-ray photoelectron spectroscopy (XPS). Various grafting densities of GO-based materials were investigated, and conductivity was elucidated using a four-point probe method. Raman shift and XPS were used to confirm the reduction of surface properties of the GO particles during SI-ATRP. The contact angle measurements indicated the changes in the compatibility of GOs with silicone oil, depending on the structure of the grafted polymer chains. The compatibility of the GOs with poly(dimethylsiloxane) was also investigated using steady shear rheology. The tunability of the electrorheological, as well as the photo-actuation capability, was investigated. It was shown that in addition to the modification of conductivity, the dipole moment of the pendant groups of the grafted polymer chains also plays an important role in the electrorheological (ER) performance. The compatibility of the particles with the polymer matrix, and thus proper particles dispersibility, is the most important factor for the photo-actuation efficiency. The plasticizing effect of the GO-polymer hybrid filler also has a crucial impact on the matrix stiffness and thus the ability to reversibly respond to the external light stimulation. Full article
Show Figures

Figure 1

Back to TopTop