Supercapacitor-Assisted Low-Frequency Converters for DC Microgrids, DC Homes, and DC Appliances for Increased End-to-End Efficiency: Implementation Example of a DC-Converted Refrigerator
Abstract
1. Introduction
1.1. General Development
1.2. Internally DC-Driven Consumer Systems
1.3. Emerging Trends in DC Homes
2. Maximum Power Point Tracking Systems with a Battery Bank
3. Potential of a Supercapacitor Bank Replacing a Battery Bank as the Energy Buffer
3.1. Eliminating Batteries with Supercapacitors
3.2. Battery-Supercapacitor Hybrid Energy Storage Systems
4. Supercapacitors as a Base of New Power Converters and Protection Systems
4.1. Electronic Systems Based on Three Types of Base Components
4.2. Ideal Capacitors as Lossless Elements/Extension to Supercapacitors with Better Application Advantages
4.3. Supercapacitors Creating Long Time Constant Circuits
- SCA low dropout (SCALDO)—high-efficiency DC-DC converter
- SCA temperature modification apparatus (SCATMA)—rapid energy delivery technique based on SC’s high-power capability
- SCA LED (SCALED)—high-efficiency LED lighting technique based on renewable energy with no battery buffer
- SCA surge absorber (SCASA)—transient protection technique.
4.4. Modifications to Basic R-C Circuit and SCALoM Theory
5. Applications of the SCALoM Theory
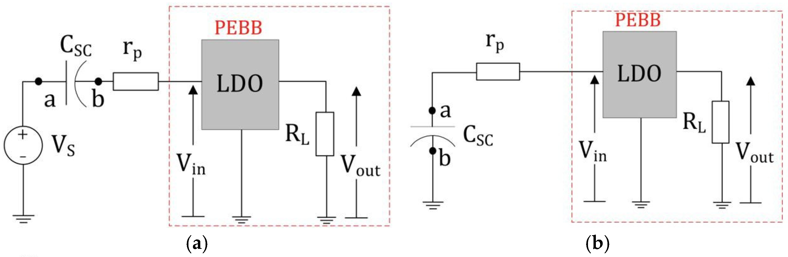
5.1. New DC-DC Converter Family-SCALDO
5.2. DC LED Lighting-SCALED Technique
5.3. Surge Protection-SCASA
6. Extending the SCA Techniques to Work with Inverter Driven Appliances
6.1. Extending the SCA Techniques to Work with Inverter-Driven Appliances
6.2. Powering the Whiteware from Direct Solar DC Renewable Supply
7. SCA-Refrigerator Implementation
7.1. Powering the Refrigerator from Direct Solar DC Renewable Supply
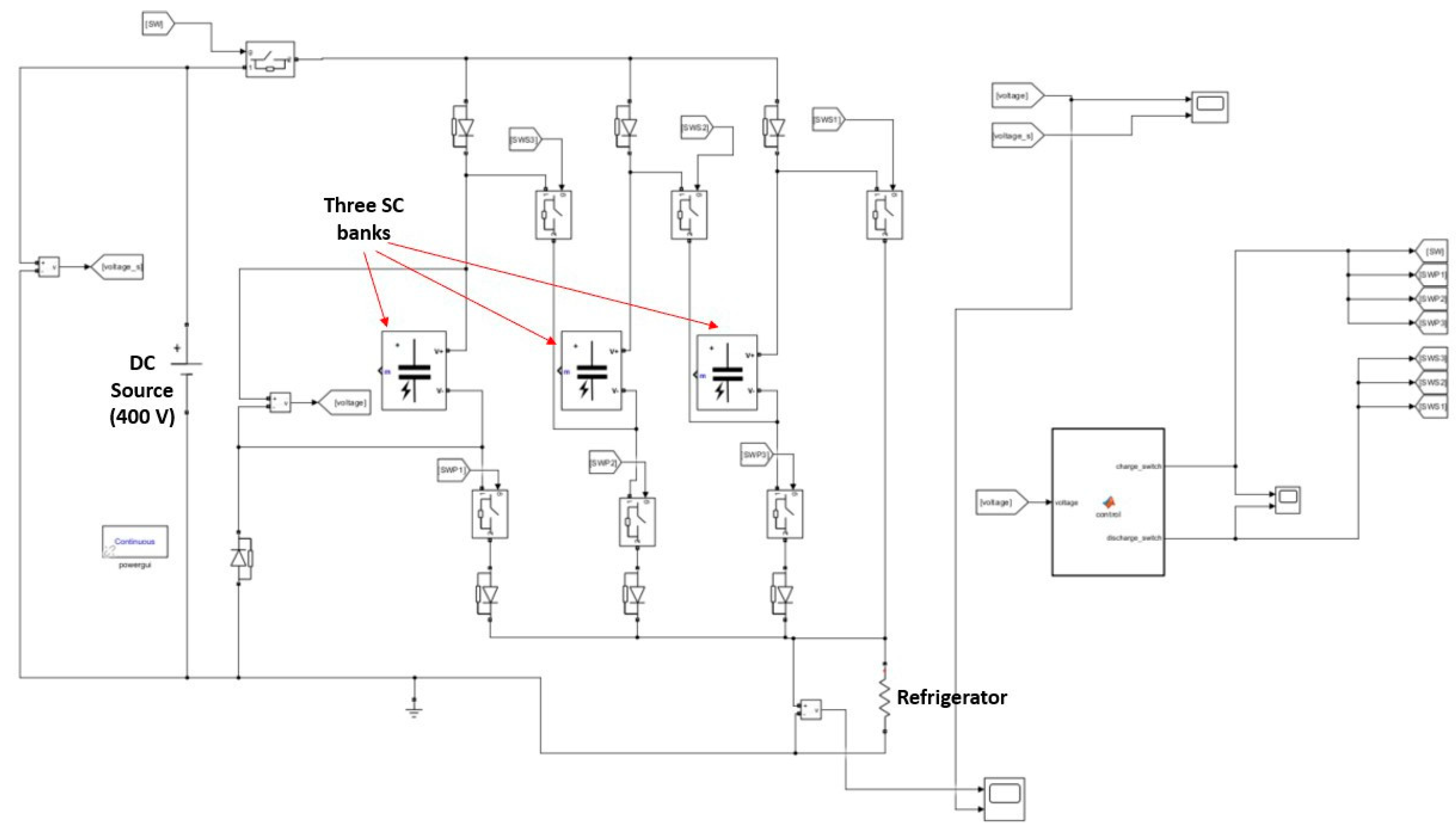
7.2. SCA Converter for Energy Buffering
8. Conclusions
Author Contributions
Funding
Data Availability Statement
Acknowledgments
Conflicts of Interest
Abbreviations
| ETEE | end to end efficiency |
| SC | supercapacitor |
| SCA | supercapacitor-assisted |
| SCALoM | supercapacitor-assisted supercapacitor assisted loss management |
| BLDC | brushless DC |
| VCC | variable capacity compressors |
| PV | photovoltaic |
| ESS | energy storage system |
| MPPT | maximum power point tracking |
| CCM | continuous conduction mode |
| EDLC | electric double-layer capacitors |
| DoD | depth of discharge |
| ESR | equivalent series resistance |
| PEBB | power electronic building block |
| SCALDO | Supercapacitor-assisted low dropout |
| SCATMA | Supercapacitor-assisted temperature modification apparatus |
| SCALED | Supercapacitor-assisted LED |
| SCASA | Supercapacitor-assisted surge absorber |
| BJT | bipolar junction transistor |
| MOSFET | metal-oxide-semiconductor field-effect transistor |
| VSD | variable speed drivers |
| VCC | variable-capacity compressor |
| SCARef | Supercapacitor-assisted refrigerator |
References
- Fairley, P. DC versus AC: The second war of currents has already begun [in my view]. IEEE Power Energy Mag. 2012, 10, 103–104. [Google Scholar] [CrossRef]
- McPherson, S.S. War of the Currents: Thomas Edison vs. Nikola Tesla; Twenty-First Century Books: Minneapolis, MN, USA, 2012. [Google Scholar]
- Iwai, H.; Misra, D. The transistor was invented 75 years ago: A big milestone in human history. Electrochem. Soc. Interface 2022, 31, 65. [Google Scholar] [CrossRef]
- Brinkman, W.F.; Haggan, D.E.; Troutman, W.W. A history of the invention of the transistor and where it will lead us. IEEE J. Solid-State Circuits 1997, 32, 1858–1865. [Google Scholar] [CrossRef]
- Gambhir, R.; Jha, A.K. Brushless DC motor: Construction and applications. Int. J. Eng. Sci. 2013, 2, 72–77. [Google Scholar]
- Ionel, D.M. High-efficiency variable-speed electric motor drive technologies for energy savings in the US residential sector. In Proceedings of the 2010 12th International Conference on Optimization of Electrical and Electronic Equipment, Brasov, Romania, 20 May 2010; pp. 1403–1414. [Google Scholar]
- Saidur, R.; Mekhilef, S.; Ali, M.B.; Safari, A.; Mohammed, H.A. Applications of variable speed drive (VSD) in electrical motors energy savings. Renew. Sustain. Energy Rev. 2012, 16, 543–550. [Google Scholar] [CrossRef]
- Sabry, A.H.; Shallal, A.H.; Hameed, H.S.; Ker, P.J. Compatibility of household appliances with DC microgrid for PV systems. Heliyon 2020, 6, e05652. [Google Scholar] [CrossRef] [PubMed]
- Arunkumar, S.; Sundaram, N.M.; Thottungal, R.; Shreya, A. A bridge type DC-DC converter fed BLDC motor drive for household appliances. In Proceedings of the 2021 International Conference on Advancements in Electrical, Electronics, Communication, Computing and Automation (ICAECA), Coimbatore, India, 1–4 October 2021; pp. 1–4. [Google Scholar]
- Chang, W.R.; Liu, D.Y.; Chen, S.G.; Wu, N.Y. The components and control methods for implementation of inverter-controlled refrigerators/freezers. In Proceedings of the International Refrigeration and Air Conditioning Conference at Purdue, West Lafayette, IN, USA, 12–15 July 2004. [Google Scholar]
- Omori, H.; Kanouda, A. A Trend of Home and Consumer Appliances in Japan: The Past 50 Years and the Future. IEEJ Trans. Electr. Electron. Eng. 2021, 16, 340–348. [Google Scholar] [CrossRef]
- Iuoras, A.M.; Szekely, N.C.; Vitan, L.D.; Bojan, M.; Teodosescu, P.D. AC home appliances retrofitting for DC microgrids. In Proceedings of the 2020 12th International Conference on Electronics, Computers and Artificial Intelligence (ECAI), Bucharest, Romania, 25–27 June 2020; pp. 1–6. [Google Scholar]
- Stippich, A.; Sewergin, A.; Engelmann, G.; Gottschlich, J.; Neubert, M.; van der Broeck, C.; Schuelting, P.; Goldbeck, R.; De Doncker, R. From AC to DC: Benefits in household appliances. In Proceedings of the International ETG Congress 2017, Bonn, Germany, 7–8 November 2017; VDE: Bonn, Germany, 2017; pp. 1–6. [Google Scholar]
- Rodriguez-Otero, M.A.; O’Neill-Carrillo, E. Efficient home appliances for a future DC residence. In Proceedings of the 2008 IEEE Energy 2030 Conference, Atlanta, GA, USA, 17–18 November 2008; IEEE: Atlanta, GA, USA, 2008; pp. 1–6. [Google Scholar]
- Makarabbi, G.; Gavade, V.; Panguloori, R.; Mishra, P. Compatibility and performance study of home appliances in a DC home distribution system. In Proceedings of the 2014 IEEE International Conference on Power Electronics, Drives and Energy Systems 637 (PEDES), Mumbai, India, 16–19 December 2014; pp. 1–6. [Google Scholar]
- Boeke, U.; Wendt, M. DC power grids for buildings. In Proceedings of the 2015 IEEE First International Conference on DC Microgrids (ICDCM), Atlanta, GA, USA, 7–10 June 2015; IEEE: Atlanta, GA, USA, 2015; pp. 210–214. [Google Scholar]
- Kularatna, N. DC Power Supplies: Power Management and Surge Protection for Power Electronic Systems; CRC Press: Boca Raton, FL, USA, 2012. [Google Scholar]
- Jayananda, U.G.D.U.K. Supercapacitor Assisted LED (SCALED) Converter Technique for Solar Powered DC-Microgrids. Ph.D. Thesis, The University of Waikato, Hamilton, New Zealand, 12 October 2020. [Google Scholar]
- Power Integrations. TVs and Monitors. Available online: https://www.power.com/applications/ac-dc-conversion/tvs-and-monitors (accessed on 25 October 2024).
- Qureshi, T.; Tassou, S. Variable-speed capacity control in refrigeration systems. Appl. Therm. Eng. 1996, 16, 103–113. [Google Scholar] [CrossRef]
- Rasmussen, C.B.; Ritchie, E. Variable speed brushless DC motor drive for household refrigerator compressor. In Proceedings of the 1997 Eighth International Conference on Electrical Machines and Drives (Conf. Publ. No. 444), Cambridge, UK, 11–13 September 1997; pp. 128–132. [Google Scholar]
- Gallage, N.P.; Kularatna, N.; Steyn-Ross, A.; Kularatna-Abeywardana, D. Comparison of Energy Consumption of an Inverter-Driven Refrigerator Under DC Operation vs AC Operation—Preliminary Investigation on DC Operability of Whiteware. In Proceedings of the 2023 IEEE Fifth International Conference on DC Microgrids (ICDCM), Auckland, New Zealand, 15–17 November 2023; pp. 1–6. [Google Scholar]
- REN21. Renewables 2023 Global Status Report Collection; Renewables in Energy Supply, Secretariat: Paris, France, 2023; Available online: https://www.ren21.net/reports/global-status-report/ (accessed on 2 October 2024).
- Kularatna, N.; Gunawardane, K. Energy Storage Devices for Renewable Energy-Based Systems: Rechargeable Batteries and Supercapacitors; Academic Press: Cambridge, MA, USA, 2021. [Google Scholar]
- Aslam, A.; Ahmed, N.; Qureshi, S.A.; Assadi, M.; Ahmed, N. Advances in solar PV systems; A comprehensive review of PV performance, influencing factors, and mitigation techniques. Energies 2022, 15, 7595. [Google Scholar] [CrossRef]
- Kumar, R.; Singh, S.K. Solar photovoltaic modeling and simulation: As a renewable energy solution. Energy Rep. 2018, 4, 701–712. [Google Scholar]
- Ma, T.; Yang, H.; Lu, L. Solar photovoltaic system modeling and performance prediction. Renew. Sustain. Energy Rev. 2014, 36, 304–315. [Google Scholar] [CrossRef]
- Cuce, E.; Cuce, P.M.; Karakas, I.H.; Bali, T. An accurate model for photovoltaic (PV) modules to determine electrical characteristics and thermodynamic performance parameters. Energy Convers. Manag. 2017, 146, 205–216. [Google Scholar] [CrossRef]
- Pattanaik, D.; Dash, R.; Swain, S.C. A Review on Solar Thermal PV Modeling & its Characteristics. In Proceedings of the 2018 International Conference on Applied Electromagnetics, Signal Processing and Communication (AESPC), Bhubaneswar, India, 9–11 October 2018; Volume 1, pp. 1–6. [Google Scholar]
- Han, Y.; Li, M.; Wang, Y.; Li, G.; Ma, X.; Wang, R.; Wang, L. Impedance matching control strategy for a solar cooling system directly driven by distributed photovoltaics. Energy 2019, 168, 953–965. [Google Scholar] [CrossRef]
- Pradhan, A.; Panda, B. Design of DC-DC converter for load matching in case of PV system. In Proceedings of the 2017 International Conference on Energy, Communication, Data Analytics and Soft Computing (ICECDS), Chennai, India, 1–2 August 2017; pp. 1002–1007. [Google Scholar]
- Al-Gizi, A.G. Comparative study of MPPT algorithms under variable resistive load. In Proceedings of the 2016 International Conference on Applied and Theoretical Electricity (ICATE), Craiova, Romania, 6–8 October 2016; pp. 1–6. [Google Scholar]
- Piyumal, P.L.A.K.; Ranaweera, A.L.A.K.; Kalingamudali, S.R.D.; Kularatna, N. Analysis of impedance matching technique for novel supercapacitor assisted PV systems. In Proceedings of the IECON 2020 The 46th Annual Conference of the IEEE Industrial Electronics Society, Singapore, 18–21 October 2020; pp. 1756–1761. [Google Scholar]
- Jayananda, D.; Kularatna, N.; Steyn-Ross, D.A. A validity of MPPT technique using supercapacitors as energy storage devices: Example of the SCALED converter technique. In Proceedings of the IECON 2019—45th Annual Conference of the IEEE Industrial Electronics Society, Lisbon, Portugal, 14–17 October 2019; Volume 1, pp. 2301–2306. [Google Scholar]
- Zhang, J.; Gu, M.; Chen, X. Supercapacitors for renewable energy applications: A review. Micro Nano Eng. 2023, 21, 100229. [Google Scholar] [CrossRef]
- Kim, B.K.; Sy, S.; Yu, A.; Zhang, J. Electrochemical supercapacitors for energy storage and conversion. In Handbook of Clean Energy Systems; Tsai, C., Ed.; John Wiley & Sons: Hoboken, NJ, USA, 2015; pp. 1–25. [Google Scholar]
- Beyers, I.; Bensmann, A.; Hanke-Rauschenbach, R. Ragone plots revisited: A review of methodology and application across energy storage technologies. J. Energy Storage 2023, 73, 109097. [Google Scholar] [CrossRef]
- SAMWHA Electric Co., Ltd. Green-Cap (Electrical Double Layer Capacitors). 2023. Available online: http://www.samwha.com (accessed on 25 October 2024).
- Jayananda, D.; Kularatna, N.; Steyn-Ross, D.A. Supercapacitor-assisted LED (SCALED) technique for renewable energy systems: A very low frequency design approach with short-term DC-UPS capability eliminating battery banks. IET Renew. Power Gener. 2020, 14, 1559–1570. [Google Scholar] [CrossRef]
- Ariyarathna, T.; Kularatna, N.; Gunawardane, K.; Jayananda, D.; Steyn-Ross, D.A. Development of supercapacitor technology and its potential impact on new power converter techniques for renewable energy. IEEE J. Emerg. Sel. Top. Ind. Electron. 2021, 2, 267–276. [Google Scholar] [CrossRef]
- Zuo, W.; Li, R.; Zhou, C.; Li, Y.; Xia, J.; Liu, J. Battery-supercapacitor hybrid devices: Recent progress and future prospects. Adv. Sci. 2017, 4, 1600539. [Google Scholar] [CrossRef] [PubMed]
- Khalid, M. A review on the selected applications of battery-supercapacitor hybrid energy storage systems for microgrids. Energies 2019, 12, 4559. [Google Scholar] [CrossRef]
- Gopi, C.V.M.; Ramesh, R. Review of battery-supercapacitor hybrid energy storage systems for electric vehicles. Results Eng. 2024, 24, 103598. [Google Scholar] [CrossRef]
- Oyedotun, K.O.; Ighalo, J.O.; Amaku, J.F.; Olisah, C.; Adeola, A.O.; Iwuozor, K.O.; Akpomie, K.G.; Conradie, J.; Adegoke, K.A. Advances in supercapacitor development: Materials, processes, and applications. J. Electron. Mater. 2023, 52, 96–129. [Google Scholar] [CrossRef]
- Şahin, M.E.; Blaabjerg, F.; Sangwongwanich, A. A Comprehensive Review on Supercapacitor Applications and Developments. Energies 2022, 15, 674. [Google Scholar] [CrossRef]
- Lokhande, P.E.; Chavan, U.S.; Pandey, A. Materials and Fabrication Methods for Electrochemical Supercapacitors: Overview. Electrochem. Energ. Rev. 2020, 3, 155–186. [Google Scholar] [CrossRef]
- Rahman, T.; Alharbi, T. Exploring Lithium-Ion Battery Degradation: A Concise Review of Critical Factors, Impacts, Data-Driven Degradation Estimation Techniques, and Sustainable Directions for Energy Storage Systems. Batteries 2024, 10, 220. [Google Scholar] [CrossRef]
- Guena, T.; Leblanc, P. How Depth of Discharge Affects the Cycle Life of Lithium-Metal-Polymer Batteries. In Proceedings of the INTELEC 06—Twenty-Eighth International Telecommunications Energy Conference, Providence, RI, USA, 10–14 September 2006; pp. 1–8. [Google Scholar]
- Kularatna, N.; Jayananda, D. Supercapacitor-based long time-constant circuits: A unique design opportunity for new power electronic circuit topologies. IEEE Ind. Electron. Mag. 2020, 14, 40–56. [Google Scholar] [CrossRef]
- Kularatna, N. Supercapacitors Improve the Performance of Linear Power-Management Circuits: Unique new design options when capacitance jumps from micro-farads to farads with a low equivalent series resistance. IEEE Power Electron. Mag. 2016, 3, 45–59. [Google Scholar] [CrossRef]
- Kularatna, N.; Subasinghage, K.; Gunawardane, K.; Jayananda, D.; Ariyarathna, T. Supercapacitor-assisted techniques and supercapacitor-assisted loss management concept: New design approaches to change the roadmap of power conversion systems. Electronics 2021, 10, 1697. [Google Scholar] [CrossRef]
- Arawwawala, N.; Kularatna, N.; Sirimanne, D.C.U. Future Directions of Commercially Available Supercapacitors. IEEE Power Electron. Mag. 2023, 10, 52–60. [Google Scholar] [CrossRef]
- Kularatna, N.; Fernando, J. High Current Voltage Regulator. U.S. Patent 9707430B2, 15 March 2011. [Google Scholar]
- Kularatna, N.; Fernando, L.J. Power and Telecommunication Surge Protection Apparatus. NZ Patent 604332, 21 March 2014. [Google Scholar]
- Gunawardane, K. Analysis on Supercapacitor Assisted Low Dropout (SCALDO) Regulators. Ph.D. Thesis, The University of Waikato, Hamilton, New Zealand, 2014. [Google Scholar]
- Kankanmage, K.; Kulatana, N. Supercapacitor Assisted LDO (SCALDO) Technique: An Extra Low Frequency Design Approach to High Efficiency DC-DC Converters and How It Compares with the Classical Switched Capacitor Converters. In Proceedings of the 2013 Twenty-Eighth Annual IEEE Applied Power Electronics Conference and Exposition (APEC), Long Beach, CA, USA, 17–21 March 2013; pp. 1979–1984. [Google Scholar]
- Kankanamge, K.; Kularatna, N. Improving the End-to-End Efficiency of DC-DC Converters Based on a Supercapacitor-Assisted Low-Dropout Regulator Technique. IEEE Trans. Ind. Electron. 2014, 61, 223–230. [Google Scholar] [CrossRef]
- Fernando, J. Supercapacitor Assisted Surge Absorber (SCASA) and Supercapacitor Surge Modelling. Ph.D. Thesis, The University of Waikato, Hamilton, New Zealand, 2016. [Google Scholar]
- Fernando, J.; Kularatna, N.; Round, H.; Talele, S. Implementation of the Supercapacitor-Assisted Surge Absorber (SCASA) Technique in a Practical Surge Protector. In Proceedings of the IECON 2014—40th Annual Conference of the IEEE Industrial Electronics Society, Dallas, TX, USA, 29 October–1 November 2014; pp. 5191–5195. [Google Scholar]
- Fernando, J.; Kularatna, N. Supercapacitor Assisted Surge Absorber (SCASA) Technique: Selection of Supercapacitor and Magnetic Components. In Proceedings of the 2014 IEEE Energy Conversion Congress and Exposition (ECCE), Pittsburgh, PA, USA, 14–18 September 2014; pp. 1992–1996. [Google Scholar]
- MOSFET Technical Details in STMicroelectronics. Available online: https://www.st.com/content/st_com/en/search.html#q=mosfet-t=products-page=1 (accessed on 1 November 2024).
- Ultracapacitors in Maxwell Technologies. Available online: https://maxwell.com/products/ultracapacitors/cells/ (accessed on 1 November 2024).
- Sabry, A.H.; Ker, P.J. Improvement on Energy Consumption of a Refrigerator within PV System Including Battery Storage. Energy Rep. 2021, 7, 430–438. [Google Scholar] [CrossRef]
- Park, S.K.; Lim, H.W.; Cho, G.B.; Baek, H.L.; Lee, S.K.; Chang, Y.H.; Seo, J.Y. A Study on the Reduction of In-Rush Current for Energy Saving of Single Phase Induction Motor. In Proceedings of the Fifth International Conference on Electrical Machines and Systems (ICEMS’ 2001), Shenyang, China, 18–20 August 2001; Volume 1, pp. 67–71. [Google Scholar]
- Ahn, J.-H.; Kim, Y.-S.; Lee, B.-K. Robust Safety Circuits for DC Powered Home Appliances in Transient State. J. Electr. Eng. Technol. 2014, 9, 1967–1977. [Google Scholar] [CrossRef]
- Sousa Santos, V.; Cabello Eras, J.J.; Cabello Ulloa, M.J. Evaluation of the Energy Saving Potential in Electric Motors Applying a Load-Based Voltage Control Method. Energy 2024, 303, 132012. [Google Scholar] [CrossRef]
- De Almeida, A.T.; Ferreira, F.J.; Fong, J.A. Standards for Efficiency of Electric Motors. IEEE Ind. Appl. Mag. 2011, 17, 12–19. [Google Scholar] [CrossRef]
- Kamalakannan, D.; Mariappan, V.; Narayanan, V.; Ramanathan, N.S. Energy Efficient Appliances in a Residential Building. In Proceedings of the 2016 First International Conference on Sustainable Green Buildings and Communities (SGBC), Chennai, India, 8–10 December 2016; pp. 1–6. [Google Scholar]
- International Rectifier. IRMCF171-High Performance Sensorless Motor Control IC, Rev. B.; International Rectifier: El Segundo, CA, USA, 2017. [Google Scholar]
- Service Manual, ActiveSmart Refrigerator, Version 4, 5 & 6 Models; Fisher & Paykel: Auckland, New Zeeland, 2024.
- Gallage, N.P.; Sirimanne, D.C.T.; Kularatna, N.; Steyn-Ross, A.; Kularatna-Abeywardana, D. Supercapacitor-Buffered DC-Operable Refrigerators for DC Homes. In Proceedings of the 2024 IEEE Applied Power Electronics Conference and Exposition (APEC), Long Beach, CA, USA, 25–29 February 2024; pp. 2965–2971. [Google Scholar]





























| Parameters | Supercapacitor | Battery Capacitor | Li-Ion Battery |
|---|---|---|---|
| Operating voltage range | 0–3 V | 1.5–2.7 V | 2.7–4.2 V |
| Internal resistance | fractional mΩ | in mΩ | in tens of mΩ |
| Operating temperature | −40–60 °C | −30–60 °C | −20–50 °C |
| Energy density (Wh/kg) | 1–20 | 20–60 | 10–100 |
| Power density (W/kg) | 10,000 | 4000 | <1000 |
| Cycle life (cycles) | 50,000–1,000,000 | 15,000–20,000 | 500–2000 |
| Canister Size | 3 V EDLC (F) | Price per 1000 Pieces (US$) | Electrolytic (µF) | Price per 1000 Pieces (US$) |
|---|---|---|---|---|
| 8 × 13 | 1 | 0.4 | 100, 25 V | 0.18 |
| 10 × 20 | 5 | 0.53 | 470, 35 V | 0.24 |
| 10 × 30 | 10 | 0.6 | 1000, 25 V | 0.4 |
| 16 × 25 | 25 | 1.6 | 4700, 10 V | 0.88 |
| 18 × 40 | 50 | 1.8 | 470, 50 V | 1.7 |
| MOSFET (ST Microelectronics) | Supercapacitor (Maxwell Technology) | ||||||
|---|---|---|---|---|---|---|---|
| MOSFET Type | VDS Max | ID Max | Typical RDS on | SC Type | Rated Voltage | Rated Capacitance | Typical DC ESR |
| (V) | (A) | (mΩ) | (VDC) | (F) | (mΩ) | ||
| STS6NF20V | 20 | 6 | 40 | BCAP0005P270S01 | 2.7 | 5 | 36 |
| STH300NH02L6 | 24 | 180 | 0.95 | BCAP0010P270S01 | 2.7 | 10 | 25 |
| STB75NF75L | 75 | 75 | 9 | BCAP0050P270S01 | 2.7 | 50 | 10 |
| STP110N8F6 | 80 | 110 | 5.6 | BCAP0325P270S17 | 3.0 | 100 | 8.0 |
| STL8DN10LF3 | 100 | 7.8 | 25 | BCAP0100P300S17 | 2.7 | 350 | 3.2 |
| STH300NH02L6 | 650 | 143 | 12 | BCAP0600P270S18 | 2.7 | 600 | 2.3 |
Disclaimer/Publisher’s Note: The statements, opinions and data contained in all publications are solely those of the individual author(s) and contributor(s) and not of MDPI and/or the editor(s). MDPI and/or the editor(s) disclaim responsibility for any injury to people or property resulting from any ideas, methods, instructions or products referred to in the content. |
© 2025 by the authors. Licensee MDPI, Basel, Switzerland. This article is an open access article distributed under the terms and conditions of the Creative Commons Attribution (CC BY) license (https://creativecommons.org/licenses/by/4.0/).
Share and Cite
Polwaththa Gallage, N.; Kularatna, N.; Kularatna-Abeywardana, D.; Steyn-Ross, A. Supercapacitor-Assisted Low-Frequency Converters for DC Microgrids, DC Homes, and DC Appliances for Increased End-to-End Efficiency: Implementation Example of a DC-Converted Refrigerator. Energy Storage Appl. 2025, 2, 3. https://doi.org/10.3390/esa2010003
Polwaththa Gallage N, Kularatna N, Kularatna-Abeywardana D, Steyn-Ross A. Supercapacitor-Assisted Low-Frequency Converters for DC Microgrids, DC Homes, and DC Appliances for Increased End-to-End Efficiency: Implementation Example of a DC-Converted Refrigerator. Energy Storage and Applications. 2025; 2(1):3. https://doi.org/10.3390/esa2010003
Chicago/Turabian StylePolwaththa Gallage, Nirashi, Nihal Kularatna, Dulsha Kularatna-Abeywardana, and Alistair Steyn-Ross. 2025. "Supercapacitor-Assisted Low-Frequency Converters for DC Microgrids, DC Homes, and DC Appliances for Increased End-to-End Efficiency: Implementation Example of a DC-Converted Refrigerator" Energy Storage and Applications 2, no. 1: 3. https://doi.org/10.3390/esa2010003
APA StylePolwaththa Gallage, N., Kularatna, N., Kularatna-Abeywardana, D., & Steyn-Ross, A. (2025). Supercapacitor-Assisted Low-Frequency Converters for DC Microgrids, DC Homes, and DC Appliances for Increased End-to-End Efficiency: Implementation Example of a DC-Converted Refrigerator. Energy Storage and Applications, 2(1), 3. https://doi.org/10.3390/esa2010003

