Detailed and Complete Descriptions of Immature Stages of Two Predatory Species of Eupeodes Osten Sacken, 1877 (Diptera: Syrphidae)
Abstract
1. Introduction
2. Materials and Methods
3. Results
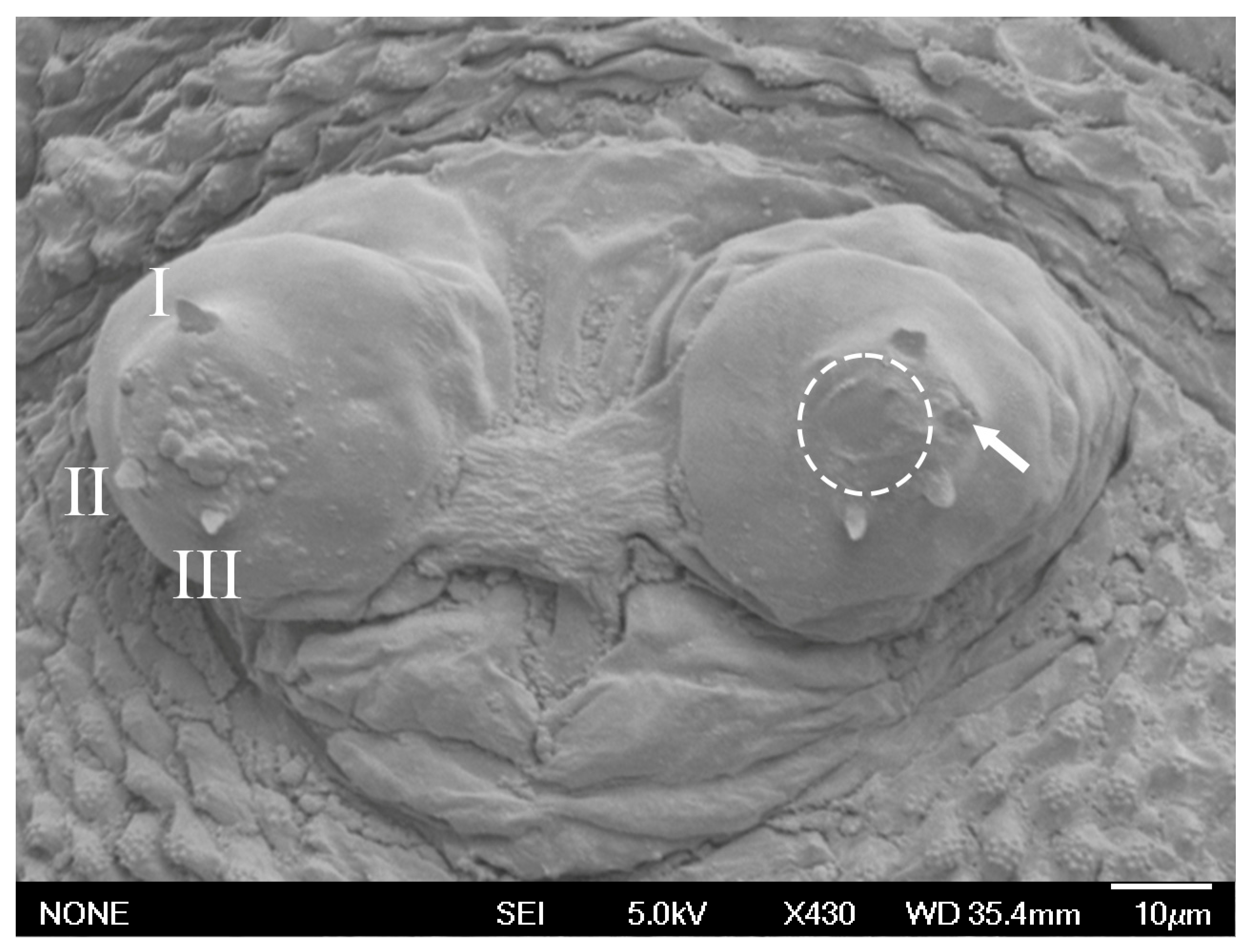
3.1. Eupeodes bucculatus Puparium (Figure 1)




3.2. Eupeodes corollae Early Stages
3.2.1. Egg (Figure 5)

3.2.2. First Stage Larva (L1) (Figure 6)


3.2.3. Second Stage Larva (L2) (Figure 8)



3.2.4. Third Stage Larva (L3) (Figure 11)





3.2.5. Puparium (Figure 16)

| Head Skeleton | PRP | |
|---|---|---|
| L1 | Pair of triangular lateral lips absent. Two small protuberances in the ventral part of the labium. | Not fused. Dorsal spurs absent. Undeveloped spiracular openings with triangular spikes. |
| L2 | Pair of sclerotized triangular lateral lips. Labium with a small protuberance anteriorly and posteriorly with a serrated protuberance. | Slightly fuse in the base. Spiracular openings well developed. Carina I well developed; the rest are undeveloped. Small dorsal spurs present. |
| L3 | Pair of sclerotized triangular lateral lips. Labium anteriorly with a rounded protuberance and posteriorly with a shark fin shape protuberance. | PRP fused with a small groove in the middle. All carinae highly sclerotized and well-develop. |
3.3. Update of the L3/Puparia Taxonomic Key of Eupeodes Species
- 1a.
- PRP spiracular plate: dorsal spurs present............................................................................2
- 1b.
- PRP spiracular plate: dorsal spurs not present.....................................................................5
- 2a.
- PRP spiracular plate: all carinae of similar size and pointing to the center....................................................................................................................................................E. bucculatus
- 2b.
- PRP spiracular plate: carinae II smaller than the rest or carina II and III equal in sizeand pointing to the center.......................................................................................................3
- 3a.
- PRP spiracular plate: carina III almost reaching the base of the PRP (see figure 18 inBhatia [24]).................................................................................................................E. luniger
- 3b.
- PRP spiracular plate: carina III slightly protrudes from the spiracular plate or reachinghalf of the PRP.........................................................................................................................4
- 4a.
- Head skeleton: labium present two sharp point and ventrally with one protuberance........................................................................................................E. nuba (Wiedemann, 1830)
- 4b.
- Head skeleton: labium with only one sharp point and ventrally with twoprotuberances..........................................................................................................E. corollae
- 5a.
- Larval integument with a translucent part...........................................................................6
- 5b.
- Larval integument without a translucent part.....................................................................7
- 6a.
- Larval color: dorsally with pink-reddish, ochre and dark brown fat cells...................................................................................................................................................E. latifasciatus
- 6b.
- Larval color: dorsally with dark done shaped papillae that forms aggregations.................................................................................................................................................E. nielseni
- 7a.
- Larval color: opaque with longitudinal white stripes [11]............................E. americanus
- 7b.
- Larval color: peach with a fine chestnut stripe...................................................E. confrater
4. Discussion
Author Contributions
Funding
Data Availability Statement
Acknowledgments
Conflicts of Interest
References
- Dunn, L.; Lequerica, M.; Reid, C.R.; Latty, T. Dual ecosystem service of syrphid flies (Diptera: Syrphidae): Pollinators and biological control agent. Pest Manag. Sci. 2020, 76, 1973–1979. [Google Scholar] [CrossRef] [PubMed]
- Láska, P.; Pérez-Bañón, C.; Mazánek, L.; Rojo, S.; Ståhls, G.; Marcos-García, M.A.; Bičík, V.; Dušek, J. Taxonomy of the genera Scaeva, Simosyrphus and Ischiodon (Diptera: Syrphidae): Description of immature stages and status of taxa. Eur. J. Entomol. 2006, 103, 637–655. [Google Scholar] [CrossRef]
- Mengual, X.; Ståhls, G.; Rojo, S. Phylogenetic relationships and taxonomic ranking of pipizine flower flies (Diptera: Syrphidae) with implications for the evolution of aphidophagy. Cladistics 2015, 31, 491–508. [Google Scholar] [CrossRef]
- Skevington, J.H.; Locke, M.M.; Young, A.D.; Moran, K.; Crins, W.J.; Marshall, S.A. Field Guide to the Flower Flies of Northeastern North America; Princeton University Press: Princeton, NJ, USA, 2019. [Google Scholar]
- Wong, D.; Norman, H.; Creedy, T.J.; Jordaens, K.; Moran, K.M.; Young, A.; Mengual, X.; Skevington, J.H.; Vogler, A.P. The phylogeny and evolutionary ecology of hoverflies (Diptera: Syrphidae) inferred from mitochondrial genomes. Mol. Phylogenet. Evol. 2023, 184, 107759. [Google Scholar] [CrossRef]
- Pekas, A.; de Craecker, I.; Boonen, S.; Wäckers, F.L.; Moerkens, R. One stone; two birds: Concurrent pest control and pollination services provided by aphidophagous hoverflies. Biol. Control 2020, 149, 104328. [Google Scholar] [CrossRef]
- Mengual, X.; Ståhls, G.; Láska, P.; Mazánek, L.; Rojo, S. Molecular phylogenetics of the predatory lineage of flower flies Eupeodes-Scaeva (Diptera: Syrphidae), with the description of the Neotropical genus Austroscaeva gen. nov. J. Zool. Syst. Evol. Res. 2018, 56, 148–149. [Google Scholar] [CrossRef]
- Kumar, A.; Kapoor, V.C.; Láska, P. Immature stages of some aphidophagous syrphid flies of India (Insecta, Diptera, Syrphidae). Zool. Scr. 1987, 16, 83–88. [Google Scholar] [CrossRef]
- Rojo, S.; Gilbert, F.; Marcos-García, M.A.; Nieto, J.M.; Mier, M.P. A World Review of Predatory Hoverflies (Diptera, Syrphidae: Syrphinae) and Their Prey; CIBIO: Alicante, Spain, 2003; 310p. [Google Scholar]
- Speight, M.C.D. Species accounts of European Syrphidae. In Syrph the Net, the Database of the European Syrphidae (Diptera); Syrph the Net publications: Dublin, Ireland, 2020; Volume 104, pp. 1–314. [Google Scholar]
- Fauteux, A.; Gonzalez, N.; Soares, A.O.; Lucas, E. Morphological determination of the larval instars of Eupeodes americanus (Diptera: Syrphidae). Phytoprotection 2023, 102, 30–34. [Google Scholar] [CrossRef]
- Orengo-Green, J.J.; Casiraghi, A.; Peréz-Hidalgo, N.; Marcos-García, M.Á. Description of the third stage larva and puparium of two hoverflies (Diptera: Syrphidae) that prey on common aphids in Mediterranean crops. Bol. Asoc. Esp. Entomol. 2025, 1–2, 79–90. [Google Scholar] [CrossRef]
- Dixon, T.J. Key to and descriptions of the third instar larvae of some species of Syrphidae (Diptera) occurring in Britain. Trans. R. Entomol. Soc. Lond. 1960, 112, 345–379. [Google Scholar] [CrossRef]
- Dušek, J.; Láska, P. Beitrag zur Kenntnis der Schwebfliegen-Larven II. Přirodovědný Časopis Slez. 1960, 21, 299–320. [Google Scholar]
- Kuznetsov, S.Y. Morphology of the eggs of hoverflies (Diptera, Syrphidae). Ėntomologicheskoe Obpzrenie 1988, 67, 741–753. [Google Scholar]
- Sack, P. Syrphidae. In Die Fliegen der Palaearktischen Region; Lindner, E., Ed.; Schweizerbartm Stuttgart: Stuttgart, Germany, 1932; Volume 4, 451p. [Google Scholar]
- Peck, L.V. Family Syrphidae. In Catalogue of Palaearctic Diptera; Soós, Á., Ed.; Elsevier Science Publishers: New York, NY, USA, 1988; Volume 8, pp. 11–230. [Google Scholar]
- Mazánek, L.; Bičík, V.; Láska, P. Redescription and reinstatement of Eupeodes bucculatus (Rondani, 1857) and its synonymy (Dipt., Syrphidae). Acta Univ. Palacki. Olomuc. Fac. Rerum Nat. Biol. 1988, 36, 27–38. [Google Scholar]
- Burgio, G.; Dindo, M.L.; Pape, T.; Whitmore, D.; Sommaggio, D. Diptera as predators in biological control: Applications and future perspectives. BioControl 2025, 70, 1–17. [Google Scholar] [CrossRef]
- Jensen, J.K. Farose hoverflies (Diptera: Syrphidae): Checklist to the year 2000. Fróðskaparrit 2001, 48, 125–133. [Google Scholar]
- Orengo-Green, J.J.; Kanturski, M.; Ricarte, A.; Marcos-García, Mª.Á. A great little ally: Revealing the morphology of the immature stages of the aphid pest predator Sphaerophoria rueppellii (Wiedemann, 1830) (Diptera: Syrphidae). Eur. Zool. J. 2022, 89, 625–640. [Google Scholar] [CrossRef]
- Rotheray, G.E. Ecomorphology of Cyclorrhaphan Larvae (Diptera); Rotheray, G.E., Ed.; Springer: Cham, Switzerland, 2019; Volume 4, pp. 1–275. [Google Scholar] [CrossRef]
- Chandler, A.E.F. A preliminary key to the eggs of some of the commoner aphidophagous Syrphidae (Diptera) occurring in Britain. Trans. R. Entomol. Soc. Lond. 1968, 12, 199–217. [Google Scholar] [CrossRef]
- Bhatia, M.D. Biology, morphology and anatomy of aphidophagous syrphid larvae. Parasitology 1939, 31, 78–120. [Google Scholar] [CrossRef]
- Tinkeu, L.N.; Hance, T. Functional morphology of the mandibles of the larvae of Episyrphus balteatus (De Geer, 1776) (Diptera: Syrphidae). Int. J. Insect Morphol. Embryol. 1998, 27, 135–142. [Google Scholar] [CrossRef]
- Rotheray, G.E. Third stage larvae of six species of aphidophagous Syrphidae (Diptera). Entomol. Gaz. 1988, 39, 153–159. [Google Scholar]
- Lillo, I.; Pérez-Bañón, C.; Arvaya, E.; Mengual, X.; Rojo, S. First data about the preimaginal morphology of Austroscaeva occidentalis (Shannon, 1927) and re-description of larvae and pupae of Dioprosopa clavate (Fabricius, 1794) (Diptera: Syrphidae). Austral Entomol. 2021, 60, 535–548. [Google Scholar] [CrossRef]
- Rotheray, G.E. Colour Guide to Hoverfly Larvae (Diptera, Syrphidae) in Britain and Europe; Dipterist Digest No. 9; Derek Whitely: Sheffield, UK, 1993. [Google Scholar]
| 1st–7th Abdominal Segment | Anal Segment | |
|---|---|---|
| Dorsally | 3 Δ | 2 Δ |
| Laterally | 5 Δ | 2 Δ |
| Ventrally | 3 | 1 Δ |
| Prothorax | Mesothorax | Metathorax | 1st–7th Abdominal Segment | Anal Segment | ||
|---|---|---|---|---|---|---|
| Dorsally | 5 | 3 Δ | 3 Δ | 3 Δ | 3 Δ | |
| L1 | Laterally | 3 | 2 Δ | 2 Δ | 5 Δ | 2 Δ |
| Ventrally | 3 | 3 Δ | 3 Δ | 3 | 3 | |
| Dorsally | 5 | 3 Δ | 3 Δ | 3 Δ | 3 Δ | |
| L2 | Laterally | 3 | 2 Δ | 2 Δ | 5 Δ | 2 Δ |
| Ventrally | 3 | 3 Δ | 3 Δ | 3 | 3 | |
| Dorsally | 5Δ | 3 Δ | 3 Δ | 3 Δ | 3 Δ | |
| L3 | Laterally | 3 Δ | 2 Δ | 2 Δ | 5 Δ | 2 Δ |
| Ventrally | 3 Δ | 3 Δ | 3 Δ | 3 | 3 |
Disclaimer/Publisher’s Note: The statements, opinions and data contained in all publications are solely those of the individual author(s) and contributor(s) and not of MDPI and/or the editor(s). MDPI and/or the editor(s) disclaim responsibility for any injury to people or property resulting from any ideas, methods, instructions or products referred to in the content. |
© 2025 by the authors. Licensee MDPI, Basel, Switzerland. This article is an open access article distributed under the terms and conditions of the Creative Commons Attribution (CC BY) license (https://creativecommons.org/licenses/by/4.0/).
Share and Cite
Orengo-Green, J.J.; Quinto, J.; Nedeljković, Z.; Marcos-García, M.Á. Detailed and Complete Descriptions of Immature Stages of Two Predatory Species of Eupeodes Osten Sacken, 1877 (Diptera: Syrphidae). Taxonomy 2025, 5, 31. https://doi.org/10.3390/taxonomy5020031
Orengo-Green JJ, Quinto J, Nedeljković Z, Marcos-García MÁ. Detailed and Complete Descriptions of Immature Stages of Two Predatory Species of Eupeodes Osten Sacken, 1877 (Diptera: Syrphidae). Taxonomy. 2025; 5(2):31. https://doi.org/10.3390/taxonomy5020031
Chicago/Turabian StyleOrengo-Green, José J., Javier Quinto, Zorica Nedeljković, and María Ángeles Marcos-García. 2025. "Detailed and Complete Descriptions of Immature Stages of Two Predatory Species of Eupeodes Osten Sacken, 1877 (Diptera: Syrphidae)" Taxonomy 5, no. 2: 31. https://doi.org/10.3390/taxonomy5020031
APA StyleOrengo-Green, J. J., Quinto, J., Nedeljković, Z., & Marcos-García, M. Á. (2025). Detailed and Complete Descriptions of Immature Stages of Two Predatory Species of Eupeodes Osten Sacken, 1877 (Diptera: Syrphidae). Taxonomy, 5(2), 31. https://doi.org/10.3390/taxonomy5020031

