Thermally Enhanced Bioremediation of NAPL Polluted Soil-Water Resources
Abstract
:1. Introduction
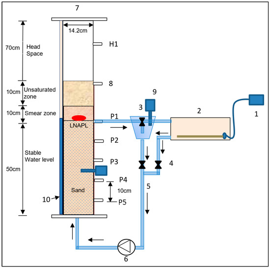
2. Materials and Methods
3. Results
4. Discussion
5. Conclusions
Author Contributions
Funding
Institutional Review Board Statement
Informed Consent Statement
Data Availability Statement
Acknowledgments
Conflicts of Interest
References
- Gupta, P.K.; Yadav, B.; Yadav, B.K. Assessment of LNAPL in subsurface under fluctuating groundwater table using 2D sand tank experiments. J. Environ. Eng. 2019, 145, 04019048. [Google Scholar] [CrossRef] [Green Version]
- Gupta, P.K.; Yadav, B.K. Three-dimensional laboratory experiments on fate and transport of LNAPL under varying groundwater flow conditions. J. Environ. Eng. 2020, 146, 04020010. [Google Scholar] [CrossRef]
- Yadav, B.K.; Hassanizadeh, S.M. An overview of biodegradation of LNAPLs in coastal (semi)-arid environment. Water Air Soil Pollut. 2011, 220, 225–239. [Google Scholar] [CrossRef] [PubMed] [Green Version]
- Yadav, B.K.; Shrestha, S.R.; Hassanizadeh, S.M. Biodegradation of toluene under seasonal and diurnal fluctuations of soil-water temperature. Water Air Soil Pollut. 2012, 223, 3579–3588. [Google Scholar] [CrossRef] [PubMed] [Green Version]
- Basu, S.; Yadav, B.K.; Mathur, S. Enhanced bioremediation of BTEX contaminated groundwater in pot-scale wetlands. Environ. Sci. Pollut. Res. 2015, 22, 20041–20049. [Google Scholar] [CrossRef] [PubMed]
- Ulrich, A.C.; Tappenden, K.; Armstrong, J.; Biggar, K.W. Effect of cold temperature on the rate of natural attenuation of benzene, toluene, ethylbenzene, and the three isomers of xylene (BTEX). Can. Geotech. J. 2010, 47, 516–527. [Google Scholar] [CrossRef]
- Azubuike, C.C.; Chikere, C.B.; Okpokwasili, G.C. Bioremediation techniques–classification based on site of application: Principles, advantages, limitations and prospects. World J. Microbiol. Biotechnol. 2016, 32, 1–18. [Google Scholar] [CrossRef] [PubMed] [Green Version]
- Gupta, P.K.; Yadav, B.K. Bioremediation of non-aqueous phase liquids (NAPLS) polluted soil and water resources. In Environmental Pollutants and Their Bioremediation Approaches; CRC Press Taylor & Francis Group 6000 Broken Sound Parkway NW: Boca Raton, FL, USA, 2017; pp. 241–256. [Google Scholar]
- Filler, D.M.; Carlson, R.F. Thermal insulation systems for bioremediation in cold regions. J. Cold Reg. Eng. 2000, 14, 119–129. [Google Scholar] [CrossRef]
- Beyke, G.; Fleming, D. In situ thermal remediation of DNAPL and LNAPL using electrical resistance heating. Remediat. J. J. Environ. Cleanup Costs Technol. Tech. 2005, 15, 5–22. [Google Scholar] [CrossRef]
- Friis, A.K.; Albrechtsen, H.J.; Cox, E.; Bjerg, P.L. The need for bioaugmentation after thermal treatment of a TCE-contaminated aquifer: Laboratory experiments. J. Contam. Hydrol. 2006, 88, 235–248. [Google Scholar] [CrossRef]
- Perfumo, A.; Banat, I.M.; Marchant, R.; Vezzulli, L. Thermally enhanced approaches for bioremediation of hydrocarbon-contaminated soils. Chemosphere 2007, 66, 179–184. [Google Scholar] [CrossRef] [PubMed]
- Němeček, J.; Steinová, J.; Špánek, R.; Pluhař, T.; Pokorný, P.; Najmanová, P.; Černík, M. Thermally enhanced in situ bioremediation of groundwater contaminated with chlorinated solvents–A field test. Sci. Total Environ. 2018, 622, 743–755. [Google Scholar] [CrossRef] [PubMed]
- Federation, W.E. APH Association. In Standard Methods for the Examination of Water and Wastewater; American Public Health Association (APHA): Washington, DC, USA, 2005. [Google Scholar]
- Suarez, M.P.; Rifai, H.S. Biodegradation rates for fuel hydrocarbons and chlorinated solvents in groundwater. Bioremed. J. 1999, 3, 337–362. [Google Scholar] [CrossRef]
- Essaid, H.I.; Bekins, B.A.; Cozzarelli, I.M. Organic contaminant transport and fate in the subsurface: Evolution of knowledge and understanding. Water Resour. Res. 2015, 51, 4861–4902. [Google Scholar] [CrossRef]
- Imhoff, P.T.; Frizzell, A.; Miller, C.T. Evaluation of thermal effects on the dissolution of a nonaqueous phase liquid in porous media. Environ. Sci. Technol. 1997, 31, 1615–1622. [Google Scholar] [CrossRef]
- Popp, S.; Beyer, C.; Dahmke, A.; Koproch, N.; Köber, R.; Bauer, S. Temperature-dependent dissolution of residual non-aqueous phase liquids: Model development and verification. Environ. Earth Sci. 2016, 75, 953. [Google Scholar] [CrossRef]
- Fuentes, S.; Barra, B.; Caporaso, J.G.; Seeger, M. From rare to dominant: A fine-tuned soil bacterial bloom during petroleum hydrocarbon bioremediation. Appl. Environ. Microbiol. 2016, 82, 888–896. [Google Scholar] [CrossRef] [PubMed] [Green Version]
- Gupta, P.K.; Gharedaghloo, B.; Lynch, M.; Cheng, J.; Strack, M.; Charles, T.C.; Price, J.S. Dynamics of microbial populations and diversity in NAPL contaminated peat soil under varying water table conditions. Environ. Res. 2020, 191, 110167. [Google Scholar] [CrossRef] [PubMed]
- Yan, L.; Yu, D.; Hui, N.; Naanuri, E.; Viggor, S.; Gafarov, A.; Romantschuk, M. Distribution of archaeal communities along the coast of the gulf of finland and their response to oil contamination. Front. Microbiol. 2018, 9, 15. [Google Scholar] [CrossRef] [PubMed]







Publisher’s Note: MDPI stays neutral with regard to jurisdictional claims in published maps and institutional affiliations. |
© 2022 by the authors. Licensee MDPI, Basel, Switzerland. This article is an open access article distributed under the terms and conditions of the Creative Commons Attribution (CC BY) license (https://creativecommons.org/licenses/by/4.0/).
Share and Cite
Yadav, B.K.; Gupta, P.K. Thermally Enhanced Bioremediation of NAPL Polluted Soil-Water Resources. Pollutants 2022, 2, 32-41. https://doi.org/10.3390/pollutants2010005
Yadav BK, Gupta PK. Thermally Enhanced Bioremediation of NAPL Polluted Soil-Water Resources. Pollutants. 2022; 2(1):32-41. https://doi.org/10.3390/pollutants2010005
Chicago/Turabian StyleYadav, Brijesh Kumar, and Pankaj Kumar Gupta. 2022. "Thermally Enhanced Bioremediation of NAPL Polluted Soil-Water Resources" Pollutants 2, no. 1: 32-41. https://doi.org/10.3390/pollutants2010005
APA StyleYadav, B. K., & Gupta, P. K. (2022). Thermally Enhanced Bioremediation of NAPL Polluted Soil-Water Resources. Pollutants, 2(1), 32-41. https://doi.org/10.3390/pollutants2010005

