Next Article in Journal
Fatigue Life Analysis of Traditional and Annealed AISI 304L Specimens by Thermographic Methods
Previous Article in Journal
On the Exploration of the Influence of Seabed Reflected Waves on Naval Structures
 
 
Font Type:
Arial Georgia Verdana
Font Size:
Aa Aa Aa
Line Spacing:
Column Width:
Background:
Proceeding Paper

Development of Procedures for Disassembly of Industrial Products in Python Environment †

Department of Industrial Engineering, University of Florence, Via di Santa Marta 3, 50139 Firenze, Italy
*
Author to whom correspondence should be addressed.
Presented at the 53rd Conference of the Italian Scientific Society of Mechanical Engineering Design (AIAS 2024), Naples, Italy, 4–7 September 2024.
Eng. Proc. 2025, 85(1), 6; https://doi.org/10.3390/engproc2025085006
Published: 13 February 2025

Abstract

Circular Design methodology is essential for sustainable industrial practices. This study provides a methodology with a Python-based computational tool that optimizes industrial products’ disassembly sequences, focusing on Design for End of Life (DfEoL) and Design for Disassembly (DfD) to promote Circular Design. The tool creates disassembly precedence graphs and shows the best disassembly path for target components, facilitating material recovery and environmental sustainability. The tool was applied to a case study on an Axial Flux Permanent Magnet (AFPM) electric motor. The approach provides a flexible and open access solution for optimizing product design within a Circular Design framework.

1. Introduction

The European Green Deal [1] has made it even more evident how crucial it is to adopt Circular Economy and Circular Design principles in industrial production. The Circular Economy (CE) provides a compelling alternative to the current production model, characterized by perpetual growth and escalating demand [2]. By promoting closed-loop production models within economic systems, CE aims to improve resource use efficiency, especially concerning industrial waste, to achieve a balanced economic, environmental, and societal relationship [2]. According to the Ellen MacArthur Foundation, it is possible to “prevent the creation of waste and pollution right at the start, and regenerate nature by design” [3]. Thus, Circular Design principles are essential for achieving the goals reported in the Circular Economy Action Plan [4]. Therefore, it is helpful to develop Circular Economy Framework models, for example, in the automotive sector [5], to evaluate the life cycle of industrial products and their sustainability in this new economic system. The circular approach to industrial production thus contrasts with the traditional linear business model of production, the take–make–use–dispose model [6], and aims to achieve the goal through the use of three main actions, called the 3Rs: reduce, reuse, and recycle [2]. This research work fits the goals of Circular Design, seeking to improve the end-of-life (EoL) phase of industrial products from the earliest stages of design by promoting the implementation of ecodesign [7] in the automotive industry.
Regarding the criticality of waste in some categories of end-of-life vehicles (ELVs), the European Union has set ambitious reuse, recycle, and recovery (RRR) targets through Directive 2000/53/EC. As per this “ELV Directive”, the RR (reuse and recycle) rate must be at least 85% by average weight per vehicle per year, and the RRR rate, which includes recovery, must be at least 95% by average weight per vehicle per year [8,9]. So, the opportunity for reuse and remanufacturing can be a critical business, and to achieve this, the disassembly of industrial products is a preliminary but crucial step [10].
Regarding WEEE (Waste from Electric and Electronic Equipment), a comparable approach is on force, and proper RR and RRR targets also have to be achieved, which vary depending on the product class.

1.1. Research Background

“Design for Disassembly” (DfD) is an ecodesign approach focused on improving the disassembly processes a product will undergo during its lifecycle. This method reduces maintenance expenses and facilitates economic reuse, remanufacturing, and recycling [11]. DfD is a part of one of the phases in which Disassembly Sequence Planning (DSP) can be used. DSP refers to planning an orderly and optimized sequence for disassembling product components, considering specific criteria [12,13]. In the life cycle of a product, DSP has three main areas of application: the design phase (DfD), use phase (maintenance and repair), and disposal phase (end-of-life disassembly) [12]. The desirable characteristics for disassembly in these three stages include high modularity, simple connections, easy accessibility, and clear part identification after disassembly [12].
According to the literature study by Ong et al. [12], seven main characteristics are used to categorize disassembly sequencing research:
  • “Disassembly processes” are divided into destructive, non-destructive, and manual or automatic.
  • “Disassembly level” is divided into complete or partial/selective disassembly, which can be single target or multi-target.
  • “Disassembly type” is categorized into sequential or parallel.
  • “Product representation”, or how precedence information is formed for later processing with formulas or algorithms, has several categories, including graph-based representations (e.g., AND/OR graphs and hierarchical graphs), matrix-based ones (such as contact or interference matrices), or other types (such as Petri net-based representation).
  • “Optimization objectives” can include the minimum disassembly time, minimum disassembly cost, minimum removal tools used, minimum changes in disassembly directions, or maximum disassembly profit and maximum product recovery value.
  • Different types of “solution approaches” may exist depending on the complexity of the product or representation to be used. For example, there are approaches based on mathematical programming methods, simulations (like virtual reality), hybrid methods, and others.
  • Various “validation methods” can be used to verify the quality of the results achieved by DSP, by either using virtual models or practicing experimental tests on an actual product.
The various methodologies have different advantages and disadvantages. Graph-based methods allow a clear representation of the various steps but may be subject to combinatorial explosion and have high computational requirements for complex parts [12,14,15,16,17]. Matrix-based methods are helpful in being computer-processed and can be automatically created from CAD models but are less flexible in considering complicated disassembly motions [10,11,12,18]. Methodologies based on customized information models are flexible regarding disassembly uncertainties but require manual inputs and are challenging to scale for complex products [12,19,20]. The rule-based or sequence table methodology provides a clear representation of the steps, but the rules/tables may be subjective and, therefore, may not show all possible sequences [12,21,22]. Lastly, hybrid evolutionary computing algorithm-based methodologies have well-defined goals and can offer near-optimal solutions but use complex algorithms [12,23,24].
Various software and tools have been created over the years to address the issue of DfD. Our analysis suggests that most of the tools are still at the development level and have reduced commercial relevance and/or reduced inclusion in major CAE and PLM suites. For example, Herrmann et al. [25] proposed a software called ProdTect, a tool for product architects to control the performance of the EoL through various calculations, e.g., the recycling rate and optimal disassembly depth. Another example is the professional software DFMA [26]; however, it is dedicated to the assembly phase, which can be considered the same as the disassembly phase only if specific geometric constraints are present [14]. LeanDfD [10,27,28] is a significant software for this study. This tool identifies the most performant disassembly sequences for target components by considering disassembly precedencies, component connections, and specific properties to accurately reflect the product’s condition at its end of life. This tool facilitates the evaluation of a product’s demountability and recyclability, starting from its CAD model and Bill of Materials (BOM), while requiring some user input, such as details on materials and precedencies [10,27,28].
This preliminary study of the literature suggests that it may be useful to propose simple and accessible methodologies for studying the disassembly phase of industrial products to improve their circularity and sustainability. It should be noted that DfD for in-use interventions (e.g., for maintenance) and DfD for EoL may imply different requirements and lead to different design solutions, mainly due to the fact destructive dismantling methods may be accepted for EoL; therefore, the notation DEoL (Design for End of Life) should be properly used for activities related to this specific phase.

1.2. Work Structure and Objectives

This work introduces a disassembly procedures study methodology based on existing literature methods. This methodology can be tailored for specific product categories and help designers develop more environmentally and economically sustainable solutions. This research paper, therefore, aims to propose a simple and accessible tool, developed in Python, that can be part of more general methodologies related to Model-Based System Engineering (MBSE) and can be integrated into more complex systems that allow for the interchange of information among various stakeholders. This article presents the proposed methodology after the Introduction above regarding the background of this research. Next, the application of the methodology to a case study of one of the specific products for which the tool will be used, namely an Axial Flux Permanent Magnet (AFPM) electric motor, will be shown. Finally, the last part of this paper includes a discussion of the methodology’s results, merits, and shortcomings.

2. Materials and Methods

The methodology presented in this paper is predominantly graph-based and Python-based; in fact, it used precedence [29] and “AND/OR”-type graphs [30] to choose the best disassembly path for a given target considering various factors related to the EoL phase.
The starting point is the study of the designer, or the tool user, of the product CAD model and its BOM. These instruments are necessary for creating a realistic graph; therefore, it is necessary to have good knowledge of the product. To compile the matrix, the user can use CAD tools like the exploded view and the contact list of the various components in contact with each other. However, an attentive evaluation of the contact list is crucial because it may not return the same results necessary for the precedence matrix, for example, due to geometric constraints or compenetrating pieces not actually connected to each other. The precedence matrix is constructed similarly to the “level matrix” by Mandolini et al. [10] but with some differences. The matrix is built with the industrial product components on both rows and columns. The values entered will be 1 if the component in the j-th column is “dependent” on the component in the i-th row: the component in that column is dependent if it is related, with a fastener or another assembly type, to the component in the row at a greater depth of disassembly. In other words, the value is 1 if the component on the column is directly assembled with the component on the row, and it can be disassembled only after the disassembly of the row component. In other cases, the value entered is 0. So, in this case, dependences on components “prior” to those directly connected are not entered into the matrix: the value 1 is assigned only if the column component is directly linked and dependent on the row component. Although this construction may lose the possibility of directly having the sum of the components required to be disassembled to obtain another one [10], it simplifies the creation of the graph, which will represent not only the precedencies of disassembly operations but can also visually show the liaison relationships between components.
After this step, the matrix can be entered into a graph reader software; in this case, yEd Graph Editor (yEd 3.23.2) [31] was used. Once the matrix has been entered into the software, a hierarchical precedence graph is obtained, in which each component is represented by a node that can have entering or leaving arcs. Thus, in this framework, the precedence graph considers as a disassembly operation [29] the demounting of the component to which the node is assigned. Nodes that do not have entry arcs are at a disassembly depth level [10] of 0: they can be disassembled without first disassembling other components. Nodes with entering arcs require, in order to be dismounted, the disassembly of the components (nodes) from which the arcs start. Figure 1 is an example of a precedence matrix used in this work, with Figure 2 as the resulting precedence graph.
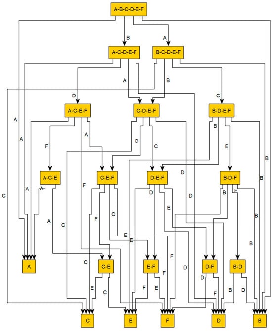
Before using the graph within the Python-based tool, the user can add an “OR” condition to components with entering arcs. The OR condition allows a component to be disassembled without “unlocking” all the previous entering arcs, but it is sufficient that only one of the previous disassembly paths has been performed. An example is in Figure 2, where component F, to be disassembled, must be disassembled after all other components, i.e., A, B, C, D, and E. In the case of Figure 3, an edge label was given manually to add the OR condition; component F can be disassembled either by disassembling B-D or by disassembling A-C-E.
After the characterization, the precedence graph is inserted within the tool in a Python environment (Python 3.11.0). The Python script uses, among others, the NetworkX library, which enables graph analysis [32]. The procedure implemented in Python is intended to reduce manual effort in path calculation. It consists of several steps in which inputs are requested, either entered manually by the user or taken automatically from previously created databases, and outputs are obtained, including graphs of possible paths and a ranking of the best ones: the main scheme of how the script works is shown in Figure 4. The tool was created to have a custom tool that can be used and modified for the analysis of specific industrial products and to improve their design to optimize the disassembly steps both during maintenance and at the end of life for material recovery.
The first part of the script starts by analyzing the precedence graph, focusing on the number of entering and leaving arcs for each node and checking for OR conditions. This analysis allows for the identification of all possible disassembly paths. Next, the script creates a new AND/OR graph that includes all potential disassembly scenarios. This graph shows all the possible paths that the disassembly process could follow, making it easier for users to explore and analyze different scenarios. The graph can be opened in yEd Graph Editor to allow user analysis. The script, applied to the example precedence graph in Figure 3, generates the AND/OR graph shown in Figure 5. In this graph, the nodes represent the subassemblies, and the labels on the edges indicate the components disassembled during each operation, illustrating the process from the assembled product (root) to the disassembled components (leaves).
After that, the user must enter a target component to calculate the best disassembly path. The target component is decided through a preliminary classification, which can be based on different methodologies. For example, Life Cycle Sustainability Assessment (LCSA) can be useful in choosing a component with relevant environmental, economic, and social impacts. Another classification method may be based on assessing product recyclability coefficients to ensure compliance with regulations [8,9]. At this point, the user can proceed to the next step or choose to add a constraint: to arrive at the target component by necessarily disassembling another component. This functionality can be useful because there may be another important component to disassemble, such as for economic value. Regardless of whether a constraint is added or not, the tool returns graphs that are subassemblies of the complete graph, such as the one shown in Figure 5, so that the user can have the ability to actually see all the disassembly paths that can be analyzed for that specific target component. At this point, the tool calls up a table in which a value is assigned to each component: this can be defined as a “bonus/penalty factor”, i.e., a number that defines the “disassembly value” of the component during the procedure. It can consider several factors, such as the disassembly time, cost of the disassembly operation, etc. Some possible disassembly penalties can be related to product manipulation, low visibility/identifiability, the use of uncommon tools, and non-reusable connectors [33]. In this work, this factor is represented by a disassembly operation time assigned by the user to each component. Once the values are loaded, the tool returns the path with the minimum sum of the values, so in this work, the best disassembly path is represented by the fastest disassembly path to the target component. If a constraint has been inserted, the tool will return the best path that involves disassembly of the constraint component as well. For example, in Figure 3, if the same bonus/penalty factor is assigned to each component, the best path to get to F is to disassemble B, then D, and then F. If the user wants to also obtain component E during the disassembly procedure, the constraint option can be used so that the tool will return the path A-C-E-F.
The flowchart in Figure 6 summarizes how the proposed methodology works.

Case Study: An Axial Flux Permanent Magnet Motor

Permanent magnets, particularly those composed of Neodymium, Iron, and Boron (NdFeB), are used in various applications, including electric motors for vehicles, wind generators, and other consumer electronics products, such as hard disk drives. Some materials of which these magnets are composed are considered Rare Earth Elements (REE), particularly Neodymium, but also other materials, such as Dysprosium or Praseodymium, which are part of the list of Critical Raw Materials (CRM) [34]. The European Critical Raw Materials Act (CRMA) encourages the circularity of these materials [35], so they are of great strategic importance. Therefore, studying the end of life of these components for possible reuse and functional recycling may be important in achieving these goals; it should be noted, in fact, that typical shredding processes adopted for metal-based component lead to alloy dispersion and dilution, causing the loss of the availability of the cited CRMs even if the recycling rate is apparently very high.
Thus, an Axial Flux Permanent Magnet (AFPM) electric motor was chosen as a case study for a disassembly path analysis. The analyzed electric motor CAD model is represented in Figure 7. For the case study presented here, it is assumed that dismantling is necessary with comparable effort for both component regeneration and EoL treatment due to the need to preserve certain alloys.
Other researchers have conducted similar works on electric motors, confirming the relevance of research in this field. Hansjosten and Fleischer conducted an interesting analysis on a different type of electric motor [36]. Another example was presented by Erdmann et al. [37], who evaluated disassembly practicality for the possible suitability to remanufacture electric bicycle motors.

3. Results

Initially, a CAD model of an AFPM motor was created to analyze the contacts and connections between the various components; the exploded view of the model is shown in Figure 7. In designing this model, some construction assumptions were made regarding the disassembly of the components. Thus, this is a generic, basic model of an axial flux electric motor, with the main components comprising it.
In making the precedence matrix, some simplifying assumptions were implemented in designing the component’s dependencies for possible disassembly paths. In the analysis, the rotors to which the permanent magnets are connected are considered unique pieces, as is the structure containing the copper coils inside the stator.
In Table 1, it is possible to see the list of components associated with their reference letter. With the CAD model and in studying the contacts and connections between components, the precedence matrix was constructed and inserted within yEd Graph Editor to obtain the hierarchical precedence graph.
The resulting precedence graph is shown in Figure 8, in which an OR condition was added regarding the disassembly of the structure containing the copper coils, given the symmetry of the motor analyzed.
The path to reach one of the two rotors to which the permanent magnets are connected was studied because of their importance, as described in the previous section. Subsequently, the route to the structure containing the coils was also studied, as copper is also considered a Strategic Raw Material (SRM) despite not meeting CRM thresholds [34]. Therefore, E (Rotor 1) was chosen as the first case study target, and J (coil structure) was chosen as the second.
The disassembly values assigned to the components, which in the case study are the disassembly times, are based on evaluating the connections with which each component is assembled, the tools used for disassembly, and the size and condition of the junctions. The disassembly times, as reported in the works by Mandolini et al. [10] and Favi et al. [27], were used as the database. The partial wear of components and connections were considered for the corrective factors, as available from Marconi [28]. Another method that could have been used to calculate disassembly times is related to the use of Time Measurement Units (TMUs) assigned to each component based on its disassembly-related characteristics and parameters [38,39,40].
The disassembly time relative to each component is the time required to disassemble it from the components to which it is connected via the leaving arcs. Additional modifications to the database times were made based on the authors’ experience. For example, some assumptions were made regarding the movement of components in the disassembly phase. Also, when possible, the best available disassembly tools, such as a screwer, were considered instead of manual disassembly.

3.1. Rotor with Permanent Magnet

In the case of component target E, 173 possible disassembly paths were found. The best path, based on the disassembly time of each component, is A (Carter ext 1)—C (Bearing 1)—E (Rotor 1), with a time of about 135 seconds. Considering the recovery of both rotors to which the permanent magnets are connected, thus including the constraint for component F (Rotor 2) as well, there are 142 possible paths. There are several equally good paths, with a total time of 270 s, which is a reasonable time given the symmetry of the motor. The resulting paths with this time involve disassembling the external cases, bearings, and then the rotors. As reasonable as these times may be, it must be considered that to recover the permanent magnets and prepare them for recycling or reuse, it will be necessary to disconnect them from the rotor by placing them in an oven to remove the glue that assembles them to the structure; such a solution may lead to the reuse or high-level recycling of the PMs. Another potential recycling solution includes the treatment of the separated components in hydrogen chambers for Nd-alloy desegregation into powder [41].

3.2. Copper Coil Structure

The possible disassembly paths to obtain the copper coil structure are 1886. The best paths correspond to disassembling one of the motor halves, given the symmetry with which it was designed, and both external carters. To obtain an unambiguous result, we can add the constraint of necessarily going through the disassembly of one of the two rotors, for example, G, obtaining that the best path is to disassemble A and B (Carter ext 1 and 2)—L (connector housing)—C (Bearing 1)—E (Rotor 1)—G (Stator plate 1)—J (coil structure) for a total time of almost 258 seconds. The time to obtain the coil structure is reasonable, thanks partly to the assumption of having made it demountable from the center carter. Despite this, the recovery of copper from the coil structure, as designed, will still have to go through the shredding step.

4. Discussion

The methodology and the related tool proposed in this paper proved to be a good start in obtaining a detailed study on the end of life of some industrial products and in helping the designer to think about the disassembly phase from the beginning, realizing which phases are more crucial than others. The ability to always have user-readable graphs makes it possible to keep track of the various possible operations. In addition, the ability to include a constraint and OR conditions makes the creation of the graph with all possible paths more realistic.
Despite this, using automatically created graphs means that numerous paths are created even for relatively simple products, making the tool computationally non-lightweight for complex products. Although this can be seen as a limitation, the authors preferred to leave the possibility of studying all possible paths, ensuring that none are excluded unless the user imposes constraints.
The manual creation of the precedence matrix by the user can be one way in which graph creation is made lighter and more realistic, ensuring human control over precedencies given by geometric constraints or assembly methods to be considered. Manual inputs, including the creation of the matrix, the assignment of constraints and OR conditions, and the construction of a bonus/penalty factors database, ensure greater adherence to the reality of the results obtained but reduce the automation of the tool. The idea behind these manual interventions, however, is that the results from the study of the dismountability of a sub-product are obtained directly by the designers and delivered as they go to the users who will use the sub-product in more complex products, ensuring an interchange of information, perhaps in normalized formats.
The study of electric motor disassembly has brought to light some critical issues, generally already known, related to the recoverability of permanent magnets and copper used in these products. In the analysis, permanent magnets were considered to be one piece with the rotors, and the copper coil with the structure as well. This choice was due to the complications of the end-of-life disassembly of these components from their structures, given their complex couplings. These assumed types of assemblies, such as the adhesive ones of permanent magnets, do not help in the EoL phase. Nevertheless, the model was designed with a removable coil structure. Thus, the model has already been designed with an eye on the disassembly phase, including mostly demountable components. Suitable solutions for mechanical and removable assemblies could improve the situation, possibly without compromising motor performance.

5. Conclusions

This work initially analyzed the research background on studies of component disassembly to introduce Circular Design paradigms into industrial production. Subsequently, a methodology was proposed based on those existing in the literature, but it aimed to be implemented in more generic frameworks dedicated to studying the end of life of products, using accessible software tools such as Python (version 3.11.0).
The methodology is simple and understandable; also, given the graphical nature of the results, it offers the user the possibility of visualizing the various possible paths for disassembly and calculating the best one according to the rules it can impose by giving a disassembly value, or bonus/penalty factor, to the various components. In addition, using some manual input to construct the graphs can make the tool more faithful to reality, even if it lowers its automaticity. Since the software is based on automatic path graphing, it is not computationally light, but in the future, the computation phase could be simplified using more modern tools such as artificial intelligence.
The methodology, however, lends itself to being included in a general framework dedicated to studying the circularity of industrial products. It also allows for future information exchanges, in normalized form, among the various stakeholders in the industrial supply chain. Therefore, a possible outlook for this research work is to improve the methodology to incorporate it into more generic models that can serve designers in studying circularity and communicating information about it while maintaining the use of accessible software tools. In addition, further studies can be performed on possible solutions to improve the disassembly and recyclability of axial flux electric motors.

Author Contributions

Conceptualization, M.G., E.I., L.B. and S.C.; methodology, M.G., E.I., L.B. and S.C.; software, M.G., E.I. and S.C.; validation, M.G., E.I. and S.C.; formal analysis, M.G., E.I. and S.C.; investigation, M.G. and S.C.; resources, L.B. and M.D.; data curation, M.G. and E.I.; writing—original draft preparation, M.G.; writing—review and editing, M.G., E.I., L.B. and S.C.; visualization, M.G. and E.I.; supervision, L.B. and M.D.; project administration, M.D.; funding acquisition, M.D. All authors have read and agreed to the published version of the manuscript.

Funding

This study was funded by the European Union within the project CliMAFlux Horizon Europe (Grant agreement ID: 101096062 https://climaflux.eu/). Views and opinions expressed are, however, those of the author(s) only and do not necessarily reflect those of the European Union or the European Climate, Infrastructure and Environment Executive Agency (CINEA). Neither the European Union nor the granting authority can be held responsible for them.

Institutional Review Board Statement

Not applicable.

Informed Consent Statement

Not applicable.

Data Availability Statement

The raw data supporting the conclusions of this article will be made available by the authors on request.

Acknowledgments

The authors wish to thank Giulio Bazzanti for assisting in constructing the Python script.

Conflicts of Interest

The authors declare no conflicts of interest. The funders had no role in the design of the study; in the collection, analyses, or interpretation of data; in the writing of the manuscript; or in the decision to publish the results.

References

  1. Communication from The Commission to The European Parliament, The European Council, The Council, The European Economic and Social Committee and The Committee of the regions. The European Green Deal. 2019. Available online: https://eur-lex.europa.eu/legal-content/EN/TXT/?uri=COM%3A2019%3A640%3AFIN (accessed on 2 September 2024).
  2. Ghisellini, P.; Cialani, C.; Ulgiati, S. A Review on Circular Economy: The Expected Transition to a Balanced Interplay of Environmental and Economic Systems. J. Clean. Prod. 2016, 114, 11–32. [Google Scholar] [CrossRef]
  3. Ellen MacArthur Foundation. Circular Design: Turning Ambition into Action. Available online: https://www.ellenmacarthurfoundation.org/topics/circular-design/overview (accessed on 2 September 2024).
  4. Directorate-General for Communication (European Commission). Circular Economy Action Plan: For a Cleaner and More Competitive Europe; Publications Office of the European Union: Luxembourg, 2020; ISBN 978-92-76-19070-7. [Google Scholar]
  5. Aguilar Esteva, L.C.; Kasliwal, A.; Kinzler, M.S.; Kim, H.C.; Keoleian, G.A. Circular Economy Framework for Automobiles: Closing Energy and Material Loops. J. Ind. Ecol. 2021, 25, 877–889. [Google Scholar] [CrossRef]
  6. Bocken, N.M.P.; De Pauw, I.; Bakker, C.; Van Der Grinten, B. Product Design and Business Model Strategies for a Circular Economy. J. Ind. Prod. Eng. 2016, 33, 308–320. [Google Scholar] [CrossRef]
  7. UNI EN ISO 14006; Environmental Management Systems—Guidelines for Incorporating Ecodesign. International Standard Organization: Geneva, Switzerland, 2020.
  8. Berzi, L.; Delogu, M.; Pierini, M.; Romoli, F. Evaluation of the End-of-Life Performance of a Hybrid Scooter with the Application of Recyclability and Recoverability Assessment Methods. Resour. Conserv. Recycl. 2016, 108, 140–155. [Google Scholar] [CrossRef]
  9. Directive 2000/53/EC of the European Parliament and of the Council of 18 September 2000 on End-of Life Vehicles—Commission Statements. OJ L 2000, 269, 34–43. Available online: https://eur-lex.europa.eu/legal-content/EN/ALL/?uri=celex%3A32000L0053 (accessed on 2 September 2024).
  10. Mandolini, M.; Favi, C.; Germani, M.; Marconi, M. Time-Based Disassembly Method: How to Assess the Best Disassembly Sequence and Time of Target Components in Complex Products. Int. J. Adv. Manuf. Technol. 2018, 95, 409–430. [Google Scholar] [CrossRef]
  11. Cappelli, F.; Delogu, M.; Pierini, M.; Schiavone, F. Design for Disassembly: A Methodology for Identifying the Optimal Disassembly Sequence. J. Eng. Des. 2007, 18, 563–575. [Google Scholar] [CrossRef]
  12. Ong, S.K.; Chang, M.M.L.; Nee, A.Y.C. Product Disassembly Sequence Planning: State-of-the-Art, Challenges, Opportunities and Future Directions. Int. J. Prod. Res. 2021, 59, 3493–3508. [Google Scholar] [CrossRef]
  13. Guo, X.; Zhou, M.; Abusorrah, A.; Alsokhiry, F.; Sedraoui, K. Disassembly Sequence Planning: A Survey. IEEE/CAA J. Autom. Sin. 2021, 8, 1308–1324. [Google Scholar] [CrossRef]
  14. Ghandi, S.; Masehian, E. Review and Taxonomies of Assembly and Disassembly Path Planning Problems and Approaches. Comput. Aided Des. 2015, 67–68, 58–86. [Google Scholar] [CrossRef]
  15. Tseng, H.-E.; Chang, C.-C.; Lee, S.-C.; Huang, Y.-M. A Block-Based Genetic Algorithm for Disassembly Sequence Planning. Expert Syst. Appl. 2018, 96, 492–505. [Google Scholar] [CrossRef]
  16. Tian, G.; Ren, Y.; Feng, Y.; Zhou, M.; Zhang, H.; Tan, J. Modeling and Planning for Dual-Objective Selective Disassembly Using and/or Graph and Discrete Artificial Bee Colony. IEEE Trans. Ind. Inform. 2019, 15, 2456–2468. [Google Scholar] [CrossRef]
  17. Guo, X.; Liu, S.; Zhou, M.; Tian, G. Dual-Objective Program and Scatter Search for the Optimization of Disassembly Sequences Subject to Multiresource Constraints. IEEE Trans. Autom. Sci. Eng. 2018, 15, 1091–1103. [Google Scholar] [CrossRef]
  18. Tao, F.; Bi, L.; Zuo, Y.; Nee, A.Y.C. Partial/Parallel Disassembly Sequence Planning for Complex Products. J. Manuf. Sci. Eng. 2017, 140, 011016. [Google Scholar] [CrossRef]
  19. Vongbunyong, S.; Vongseela, P.; Sreerattana-aporn, J. A Process Demonstration Platform for Product Disassembly Skills Transfer. Procedia CIRP 2017, 61, 281–286. [Google Scholar] [CrossRef]
  20. Jiang, H.; Yi, J.; Zhu, X.; Li, Z. Generating Disassembly Tasks for Selective Disassembly Using Ontology-Based Disassembly Knowledge Representation. Assem. Autom. 2018, 38, 113–124. [Google Scholar] [CrossRef]
  21. Chang, M.M.L.; Ong, S.K.; Nee, A.Y.C. AR-Guided Product Disassembly for Maintenance and Remanufacturing. Procedia CIRP 2017, 61, 299–304. [Google Scholar] [CrossRef]
  22. Osti, F.; Ceruti, A.; Liverani, A.; Caligiana, G. Semi-Automatic Design for Disassembly Strategy Planning: An Augmented Reality Approach. Procedia Manuf. 2017, 11, 1481–1488. [Google Scholar] [CrossRef]
  23. Liu, J.; Zhou, Z.; Pham, D.T.; Xu, W.; Ji, C.; Liu, Q. Collaborative Optimization of Robotic Disassembly Sequence Planning and Robotic Disassembly Line Balancing Problem Using Improved Discrete Bees Algorithm in Remanufacturing. Robot. Comput. Integr. Manuf. 2020, 61, 101829. [Google Scholar] [CrossRef]
  24. Feng, Y.; Hong, Z.; Tian, G.; Li, Z.; Tan, J.; Hu, H. Environmentally Friendly MCDM of Reliability-Based Product Optimisation Combining DEMATEL-Based ANP, Interval Uncertainty and Vlse Kriterijumska Optimizacija Kompromisno Resenje (VIKOR). Inf. Sci. 2018, 442–443, 128–144. [Google Scholar] [CrossRef]
  25. Herrmann, C.; Frad, A.; Revnic, I.; Luger, T. Product Architect, a New Approach for Transparency and Controlling of the End-of-Life Performance. In Proceedings of the 2005 4th International Symposium on Environmentally Conscious Design and Inverse Manufacturing, Tokyo, Japan, 12–14 December 2005; IEEE, 2005; pp. 634–639. [Google Scholar] [CrossRef]
  26. Boothroyd Dewhurst, Inc. DFMA. Available online: https://www.dfma.com/ (accessed on 2 September 2024).
  27. Favi, C.; Marconi, M.; Germani, M.; Mandolini, M. A Design for Disassembly Tool Oriented to Mechatronic Product De-Manufacturing and Recycling. Adv. Eng. Inform. 2019, 39, 62–79. [Google Scholar] [CrossRef]
  28. Marconi, M. Toward Circular Economy: Turning Waste into Resources Through the Adoption of End of Life Oriented Methods and Tools. Doctoral Thesis, Università Politecnica delle Marche, Ancona, Italy, 2017. Available online: https://hdl.handle.net/11566/245415 (accessed on 18 August 2024).
  29. Han, H.-J.; Yu, J.-M.; Lee, D.-H. Mathematical Model and Solution Algorithms for Selective Disassembly Sequencing with Multiple Target Components and Sequence-Dependent Setups. Int. J. Prod. Res. 2013, 51, 4997–5010. [Google Scholar] [CrossRef]
  30. Homem De Mello, L.S.; Sanderson, A.C. AND/OR Graph Representation of Assembly Plans. IEEE Trans. Robot. Autom. 1990, 6, 188–199. [Google Scholar] [CrossRef]
  31. yWorks. yEd—Graph Editor. Available online: https://www.yworks.com/products/yed (accessed on 16 August 2024).
  32. Hagberg, A.A.; Schult, D.A.; Swart, P.J. Exploring Network Structure, Dynamics, and Function Using NetworkX. In Proceedings of the 7th Python in Science Conference (SciPy2008), Pasadena, CA, USA, 19–24 August 2008; Varoquaux, G., Vaught, T., Millman, J., Eds.; pp. 11–15. [Google Scholar] [CrossRef]
  33. De Fazio, F.; Bakker, C.; Flipsen, B.; Balkenende, R. The Disassembly Map: A New Method to Enhance Design for Product Repairability. J. Clean. Prod. 2021, 320, 128552. [Google Scholar] [CrossRef]
  34. European Commission; Directorate-General for Internal Market, Industry, Entrepreneurship and SMEs; Grohol, M.; Veeh, C. Study on the Critical Raw Materials for the EU 2023—Final Report; Publications Office of the European Union: Luxembourg, 2023. [Google Scholar] [CrossRef]
  35. Hool, A.; Helbig, C.; Wierink, G. Challenges and Opportunities of the European Critical Raw Materials Act. Miner. Econ. 2023. [Google Scholar] [CrossRef]
  36. Hansjosten, M.; Fleischer, J. Disassembly Graph Generation and Sequence Planning Based on 3D Models for the Disassembly of Electric Motors. In Proceedings of the Production at the Leading Edge of Technology; Bauernhansl, T., Verl, A., Liewald, M., Möhring, H.-C., Eds.; Springer Nature Switzerland: Cham, Switzerland, 2024; pp. 448–457. [Google Scholar] [CrossRef]
  37. Erdmann, J.G.; Koller, J.; Brimaire, J.; Döpper, F. Assessment of the Disassemblability of Electric Bicycle Motors for Remanufacturing. J. Remanufacturing 2023, 13, 137–159. [Google Scholar] [CrossRef]
  38. Kroll, E.; Carver, B.S. Disassembly Analysis through Time Estimation and Other Metrics. Robot. Comput. Integr. Manuf. 1999, 15, 191–200. [Google Scholar] [CrossRef]
  39. Francia, D.; Ponti, S.; Frizziero, L.; Liverani, A. Virtual Mechanical Product Disassembly Sequences Based on Disassembly Order Graphs and Time Measurement Units. Appl. Sci. 2019, 9, 3638. [Google Scholar] [CrossRef]
  40. Desai, A.; Mital, A. Evaluation of Disassemblability to Enable Design for Disassembly in Mass Production. Int. J. Ind. Ergon. 2003, 32, 265–281. [Google Scholar] [CrossRef]
  41. Walton, A.; Yi, H.; Rowson, N.A.; Speight, J.D.; Mann, V.S.J.; Sheridan, R.S.; Bradshaw, A.; Harris, I.R.; Williams, A.J. The Use of Hydrogen to Separate and Recycle Neodymium–Iron–Boron-Type Magnets from Electronic Waste. J. Clean. Prod. 2015, 104, 236–241. [Google Scholar] [CrossRef]
Figure 1. An example of a precedence matrix used in this work.
Figure 1. An example of a precedence matrix used in this work.
Engproc 85 00006 g001
Figure 2. Precedence graph resultant from the matrix in Figure 1.
Figure 2. Precedence graph resultant from the matrix in Figure 1.
Engproc 85 00006 g002
Figure 3. Example of the OR condition, represented by the red arrows.
Figure 3. Example of the OR condition, represented by the red arrows.
Engproc 85 00006 g003
Figure 4. Main scheme of Python script.
Figure 4. Main scheme of Python script.
Engproc 85 00006 g004
Figure 5. Example of a disassembly path AND/OR graph.
Figure 5. Example of a disassembly path AND/OR graph.
Engproc 85 00006 g005
Figure 6. Method flowchart.
Figure 6. Method flowchart.
Engproc 85 00006 g006
Figure 7. Electric motor analyzed.
Figure 7. Electric motor analyzed.
Engproc 85 00006 g007
Figure 8. AFPM motor precedence graph. Red arrows represent the OR condition.
Figure 8. AFPM motor precedence graph. Red arrows represent the OR condition.
Engproc 85 00006 g008
Table 1. Component list and associated letters.
Table 1. Component list and associated letters.
ComponentLetter
Carter ext 1A
Carter ext 2B
Bearing 1C
Bearing 2D
Rotor 1E
Rotor 2F
Stator plate 1G
Stator plate 2H
ShaftI
Coil structureJ
Stator carterK
Connector housingL
Disclaimer/Publisher’s Note: The statements, opinions and data contained in all publications are solely those of the individual author(s) and contributor(s) and not of MDPI and/or the editor(s). MDPI and/or the editor(s) disclaim responsibility for any injury to people or property resulting from any ideas, methods, instructions or products referred to in the content.

Share and Cite

MDPI and ACS Style

Guadagno, M.; Innocenti, E.; Berzi, L.; Corsi, S.; Delogu, M. Development of Procedures for Disassembly of Industrial Products in Python Environment. Eng. Proc. 2025, 85, 6. https://doi.org/10.3390/engproc2025085006

AMA Style

Guadagno M, Innocenti E, Berzi L, Corsi S, Delogu M. Development of Procedures for Disassembly of Industrial Products in Python Environment. Engineering Proceedings. 2025; 85(1):6. https://doi.org/10.3390/engproc2025085006

Chicago/Turabian Style

Guadagno, Maurizio, Eleonora Innocenti, Lorenzo Berzi, Saverio Corsi, and Massimo Delogu. 2025. "Development of Procedures for Disassembly of Industrial Products in Python Environment" Engineering Proceedings 85, no. 1: 6. https://doi.org/10.3390/engproc2025085006

APA Style

Guadagno, M., Innocenti, E., Berzi, L., Corsi, S., & Delogu, M. (2025). Development of Procedures for Disassembly of Industrial Products in Python Environment. Engineering Proceedings, 85(1), 6. https://doi.org/10.3390/engproc2025085006

Article Metrics

Back to TopTop