Fault Detection and Classification in Electrical Power Transmission System Using Wavelet Transform †
Abstract
:1. Introduction
2. Implementation of Wavelet Transform
2.1. Wavelet Transform
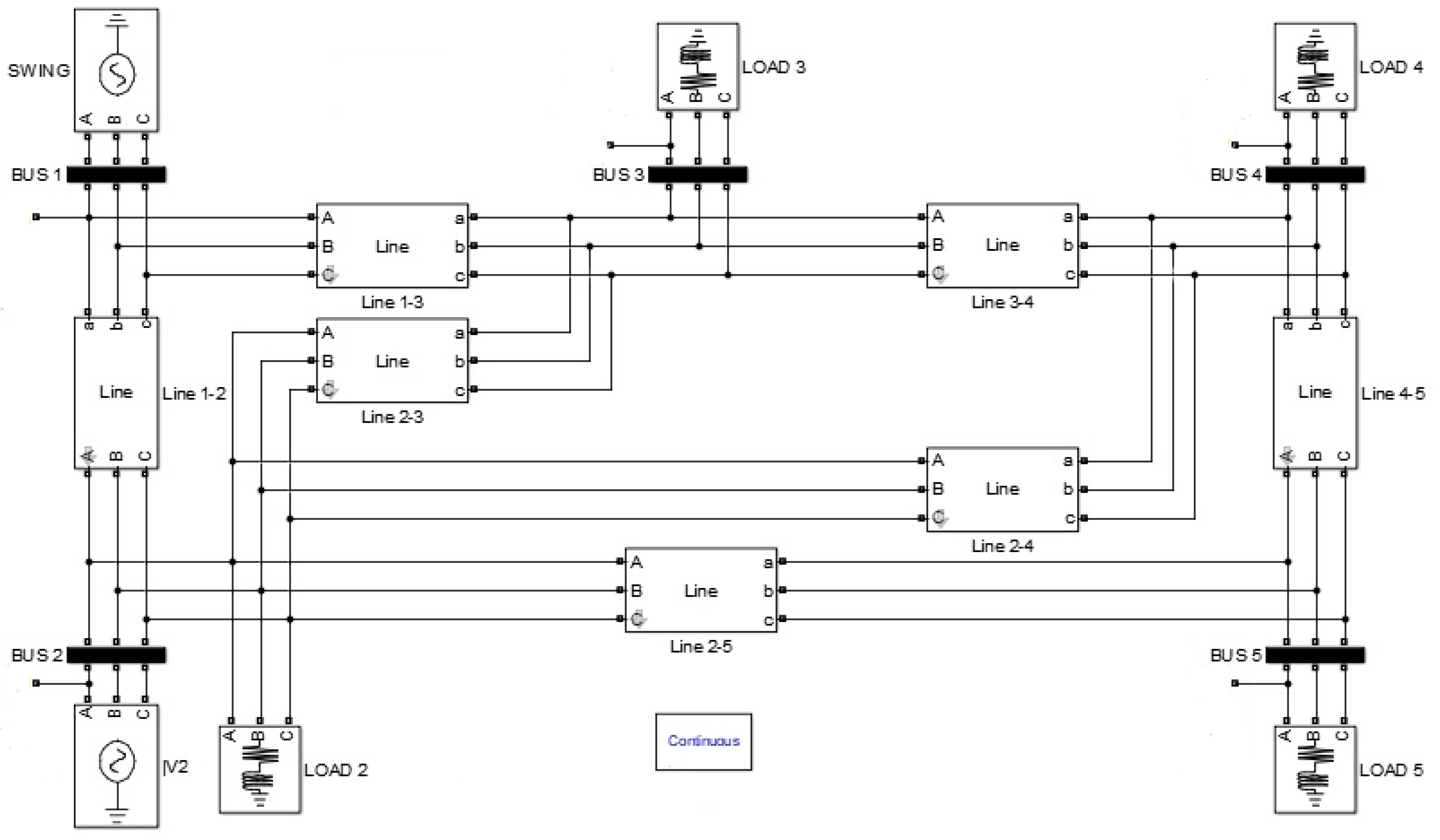
2.2. Test Network Model
3. Results and Discussion
4. Conclusions
Author Contributions
Funding
Institutional Review Board Statement
Informed Consent Statement
Data Availability Statement
Acknowledgments
Conflicts of Interest
References
- Fernández de Castro, R.M.; Rojas Díaz, H.N. An Overview of Wavelet Transforms Applications in Power Systems. In Proceedings of the 14th Power Systems Computation Conference, 1(PS1): Advanced Techniques, Seville, Spain, 24–28 June 2002. [Google Scholar]
- Oliveira, M.O.; Reversat, J.H.; Reynoso, L.A. Wavelet Transform Analysis to Applications in Electric Power Systems. In Wavelet Transform and Complexity; Baleanu, D., Ed.; IntechOpen: London, UK, 2019. [Google Scholar] [CrossRef]
- Ray, P.K.; Panigrahi, B.K.; Rout, P.K.; Mohanty, A.; Dubey, H. Detection of Faults in Power System Using Wavelet Transform and Independent Component Analysis. In Computer, Communication and Electrical Technology, 1st ed.; Guha, D., Chakraborty, B., Dutta, H.S., Eds.; CRC Press: London, UK, 2017; eBook; ISBN 9781315400624. [Google Scholar]
- Wang, H.; Keerthipala, W.W.L. Fuzzy-neuro Approach to Fault Classification for Transmission Line Protection. IEEE Trans. Power Deliv. 1998, 13, 1093–1104. [Google Scholar] [CrossRef]
- Mahanty, R.N.; Gupta Dutta, P.B. A Fuzzy Logic-based Fault Classification Approach Using Current Samples Only. Electr. Power Syst. Res. 2007, 77, 501–507. [Google Scholar] [CrossRef]
- Aggarwal, R.K.; Xuan, Q.Y.; Dunn, R.W.; Johns, A.T.; Bennett, A. A Novel Fault Classification Technique for Double-circuit Line Based on a Combined Unsupervised/Supervised Neural Network. IEEE Trans. Power Deliv. 1999, 14, 1250–1256. [Google Scholar] [CrossRef]
- Kim, C.-H.; Kim, H.; Ko, Y.-H.; Byun, S.-H.; Aggarwal, R.K.; Johns, A.T. A Novel Fault-Detection Technique of High-Impedance Arcing Faults in Transmission Lines Using the Wavelet Transform. IEEE Trans. Power Deliv. 2002, 17, 921–929. [Google Scholar] [CrossRef]
- Jiang, J.-A.; Fan, P.-L.; Chen, C.-S.; Yu, C.-S.; Sheu, J.-Y. A Fault Detection and Faulted-Phase Selection Approach for Transmission Lines with Haar Wavelet Transform. In Proceedings of the IEEE PES Transmission and Distribution Conference and Exposition, Dallas, TX, USA, 7–12 September 2003; Volume 1, pp. 285–289. [Google Scholar] [CrossRef]
- Gafoor, S.A.; Rao, P.V.R. Wavelet Based Fault Detection, Classification and Location in Transmission Lines. In Proceedings of the IEEE International Power and Energy Conference, Putra Jaya, Malaysia, 28–29 November 2006; pp. 114–118. [Google Scholar] [CrossRef]
- Silva, K.M.; Souza, B.A.; Brito, N.S.D. Fault Detection and Classification in Transmission Lines Based on Wavelet Transform and ANN. IEEE Trans. Power Deliv. 2006, 21, 2058–2063. [Google Scholar] [CrossRef]
- Shariatinasab, R.; Akbari., M.; Rahmani, B. Application of Wavelet Analysis in Power Systems. In Advances in Wavelet Theory and Their Applications in Engineering, Physics and Technology; Baleanu, D., Ed.; IntechOpen: London, UK, 2012; pp. 221–224. ISBN 978-953-51-0494-0. [Google Scholar] [CrossRef]
- Mallat, S.G. A Theory for Multiresolution Signal Decomposition: The Wavelet Representation. IEEE Trans. Pattern Anal. Mach. Intell. 1989, 11, 674–693. [Google Scholar] [CrossRef]
- Almutairi, A.F.; Krishna, A. Filtered-orthogonal Wavelet Division Multiplexing (F–OWDM) Technique for 5G & Beyond Communication Systems. Sci. Rep. 2022, 12, 4607. [Google Scholar] [CrossRef] [PubMed]
- MathWorks. Introduction to Wavelet Families. Available online: https://in.mathworks.com/help/wavelet/gs/introduction-to-the-wavelet-families.html (accessed on 8 April 2022).
- Balamurugan, S.; Ashwin, S.; Vaishnavi Sudeep, C.; Jishnu, R.; Sri Harshitha, V. Big Data from Actual IEEE 5 Bus System during Normal and Control Operations. IEEE Data Port. 2022. Available online: https://ieee-dataport.org/documents/big-data-actual-ieee-5-bus-system-during-normal-and-control-operations (accessed on 29 April 2022).
- Tan, R. IEEE 5-Bus System Model. MATLAB Central File Exchange, Version 1. 2023. Available online: https://www.mathworks.com/matlabcentral/fileexchange/66555-ieee-5-bus-system-model (accessed on 29 April 2022).




| Bus No. | Bus Type | Voltage (p u) | Generation | Load | ||
|---|---|---|---|---|---|---|
| MW | MVAr | MW | MVAr | |||
| 1 | Swing (Slack) | 1.06 | 0 | 0 | 0 | 0 |
| 2 | Load (PQ) | 1.00 | 40 | 30 | 20 | 10 |
| 3 | Load (PQ) | 1.00 | 0 | 0 | 45 | 15 |
| 4 | Load (PQ) | 1.00 | 0 | 0 | 40 | 5 |
| 5 | Load (PQ) | 1.00 | 0 | 0 | 60 | 10 |
| Line from | Line to | Line Impedance | Line Charging Susceptance, B/2 (p u) | |
|---|---|---|---|---|
| Resistance, R (p u) | Reactance, X (p u) | |||
| 1 | 2 | 0.02 | 0.06 | j 0.03 |
| 1 | 3 | 0.08 | 0.24 | j 0.025 |
| 2 | 3 | 0.06 | 0.18 | j 0.02 |
| 2 | 4 | 0.06 | 0.18 | j 0.02 |
| 2 | 5 | 0.04 | 0.12 | j 0.015 |
| 3 | 4 | 0.01 | 0.03 | j 0.01 |
| 4 | 5 | 0.08 | 0.24 | j 0.025 |
| Fault Type | Phase | |||
|---|---|---|---|---|
| A | B | C | G | |
| Line 1–2 | ||||
| ABC | 1.9069 × 107 | 2.7060 × 107 | 8.5632 × 10 7 | 0.0106 |
| AC-G | 2.4150 × 107 | 42.0308 | 4.9443 × 107 | 1.3084 × 106 |
| AC | 2.3760 × 107 | 51.3757 | 4.7633 × 107 | 0.0137 |
| A-G | 1.2972 × 106 | 50.5511 | 1.4653 × 103 | 1.7498 × 106 |
| No Fault | 1.4491 × 103 | 50.5504 | 1.4653 × 103 | 1.9067 × 10−8 |
| Line 1–3 | ||||
| ABC | 1.4210 × 107 | 3.7989 × 107 | 1.4210 × 107 | 0.0076 |
| BC-G | 667.9236 | 3.7989 × 107 | 8.9222 × 106 | 7.1596 × 105 |
| BC | 667.9236 | 3.7989 × 107 | 7.4875 × 106 | 0.0051 |
| B-G | 667.9236 | 3.4538 × 106 | 869.0412 | 1.7222 × 106 |
| No Fault | 667.9236 | 667.9204 | 833.2170 | 6.5650 × 10−8 |
| Line 2–3 | ||||
| ABC | 1.3406 × 107 | 3.5839 × 107 | 1.3406 × 107 | 0.0072 |
| AB-G | 7.3879 × 106 | 1.8773 × 107 | 786.0533 | 6.7548 × 105 |
| AB | 6.9400 × 106 | 1.7919 × 107 | 786.0533 | 0.0086 |
| C-G | 630.1166 | 630.1141 | 8.2480 × 105 | 3.2580 × 106 |
| No Fault | 630.1166 | 630.1136 | 786.0533 | 8.2336 × 10−8 |
| Line 2–4 | ||||
| ABC | 1.1552 × 107 | 2.5615 × 107 | 8.0274 × 107 | 0.0076 |
| AC-G | 2.0433 × 107 | 625.3636 | 4.6022 × 107 | 1.2262 × 106 |
| AC | 2.0062 × 107 | 626.3349 | 4.4309 × 107 | 0.0129 |
| A-G | 1.6251 × 106 | 819.1983 | 628.9140 | 1.6248 × 106 |
| No Fault | 628.9119 | 628.9115 | 628.9106 | 9.0246 × 10−8 |
| Line 2–5 | ||||
| ABC | 1.1548 × 107 | 2.5615 × 107 | 8.0271 × 107 | 0.0076 |
| BC-G | 628.2162 | 2.7611 × 107 | 7.6300 × 107 | 8.6580 × 105 |
| BC | 629.5015 | 2.7711 × 107 | 7.6101 × 107 | 0.0089 |
| B-G | 539.8021 | 2.3284 × 106 | 402.1372 | 6.5392 × 106 |
| No Fault | 632.3848 | 632.3843 | 632.3836 | 9.0959 × 10−9 |
| Line 3–4 | ||||
| ABC | 0.8413 | 0.6346 | 0.5003 | 1.2206 × 10−4 |
| AB-G | 0.6429 | 0.7878 | 0.0858 | 0.5276 |
| AB | 0.5650 | 0.5307 | 0.0858 | 3.4514 × 10−5 |
| C-G | 0.0858 | 0.0858 | 0.7696 | 0.8821 |
| No Fault | 0.0858 | 0.0858 | 0.0858 | 1.1528 × 10−10 |
| Line 4–5 | ||||
| ABC | 0.7226 | 0.4500 | 0.6258 | 3.7727 × 10−5 |
| AC-G | 0.6588 | 0.0927 | 0.8353 | 1.1155 |
| AC | 0.5424 | 0.0978 | 0.6758 | 2.4200 × 10−5 |
| A-G | 0.6834 | 0.1119 | 0.1116 | 0.9174 |
| No Fault | 0.0926 | 0.0927 | 0.1101 | 3.9748 × 10−11 |
Disclaimer/Publisher’s Note: The statements, opinions and data contained in all publications are solely those of the individual author(s) and contributor(s) and not of MDPI and/or the editor(s). MDPI and/or the editor(s) disclaim responsibility for any injury to people or property resulting from any ideas, methods, instructions or products referred to in the content. |
© 2023 by the authors. Licensee MDPI, Basel, Switzerland. This article is an open access article distributed under the terms and conditions of the Creative Commons Attribution (CC BY) license (https://creativecommons.org/licenses/by/4.0/).
Share and Cite
Sundararaman, B.; Jain, P. Fault Detection and Classification in Electrical Power Transmission System Using Wavelet Transform. Eng. Proc. 2023, 59, 71. https://doi.org/10.3390/engproc2023059071
Sundararaman B, Jain P. Fault Detection and Classification in Electrical Power Transmission System Using Wavelet Transform. Engineering Proceedings. 2023; 59(1):71. https://doi.org/10.3390/engproc2023059071
Chicago/Turabian StyleSundararaman, Bharathwaaj, and Prateek Jain. 2023. "Fault Detection and Classification in Electrical Power Transmission System Using Wavelet Transform" Engineering Proceedings 59, no. 1: 71. https://doi.org/10.3390/engproc2023059071
APA StyleSundararaman, B., & Jain, P. (2023). Fault Detection and Classification in Electrical Power Transmission System Using Wavelet Transform. Engineering Proceedings, 59(1), 71. https://doi.org/10.3390/engproc2023059071

