Abstract
A balanced operating power system with all elements carrying normal currents and bus voltages within the prescribed limits can be disrupted due to faults within the system. Overhead transmission networks are vulnerable to the vagaries of the atmosphere and, therefore, statistically have the highest probability of fault occurrence. Quick and accurate fault detections assist in timely remedial action, offering significant economic and operational benefits. Maintaining continuous and uninterrupted supply functionality is one of the critical objectives of electric utilities for a reliable system operation. Also, identifying and locating faults is crucial to address them in time to avert the risk of cascading failures. During faults, fast electromagnetic transients associated with the current and voltage waveforms can provide valuable insights into identifying abnormal operating conditions. To analyze these non-stationary signals in both the time and frequency domains, wavelet transform (WT) has become an indispensable tool. Thanks to its ability to adapt to variable window sizes, WT provides a more accurate and detailed resolution, making it a highly useful technique for signal analysis. In this context, this paper presents the application of WT-based intelligent technique to detect and classify power system faults accurately. The transient disturbances caused by various faults are subjected to wavelet transform analysis to analyze the detail coefficients of phase currents. The maximum detail coefficients of phase currents, which differ significantly when the system experiences a fault, served as the distinguishing feature to identify different power system faults. The phase current signals are analyzed with one of the wavelets from the Daubechies 4 (db4) family to obtain detail coefficients, thus enabling the categorization of the faults. Extensive simulation tests for fault types have been conducted on the standard IEEE 5-Bus system to demonstrate the technique’s effectiveness and fault detection capability, allowing utilities to take timely protective actions.
1. Introduction
Wavelet transform has emerged as an effective signal-processing technique for power system transient disturbance analysis [1]. A power system disturbance results in current and voltage waveforms possessing features such as time-varying frequencies, electromagnetic transients, and steadily varying trends. Faults in the power system typically trigger non-periodic high-frequency electromagnetic transients, rendering problems with traditional Fourier transform analysis which works on the assumption of a periodic wide-band signal necessitating tight sampling with more prolonged periods to attain a resolution in low frequencies. Wavelet transform, in turn, can extract information in both time and frequency domains from transient signals, thus gaining an advantage over Fourier analysis in many power system analysis applications [2].
Wavelet analysis is based on the decomposition of a signal from the time-amplitude model into shifted and scaled versions of a time-frequency model abstracted as wavelet coefficients. In contrast, Fourier analysis is based on decomposing a signal into sine waves of particular frequencies. A wavelet, as opposed to a sine wave, is a quickly decaying zero-average oscillating function that resembles a little wave, which makes it simple to represent data of many sizes entirely in terms of wavelet coefficients. Wavelet coefficients, in turn, yield important frequency and temporal insights into a signal. Depending on the application, various wavelet types may be utilized [3].
Abnormal operating conditions, such as faults in equipment and transmission lines, can cause electromagnetic transients in electric power systems. For reliable and secure system operation, faults must be identified, categorized, and isolated as selectively and quickly as possible to minimize equipment damage and preserve system stability. Various methods have been proposed to accomplish this, which are primarily based on fuzzy logic [4,5], neural networks [6], and wavelet transform [7,8,9,10]. While widely used neural networks and fuzzy logic-based approaches can perform better in unexpected situations, they require extensive training and learning effort; in addition, building a fuzzy system sometimes becomes complicated when a complex data set is involved. In such cases, the wavelet transform-based approach is better suited for the characteristic analysis of waveforms associated with fast electromagnetic transients during the occurrence of a fault.
Based on this, the work in this paper presents a wavelet transform-based approach for fault detection and identification, facilitating utilities to tailor appropriate remedies for system protection. The method identifies and precisely categorizes the rapid changes in the wavelet coefficients on the occurrence of a disturbance [3]. Simulink has been used to create a simulation model of a standard IEEE 5-Bus test system, and wavelet transform has been applied using the wavelet toolbox of MATLAB. Simulation results of all realizable shunt faults (short circuits) at different possible locations of the test system have been analyzed and compared with the no-fault (healthy) system condition.
2. Implementation of Wavelet Transform
2.1. Wavelet Transform
Wavelet transform limits the problem of traditional Fourier transform in analyzing the localized characteristics of time-varying high-frequency fault transients that are practically non-periodic. It uses a narrower time window for the higher-frequency component portion of the waveform and a wider window for the lower-frequency component portion.
Theoretically, the problem analysis by wavelet transform (CWT) for a continuous function f(t) can be expressed as [11]
where is regarded as the mother wavelet shifted by a factor z, scaled by a factor y, with large and low scales representing lower and higher frequency bands, respectively. The typically used mother wavelet functions are classified into a (i) Classic wavelet: Harr wavelet, Morlet wavelet, and Gaussian wavelet; (ii) Orthogonal wavelet: Daubechies wavelet, Symlet wavelet, and Coiflet wavelet; and (iii) Biorthogonal wavelet.
Considerable data are generated in terms of wavelet coefficients with respect to the variation in scale and position by CWT. Discrete wavelet transform (DWT) improves computational efficiency while performing calculations on various scales, where the two key parameters y (the degree of scaling or dilation) and z (translation) are principally sampled (discretized) at base 2., i.e., and , where , and m and n are integers.
Thus, for a function f(t), DWT is defined as [11]
The scaling function in one stage is expressed as sum of that of the next stage and can be given by
The DWT, based on the subsamples sampled at suitably selected frequencies of CWT, makes the interpretation more efficient, computationally fast, and easy to implement without any data loss. An appropriate mother wavelet is employed to decompose the signal under consideration. At the same time, high and low-frequency forms of the mother wavelet are analyzed to obtain approximate and detail coefficients representing different frequency areas.
DWT is implemented using Mallat’s Multi-Resolution Analysis (MRA) algorithm [12]. Here, the signal under consideration is moved through finite impulse response (FIR) high-pass filters (HPFs) and low-pass filters (LPFs) with suitable cutoff frequencies at various levels. Wavelet analysis regards the low-frequency components as approximate coefficients and high-frequency components as detail coefficients. The signal is analyzed (decomposed) until the approximate coefficient obtained at each level reaches a desired value.
Selecting an appropriate mother wavelet is critical to obtain best-case analysis results. Among the wavelet functions mentioned above, Daubechies wavelet family are quite versatile mathematical tools to analyze, generate, and decompose a function and are widely used in accurately analyzing transients in power systems [11]. Based on this, in this problem analysis, Daubechies wavelet is selected as the mother wavelet to analyze the current transients during various faults compared to healthy (no-fault) conditions. The low and high-frequency band portions are categorized using approximate and detail coefficients. With multi-level decomposition using wavelets, considering the frequency portions of interest, the maximum value of detail coefficients is adopted for fault identification and categorization.
A decomposition tree depicting the representation of low- and high-frequency bands by the approximate and detail components of discrete wavelet coefficients, respectively, is shown in Figure 1 [13]. The compact orthonormal Daubechies wavelets make discrete wavelet analysis (DWT) feasible since a proper setting of mathematical expression leads to the straightforward physical interpretation of wavelet coefficients. The Daubechies family wavelet names are summarized as dbN, where ‘db’ represents the wavelet’s surname, and ‘N’ is the order. Figure 2 shows the first 10 members of the Daubechies wavelet function (), with the db1 wavelet being the same as the Haar wavelet [14].
Figure 1.
Decomposition tree representing a three-level discrete wavelet transform [13].
Figure 2.
First 10 members of Daubechies wavelet function.
2.2. Test Network Model
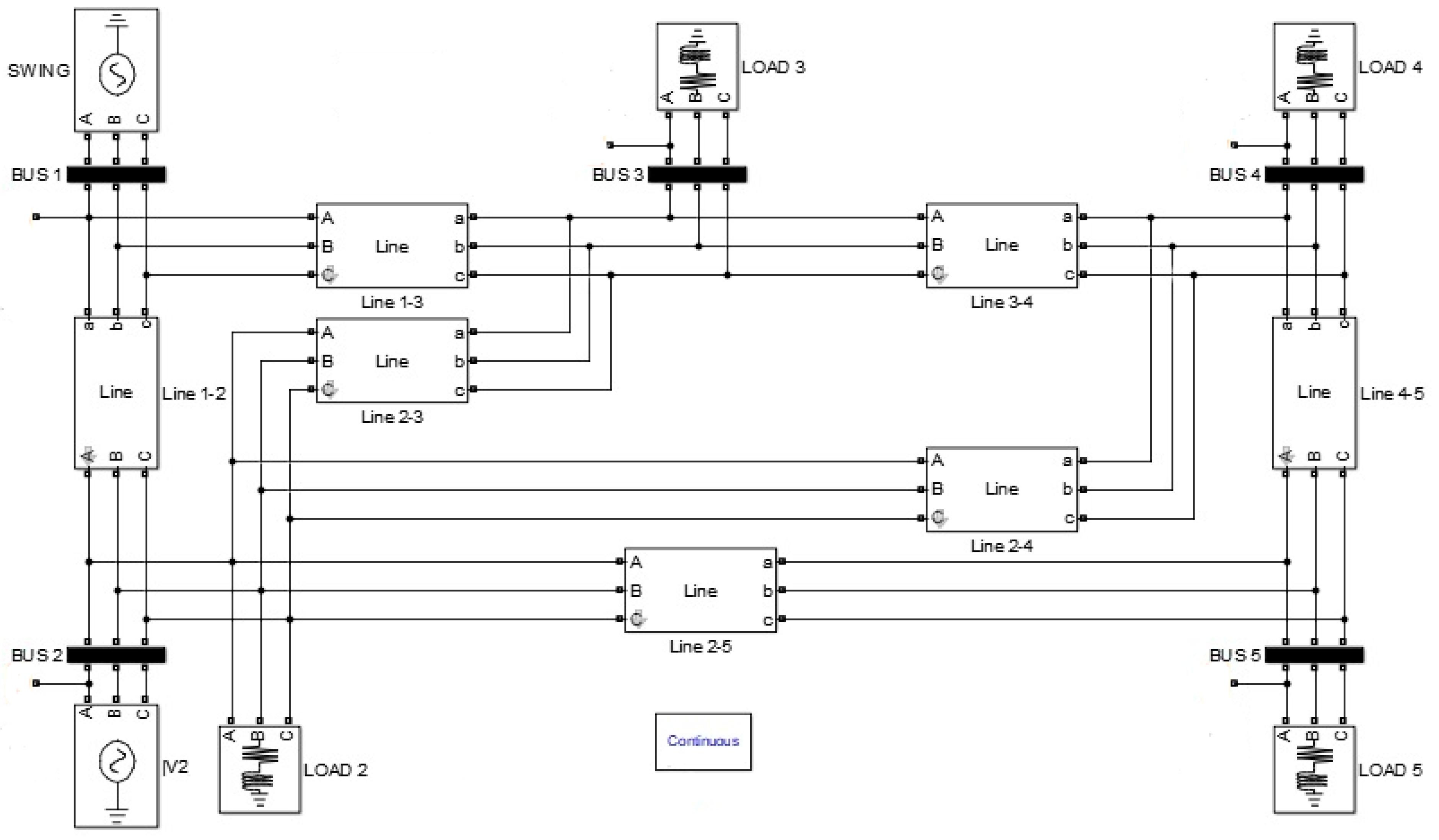
The standard IEEE 5-bus test system [15], as shown in Figure 3, composed of two generator buses, three load buses, and seven transmission lines, is taken as the test network to simulate various types of faults. Table 1 and Table 2 summarize the bus and line data for the IEEE 5-bus test network [15]. MATLAB programming platform has been used to generate the wavelet transform code, while the Simulink environment has been used to model the IEEE 5-Bus system for analysis [16]. The Simulink model of the IEEE 5-Bus test network used to perform wavelet analysis is shown in Figure 4. The Wavelet Toolbox of MATLAB facilitates the application of discrete wavelet transform and consequently the time-frequency analysis of the signals. Various power system faults were simulated on the test network, and wavelet transform analysis were performed using the above toolbox.
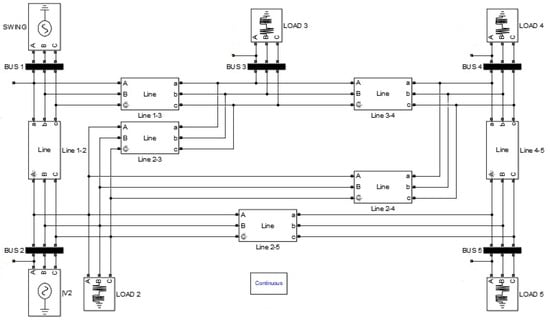
Figure 3.
IEEE 5-Bus system.
Table 1.
Bus data for IEEE 5-Bus test system at 100 kV and 100 MVA base.
Table 2.
Line data for IEEE 5-Bus test system at 100 kV and 100 MVA base.
Figure 4.
Simulink model of IEEE 5-Bus test system.
The various abnormal (or fault) conditions simulated are (1) Three Phase Fault (ABC), (2) Double-Line-to-Ground Fault (AB-G, AC-G, and BC-G), (3) Line-to-Line Fault (AB, AC, and BC), and (4) Single-Line-to-Ground Fault (A-G, B-G, and C-G) in comparison with the (5) No-Fault condition. Here, A, B, and C denote the three phases of the power system, and G is the ground. Each of the above faults has been tested on seven different locations of the Simulink model representing the various transmission lines of the system: Lines 1–2, 1–3, 2–3, 2–4, 2–5, 3–4, and 4–5. From the Daubechies family wavelets, the dB4 wavelet has been selected as the mother wavelet for wavelet decomposition to obtain the approximate and detailed coefficients at decomposition level 3 of phase current signals. The above suitability of the mother wavelet is based on the criteria of maximum energy distribution for detail coefficients at the first decomposition level on the occurrence of a fault. The disturbance will be detected as a fault in a phase when the energy distribution of this phase exceeds a fixed threshold.
3. Results and Discussion
The maximum value of detailed coefficients obtained by applying the wavelet analysis for various faults (shown only for one L-G, one L-L, one L-L-G, and Three Phase Fault) at different locations (transmission lines) of the test system is summarized in Table 3. The analysis in the above below depicts that the phases with simulated faults have a higher value of maximum detailed coefficient than those with no faults. The lower value of the maximum detailed coefficients associated with the healthy phases can be considered below a threshold limit, thereby serving as a distinguishing feature for fault categorization. Also, from the relative magnitude of the coefficients on transmission lines, it can be observed that each location in the test system can be assigned a different threshold limit based on fault type. For instance, line 1–2 can be assigned a threshold value of 2000, while it can be 1000 for lines 1–3, 2–3, 2–4, and 2–5, and 0.15 for lines 3–4 and 4–5. Thus, the results establish the fact that the absolute value of detailed wavelet coefficients deviates significantly when the system experiences various faults, thereby facilitating the identification of fault-relevant attributes in the power network. Further, the threshold value used to discriminate between fault and the normal condition is adaptive to fault type and its location in the network under consideration, in addition to decomposition level and sample rate in wavelet analysis.
Table 3.
Maximum value of detailed coefficients of phase currents during fault. (The values in black indicate that phases with simulated faults have a higher value of maximum detailed coefficient than those with no faults (values in red).).
4. Conclusions
This work demonstrated the wavelet-based approach for systematically detecting and classifying power system faults. The highly efficient discrete wavelet transform has been applied on the Daubechies dB4 mother wavelet to obtain the signal’s high-frequency components as detail coefficients with distinct values for fault identification and categorization. Fault current signals were extracted and processed through the above technique to a level 3 decomposition under different fault scenarios at distinct locations. Numerical results ascertain that the detailed wavelet coefficients can decisively be used to detect and identify the fault-specific features in the power system. Its threshold value used to discriminate between a healthy system and a fault condition is not generalized but is adaptive to the fault type and location. It is to be noted that alongside the threshold selection, the wavelet approach is influenced by the choice of the wavelet family, decomposition level, and sampling frequency. The methodology for the selection of suitable mother wavelets for typical applications is currently being researched, in addition to the application of other computational intelligence techniques such as ANN-based methods.
Author Contributions
Conceptualization, P.J. and B.S.; methodology, P.J. and B.S.; software, P.J. and B.S.; formal analysis, P.J. and B.S.; investigation, P.J. and B.S.; resources, P.J. and B.S.; data curation, P.J. and B.S.; writing—original draft preparation, P.J. and B.S.; writing—review and editing, P.J.; visualization, P.J. and B.S.; supervision, P.J. All authors have read and agreed to the published version of the manuscript.
Funding
This research received no external funding.
Institutional Review Board Statement
Not applicable.
Informed Consent Statement
Not applicable.
Data Availability Statement
All the data used in this work are appropriately cited and referenced.
Acknowledgments
The authors thank the anonymous reviewers for their thoughtful comments and efforts toward enhancing the quality of the manuscript.
Conflicts of Interest
The authors declare no conflict of interest.
References
- Fernández de Castro, R.M.; Rojas Díaz, H.N. An Overview of Wavelet Transforms Applications in Power Systems. In Proceedings of the 14th Power Systems Computation Conference, 1(PS1): Advanced Techniques, Seville, Spain, 24–28 June 2002. [Google Scholar]
- Oliveira, M.O.; Reversat, J.H.; Reynoso, L.A. Wavelet Transform Analysis to Applications in Electric Power Systems. In Wavelet Transform and Complexity; Baleanu, D., Ed.; IntechOpen: London, UK, 2019. [Google Scholar] [CrossRef]
- Ray, P.K.; Panigrahi, B.K.; Rout, P.K.; Mohanty, A.; Dubey, H. Detection of Faults in Power System Using Wavelet Transform and Independent Component Analysis. In Computer, Communication and Electrical Technology, 1st ed.; Guha, D., Chakraborty, B., Dutta, H.S., Eds.; CRC Press: London, UK, 2017; eBook; ISBN 9781315400624. [Google Scholar]
- Wang, H.; Keerthipala, W.W.L. Fuzzy-neuro Approach to Fault Classification for Transmission Line Protection. IEEE Trans. Power Deliv. 1998, 13, 1093–1104. [Google Scholar] [CrossRef]
- Mahanty, R.N.; Gupta Dutta, P.B. A Fuzzy Logic-based Fault Classification Approach Using Current Samples Only. Electr. Power Syst. Res. 2007, 77, 501–507. [Google Scholar] [CrossRef]
- Aggarwal, R.K.; Xuan, Q.Y.; Dunn, R.W.; Johns, A.T.; Bennett, A. A Novel Fault Classification Technique for Double-circuit Line Based on a Combined Unsupervised/Supervised Neural Network. IEEE Trans. Power Deliv. 1999, 14, 1250–1256. [Google Scholar] [CrossRef]
- Kim, C.-H.; Kim, H.; Ko, Y.-H.; Byun, S.-H.; Aggarwal, R.K.; Johns, A.T. A Novel Fault-Detection Technique of High-Impedance Arcing Faults in Transmission Lines Using the Wavelet Transform. IEEE Trans. Power Deliv. 2002, 17, 921–929. [Google Scholar] [CrossRef]
- Jiang, J.-A.; Fan, P.-L.; Chen, C.-S.; Yu, C.-S.; Sheu, J.-Y. A Fault Detection and Faulted-Phase Selection Approach for Transmission Lines with Haar Wavelet Transform. In Proceedings of the IEEE PES Transmission and Distribution Conference and Exposition, Dallas, TX, USA, 7–12 September 2003; Volume 1, pp. 285–289. [Google Scholar] [CrossRef]
- Gafoor, S.A.; Rao, P.V.R. Wavelet Based Fault Detection, Classification and Location in Transmission Lines. In Proceedings of the IEEE International Power and Energy Conference, Putra Jaya, Malaysia, 28–29 November 2006; pp. 114–118. [Google Scholar] [CrossRef]
- Silva, K.M.; Souza, B.A.; Brito, N.S.D. Fault Detection and Classification in Transmission Lines Based on Wavelet Transform and ANN. IEEE Trans. Power Deliv. 2006, 21, 2058–2063. [Google Scholar] [CrossRef]
- Shariatinasab, R.; Akbari., M.; Rahmani, B. Application of Wavelet Analysis in Power Systems. In Advances in Wavelet Theory and Their Applications in Engineering, Physics and Technology; Baleanu, D., Ed.; IntechOpen: London, UK, 2012; pp. 221–224. ISBN 978-953-51-0494-0. [Google Scholar] [CrossRef]
- Mallat, S.G. A Theory for Multiresolution Signal Decomposition: The Wavelet Representation. IEEE Trans. Pattern Anal. Mach. Intell. 1989, 11, 674–693. [Google Scholar] [CrossRef]
- Almutairi, A.F.; Krishna, A. Filtered-orthogonal Wavelet Division Multiplexing (F–OWDM) Technique for 5G & Beyond Communication Systems. Sci. Rep. 2022, 12, 4607. [Google Scholar] [CrossRef] [PubMed]
- MathWorks. Introduction to Wavelet Families. Available online: https://in.mathworks.com/help/wavelet/gs/introduction-to-the-wavelet-families.html (accessed on 8 April 2022).
- Balamurugan, S.; Ashwin, S.; Vaishnavi Sudeep, C.; Jishnu, R.; Sri Harshitha, V. Big Data from Actual IEEE 5 Bus System during Normal and Control Operations. IEEE Data Port. 2022. Available online: https://ieee-dataport.org/documents/big-data-actual-ieee-5-bus-system-during-normal-and-control-operations (accessed on 29 April 2022).
- Tan, R. IEEE 5-Bus System Model. MATLAB Central File Exchange, Version 1. 2023. Available online: https://www.mathworks.com/matlabcentral/fileexchange/66555-ieee-5-bus-system-model (accessed on 29 April 2022).
Disclaimer/Publisher’s Note: The statements, opinions and data contained in all publications are solely those of the individual author(s) and contributor(s) and not of MDPI and/or the editor(s). MDPI and/or the editor(s) disclaim responsibility for any injury to people or property resulting from any ideas, methods, instructions or products referred to in the content. |
© 2023 by the authors. Licensee MDPI, Basel, Switzerland. This article is an open access article distributed under the terms and conditions of the Creative Commons Attribution (CC BY) license (https://creativecommons.org/licenses/by/4.0/).



