Application of Marine Predator Algorithm in Solving the Problem of Directional Overcurrent Relay in Electrical Power System †
Abstract
:1. Introduction
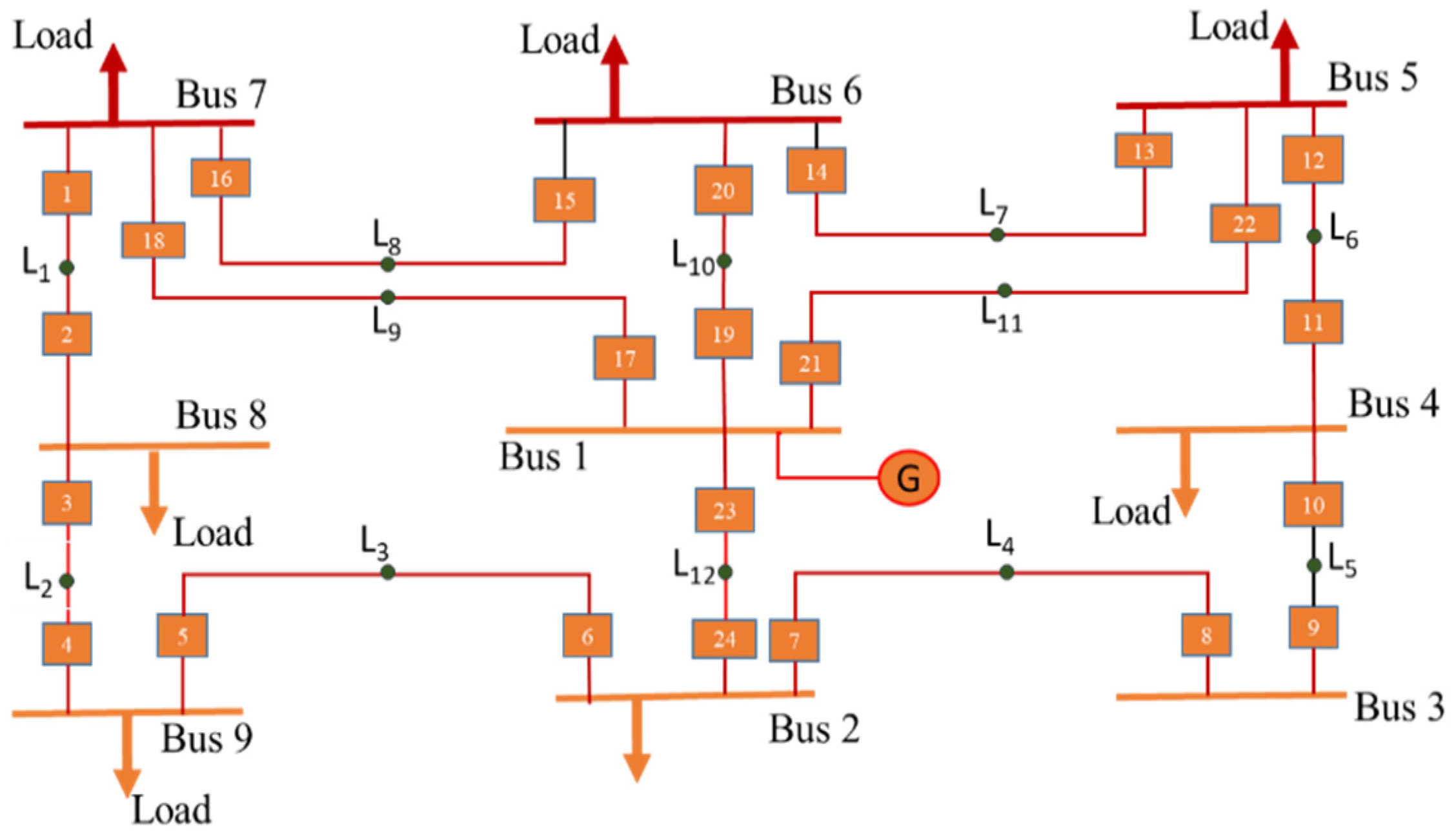
2. Problem Formulation and Coordination Constraints
3. Marine Predictor Algorithm
3.1. MPA Optimization Process
3.2. FADs Effect and Eddy Formation and MPA Memory
4. Results and Discussion
5. Conclusions
Data Availability Statement
References
- Gamarra, C.; Guerrero, J. Computational optimization techniques applied to microgrids planning: A review. Renew. Sustain. Energy Rev. 2015, 48, 413–424. [Google Scholar] [CrossRef] [Green Version]
- Giraldo, J.S.; Castrillon, J.A.; Lopez, J.C.; Rider, M.J.; Castro, C.A. Microgrids Energy Management Using Robust Convex Programming. IEEE Trans. Smart Grid 2018, 10, 4520–4530. [Google Scholar] [CrossRef]
- Lasseter, R.; Paigi, P. Microgrid: A conceptual solution. In Proceedings of the 2004 IEEE 35th Annual Power Electronics Specialists Conference (IEEE Cat. No. 04CH37551), Aachen, Germany, 20–25 June 2004; Volume 6. [Google Scholar]
- Wadood, A.; Khurshaid, T.; Farkoush, S.G.; Yu, J.; Kim, C.H.; Rhee, S.B. Nature-inspired whale optimization algorithm for optimal coordination of directional overcurrent relays in power systems. Energies 2019, 12, 2297. [Google Scholar] [CrossRef] [Green Version]
- Serna, J.; de Jesús, J.; López-Lezama, J.M. Alternative methodol-ogy to calculate the directional characteristic settings of directional overcurrent re-lays in transmission and distribution networks. Energies 2019, 12, 3779. [Google Scholar] [CrossRef] [Green Version]
- Wadood, A.; Farkoush, S.G.; Khurshaid, T.; Kim, C.-H.; Yu, J.; Geem, Z.W.; Rhee, S.-B. An Optimized Protection Coordination Scheme for the Optimal Coordination of Overcurrent Relays Using a Nature-Inspired Root Tree Algorithm. Appl. Sci. 2018, 8, 1664. [Google Scholar] [CrossRef] [Green Version]
- Alam, M.N.; Das, B.; Pant, V. A comparative study of metaheuristic optimization approaches for directional overcurrent relays coordination. Electr. Power Syst. Res. 2015, 128, 39–52. [Google Scholar] [CrossRef]
- Haider, Z.M.; Mehmood, K.K.; Khan, S.U.; Khan, M.O.; Wadood, A.; Rhee, S.-B. Optimal Management of a Distribution Feeder During Contingency and Overload Conditions by Harnessing the Flexibility of Smart Loads. IEEE Access 2021, 9, 40124–40139. [Google Scholar] [CrossRef]
- Khurshaid, T.; Wadood, A.; Farkoush, S.G.; Kim, C.-H.; Yu, J.; Rhee, S.-B. Improved Firefly Algorithm for the Optimal Coordination of Directional Overcurrent Relays. IEEE Access 2019, 7, 78503–78514. [Google Scholar] [CrossRef]
- Albasri, F.A.; Alroomi, A.R.; Talaq, J.H. Optimal Coordination of Directional Overcurrent Relays Using Biogeography-Based Optimization Algorithms. IEEE Trans. Power Deliv. 2015, 30, 1810–1820. [Google Scholar] [CrossRef]
- Irfan, M.; Wadood, A.; Khurshaid, T.; Khan, B.M.; Kim, K.-C.; Oh, S.-R.; Rhee, S.-B. An Optimized Adaptive Protection Scheme for Numerical and Directional Overcurrent Relay Coordination Using Harris Hawk Optimization. Energies 2021, 14, 5603. [Google Scholar] [CrossRef]
- Wadood, A.; Kim, C.-H.; Khurshiad, T.; Farkoush, S.G.; Rhee, S.-B. Application of a Continuous Particle Swarm Optimization (CPSO) for the Optimal Coordination of Overcurrent Relays Considering a Penalty Method. Energies 2018, 11, 869. [Google Scholar] [CrossRef] [Green Version]
- Khurshaid, T.; Wadood, A.; Farkoush, S.G.; Yu, J.; Kim, C.-H.; Rhee, S.-B. An Improved Optimal Solution for the Directional Overcurrent Relays Coordination Using Hybridized Whale Optimization Algorithm in Complex Power Systems. IEEE Access 2019, 7, 90418–90435. [Google Scholar] [CrossRef]
- Wadood, A.; Khurshaid, T.; Farkoush, S.G.; Kim, C.H.; Rhee, S.B. A bio-inspired rooted tree algorithm for optimal coordination of overcurrent relays. In Proceedings of the International Conference on Intelligent Technologies and Applications, Bahawalpur, Pakistan, 23–25 October 2018; Springer: Berlin/Heidelberg, Germany, 2018; pp. 188–201. [Google Scholar]
- Bedekar, P.P.; Bhide, S.R. Optimum Coordination of Directional Overcurrent Relays Using the Hybrid GA-NLP Approach. IEEE Trans. Power Deliv. 2010, 26, 109–119. [Google Scholar] [CrossRef]
- Bouchekara, H.; Zellagui, M.; Abido, M. Optimal coordination of directional overcurrent relays using a modified electromagnetic field optimization algorithm. Appl. Soft Comput. 2017, 54, 267–283. [Google Scholar] [CrossRef]
- Faramarzi, A.; Heidarinejad, M.; Mirjalili, S.; Gandomi, A.H. Marine Predators Algorithm: A nature-inspired metaheuristic. Expert Syst. Appl. 2020, 152, 113377. [Google Scholar] [CrossRef]

| Relay | TDS | PS | Relay | TDS | PS |
|---|---|---|---|---|---|
| 1 | 0.1014 | 0.5012 | 13 | 0.1000 | 1.7300 |
| 2 | 0.1003 | 0.5990 | 14 | 0.1000 | 1.4400 |
| 3 | 0.1000 | 0.7150 | 15 | 0.1000 | 1.5650 |
| 4 | 0.1000 | 0.5146 | 16 | 0.1021 | 0.6939 |
| 5 | 0.1050 | 0.6057 | 17 | 0.1005 | 0.6500 |
| 6 | 0.1011 | 0.8010 | 18 | 0.1010 | 0.6741 |
| 7 | 0.1000 | 0.9050 | 19 | 0.1013 | 0.8010 |
| 8 | 0.1000 | 0.9011 | 20 | 0.1000 | 0.9016 |
| 9 | 0.1031 | 0.6870 | 21 | 0.1000 | 1.200 |
| 10 | 0.1012 | 0.7132 | 22 | 0.1021 | 0.5791 |
| 11 | 0.1030 | 0.9220 | 23 | 0.1011 | 0.8715 |
| 12 | 0.1015 | 0.6656 | 24 | 0.1000 | 0.9441 |
| Total Operating Time(s) | 8.5311 | ||||
Publisher’s Note: MDPI stays neutral with regard to jurisdictional claims in published maps and institutional affiliations. |
© 2021 by the authors. Licensee MDPI, Basel, Switzerland. This article is an open access article distributed under the terms and conditions of the Creative Commons Attribution (CC BY) license (https://creativecommons.org/licenses/by/4.0/).
Share and Cite
Wadood, A.; Khan, S.; Khan, B.M.; Ali, H.; Rehman, Z. Application of Marine Predator Algorithm in Solving the Problem of Directional Overcurrent Relay in Electrical Power System. Eng. Proc. 2021, 12, 9. https://doi.org/10.3390/engproc2021012009
Wadood A, Khan S, Khan BM, Ali H, Rehman Z. Application of Marine Predator Algorithm in Solving the Problem of Directional Overcurrent Relay in Electrical Power System. Engineering Proceedings. 2021; 12(1):9. https://doi.org/10.3390/engproc2021012009
Chicago/Turabian StyleWadood, Abdul, Shahbaz Khan, Bakht Muhammad Khan, Husan Ali, and Zabdur Rehman. 2021. "Application of Marine Predator Algorithm in Solving the Problem of Directional Overcurrent Relay in Electrical Power System" Engineering Proceedings 12, no. 1: 9. https://doi.org/10.3390/engproc2021012009
APA StyleWadood, A., Khan, S., Khan, B. M., Ali, H., & Rehman, Z. (2021). Application of Marine Predator Algorithm in Solving the Problem of Directional Overcurrent Relay in Electrical Power System. Engineering Proceedings, 12(1), 9. https://doi.org/10.3390/engproc2021012009

