Crack Growth Modeling in CT Specimens: The Influence of Heat Treatment and Loading †
Abstract
1. Introduction
2. Numerical Modeling
- -
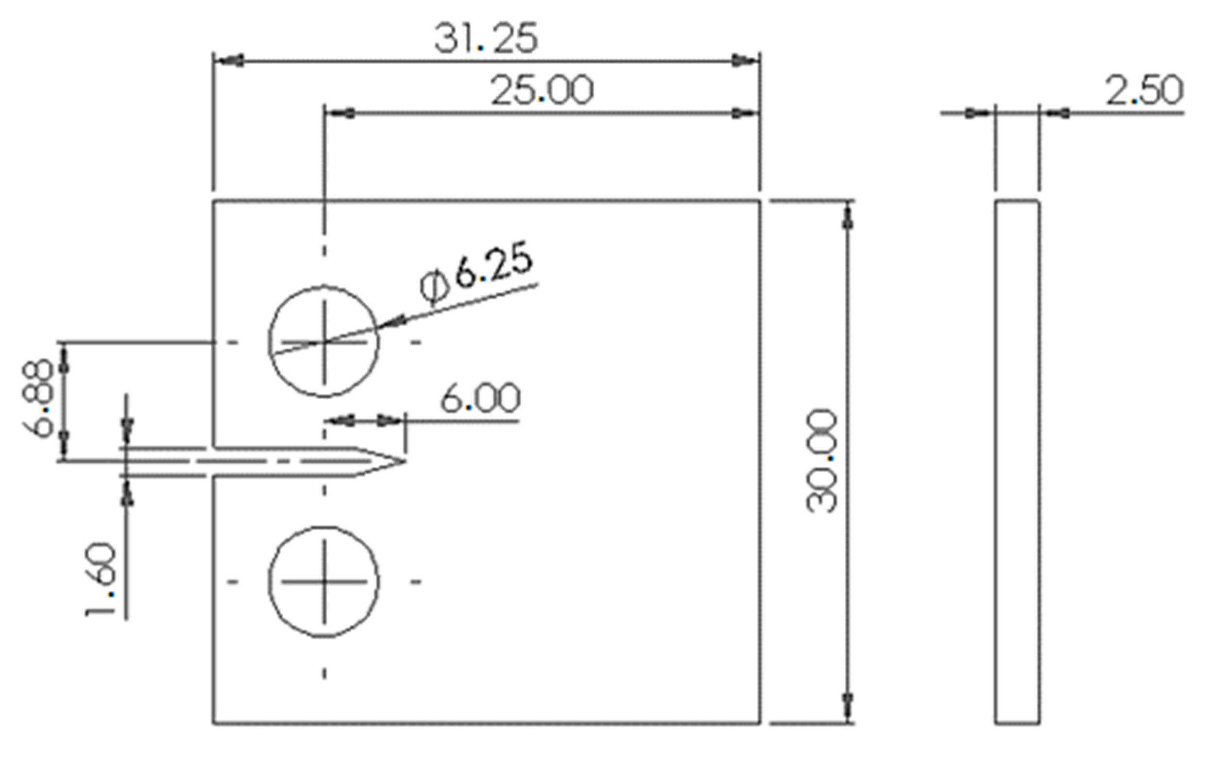
- Specimen width: W = 25 mm;
- -
- Specimen thickness: B = 2.5 mm;
- -
- Initial crack length: a = 6 mm;
3. Research Results
- -
- Difference in the methodology for calculating ΔK—in ANSYS Workbench (version 2019R1), the calculation of the stress intensity factor ΔK is based on the finite element method;
- -
- Simplification of the real geometry and boundary conditions—the numerical model in ANSYS Workbench (version 2019R1) includes three-dimensional geometry, real fixtures, and loading conditions. The analytical approach in MATLAB (version R2016a) uses standard geometry functions and simplified boundary conditions (standard CT specimen), which lowers the resulting ΔK values.
- -
- Real stress concentrations—in ANSYS Workbench (version 2019R1) simulations, there may be local stress increases (e.g., around holes, transitions, edges, and cracks) that are not adequately accounted for in the analytical model.
- -
- Method for determining the coefficients—standard formulas are derived experimentally and analytically for strictly defined specimens (e.g., CT specimens with ideal geometry). The real numerical model has its own specific geometry that differs from the standard specimen.
4. Conclusions
Author Contributions
Funding
Institutional Review Board Statement
Informed Consent Statement
Data Availability Statement
Conflicts of Interest
References
- ASTM E399; Standard Test Method for Linear-Elastic Plane-Strain Fracture Toughness KIC of Metallic Materials. ASTM International: West Conshohocken, PA, USA, 2013.
- Iranpour, M.; Taheri, F. On the effect of stress intensity factor in evaluating the fatigue crack growth rate of aluminum alloy under the influence of compressive stress cycles. Int. J. Fatigue 2012, 43, 1–11. [Google Scholar] [CrossRef]
- Li, H.; Yang, S.; Zhang, P.; Liu, Y.; Wang, B.; Zhang, Z. Material-independent stress ratio effect on the fatigue crack growth behavior. Eng. Fract. Mech. 2022, 259, 108116. [Google Scholar] [CrossRef]
- White, P.; Barter, S.; Medhekar, N. Comparison of fatigue crack growth stress ratio effects under simple variable amplitude loading using fractographic and strain measurements. Int. J. Fatigue 2018, 112, 240–252. [Google Scholar] [CrossRef]
- Sun, C.; Lei, Z.; Hong, Y. Effects of stress ratio on crack growth rate and fatigue strength for high cycle and very-high-cycle fatigue of metallic materials. Mech. Mater. 2014, 69, 227–236. [Google Scholar] [CrossRef]
- Alshoaibi, A.M. Fatigue Crack Growth Analysis in Modified Compact Tension Specimen with Varying Stress Ratios: A Finite Element Study. Appl. Sci. 2023, 13, 13160. [Google Scholar] [CrossRef]
- Santos, B.; Infante, V.; Barros, T.; Baptista, R. Study of fatigue crack propagation on modified CT specimens under variable amplitude loadings using machine learning. Int. J. Fatigue 2024, 184, 108332. [Google Scholar] [CrossRef]
- Pook, P. The linear elastic analysis of cracked bodies and crack paths. Theor. Appl. Fract. Mech. 2015, 79, 34–50. [Google Scholar] [CrossRef]
- Noroozi, A.; Glinka, G.; Lambert, S. A study of the stress ratio effects on fatigue crack growth using the unified two-parameter fatigue crack growth driving force. Int. J. Fatigue 2007, 29, 1616–1633. [Google Scholar] [CrossRef]
- Sadananda, K.; Vasudevan, A. Fatigue crack growth behavior of titanium alloys. Int. J. Fatigue 2005, 27, 1255–1266. [Google Scholar] [CrossRef]
- Alshoaibi, A.M.; Fageehi, Y.A. A Robust Adaptive Mesh Generation Algorithm: A Solution for Simulating 2D Crack Growth Problems. Materials 2023, 16, 6481. [Google Scholar] [CrossRef] [PubMed]
- Wang, C.; Pereira, K.; Wang, D.; Zinovev, A.; Terentyev, D.; Wahab, M. Fretting fatigue crack propagation under out-of-phase loading conditions using extended maximum tangential stress criterion. Tribol. Int. 2023, 187, 108738. [Google Scholar] [CrossRef]
- Huynh, H.; Nguyen, M.; Cusatis, G.; Tanaka, S.; Bui, T. A polygonal XFEM with new numerical integration for linear elastic fracture mechanics. Eng. Fract. Mech. 2019, 213, 241–263. [Google Scholar] [CrossRef]
- Wang, C.; Fan, K.; Li, C.; Wahab, M. Prediction of the effect of shot peening residual stress on fretting fatigue behavior. Int. J. Fatigue 2023, 176, 107909. [Google Scholar] [CrossRef]
- Surendran, M.; Natarajan, S.; Palani, G.; Bordas, S. Linear smoothed extended finite element method for fatigue crack growth simulations. Eng. Fract. Mech. 2019, 206, 551–564. [Google Scholar] [CrossRef]
- Rozumek, D.; Marciniak, Z.; Lesiuk, G.; Correia, J. Mixed mode I/II/III fatigue crack growth in S355 steel. Procedia Struct. Integr. 2017, 5, 896–903. [Google Scholar] [CrossRef]
- Alshoaibi, A.M.; Fageehi, Y. 2D finite element simulation of mixed mode fatigue crack propagation for CTS specimen. J. Mater. Res. Technol. 2020, 9, 7850–7861. [Google Scholar] [CrossRef]
- Li, X.; Li, H.; Liu, L.; Liu, Y.; Ju, M.; Zhao, J. Investigating the crack initiation and propagation mechanism in brittle rocks using grain-based finite-discrete element method. Int. J. Rock Mech. Min. Sci. 2020, 127, 104219. [Google Scholar] [CrossRef]
- Nejad, R.M.; Liu, Z. Analysis of fatigue crack growth under mixed-mode loading conditions for a pearlitic Grade 900A steel used in railway applications. Eng. Fract. Mech. 2021, 247, 107672. [Google Scholar] [CrossRef]
- Alshoaibi, A.M. Computational Simulation of 3D Fatigue Crack Growth under Mixed-Mode Loading. Appl. Sci. 2021, 11, 5953. [Google Scholar] [CrossRef]
- Alshoaibi, A.M.; Fageehi, Y.A. 3D modelling of fatigue crack growth and life predictions using ANSYS. Ain Shams Eng. J. 2022, 13, 101636. [Google Scholar] [CrossRef]
- Alshoaibi, A.M. Numerical Modeling of Crack Growth under Mixed-Mode Loading. Appl. Sci. 2021, 11, 2975. [Google Scholar] [CrossRef]
- Fageehi, Y.A.; Alshoaibi, A.M. Numerical Simulation of Mixed-Mode Fatigue Crack Growth for Compact Tension Shear Specimen. Adv. Mater. Sci. Eng. 2020, 2020, 5426831. [Google Scholar] [CrossRef]
- Bashiri, A. 2D and 3D numerical simulation of fatigue crack growth path and life predictions of a linear elastic. Mater. Sci. 2021, 39, 285–297. [Google Scholar] [CrossRef]
- Fajdiga, G.; Sraml, M. Fatigue crack initiation and propagation under cyclic contact loading. Eng. Fract. Mech. 2009, 76, 1320–1335. [Google Scholar] [CrossRef]
- Ayatollahi, M.; Razavi, N.; Yahya, M. Mixed mode fatigue crack initiation and growth in a CT specimen repaired by stop hole technique. Eng. Fract. Mech. 2015, 145, 115–127. [Google Scholar] [CrossRef]
- Antunes, F.; Branco, R.; Ferreira, J.; Borrego, L. Stress Intensity Factor Solutions for CTS Mixed Mode Specimen. Fract. Struct. Integr. 2019, 13, 676–692. [Google Scholar] [CrossRef]
- Zhao, Y.; Liu, Y.; Xu, Z. Statistical learning prediction of fatigue crack growth via path slicing and re-weighting. Theor. Appl. Mech. Lett. 2023, 13, 100477. [Google Scholar] [CrossRef]
- Paris, P.; Erdogan, F. A Critical Analysis of Crack Propagation Laws. ASME J. Basic Eng. Dec. 1963, 85, 528–533. [Google Scholar] [CrossRef]








| Load, P [N] | Thickness, B [m] | Width, W [m] | Length, a [m] | Ratio (a/W) | KI—Theoretical, MPa.m0.5 | KI—Simulations, MPa.m0.5 | Deviation, % |
|---|---|---|---|---|---|---|---|
| 2000 | 0.0025 | 0.025 | 0.00625 0.00725 0.00825 0.00925 0.01025 0.01125 0.01225 0.01325 0.01425 0.01525 | 0.25 0.29 0.33 0.37 0.41 0.45 0.49 0.53 0.57 0.61 | 4.913 5.464 6.058 6.714 7.456 8.317 9.342 10.59 12.15 14.16 | 4.903 5.491 5.982 6.721 7.463 8.484 9.283 10.45 12.11 14.08 | 0.205 0.477 −1.252 0.097 0.088 1.998 −0.639 −1.389 −0.465 −0.526 |
| Heat Treatment | C (mm/cycle) | m | Stress Ratio |
|---|---|---|---|
| Without heat treatment | 1.5 × 10−11 | 3.1 | R = 0.1 |
| Quenching in oil | 2.5 × 10−12 | 3.3 | |
| Quenching in water | 1.2 × 10−12 | 3.4 | |
| Cementation and hardening | 5.0 × 10−13 | 3.6 |
| Heat Treatment | Load, MPa | Largest Deviation in % |
|---|---|---|
| Without heat treatment | 1.63 | 3.73 |
| Without heat treatment | 3.26 | 4.17 |
| Without heat treatment | 4.89 | 2.83 |
| Quenching in oil | 1.63 | 3.42 |
| Quenching in oil | 3.26 | 1.64 |
| Quenching in oil | 4.89 | 4.44 |
| Quenching in water | 1.63 | 3.93 |
| Quenching in water | 3.26 | 1.82 |
| Quenching in water | 4.89 | 1.78 |
| Cementation and hardening | 1.63 | 2.95 |
| Cementation and hardening | 3.26 | 3.41 |
| Cementation and hardening | 4.89 | 4.9 |
Disclaimer/Publisher’s Note: The statements, opinions and data contained in all publications are solely those of the individual author(s) and contributor(s) and not of MDPI and/or the editor(s). MDPI and/or the editor(s) disclaim responsibility for any injury to people or property resulting from any ideas, methods, instructions or products referred to in the content. |
© 2025 by the authors. Licensee MDPI, Basel, Switzerland. This article is an open access article distributed under the terms and conditions of the Creative Commons Attribution (CC BY) license (https://creativecommons.org/licenses/by/4.0/).
Share and Cite
Raychev, R.; Delova, I.; Borisov, T.; Mirchev, Y. Crack Growth Modeling in CT Specimens: The Influence of Heat Treatment and Loading. Eng. Proc. 2025, 100, 61. https://doi.org/10.3390/engproc2025100061
Raychev R, Delova I, Borisov T, Mirchev Y. Crack Growth Modeling in CT Specimens: The Influence of Heat Treatment and Loading. Engineering Proceedings. 2025; 100(1):61. https://doi.org/10.3390/engproc2025100061
Chicago/Turabian StyleRaychev, Raycho, Ivanka Delova, Tsvetomir Borisov, and Yordan Mirchev. 2025. "Crack Growth Modeling in CT Specimens: The Influence of Heat Treatment and Loading" Engineering Proceedings 100, no. 1: 61. https://doi.org/10.3390/engproc2025100061
APA StyleRaychev, R., Delova, I., Borisov, T., & Mirchev, Y. (2025). Crack Growth Modeling in CT Specimens: The Influence of Heat Treatment and Loading. Engineering Proceedings, 100(1), 61. https://doi.org/10.3390/engproc2025100061

