Next Article in Journal
Formulation of a Torsion Displacement Equation for the Compatibility with Bending in Rectangular Section Thin-Walled Hollow-Box Beams
Previous Article in Journal
Resilient Cities and Urban Green Infrastructure—Nexus Between Remote Sensing and Sustainable Development
 
 
Font Type:
Arial Georgia Verdana
Font Size:
Aa Aa Aa
Line Spacing:
Column Width:
Background:
Proceeding Paper

A Study on a Phase-Shift Controlled ZVS DC-DC Converter with a Synchronous Rectifier †

by
Tsvetana Grigorova
1,2,*,
Georgi Bodurov
1,2 and
Mihail Dobrolitsky
3
1
Department of Electronics, Faculty of Electronics and Automation, Technical University of Sofia Plovdiv Branch, 63 Sankt Petersburg Blvd., 4000 Plovdiv, Bulgaria
2
Center of Competence “Smart Mechatronic, Eco-, and Energy-Saving Systems and Technologies”, 4000 Plovdiv, Bulgaria
3
Faculty of Electronics and Automation, Technical University of Sofia Plovdiv Branch, 63 Sankt Petersburg Blvd., 4000 Plovdiv, Bulgaria
*
Author to whom correspondence should be addressed.
Presented at the 14th International Scientific Conference TechSys 2025—Engineering, Technology and Systems, Plovdiv, Bulgaria, 15–17 May 2025.
Eng. Proc. 2025, 100(1), 43; https://doi.org/10.3390/engproc2025100043
Published: 15 July 2025

Abstract

The paper presents a study on a phase-shift controlled zero-voltage switching (ZVS) full-bridge DC-DC converter employing synchronous rectification using the LTC3722-1 controller. This analysis aimed to examine the impact of additional commutating inductance on the establishment of ZVS conditions, the precision of switching control, and the dynamic interaction between ZVS performance and varying load conditions. The validity of this approach is achieved by presenting both simulation and experimental results, which illustrate its application in practical applications.

1. Introduction

As demands for higher efficiency and power density continue to grow in modern power conversion systems, designers are increasingly turning to soft-switching topologies. One such topology, the phase-shifted full-bridge (PSFB) converter, has become a popular choice in medium-to-high-power applications due to its ability to achieve Zero-voltage switching (ZVS) [1]. ZVS significantly reduces switching losses and electromagnetic interference (EMI), enabling operation at higher switching frequencies with improved overall system performance.
To further enhance efficiency, especially in low-voltage, high-current outputs, synchronous rectification (SR) is commonly implemented on the secondary side of the converter. By replacing traditional diode rectifiers with controlled MOSFETs, conduction losses are minimized—an important factor in power-critical applications such as battery chargers [2,3], data centers, telecom equipment, and industrial systems [4,5,6,7].
In this study, a phase-shift controlled ZVS full-bridge DC-DC converter employing synchronous rectification is implemented using the LTC3722 controller, a dedicated PWM controller designed specifically for PSFB topologies. The LTC3722 provides the necessary phase-shift control and integrated logic to facilitate ZVS operation over a wide load range, while also simplifying implementation through features such as adaptive delays, current sensing, and protection mechanisms [8,9].
This paper explores the operating principles, design methodology, and practical considerations involved in implementing such a converter. Special attention is given to leakage inductance optimization, switching control, and the interaction between ZVS and load conditions. The role of the LTC3722 in enabling robust and efficient operation is highlighted through simulation and experimental results, demonstrating the viability of this approach in real-world applications.

2. Electromagnetic Processes of the Phase-Shift Controlled Full-Bridge ZVS DC-DC Converter

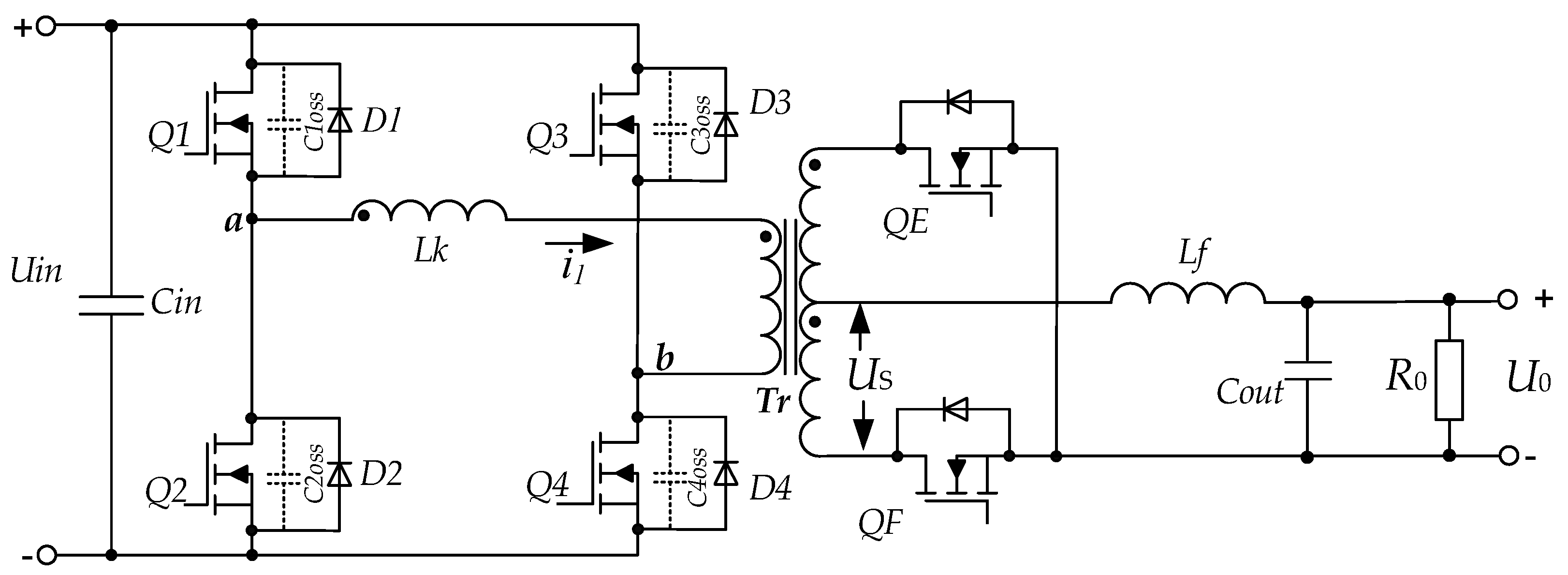
The full-bridge phase-shift controlled zero-voltage-switched (ZVS) DC-DC converter with synchronous rectifier is shown in Figure 1. The converter is composed of a bridge inverter (transistors Q1 ÷ Q4 and their body diodes D1 ÷ D4), an added commutating inductance Lk, a matching transformer (Tr) and a synchronous rectifier (transistors QE, QF). The output capacitances C1oss ÷ C4oss of the transistors Q1 ÷ Q4 are also shown with dashed lines. The left leg of the bridge (Q1, Q2) is denoted as “passive” and the right leg as “active” (Q3, Q4). The two arms of the bridge have completely different characteristics, which are essential when designing zero-voltage switching over a wide range of load change. The output filter elements are denoted by Lf and Cout, and the load by R0. The waveforms explaining the operation of the circuit are illustrated in Figure 2.
To achieve zero-voltage turn-on, the stored energy in the commutating inductance Lk (including the leakage inductance of the transformer) is used to discharge the transistors’ output capacitance before they are turned on.
The electromagnetic processes of the phase-shift controlled full-bridge DC-DC converter operation can be divided into the following intervals [1,7,8]:
  • t0 ÷ t1—during this interval transistors Q1, Q4, and QF are conducting. The input voltage Uin is applied to the primary side (uab). At time t1 Q4 turns off and the current in the primary side of the transformer charges capacitance C4oss and discharges capacitance C3oss, turning on body diode D3. Once diode D3 begins conduction, switch Q3 can be turned on under ZVS conditions.
  • t1 ÷ t2—the devices Q1 and D3 are conducting and the primary side voltage is clamped to zero. At time t2, Q1 turns off and the current in the primary side charges capacitance C1oss and discharges capacitance C2oss, turning on body diode D2.
  • t2 ÷ t3—the primary current i1 flows through body diodes D2 and D3 during the corresponding conduction interval. Transistor Q2 will be switched on at zero-voltage. The voltage across the secondary winding us continues clamped to zero (the secondary winding of the transformer is electrically shorted as transistors QE and QF are turned on).
  • t3 ÷ t4—during this interval, transistors Q2 and Q3 are turned on. The voltage across the secondary winding continues, clamped to zero.
  • t4 ÷ t5—transistors Q2, Q3, and QE are conducting. The input voltage (-Uin) is applied to the primary side uab. At time t5, Q3 turns off and the current in the primary side i1 charges capacitance C3oss and discharges capacitance C4oss, turning on body diode D4. Once diode D4 begins conduction, switch Q4 can be turned on under ZVS conditions.
  • t5 ÷ t6—the devices Q2 and D4 are conducting and the primary side voltage uab is clamped to zero. At time t6, Q2 turns off and the current in the primary side i1 charges capacitance C2oss and discharges capacitance C1oss, turning on body diode D1.
  • t6 ÷ t7—the primary current i1 flows through diodes D1 and D4 during this interval. Furthermore, transistor Q4 will be switched on at zero-voltage. The voltage across the secondary winding continues, clamped to zero (QE and QF are conducting).
  • After the time t7, transistors Q4 and Q1 are turned on, and in the following time intervals, the electromagnetic processes are repeated.
Zero-voltage switching (ZVS) for transistors Q3 and Q4 is possible even under light load conditions, as the energy stored in the output filter inductor is sufficient to activate diodes D3 and D4. In contrast, transistors Q1 and Q2 can only achieve ZVS when the load current exceeds a certain critical threshold, denoted as I c r i t , as follows [1]:
I c r i t = 2 L k 4 3 C O S S U i n 2 + 0.5 C t r U i n 2
The current I2 through Lk at time t2 can be evaluated as
I 2 = n 2 n 1 I 0 + 0.5 Δ I 0 + U o L k + L f 1 D T 2
where L f = L f n 1 / n 2 2 ; n1 is the number of transformer primary side turns and n 2 is the number of transformer secondary side turns.
Ultimately, zero-voltage switching is achieved when the load current exceeds the critical threshold I c r i t , which can be stated as
I 0 n 1 n 2 I c r i t 0.5 Δ I 0 + U o L k + L f 1 D T 2
When the load current reflected to the primary side is lower than the effective magnetizing current, the magnetizing inductance contributes to the ZVS process. Under light load conditions, the energy available to charge or discharge the output capacitances of switches Q1 and Q2 comes from the energy stored in both the leakage inductance and the magnetizing inductance of the transformer [1].
The converter voltage gain M is equal to
M = U 0 U i n = n 2 n 1 D S
where Ds denotes the duty cycle of the secondary-side voltage uS.
The primary side duty cycle D is given by [1]
D = D S + Δ D
The parameter Δ D accounts for the duty cycle reduction caused by the finite rise and fall times of the primary current waveform (t2 ÷ t4 and t6 ÷ t8, etc.).
For the primary side, the duty cycle can be expressed as follows [1]:
D = D S 1 + 4 L k . f R 0 n p n s 2
To meet design requirements for a specified output power, input-to-output voltage ratio, and maximum allowable duty cycle, the transformer turn ratio, switching frequency, and added commutating inductance must be appropriately selected to satisfy the necessary operating conditions.
1 D max n 1 n 2 M 1 + 4 L k . f R 0 n 1 n 2 2

3. Simulation and Experimental Results

To evaluate the presented results, a full-bridge phase-shift controlled ZVS converter was studied for the following input data: output power P0 = 120 W; input voltage Uin = 36 V ÷ 48 V (±1 V); output voltage U0 = 12 V ± 1%; switching frequency fS = 200 kHz. The commutating inductance Lk = 300 nH. The LTC3722-1 phase-shift PWM controller was chosen and the MOSFET used was Si7852DP [9,10]. To meet the output current ripples, an output filter inductance Lf = 2.4 μH was chosen. To meet the output voltage ripples, an output filter capacitance Cout = 1000 μF was chosen. The simulations were performed at load current I0 = 4 A, 8 A. The output inductor Lf peak-to-peak ripple current was set to 20% ÷ 30% of the output current.
On the basis of the given input data, using (7), the dependencies M = f ( D , R 0 ) and M = f ( D , L k ) are plotted in Figure 3.
It is shown that an increase in the added commutating inductance Lk can extend the range of load conditions under which ZVS occurs. However, due to the finite rise and fall times of the primary current, the effective duty cycle in the transformer’s secondary winding is reduced. This results in a decrease in the converter’s voltage gain. As a result, the voltage gain becomes dependent on the commutating inductance Lk (including transformer leakage inductance), switching frequency, and load conditions.
The LTSpice simulation circuit is shown in Figure 4. The circuit is based on the approach given in [9].
The simulation results for input voltage Uin = 48 V, output voltage U0 = 12 V, and output current I0 = 8 A are presented in Figure 5, as follows: from top to bottom: 1 plot plane—current trough transistors QE (Is(QE) green) and QF (Is(QF) dark red); 2 plot plane—current trough transistors Q2 (Id(Q2) blue) and Q3 (Id(Q3) red); 3 plot plane—current trough transistors Q1 (Id(Q1) green) and Q4 (Id(Q4) pink); 4 plot plane—current trough filter inductance Lf (I(Lf) gray) and output current (I(Ro) brown); 5 plot plane—current trough Lk (I(Lk) red) and voltage uab (V(N008,N009) dark blue); 6 plot plane—output voltage Uo (V(out) black).
The simulation validates that the waveforms of transistors Q1 ÷ Q4 and QE and QF are consistent with the theoretically predicted responses.
Using (1), Icrit = 2.26 A has been calculated. Simulation with output current Io = 2 A was performed. The results are proposed in Figure 6.
The simulation results confirm that when the load current is smaller than I c r i t , the ZVS conditions for transistors Q1 and Q2 are lost (from top to bottom: 2 plot plane—current trough transistor Q2 (Id(Q2) blue) and 3 plot plane—current trough transistor Q1 (Id(Q1) green).
Figure 7 and Figure 8 present the experimental data obtained using LTC3722-1 according to [8,9]. Figure 7 shows the experimental results for the input voltage 48 V/36 V and the output current 4 A: (a) from top to bottom input voltage 48 V: uGSQ2, uGSQ4, and uGSQ3; (b) uGSQ1 (yellow), uGSQ3 (petroleum green), and output voltage u0 (violet); (c) input voltage 36 V: uGSQ1 (yellow), uGSQ3 (petroleum green), and output voltage u0 (violet).
Figure 8 shows the experimental results for the input voltage 48 V/36 V and the output current 8 A: (a) from top to bottom input voltage 48 V: uGSQ2, uGSQ4, uGSQE, and uGSQF; (b) uGSQ1 (yellow), uGSQ3 (petroleum green), and output voltage u0 (violet); (c) input voltage 36 V: uGSQ1 (yellow), uGSQ3 (petroleum green), and output voltage u0 (violet).
The experimental results validate that the waveforms of transistors Q1 ÷ Q4 and QE and QF are consistent with the theoretically predicted responses.

4. Conclusions

This paper presents a study of a phase-shift controlled ZVS full-bridge DC-DC converter employing synchronous rectification using the LTC3722 controller. A comprehensive analysis is proposed to investigate the influence of the added commutating inductance on ZVS conditions, the precision of switching control, and the dynamic interaction between ZVS performance and varying load conditions. On the basis of the conducted study, we can conclude that the effective duty cycle range is reduced, as greater leakage inductance is needed to achieve ZVS. Moreover, due to circulating current components, higher RMS currents in the bridge are achieved.
Furthermore, the phase-shift controlled full-bridge DC-DC converter exhibits the following advantages: operation with pulse-width modulation (PWM) at a constant switching frequency; the enablement of zero-voltage switching (ZVS) for the active switches, resulting in a significant reduction in switching stress, losses, and electromagnetic interference (EMI); and the use of the intrinsic body diodes of MOSFETs, eliminating the need for fast-recovery diodes.
The analytical results are verified by simulation with LTSpice and with experimental data. Therefore, the discussed methodology for the investigation of the influence of the added commutating inductance on ZVS conditions can find applications both in engineering practice and in the education of students in power electronics.

Author Contributions

T.G., G.B., and M.D. were involved in the full process of producing this paper, including conceptualization, methodology, modeling, validation, visualization, and preparing the manuscript. All authors have read and agreed to the published version of the manuscript.

Funding

This research was funded by the European Regional Development Fund within the OP “Research, Innovation and Digitalization Programme for Intelligent Transformation 2021–2027”, Project No. BG16RFPR002-1.014-0005 Center of competence “Smart Mechatronic, Eco-, and Energy-Saving Systems and Technologies”.

Institutional Review Board Statement

Not applicable.

Informed Consent Statement

Not applicable.

Data Availability Statement

The original contributions presented in this study are included in the article. Further inquiries can be directed to the corresponding author.

Conflicts of Interest

The authors declare no conflicts of interest.

References

  1. Sabate, J.A.; Vlatkovic, V.; Ridley, R.B.; Lee, F.C.; Cho, B.H. Design considerations for high-voltage high-power full-bridge zero-voltage-switched PWM converter. In Proceedings of the Fifth Annual Proceedings on Applied Power Electronics Conference and Exposition, Los Angeles, CA, USA, 11–16 March 1990; pp. 275–284. [Google Scholar] [CrossRef]
  2. Gherman, T.; Petreus, D.; Patarau, T.; Ignat, A. A study of an electrical vehicle battery charger’s DC-DC stage. In Proceedings of the 2018 41st International Spring Seminar on Electronics Technology (ISSE), Zlatibor, Serbia, 16–20 May 2018; pp. 1–6. [Google Scholar] [CrossRef]
  3. Wasan, P.; Krischonme, B.; Prakasit, P.; Preecha, Y.; Yuttana, K. Phase-shifted full-bridge ZVS DC–DC converter with synchronous double rectifiers for battery charging applications. Int. Trans. Electr. Energy Syst. 2022, 2022, 4813528. [Google Scholar] [CrossRef]
  4. Métayer, P.L.; Loeuillet, Q.; Wallart, F.; Buttay, C.; Dujic, D.; Dworakowski, P. Phase-Shifted Full Bridge DC–DC Converter for Photovoltaic MVDC Power Collection Networks. IEEE Access 2023, 11, 19039–19048. [Google Scholar] [CrossRef]
  5. Guo, X.; Meng, R.; Bai, X.; Li, H.; Zhang, J.; He, X. Study of Improved Active Clamp Phase-Shifted Full-Bridge Converter. Electronics 2025, 14, 834. [Google Scholar] [CrossRef]
  6. Wang, X.; Zhao, Q.; Zhao, Z.; Meng, F. Full-Bridge DC-DC Converter with Synchronous Rectification Based on GaN Transistors. J. Low Power Electron. Appl. 2025, 15, 25. [Google Scholar] [CrossRef]
  7. Texas Instruments. Available online: https://www.ti.com/lit/ds/symlink/ucc28950.pdf?ts=1746874063128 (accessed on 14 October 2024).
  8. Analog Devices. Available online: https://www.analog.com/media/en/technical-documentation/data-sheets/LTC3722-1-3722-2.pdf (accessed on 10 July 2025).
  9. Analog Devices. Available online: https://www.analog.com/en/resources/evaluation-hardware-and-software/evaluation-boards-kits/dc607a.html#eb-overview (accessed on 24 April 2015).
  10. Vishay. Available online: https://www.vishay.com/docs/71627/si7852dp.pdf (accessed on 14 July 2025).
Figure 1. Full-bridge phase-shift controlled ZVS DC-DC converter with synchronous rectifier.
Figure 1. Full-bridge phase-shift controlled ZVS DC-DC converter with synchronous rectifier.
Engproc 100 00043 g001
Figure 2. Waveforms of a full-bridge phase-shift controlled ZVS DC-DC converter with a synchronous rectifier.
Figure 2. Waveforms of a full-bridge phase-shift controlled ZVS DC-DC converter with a synchronous rectifier.
Engproc 100 00043 g002
Figure 3. ZVS-FB DC-DC converter voltage gain M for several conditions: (a) M = f ( D , R 0 ) dependencies; (b) M = f ( D , L k ) dependencies.
Figure 3. ZVS-FB DC-DC converter voltage gain M for several conditions: (a) M = f ( D , R 0 ) dependencies; (b) M = f ( D , L k ) dependencies.
Engproc 100 00043 g003
Figure 4. LTSpice simulation circuit.
Figure 4. LTSpice simulation circuit.
Engproc 100 00043 g004
Figure 5. LTSpice simulation results.
Figure 5. LTSpice simulation results.
Engproc 100 00043 g005
Figure 6. LTSpice simulation results for Io < Icrit.
Figure 6. LTSpice simulation results for Io < Icrit.
Engproc 100 00043 g006
Figure 7. Experimental results for the input voltage 48 V and the output current 4 A: (a) from top to bottom: uGSQ2 (yellow), uGSQ4 (petroleum green), and uGSQ3 (violet); (b) voltages: uGSQ1 (yellow), uGSQ3 (petroleum green), and output voltage u0 (violet); (c) input voltage 36 V: uGSQ1 (yellow), uGSQ3 (petroleum green), and output voltage u0 (violet).
Figure 7. Experimental results for the input voltage 48 V and the output current 4 A: (a) from top to bottom: uGSQ2 (yellow), uGSQ4 (petroleum green), and uGSQ3 (violet); (b) voltages: uGSQ1 (yellow), uGSQ3 (petroleum green), and output voltage u0 (violet); (c) input voltage 36 V: uGSQ1 (yellow), uGSQ3 (petroleum green), and output voltage u0 (violet).
Engproc 100 00043 g007
Figure 8. Experimental results for the input voltage 48 V and the output current 8 A: (a) from top to bottom: uGSQ2 (yellow), uGSQ4 (petroleum green), uGSQE (violet), and uGSQF (blue); (b) uGSQ1 (yellow), uGSQ3 (petroleum green), and output voltage u0 (violet); (c) input voltage 36 V: uGSQ1 (yellow), uGSQ3 (petroleum green), and output voltage u0 (violet).
Figure 8. Experimental results for the input voltage 48 V and the output current 8 A: (a) from top to bottom: uGSQ2 (yellow), uGSQ4 (petroleum green), uGSQE (violet), and uGSQF (blue); (b) uGSQ1 (yellow), uGSQ3 (petroleum green), and output voltage u0 (violet); (c) input voltage 36 V: uGSQ1 (yellow), uGSQ3 (petroleum green), and output voltage u0 (violet).
Engproc 100 00043 g008
Disclaimer/Publisher’s Note: The statements, opinions and data contained in all publications are solely those of the individual author(s) and contributor(s) and not of MDPI and/or the editor(s). MDPI and/or the editor(s) disclaim responsibility for any injury to people or property resulting from any ideas, methods, instructions or products referred to in the content.

Share and Cite

MDPI and ACS Style

Grigorova, T.; Bodurov, G.; Dobrolitsky, M. A Study on a Phase-Shift Controlled ZVS DC-DC Converter with a Synchronous Rectifier. Eng. Proc. 2025, 100, 43. https://doi.org/10.3390/engproc2025100043

AMA Style

Grigorova T, Bodurov G, Dobrolitsky M. A Study on a Phase-Shift Controlled ZVS DC-DC Converter with a Synchronous Rectifier. Engineering Proceedings. 2025; 100(1):43. https://doi.org/10.3390/engproc2025100043

Chicago/Turabian Style

Grigorova, Tsvetana, Georgi Bodurov, and Mihail Dobrolitsky. 2025. "A Study on a Phase-Shift Controlled ZVS DC-DC Converter with a Synchronous Rectifier" Engineering Proceedings 100, no. 1: 43. https://doi.org/10.3390/engproc2025100043

APA Style

Grigorova, T., Bodurov, G., & Dobrolitsky, M. (2025). A Study on a Phase-Shift Controlled ZVS DC-DC Converter with a Synchronous Rectifier. Engineering Proceedings, 100(1), 43. https://doi.org/10.3390/engproc2025100043

Article Metrics

Back to TopTop