Comparative Hydrogen Production Routes via Steam Methane Reforming and Chemical Looping Reforming of Natural Gas as Feedstock
Abstract
1. Introduction
2. Natural Gas Purification System
3. System Modelling
3.1. Steam Methane Reforming
- Amine abssorption for natural gas purification: The compressor has an inlet pressure of 2000 kPa and an outlet pressure of 3000 kPa [64,65]. The inlet and outlet temperatures of the heater are 57.99 °C and 101 °C, respectively [65]. The absorber has a top pressure of 500 kPa and a bottom pressure of 3000 kPa, with 40 stages [66]. The mixer has an inlet and outlet temperature of 66.97 °C and 75 °C, respectively [65]. The lean amine and make-up water have similar flow rates of 12.50 kgmol/h. The cooler reduces the acid gases to room temperature for amine regeneration.
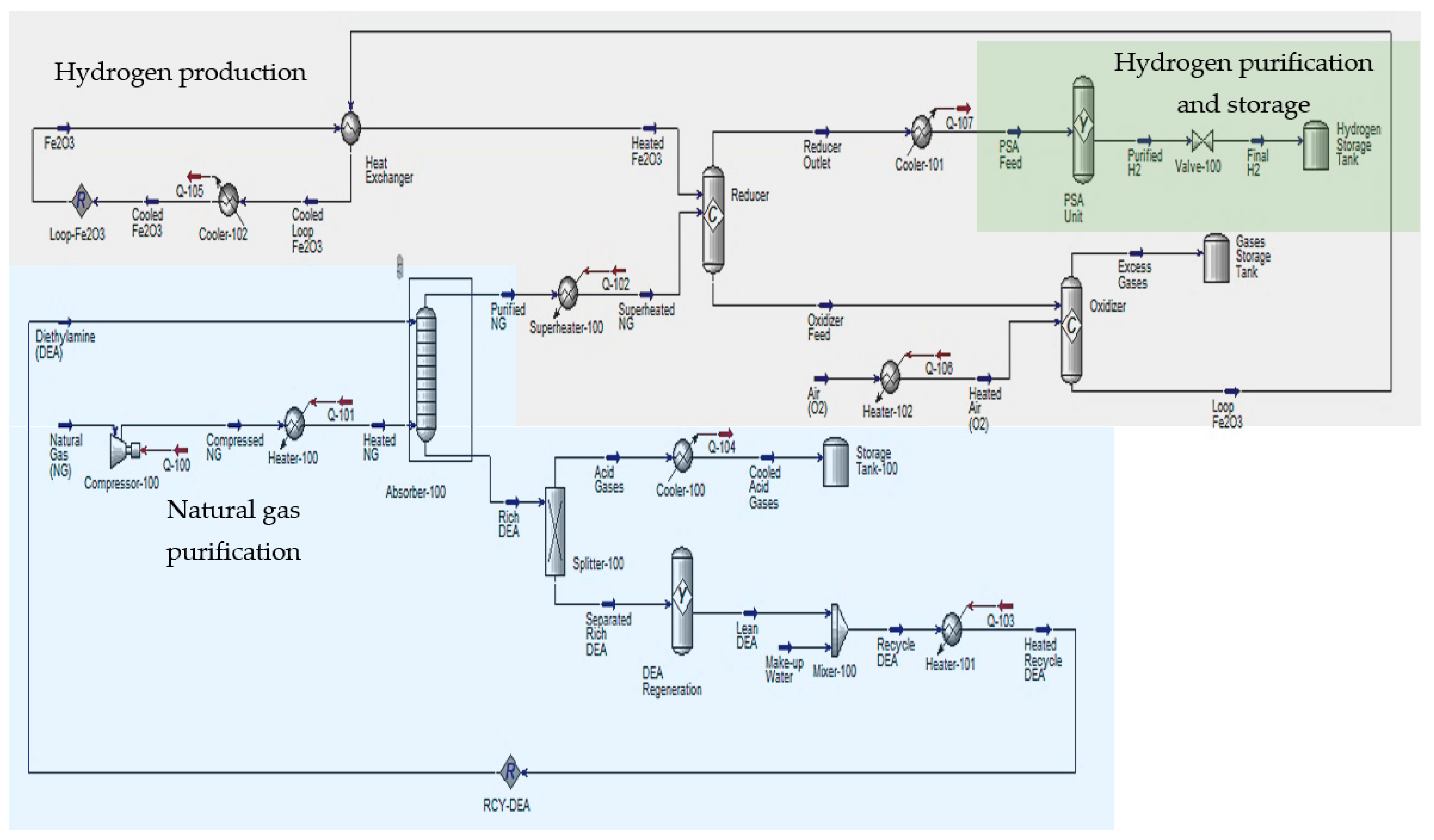
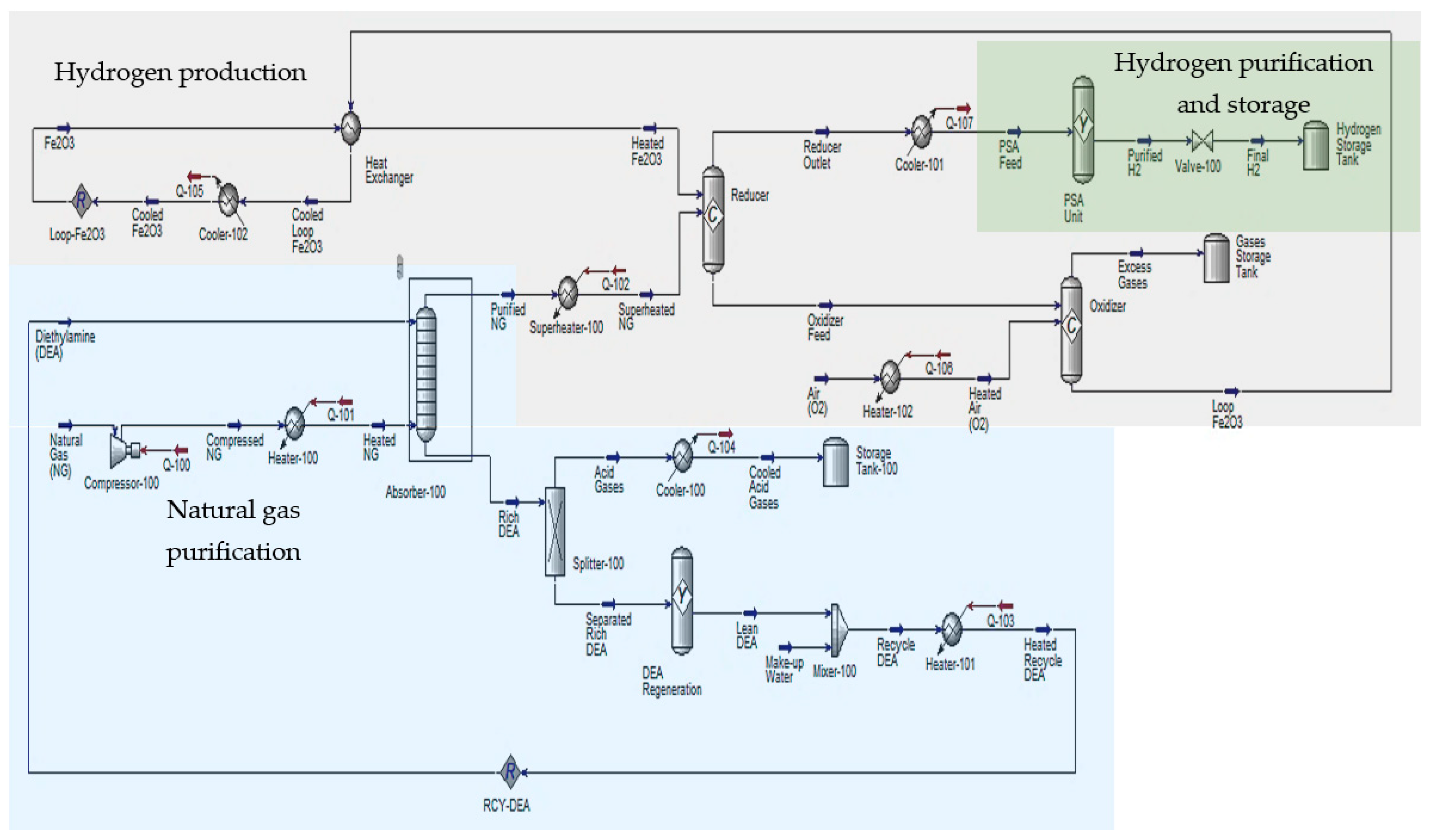
3.2. Chemical Looping Reforming
- Amine absorption for natural gas purification: The compressor has an inlet pressure of 2000 kPa and an outlet pressure of 3000 kPa [63,64]. The compressed natural gas is heated to 101 °C [64]. The absorber has a top pressure of 500 kPa and a bottom pressure of 3000 kPa, with 40 stages [65]. The lean amine and make-up water have similar flow rates of 12.5 kgmol/h. The cooler reduced the acid gases to room temperature for amine regeneration.
4. Performance and Energy Analysis
4.1. Comparison of Hydrogen Production by Different Processes
4.2. Analysis of Energy Consumption
5. Conclusions and Outlook
Author Contributions
Funding
Data Availability Statement
Acknowledgments
Conflicts of Interest
References
- Batgi, S.U.; Dincer, I. A study on comparative environmental impact assessment of thermochemical cycles and steam methane reforming processes for hydrogen production processes. Comput. Chem. Eng. 2024, 180, 108514. [Google Scholar] [CrossRef]
- Makaryan, I.A.; Salgansky, E.A.; Arutyunov, V.S.; Sedov, I.V. Non-catalytic partial oxidation of hydrocarbon gases to syngas and hydrogen: A systematic review. Energies 2023, 16, 2916. [Google Scholar] [CrossRef]
- Chau, K.; Djire, A.; Khan, F. Review and analysis of the hydrogen production technologies from a safety perspective. Int. J. Hydrog. Energy 2022, 47, 13990–14007. [Google Scholar] [CrossRef]
- Voitic, G.; Pichler, B.; Basile, A.; Iulianelli, A.; Malli, K.; Bock, S.; Hacker, V. Hydrogen production. In Fuel Cell Hydrogen; Elsevier: Amsterdam, The Netherlands, 2018; pp. 215–241. [Google Scholar]
- Ramezani, R.; Di Felice, L.; Gallucci, F. A review of chemical looping reforming technologies for hydrogen production: Recent advances and future challenges. J. Phys. Energy 2023, 5, 024010. [Google Scholar] [CrossRef]
- Das, S.; Biswas, A.; Tiwary, C.S.; Paliwal, M. Hydrogen production using chemical looping technology: A review with emphasis on H2 yield of various oxygen carriers. Int. J. Hydrog. Energy 2022, 47, 28322–28352. [Google Scholar] [CrossRef]
- Zheng, H.; Jiang, X.; Gao, Y.; Tong, A.; Zeng, L. Chemical looping reforming: Process fundamentals and oxygen carriers. Discov. Chem. Eng. 2022, 2, 5. [Google Scholar] [CrossRef]
- Dermühl, S.; Riedel, U. A comparison of the most promising low-carbon hydrogen production technologies. Fuel 2023, 340, 127478. [Google Scholar] [CrossRef]
- Minh, D.P.; Siang, T.J.; Vo, D.V.N.; Phan, T.S.; Ridart, C.; Nzihou, A.; Grouset, D. Hydrogen production from biogas reforming: An overview of steam reforming, dry reforming, dual reforming, and tri-reforming of methane. In Hydrogen Supply Chains; Academic Press: Cambridge, MA, USA, 2018; pp. 111–166. [Google Scholar]
- Faheem, H.H.; Tanveer, H.U.; Abbas, S.Z.; Maqbool, F. Comparative study of conventional steam-methane-reforming (SMR) and auto-thermal-reforming (ATR) with their hybrid sorption enhanced (SE-SMR & SE-ATR) and environmentally benign process models for the hydrogen production. Fuel 2021, 297, 120769. [Google Scholar]
- Kim, J.; Park, J.; Qi, M.; Lee, I.; Moon, I. Process integration of an autothermal reforming hydrogen production system with cryogenic air separation and carbon dioxide capture using liquefied natural gas cold energy. Ind. Eng. Chem. Res. 2021, 60, 7257–7274. [Google Scholar] [CrossRef]
- Collins-Martinez, V.H.; Cazares-Marroquin, J.F.; Salinas-Gutierrez, J.M.; Pantoja-Espinoza, J.C.; Lopez-Ortiz, A.; Melendez-Zaragoza, M.J. The thermodynamic evaluation and process simulation of the chemical looping steam methane reforming of mixed iron oxides. RSC Adv. 2021, 11, 684–699. [Google Scholar] [CrossRef]
- Malik, F.R.; Yuan, H.B.; Moran, J.C.; Tippayawong, N. Overview of hydrogen production technologies for fuel cell utilization. Eng. Sci. Technol. Int. J. 2023, 43, 101452. [Google Scholar]
- Braga, L.B.; Silveira, J.L.; Da Silva, M.E.; Tuna, C.E.; Machin, E.B.; Pedroso, D.T. Hydrogen production by biogas steam reforming: A technical, economic and ecological analysis. Renew. Sustain. Energy Rev. 2013, 28, 166–173. [Google Scholar] [CrossRef]
- Gaj, K.; Cichuta, K. Combined biological method for simultaneous removal of hydrogen sulphide and volatile methylsiloxanes from biogas. Energies 2022, 16, 100. [Google Scholar] [CrossRef]
- Awe, O.W.; Zhao, Y.; Nzihou, A.; Minh, D.P.; Lyczko, N. A review of biogas utilisation, purification and upgrading technologies. Waste Biomass Valori. 2017, 8, 267–283. [Google Scholar] [CrossRef]
- Ahmed, S.F.; Mofijur, M.; Tarannum, K.; Chowdhury, A.T.; Rafa, N.; Nuzhat, S.; Kumar, P.S.; Vo, D.V.N.; Lichtfouse, E.; Mahlia, T.M.I. Biogas upgrading, economy and utilization: A review. Environ. Chem. Lett. 2021, 19, 4137–4164. [Google Scholar] [CrossRef]
- Khan, M.U.; Lee, J.T.E.; Bashir, M.A.; Dissanayake, P.D.; Ok, Y.S.; Tong, Y.W.; Shariati, M.A.; Wu, S.; Ahring, B.K. Current status of biogas upgrading for direct biomethane use: A review. Renew. Sustain. Energy Rev. 2021, 149, 111343. [Google Scholar] [CrossRef]
- Abotaleb, A.; Gladich, I.; Alkhateeb, A.; Mardini, N.; Bicer, Y.; Sinopoli, A. Chemical and physical systems for sour gas removal: An overview from reaction mechanisms to industrial implications. J. Nat. Gas Sci. Eng. 2022, 106, 104755. [Google Scholar] [CrossRef]
- Shah, G.; Ahmad, E.; Pant, K.K.; Vijay, V.K. Comprehending the contemporary state of art in biogas enrichment and CO2 capture technologies via swing adsorption. Int. J. Hydrog. Energy 2021, 46, 6588–6612. [Google Scholar] [CrossRef]
- Yusuf, N.; Almomani, F. Recent advances in biogas purifying technologies: Process design and economic considerations. Energy 2023, 265, 126163. [Google Scholar] [CrossRef]
- Bozorg, M.; Ramírez-Santos, Á.A.; Addis, B.; Piccialli, V.; Castel, C.; Favre, E. Optimal process design of biogas upgrading membrane systems: Polymeric vs high performance inorganic membrane materials. Chem. Eng. Sci. 2020, 225, 115769. [Google Scholar] [CrossRef]
- Tang, X.; Shi, L.; Zhang, Y.; Li, B.; Xu, S.; Song, Z. Degradation adaptive energy management strategy for FCHEV based on the Rule-DDPG method: Tailored to the current SOH of the powertrain. IEEE Trans. Transp. Electr. 2024, 1. [Google Scholar] [CrossRef]
- Aminudin, M.A.; Kamarudin, S.K.; Lim, B.H.; Majilan, E.H.; Masdar, M.S.; Shaari, N. An overview: Current progress on hydrogen fuel cell vehicles. Int. J. Hydrog. Energy 2023, 48, 4371–4388. [Google Scholar] [CrossRef]
- Reddy, V.J.; Hariram, N.P.; Maity, R.; Ghazali, M.F.; Kumarasamy, S. Sustainable e-fuels: Green hydrogen, methanol and ammonia for carbon-neutral transportation. World Electr. Veh. J. 2023, 14, 349. [Google Scholar] [CrossRef]
- Zou, C.; Li, J.; Zhang, X.; Jin, X.; Xiong, B.; Yu, H.; Liu, X.; Wang, S.; Li, Y.; Zhang, L.; et al. Industrial status, technological progress, challenges, and prospects of hydrogen energy. Nat. Gas Ind. B 2022, 9, 427–447. [Google Scholar] [CrossRef]
- Erdener, B.C.; Sergi, B.; Guerra, O.J.; Chueca, A.L.; Pambour, K.; Brancucci, C.; Hodge, B.M. A review of technical and regulatory limits for hydrogen blending in natural gas pipelines. Int. J. Hydrog. Energy 2023, 48, 5595–5617. [Google Scholar] [CrossRef]
- Ishaq, H.; Dincer, I.; Crawford, C. A review on hydrogen production and utilization: Challenges and opportunities. Int. J. Hydrog. Energy 2022, 47, 26238–26264. [Google Scholar] [CrossRef]
- Öberg, S.; Odenberger, M.; Johnsson, F. Exploring the competitiveness of hydrogen-fueled gas turbines in future energy systems. Int. J. Hydrog. Energy 2022, 47, 624–644. [Google Scholar] [CrossRef]
- Widera, B. Renewable hydrogen implementations for combined energy storage, transportation and stationary applications. Therm. Sci. Eng. Prog. 2020, 16, 100460. [Google Scholar] [CrossRef]
- Katariya, H.G.; Patolia, H.P. Advances in biogas cleaning, enrichment, and utilization technologies: A way forward. Biomass Convers. Biorefinery 2021, 13, 9565–9581. [Google Scholar] [CrossRef]
- Andriani, D.; Rajani, A.; Santosa, A.; Saepudin, A.; Wresta, A.; Atmaja, T.D. March. A review on biogas purification through hydrogen sulphide removal. IOP Conf. Ser. Earth Environ. Sci. 2020, 483, 012034. [Google Scholar] [CrossRef]
- Paglini, R.; Gandiglio, M.; Lanzini, A. Technologies for deep biogas purification and use in zero-emission fuel cells systems. Energies 2022, 15, 3551. [Google Scholar] [CrossRef]
- Das, J.; Ravishankar, H.; Lens, P.N. Biological biogas purification: Recent developments, challenges and future prospects. J. Environ. Manag. 2022, 304, 114198. [Google Scholar] [CrossRef] [PubMed]
- Abatzoglou, N.; Boivin, S. A review of biogas purification processes. Biofuels Bioprod. Biorefining 2009, 3, 42–71. [Google Scholar] [CrossRef]
- Gkotsis, P.; Kougias, P.; Mitrakas, M.; Zouboulis, A. Biogas upgrading technologies–Recent advances in membrane-based processes. Int. J. Hydrog. Energy 2023, 48, 3965–3993. [Google Scholar] [CrossRef]
- Mergenthal, M.; Tawai, A.; Amornraksa, S.; Roddecha, S.; Chuetor, S. Methane enrichment for biogas purification using pressure swing adsorption techniques. Mater. Today Proc. 2023, 72, 2915–2920. [Google Scholar] [CrossRef]
- Liu, Y.; Sim, J.; Hailemariam, R.H.; Lee, J.; Rho, H.; Park, K.D.; Kim, D.W.; Woo, Y.C. Status and future trends of hollow fiber biogas separation membrane fabrication and modification techniques. Chemosphere 2022, 303, 134959. [Google Scholar] [CrossRef]
- Aydin, S. Anaerobic Digestion: Biotechnology for Environmental Sustainability, 1st ed.; BoD–Books on Demand: Norderstedt, Germany, 2024. [Google Scholar]
- Werkneh, A.A. Biogas impurities: Environmental and health implications, removal technologies and future perspectives. Heliyon 2022, 8, e10929. [Google Scholar] [CrossRef]
- Kumar, R.; Kumar, A. Recent advances of biogas reforming for hydrogen production: Methods, purification, utility and techno-economics analysis. Int. J. Hydrog. Energy 2024, 76, 108–140. [Google Scholar] [CrossRef]
- Tamilselvan, R.; Selwynraj, A.I. Model development for biogas generation, purification and hydrogen production via steam methane reforming. Int. J. Hydrog. Energy 2024, 50, 211–225. [Google Scholar] [CrossRef]
- Haldar, D.; Bhattacharjee, N.; Shabbirahmed, A.M.; Anisha, G.S.; Patel, A.K.; Chang, J.S.; Dong, C.D.; Singhania, R.R. Purification of biogas for methane enrichment using biomass-based adsorbents: A review. Biomass Bioenergy 2023, 173, 106804. [Google Scholar] [CrossRef]
- Lóránt, B.; Tardy, G.M. Current status of biological biogas upgrading technologies. Period. Polytech. Chem. Eng. 2022, 66, 465–481. [Google Scholar] [CrossRef]
- Moioli, E.; Schildhauer, T. Negative CO2 emissions from flexible biofuel synthesis: Concepts, potentials, technologies. Renew. Sustain. Energy Rev. 2022, 158, 112120. [Google Scholar] [CrossRef]
- Mulu, E.; M’Arimi, M.M.; Ramkat, R.C. A review of recent developments in application of low cost natural materials in purification and upgrade of biogas. Renew. Sustain. Energy Rev. 2021, 145, 111081. [Google Scholar] [CrossRef]
- Rattanaya, T.; Kongjan, P.; Bunyakan, C.; Reungsang, A.; Jariyaboon, R. Upgrading biogas to biomethane: Alkaline recovery of absorbed solution by thermal decomposition. Process. Saf. Environ. Prot. 2020, 138, 157–166. [Google Scholar] [CrossRef]
- Angelidaki, I.; Xie, L.; Luo, G.; Zhang, Y.; Oechsner, H.; Lemmer, A.; Munoz, R.; Kougias, P.G. Biogas upgrading: Current and emerging technologies. In Biofuels: Alternative Feedstocks and Conversion. Processes for the Production of Liquid and Gaseous Biofuels; Academic Press: Cambridge, MA, USA, 2019; pp. 817–843. [Google Scholar]
- Grangeiro, L.C.; de Almeida, S.G.C.; de Mello, B.S.; Fuess, L.T.; Sarti, A.; Dussán, K.J. New trends in biogas production and utilization. In Sustainable Bioenergy; Elsevier: Amsterdam, The Netherlands, 2019; pp. 199–223. [Google Scholar]
- Tan, Y.; Nookuea, W.; Li, H.; Thorin, E.; Yan, J. Cryogenic technology for biogas upgrading combined with carbon capture-a review of systems and property impacts. Energy Procedia 2017, 142, 3741–3746. [Google Scholar] [CrossRef]
- Masebinu, S.O.; Aboyade, A.; Muzenda, E. Enrichment of biogas for use as vehicular fuel: A review of the upgrading techniques. Int. J. Res. Chem. Metall. Civil Eng. 2014, 1, 88–97. [Google Scholar]
- Mota, N.; Alvarez-Galvan, C.; Navarro, R.M.; Fierro, J.L.G. Biogas as a source of renewable syngas production: Advances and challenges. Biofuels 2011, 2, 325–343. [Google Scholar] [CrossRef]
- Gautam, A.; Mondal, M.K. Review of recent trends and various techniques for CO2 capture: Special emphasis on biphasic amine solvents. Fuel 2023, 334, 126616. [Google Scholar] [CrossRef]
- Haider, J.; Kazmi, B.; Naquash, A.; Qyyum, M.A.; Ali, I.; Lee, M.; Lim, H. Biogas upgrading through blends of deep eutectic solvents and monoethanol amine: 4 E analysis (energy, exergy, environmental, and economic). Green Chem. 2021, 23, 6076–6089. [Google Scholar] [CrossRef]
- Meng, F.; Meng, Y.; Ju, T.; Han, S.; Lin, L.; Jiang, J. Research progress of aqueous amine solution for CO2 capture: A review. Renew. Sustain. Energy Rev. 2022, 168, 112902. [Google Scholar] [CrossRef]
- Pakzad, P.; Mofarahi, M.; Ansarpour, M.; Afkhamipour, M.; Lee, C.H. CO2 absorption by common solvents. In Advance in Carbon Capture; Woodhead Publishing: Sawston, UK, 2020; pp. 51–87. [Google Scholar]
- Quan, W.; Jiang, X.; Wang, X.; Song, C. Influence of loading a tertiary amine on activated carbons and effect of CO2 on adsorptive H2S removal from biogas. ACS Sustain. Chem. Eng. 2020, 8, 9998–10008. [Google Scholar] [CrossRef]
- Swinbourn, R.; Li, C.; Wang, F. A comprehensive review on biomethane production from biogas separation and its techno-economic assessments. ChemSusChem 2024, 17, e202400779. [Google Scholar] [CrossRef] [PubMed]
- Upadhyay, A.; Kovalev, A.A.; Zhuravleva, E.A.; Kovalev, D.A.; Litti, Y.V.; Masakapalli, S.K.; Pareek, N.; Vivekanand, V. Recent development in physical, chemical, biological and hybrid biogas upgradation techniques. Sustainability 2022, 15, 476. [Google Scholar] [CrossRef]
- Ahmad, W.; Sethupathi, S.; Kanadasan, G.; Lau, L.C.; Kanthasamy, R. A review on the removal of hydrogen sulfide from biogas by adsorption using sorbents derived from waste. Rev. Chem. Eng. 2021, 37, 407–431. [Google Scholar] [CrossRef]
- Oni, A.O.; Anaya, K.; Giwa, T.; Di Lullo, G.; Kumar, A. Comparative assessment of blue hydrogen from steam methane reforming, autothermal reforming, and natural gas decomposition technologies for natural gas-producing regions. Energy Conv. Manag. 2022, 254, 115245. [Google Scholar] [CrossRef]
- Wang, J.; Yue, X.; Yang, Y.; Zhao, Z.; Yu, Z.; An, P.; Abudula, A.; Guan, G. Hydrogen production from chemical looping reforming: Current status and future perspective. In New Dimensions in Production and Utilization of Hydrogen; Elsevier: Amsterdam, The Netherlands, 2020; pp. 81–115. [Google Scholar]
- Linde, Hydrogen (23942_LCS_0816). Available online: https://assets.linde.com/-/media/global/engineering/engineering/home/products-and-services/process-plants/h2_1_1_e_12_150dpi_nb.pdf (accessed on 5 March 2024).
- Bahadori, A.; Kashiwao, T. Modeling and analysis of hydrogen production in steam methane reforming (SMR) process. Pet. Sci. Technol. 2019, 37, 1425–1435. [Google Scholar] [CrossRef]
- Hasan, S.; Abbas, A.J.; Nasr, G.G. Improving the carbon capture efficiency for gas power plants through amine-based absorbents. Sustainability 2020, 13, 72. [Google Scholar] [CrossRef]
- Shamsi, M.; Obaid, A.A.; Farokhi, S.; Bayat, A. A novel process simulation model for hydrogen production via reforming of biomass gasification tar. Int. J. Hydrog. Energy 2022, 47, 772–781. [Google Scholar] [CrossRef]
- Chen, K.; Zhao, Y.; Zhang, W.; Feng, D.; Sun, S. The intrinsic kinetics of methane steam reforming over a nickel-based catalyst in a micro fluidized bed reaction system. Int. J. Hydrog. Energy 2020, 45, 1615–1628. [Google Scholar] [CrossRef]
- Hashemi, S.E.; Sarker, S.; Lien, K.M.; Schnell, S.K.; Austbø, B. Cryogenic vs. absorption biogas upgrading in liquefied biomethane production–An energy efficiency analysis. Fuel 2019, 245, 294–304. [Google Scholar] [CrossRef]
- Hsieh, T.L.; Xu, D.; Zhang, Y.; Nadgouda, S.; Wang, D.; Chung, C.; Pottimurthy, Y.; Guo, M.; Chen, Y.Y.; Xu, M.; et al. 250 kWth high pressure pilot demonstration of the syngas chemical looping system for high purity H2 production with CO2 capture. Appl. Energy 2018, 230, 1660–1672. [Google Scholar] [CrossRef]
- Lin, L.; Liu, D.; Jin, J.; Cheng, Q.; Li, W.; Feng, L. High iron and calcium coal ash as the oxygen carrier for chemical looping combustion. Ind. Eng. Chem. Res. 2018, 57, 9725–9736. [Google Scholar] [CrossRef]
- Nazir, S.M.; Cloete, J.H.; Cloete, S.; Amini, S. Efficient hydrogen production with CO2 capture using gas switching reforming. Energy 2019, 185, 372–385. [Google Scholar] [CrossRef]
- Pellegrini, L.A.; De Guido, G.; Moioli, S. Design of the CO2 removal section for PSA tail gas treatment in a hydrogen production plant. Front. Energy Res. 2020, 8, 77. [Google Scholar] [CrossRef]
- Basin, M.; Tudorache, D.; Flin, M.; Faure, R.; Arpentinier, P. Hydrogen Production by Steam Reforming. In Process Industries 2, Digitalization, New Key Driver for Industrial Management; Wiley-ISTE: London, UK, 2020; pp. 31–77. [Google Scholar]
- Pouw, S.; Bevers, M.; Gallucci, F.; Van Sint Annaland, M. A thermodynamic comparison of membrane-assisted processes for hydrogen production with integrated CO2 capture. Front. Chem. Eng. 2024, 6, 1294752. [Google Scholar] [CrossRef]
- Dumbrava, I.D.; Cormos, C.C. Techno-economical evaluations of decarbonized hydrogen production based on direct biogas conversion using thermo-chemical looping cycles. Int. J. Hydrog. Energy 2021, 46, 23149–23163. [Google Scholar] [CrossRef]
- Ajanovic, A.; Sayer, M.; Haas, R. The economics and the environmental benignity of different colors of hydrogen. Int. J. Hydrog. Energy 2022, 47, 24136–24154. [Google Scholar] [CrossRef]
- Cao, Y.; Zhang, H.; Liu, X.; Jiang, Q.; Hong, H. A strategy of mid-temperature natural gas based chemical looping reforming for hydrogen production. Int. J. Hydrog. Energy 2022, 47, 12052–12066. [Google Scholar] [CrossRef]
- Anaya, K.; Oni, A.O.; Kumar, A. Investigating the techno-economic and environmental performance of chemical looping technology for hydrogen production. Sustain. Energy Technol. Assess. 2023, 56, 103008. [Google Scholar] [CrossRef]
- From, T.N.; Partoon, B.; Rautenbach, M.; Østberg, M.; Bentien, A.; Aasberg-Petersen, K.; Mortensen, P.M. Electrified steam methane reforming of biogas for sustainable syngas manufacturing and next-generation of plant design: A pilot plant study. Chem. Eng. J. 2024, 479, 147205. [Google Scholar] [CrossRef]
- Kong, F.; Swift, J.; Zhang, Q.; Fan, L.S.; Tong, A. Biogas to H2 conversion with CO2 capture using chemical looping technology: Process simulation and comparison to conventional reforming processes. Fuel 2020, 279, 118479. [Google Scholar] [CrossRef]
- Li, Z.; Lin, Q.; Li, M.; Cao, J.; Liu, F.; Pan, H.; Wang, Z.; Kawi, S. Recent advances in process and catalyst for CO2 reforming of methane. Renew. Sustain. Energy Rev. 2020, 134, 110312. [Google Scholar] [CrossRef]
- Mintzer, D. Thermodynamics. Gale Encycl. Sci. 2020, 8, 4442–4448. [Google Scholar]
- Bahzad, H.; Shah, N.; Mac Dowell, N.; Boot-Handford, M.; Soltani, S.M.; Ho, M.; Fennell, P.S. Development and techno-economic analyses of a novel hydrogen production process via chemical looping. Int. J. Hydrog. Energy 2019, 44, 21251–21263. [Google Scholar] [CrossRef]



| System | H2S Removal | CO2 Removal | CH4 Purity, % | CH4 Loss, % | TRL | Commercial |
|---|---|---|---|---|---|---|
| Physical absorption | ||||||
| Water absorption | • | • | Up to 98 | 1–4 | 9 | • Condorchem Envitech (Barcelona, Spain), Durr (Stuttgart, Germany) |
| Organic absorption | • | • | Up to 98 | 1.5–4 | 9 | • SelexolTM (Dow, Midland, MI, USA), Rectisol® (Linde, Dublin, Ireland), BgPurTM (Eco-Tec Inc., Pickering, ON, Canada) |
| Chemical absorption | ||||||
| NaOH aqueous solution | • | • | >94 | <0.1 | 9 | • Sulfurex® CR (DMT Clear Gas Solutions, Tualatin, OR, USA) |
| Iron (Fe)-chelated/ethylene-diamine-tetraacetic acid (EDTA) solutions | • | • | Up to 98 | 1–3 | 9 | • Biosulfex (Innovative Group PROMIS, Warszawa, Poland), SulFerox® (Shell/Dow), Lo-Cat® (Houston, TX, USA Filter/Merichem), Sulfothane® (Veolia Water Technologies, Pennsauken, NJ, USA) |
| Alkanolamines | • | • | >99 | 0.04–0.5 | 9 | • Mercedes Ventures LLC Inc. (New York, NY, USA), HZI Biomethan (Zurich, Switzerland) |
| Biological absorption | • | • | Up to 98 | <10 | 8–9 | • THIOPAQ® (Shell-Paques, AD Utrecht, The Netherlands) |
| Membrane Separation | • | • | Up to 99 | 0.1–5 | 9 | • Durr (Stuttgart, Germany), HZI Biomethan (Zurich, Switzerland) |
| Cryogenic Separation | • | >97 | <2 | 9 | • Scandinavian GtS (Copenhagen, Denmark), FirmGreen (Newport Beach, CA, USA) | |
| Pressure swing adsorption (PSA) | • | • | Up to 99 | 1–4 | 9 | • Schmack-Biogas AGCarboTech (Schwandorf, Germany), Guild Associates, Inc. (Dublin, OH, USA) |
| Unit | Compound | Molar Composition at the Inlet | ||
|---|---|---|---|---|
| SMR | CLR | |||
| Raw natural gas (Department of Standards Malaysia, 2011a) 1 | Methane | CH4 | 0.9046 | 0.9046 |
| Ethane | C2H6 | 0.0419 | 0.0419 | |
| Propane | C3H8 | 0.0101 | 0.0101 | |
| Butane | C4H10 | 0.0066 | 0.0066 | |
| Carbon Dioxide | CO2 | 0.0226 | 0.0226 | |
| Hydrogen Sulfide | H2S | 0.0042 | 0.0042 | |
| Nitrogen | N2 | 0.0100 | 0.0100 | |
| Water | H2O | 0.0000 | 0.0000 | |
| Hydrogen | H2 | 0.0000 | 0.0000 | |
| Carbon Monoxide | CO | 0.0000 | 0.0000 | |
| Amine absorption (purified natural gas) | Methane | CH4 | 0.8985 | 0.9005 |
| Ethane | C2H6 | 0.0415 | 0.0416 | |
| Propane | C3H8 | 0.0100 | 0.0100 | |
| Butane | C4H10 | 0.0065 | 0.0066 | |
| Carbon Dioxide | CO2 | 0.0000 | 0.0002 | |
| Hydrogen Sulfide | H2S | 0.0000 | 0.0000 | |
| Nitrogen | N2 | 0.0042 | 0.0042 | |
| Water | H2O | 0.0393 | 0.0370 | |
| Hydrogen | H2 | 0.0000 | 0.0000 | |
| Carbon Monoxide | CO | 0.0000 | 0.0000 | |
| Hydrogen production reforming | Methane | CH4 | 0.1955 | 0.0065 |
| Ethane | C2H6 | 0.0152 | 0.0150 | |
| Propane | C3H8 | 0.0037 | 0.0036 | |
| Butane | C4H10 | 0.0024 | 0.0024 | |
| Carbon Dioxide | CO2 | 0.0000 | 0.0001 | |
| Hydrogen Sulfide | H2S | 0.0000 | 0.0000 | |
| Nitrogen | N2 | 0.0015 | 0.0015 | |
| Water | H2O | 0.2451 | 0.0134 | |
| Hydrogen | H2 | 0.4024 | 0.6383 | |
| Carbon Monoxide | CO | 0.1341 | 0.3192 | |
| HT-WGS | Methane | CH4 | 0.1946 | - |
| Ethane | C2H6 | 0.0152 | - | |
| Propane | C3H8 | 0.0037 | - | |
| Butane | C4H10 | 0.0024 | - | |
| Carbon Dioxide | CO2 | 0.1255 | - | |
| Hydrogen Sulfide | H2S | 0.0000 | - | |
| Nitrogen | N2 | 0.0015 | - | |
| Water | H2O | 0.1231 | - | |
| Hydrogen | H2 | 0.5261 | - | |
| Carbon Monoxide | CO | 0.0080 | - | |
| LT-WGS | Methane | CH4 | 0.1938 | - |
| Ethane | C2H6 | 0.0151 | - | |
| Propane | C3H8 | 0.0036 | - | |
| Butane | C4H10 | 0.0024 | - | |
| Carbon Dioxide | CO2 | 0.1327 | - | |
| Hydrogen Sulfide | H2S | 0.0000 | - | |
| Nitrogen | N2 | 0.0015 | - | |
| Water | H2O | 0.1193 | - | |
| Hydrogen | H2 | 0.5314 | - | |
| Carbon Monoxide | CO | 0.0003 | - | |
| PSA (end product) | Methane | CH4 | 0.0000 | 0.0000 |
| Ethane | C2H6 | 0.0000 | 0.0000 | |
| Propane | C3H8 | 0.0000 | 0.0000 | |
| Butane | C4H10 | 0.0000 | 0.0000 | |
| Carbon Dioxide | CO2 | 0.0000 | 0.0000 | |
| Hydrogen Sulfide | H2S | 0.0000 | 0.0000 | |
| Nitrogen | N2 | 0.0002 | 0.0003 | |
| Water | H2O | 0.0000 | 0.0000 | |
| Hydrogen | H2 | 0.9998 | 0.9997 | |
| Carbon Monoxide | CO | 0.0000 | 0.0000 | |
| Unit | Component | Required Energy (kWh) | |
|---|---|---|---|
| SMR | CLR | ||
| Amine absorption | Compressor | Q-100 291.11 | Q-100 291.11 |
| Feedstock heater/cooler | Q-101 406.39 | Q-101 406.39 | |
| Recycle amine heater | Q-103 184.58 | Q-103 150.33 | |
| Acid gases cooler | Q-110 3.53 | Q-104 3.99 | |
| Steam methane/chemical looping reforming process | Superheater | Q-102 13,336.11 | Q-102 9741.67 |
| Demineralized water/air heater | Q-104 18,247.22 | Q-106 6330.56 | |
| Oxygen carrier cooler | - | Q-105 2198.61 | |
| High-temperature water–gas shift | Reformer gases heater | Q-105 3894.44 | - |
| Water vapor heater | Q-106 164.94 | - | |
| Reformer gases cooler | Q-107 7691.67 | - | |
| Low-temperature water–gas shift | Water vapor heater | Q-108 144.25 | - |
| Pressure swing adsorption | Shifted reformer gases/reformer gases cooler | Q-109 8083.33 | Q-107 16,919.44 |
| Total | 52,447.59 | 36,042.11 | |
Disclaimer/Publisher’s Note: The statements, opinions and data contained in all publications are solely those of the individual author(s) and contributor(s) and not of MDPI and/or the editor(s). MDPI and/or the editor(s) disclaim responsibility for any injury to people or property resulting from any ideas, methods, instructions or products referred to in the content. |
© 2024 by the authors. Licensee MDPI, Basel, Switzerland. This article is an open access article distributed under the terms and conditions of the Creative Commons Attribution (CC BY) license (https://creativecommons.org/licenses/by/4.0/).
Share and Cite
Mohd Yunus, S.; Yusup, S.; Johari, S.S.; Mohd Afandi, N.; Manap, A.; Mohamed, H. Comparative Hydrogen Production Routes via Steam Methane Reforming and Chemical Looping Reforming of Natural Gas as Feedstock. Hydrogen 2024, 5, 761-775. https://doi.org/10.3390/hydrogen5040040
Mohd Yunus S, Yusup S, Johari SS, Mohd Afandi N, Manap A, Mohamed H. Comparative Hydrogen Production Routes via Steam Methane Reforming and Chemical Looping Reforming of Natural Gas as Feedstock. Hydrogen. 2024; 5(4):761-775. https://doi.org/10.3390/hydrogen5040040
Chicago/Turabian StyleMohd Yunus, Salmi, Suzana Yusup, Siti Sorfina Johari, Nurfanizan Mohd Afandi, Abreeza Manap, and Hassan Mohamed. 2024. "Comparative Hydrogen Production Routes via Steam Methane Reforming and Chemical Looping Reforming of Natural Gas as Feedstock" Hydrogen 5, no. 4: 761-775. https://doi.org/10.3390/hydrogen5040040
APA StyleMohd Yunus, S., Yusup, S., Johari, S. S., Mohd Afandi, N., Manap, A., & Mohamed, H. (2024). Comparative Hydrogen Production Routes via Steam Methane Reforming and Chemical Looping Reforming of Natural Gas as Feedstock. Hydrogen, 5(4), 761-775. https://doi.org/10.3390/hydrogen5040040

