Next Article in Journal
Geomechanical Substantiation of Soil Stability During Tunnel Construction by Shield Tunneling Complexes in Layered Massifs
Previous Article in Journal
Prediction of Reverse Osmosis Membrane Fouling Using Machine Learning: MLR, ANN, and SVM at a Seawater Desalination Plant
 
 
Font Type:
Arial Georgia Verdana
Font Size:
Aa Aa Aa
Line Spacing:
Column Width:
Background:
Article

Design and Implementation of a Low-Cost Embedded Sensing Platform for Relative Monitoring of Temperature and Humidity During Concrete Hydration

by
Arturo Molina-Almaraz
1,†,
José A. Rodríguez-Rodríguez
2,*,
Manuel de Jesús López-Martínez
1,†,
José I. de la Rosa-Vargas
1,
Carlos E. Olvera-Mayorga
1,
Celina L. Castañeda-Miranda
3,
Mario Molina-Almaraz
3,
José Vidal González-Aviña
4 and
Carlos A. Olvera-Olvera
1,*
1
Laboratorio de Invenciones Aplicadas a la Industria (LIAI), Unidad Academica de Ingenieria Electrica, Universidad Autonoma de Zacatecas, Zacatecas 98600, Zacatecas, Mexico
2
Laboratorio de Resistencia de Materiales y Mecanica de Suelos, Unidad Academica de Ingenieria I, Universidad Autonoma de Zacatecas, Zacatecas 98600, Zacatecas, Mexico
3
Posgrados de Ingenieria y Tecnologia Aplicada, Unidad Academica de Ingenieria Electrica, Universidad Autonoma de Zacatecas, Zacatecas 98600, Zacatecas, Mexico
4
Escuela de Ingenieria y Ciencias, Tecnologico de Monterrey, Av. General Ramon Corona 2514, Zapopan 45138, Jalisco, Mexico
*
Authors to whom correspondence should be addressed.
These authors contributed equally to this work.
Eng 2026, 7(3), 107; https://doi.org/10.3390/eng7030107
Submission received: 23 January 2026 / Revised: 17 February 2026 / Accepted: 19 February 2026 / Published: 1 March 2026

Abstract

Standard maturity methods for concrete monitoring rely primarily on temperature history, often neglecting the influence of internal relative humidity (RH) on hydration kinetics and self-desiccation risks. Continuous in situ monitoring of internal RH remains a challenge due to the high cost, proprietary nature, and lack of reproducibility of existing solutions. This study evaluates a low-cost, open-source embedded sensor array designed to characterize early-age curing behavior through trend-based monitoring—defined here as the evaluation of ensemble consistency and repeatability rather than absolute metrological traceability. The prototype system, based on SHT31 sensors controlled by an ESP32 microcontroller, was embedded in high-performance concrete cylinders (f′c = 45 MPa) to capture the exothermic hydration peak and the equilibration of internal humidity. Results demonstrate that while the sensor encapsulation introduced a geometric disturbance that reduced compressive strength by approximately 25%—a limitation requiring mitigation in structural applications—the system successfully captured reproducible curing transitions. The proposed framework provides an accessible tool for experimental research into internal curing conditions, offering a digital complement to traditional surface-based quality control.

1. Introduction

Concrete is the most widely used construction material globally, yet its performance relies fundamentally on the hydration of cement—a complex chemical process governed by both temperature and internal moisture availability. To estimate the in situ strength development of concrete structures, the maturity method (standardized in ASTM C1074) is widely used [1]. This technique relies on the principle that strength gain is a function of the temperature-time history. The hydration process typically follows characteristic stages—initial dissolution, induction, and acceleration—which are accompanied by an exothermic heat release, as illustrated in Figure 1. By monitoring this internal thermal evolution, engineers can estimate the “maturity index” and predict compressive strength in real-time, facilitating construction operations such as formwork removal [2].
Recent studies highlight that the early-age hydration process is thermodynamically sensitive to boundary conditions, where continuous monitoring is essential for predictive strength modeling [4]. For instance, precise control of hydration kinetics in high-performance concrete is critical to ensure mechanical development and prevent microstructural defects [5]. Furthermore, the integration of embedded sensing strategies is becoming increasingly relevant to validate the performance of innovative cementitious composites and functionalized materials [6]. Consequently, continuous in situ monitoring of these parameters is not merely a quality control measure, but a fundamental requirement to validate curing strategies and prevent early-age cracking.
However, the standard maturity method operates under a critical implicit assumption: that sufficient moisture is available to sustain hydration [1]. In reality, if the internal relative humidity (RH) drops below a critical threshold (typically around 80%), hydration ceases regardless of the temperature [1]. This is particularly critical in high-performance concrete (HPC), where low water-to-cement ratios lead to self-desiccation—a phenomenon where the internal consumption of water creates capillary tension and shrinkage, potentially causing microcracking even in sealed conditions [2]. Consequently, relying solely on temperature monitoring can lead to dangerous overestimations of strength if the internal humidity is not effectively maintained [7].
Despite the importance of internal moisture, it remains a parameter that is difficult to measure continuously in field applications. Standard curing practices (e.g., ASTM C31, ACI 308R) prescribe external conditions—such as lime water baths or fog rooms [8]—but do not verify the actual internal state of the material [9]. While gravimetric methods allow for moisture loss measurement in small laboratory specimens, they are destructive or impractical for real-time monitoring of structural elements [10].
To address this limitation, previous studies have explored joint monitoring strategies. For instance, Souza et al. [11] utilized Fiber Bragg Grating (FBG) sensors to achieve high-precision measurements, though at a significant equipment cost. Regarding encapsulation challenges, Roy et al. [12] and Kim et al. [13] have investigated how sensor housings influence both signal fidelity and the mechanical continuity of the specimen. Their findings suggest that while protective housings are necessary for durability, the sensor depth and geometry can induce local disturbances in the concrete matrix.
Therefore, there is a clear scientific need for embedded sensing strategies capable of capturing the coupled evolution of both temperature and internal RH. The adoption of Internet of Things (IoT) technologies has begun to address this gap. Various commercial solutions (e.g., Giatec SmartRock, Maturix) offer wireless embedded sensors for maturity monitoring [3,14]. However, these systems present significant limitations for scientific research: they are often proprietary “black boxes” where raw data access is restricted, algorithms are undisclosed, and hardware is prohibitively expensive for large-scale multi-point instrumentation [15]. Conversely, fiber-optic sensors (FBG) offer high precision but require specialized, fragile, and costly interrogation units [16]. On the other hand, low-cost academic prototypes often lack the documentation required for reproducibility, failing to provide a standardized framework for encapsulation and data acquisition [17].
Table 1 summarizes the landscape of existing monitoring solutions, contrasting them not only by cost but by their openness and reproducibility.
This context highlights a lack of accessible, verifiable tools for characterizing internal curing conditions. The primary objective of this work is to evaluate a low-cost, open-source embedded sensing platform designed for the trend-based monitoring of internal temperature and humidity. Unlike commercial quality control devices that prioritize certified accuracy for legal compliance, this study focuses on validating the repeatability and ensemble consistency of a reproducible research tool. The specific objectives are:
  • To design and document an open-hardware platform based on SHT31 sensors and ESP32 microcontrollers.
  • To evaluate the system’s ability to capture characteristic hydration stages (thermal peak and humidity equilibration) in high-performance concrete and to examine whether internal RH evolution exhibits reproducible stages that complement temperature-based maturity interpretation.
  • To assess the impact of the sensor encapsulation on the mechanical integrity of standard test specimens.

2. Materials and Methods

To facilitate the understanding of the experimental workflow, a graphical scheme summarizing the four main phases of the study was prepared. Figure 2 illustrates the complete process, from prototype fabrication and electronic integration to concrete specimen preparation, mechanical testing, and data analysis.
  • Phase 1: Prototype preparation and manufacturing. This phase begins with the material preparation and cable soldering (a) to ensure stable signal transmission. It proceeds with the application of a UV-curable resin (b) to protect the sensing elements from the alkaline environment, concluding with prototype sealing and immersion tests (c) to verify the hermetic integrity of the enclosure prior to use.
  • Phase 2: Electronic design and system programming. This stage involves the schematic design (d) interconnecting the ESP32 microcontroller with the I2C multiplexer. It includes the development of MicroPython firmware (e) for periodic data acquisition and remote visualization, followed by the fabrication of a custom Printed Circuit Board (PCB) (f) to ensure hardware compactness and experimental repeatability.
  • Phase 3: Mix design, casting, and testing. This phase covers the concrete casting and mold filling process (g), where sensors are positioned. After the curing period, the process concludes with the demolding of cylinders and compression testing (h) to assess the mechanical impact of the embedded encapsulation on the concrete matrix.
  • Phase 4: Results. The final phase summarizes the experimental outcomes, starting with the preliminary performance evaluation of the SHT31 sensor array (i). It subsequently analyzes the temporal evolution of internal relative humidity (j) and temperature (k), comparing these trends against environmental conditions to validate the system’s responsiveness.

2.1. Preparation and Prototype Manufacturing

Each SHT31 temperature and humidity sensor (Sensirion AG, Stäfa, Switzerland) was encapsulated inside a ½-inch polyvinyl chloride (PVC) tube. The selection of this encapsulation geometry represents an engineering compromise aimed at ensuring chemical durability and accessibility while minimizing cost. PVC was selected for its proven resistance to the highly alkaline concrete pore solution (pH > 12) [1,2]. Unlike metals, which may corrode, or complex polymers, PVC ensures the long-term integrity of the sensor housing [11].
The section exposed to the internal concrete environment was protected with a hydrophobic polytetrafluoroethylene (PTFE) microfiltration membrane (Xin Tester, Shenzhen, China). This material was selected to allow vapor diffusion while preventing the ingress of liquid water and direct contact with cementitious particles. However, it is acknowledged that the probe dimensions (1/2 in) introduce a geometric inclusion within the concrete matrix. This inclusion acts as a rigid discontinuity in the aggregate skeleton, creating a known risk of reducing the compressive strength of the specimen—a limitation that is quantified and discussed in Section 3.
The sensor printed circuit board (PCB) was coated with a UV-curable electronic resin (TMYLOKU, Huizhou, China) to limit moisture penetration, improve resistance to concrete alkalinity, and reduce the risk of electrical short circuits. Electrical connections were established using a braided AWG-30 four-conductor cable. Each conductor was soldered to the sensor terminals, after which UV resin was applied over the PCB and solder joints, leaving only the active sensing region uncovered. The coating was cured under UV light for 30 min until fully solidified.
Once protected, the sensor–cable assembly was inserted into the PVC tube previously cut to size. The cable outlet at the upper end was sealed with neutral silicone to prevent leakage and to mechanically secure the sensor. Finally, the PTFE membrane was mounted on the opening designed for vapor diffusion, and the encapsulation was closed with a perforated PVC cap. Figure 3 shows the disassembled prototype components.
The sealing performance of the encapsulation was assessed through a 60 min water-immersion test, during which no liquid ingress or sensor malfunction was observed. This test confirms the mechanical integrity of the encapsulation under high-humidity conditions representative of early-age concrete curing. In addition, during a 41 h preliminary test conducted prior to concrete casting, sensors 0, 1, and 2 were operated without PTFE membranes, serving as a comparative group against the membrane-protected sensors.
To characterize the consistency of the sensor array prior to embedding, the ensemble behavior was evaluated under controlled laboratory conditions. The mean instantaneous standard deviation (SDinst) was 0.0695 °C for temperature and 0.9732% RH for relative humidity.

2.2. Electronic Design and System Programming

The electronic system was implemented using an ESP32 microcontroller (Espressif Systems, Shanghai, China), selected for its low cost, integrated wireless communication capabilities, and proven reliability in embedded monitoring applications [21,22]. The built-in Wi-Fi functionality enabled real-time data transmission to a remote server.
Regarding the sensing element, the SHT31 sensors were chosen as a compromise between low-cost alternatives (e.g., DHT22) and higher-cost industrial sensors (e.g., SHT85). Compared to the DHT22, the SHT31 offers improved accuracy (±2 RH) and greater stability under condensation conditions [12,22].
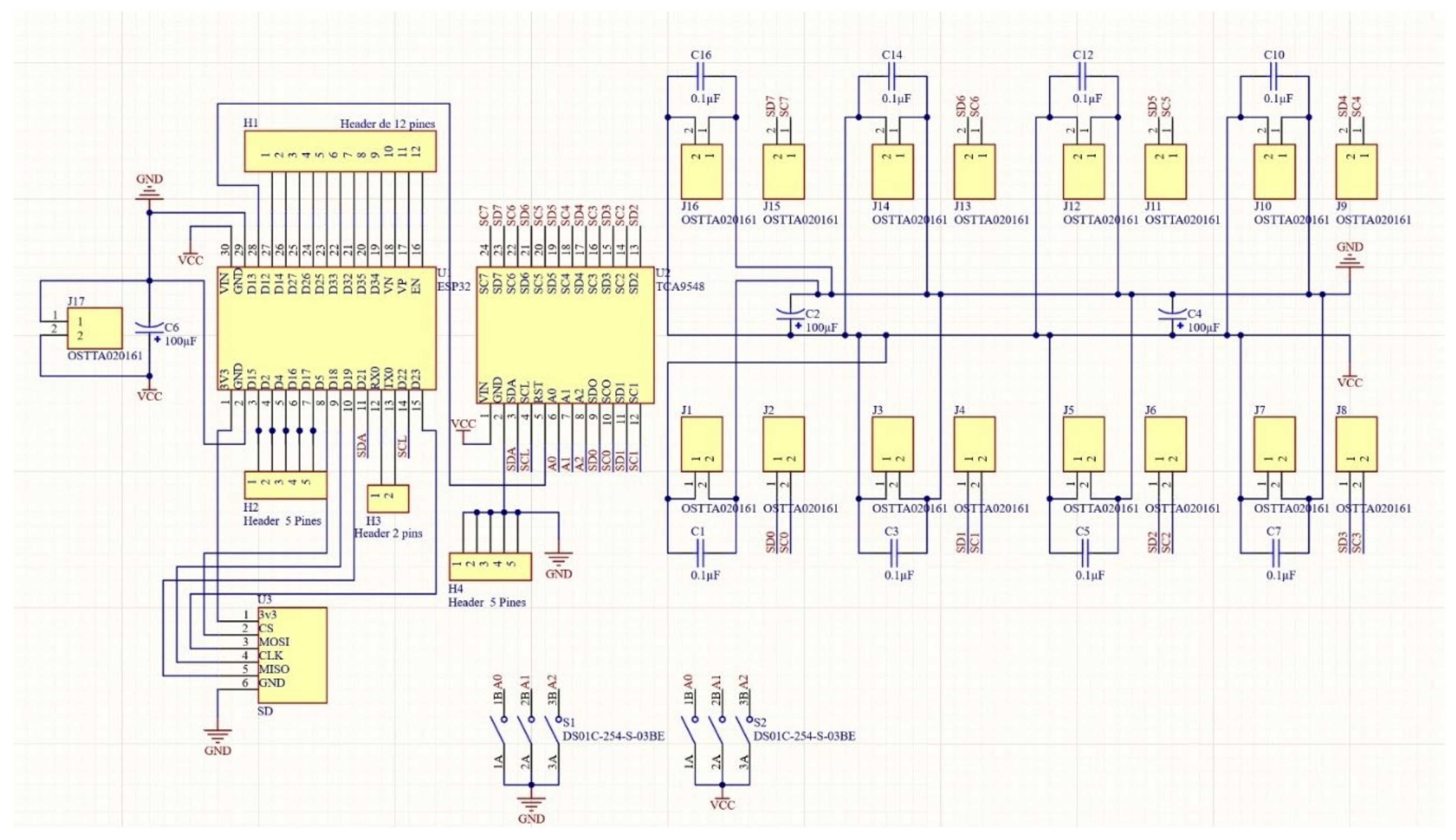
To ensure electrical, power-line conditioning was implemented using parallel 100 µF electrolytic capacitors and 0.1 µF ceramic capacitors to attenuate high-frequency noise. Additional decoupling elements and optocouplers were included to protect the system against external electrical disturbances. The system schematic, showing the interconnection of the ESP32 microcontroller with the I2C TCA9548A multiplexer (Texas Instruments, Dallas, TX, USA), SHT31 sensors, and storage modules, is illustrated in Figure 4.
Data acquisition and communication routines were developed in MicroPython firmware (ESP32_GENERIC-20250415-v1.25.0) running on the ESP32 microcontroller, following a modular programming structure to facilitate reproducibility. Temperature and relative humidity measurements were stored locally on a microSD card and simultaneously transmitted wirelessly to a cloud database, enabling real-time visualization and remote access to the experimental data. This approach ensured complete digital traceability of the curing process while supporting continuous monitoring under laboratory conditions. The interconnection of the ESP32 microcontroller with the I2C TCA9548A multiplexer, the SHT31 sensors, and the storage module is illustrated in Figure 4.
It is important to explicitly define the metrological scope of this study. Given the harsh environment of fresh concrete (high alkalinity and mechanical pressure), the primary research question addresses the robustness and survival of the sensor package rather than its absolute metrological traceability.
In this study, accuracy refers to absolute agreement with traceable standards, precision to the dispersion among sensors, and repeatability to the stability of the temporal response of the sensor array under identical environmental exposure.
Consequently, rigorous multi-point calibration using saturated salt solutions was intentionally deferred to a future optimization stage. Instead, this work relies on the sensor’s factory-rated accuracy (±2 RH) to evaluate “ensemble consistency” (agreement between sensors) and “trend repeatability” (detection of hydration phases). This approach allows for the validation of the protective housing’s efficacy before establishing strict calibration protocols. The assembled external printed circuit board integrating the ESP32 microcontroller, the I2C TCA9548A multiplexer, and the supporting electronic components is shown in Figure 5.
The main technical specifications of these electronic components, including the microcontroller, the multiplexer, and the encapsulated SHT31 sensors, are summarized in Table 2.
Figure 5. Assembled external PCB integrating the ESP32 microcontroller, the I2C TCA9548A multiplexer, and the supporting electronic components.
Figure 5. Assembled external PCB integrating the ESP32 microcontroller, the I2C TCA9548A multiplexer, and the supporting electronic components.
Eng 07 00107 g005

2.3. Mix Design, Casting, Monitoring and Compression Testing

Cylindrical concrete specimens with dimensions of 100 × 200 mm were prepared using a target compressive strength of f′c = 45 MPa. The concrete mix was designed with a water-to-cement ratio of 0.45, using Type I Portland cement, natural sand, and crushed coarse aggregate with a nominal maximum size of 19 mm. The mix proportions used for both a 1 m3 reference batch and the 160 L laboratory batches are summarized in Table 3.
A total of nine specimens were produced, including six instrumented cylinders and three reference (non-instrumented) cylinders. All specimens were fabricated in accordance with ASTM C31 [23] and ASTM C192 [8]. During casting, the encapsulated sensor assemblies were positioned at mid-height along the central axis of the instrumented cylinders, ensuring a minimum concrete cover of approximately 40 mm. Immediately after casting, all specimens were covered to prevent moisture loss and were demolded after 72 h.
Figure 6 illustrates the instrumented concrete cylinders with the PVC-encapsulated SHT31 sensors embedded during casting. In addition to the internal sensors, an external SHT31 sensor was installed in the laboratory to record ambient temperature and relative humidity, providing a reference for comparison with the internal measurements.
All six instrumented specimens were continuously monitored for the first 28 days using a sampling interval of 10 min. At 28 days, three instrumented cylinders and the three reference specimens were subjected to compression testing to evaluate any potential mechanical effects associated with the embedded monitoring system. The remaining three instrumented specimens continued to be monitored beyond 28 days to analyze the long-term evolution of internal temperature and relative humidity, particularly during the drying phase after removal from the curing conditions.
Throughout the monitoring period, both the instrumented and reference specimens were stored inside the laboratory under shaded conditions. No curing tank immersion or additional external conditioning was applied beyond exposure to ambient laboratory temperature and relative humidity. The embedded monitoring system remained active during the entire monitoring period, ensuring continuous data acquisition under consistent reference conditions.

Mechanical Testing

After 28 days of curing, compression tests were carried out on the concrete specimens in accordance with ASTM C39 [24]. The primary objective of these tests was to evaluate the potential mechanical impact of the embedded monitoring system on the concrete cylinders.
The compressive strength results of the instrumented specimens were compared with those obtained from the reference (non-instrumented) cylinders. This comparison enabled the assessment of whether the presence of the PVC-encapsulated sensor introduced a measurable reduction in load-bearing capacity attributable to the occupied volume and local disturbance within the concrete matrix.
The observed failure patterns (Figure 7) were consistent with typical crushing behavior in cylindrical concrete specimens tested under uniaxial compression, indicating that the testing procedure was not affected by the presence of the embedded instrumentation.

3. Results

3.1. Preliminary Performance Evaluation of the SHT31 Sensor Array

3.1.1. 41 h Internal Precision Test

Prior to embedding the sensors in concrete, a 41 h laboratory test was conducted to assess the repeatability and internal agreement of the SHT31 sensor array under controlled ambient conditions. This test was intended to verify the functional consistency of the sensors as a group, rather than to establish absolute accuracy through calibration.
Figure 8 presents the time series of the recorded measurements, where panel (a) corresponds to temperature and panel (b) to relative humidity. All sensors were exposed simultaneously to the same environmental conditions, allowing direct comparison of their responses.
Although no calibration against traceable standards was performed, the ensemble behavior was quantified using instantaneous standard deviation (SDinst), 95% agreement band, and mean coefficient of variation (CV). As summarized in Table 4, the average dispersion among sensors was 0.0695 °C for temperature and 0.9732% RH for relative humidity, with 95% agreement bands of ±0.1362 °C and ±1.9074% RH. The mean coefficients of variation were 0.4647% for temperature and 1.73% for relative humidity.
These values indicate a high degree of internal consistency within the sensor array and fall within the typical tolerance ranges reported by the manufacturer for the SHT31 sensor. Figure 9 illustrates the distribution of dispersion metrics for temperature. The instantaneous standard deviation and the coefficient of variation exhibit narrow distributions, confirming stable group behavior over the test duration.
To complement this, Figure 10 presents the corresponding dispersion metrics for relative humidity. Here again, the results show a consistent pattern, reinforcing the reliability of the sensor array throughout the experiment.
Overall, the results demonstrate that the sensor array exhibits reliable repeatability and internal agreement, supporting its suitability for comparative and time-dependent monitoring applications.

3.1.2. Single-Day Test Against Reference Hygrometer

To further assess the practical agreement between the sensor array and an external measuring device, a single-day comparison test was conducted using a laboratory reference hygrometer over a period from 10:20 am to 21:40 pm. This test was intended as an indicative evaluation of sensor behavior under controlled conditions, rather than as a formal calibration procedure.
Figure 11 presents the comparison between the ensemble-averaged response of the sensor array and the reference instrument for both temperature and relative humidity. The ensemble averages are shown to emphasize the collective behavior of the sensors, reducing the influence of short-term fluctuations and sensor-to-sensor variability. The temporal trends recorded by the embedded system closely follow those measured by the reference hygrometer, indicating consistent time-resolved agreement for both variables.
To quantify the agreement, bias, root mean square error (RMSE), and standard deviation of the error were calculated for each individual sensor, and the results are summarized in Table 5. Sensors 0, 1, and 2, which were operated without PTFE membranes, exhibited relative humidity responses comparable to those of the encapsulated sensors, indicating that the presence of the PTFE membrane does not introduce a measurable bias in humidity readings under laboratory conditions. Temperature measurements showed consistently low bias and RMSE across all sensors, reflecting stable thermal response within the array.
Although individual sensor metrics are reported, the ensemble-averaged response is emphasized in the figures as it provides a clearer representation of the system behavior for trend-based monitoring applications.

3.2. Internal Temperature Evolution

During the first 24 h, the ensemble-averaged internal temperature of the instrumented specimens remained, on average, 2.8 ± 0.4 °C above the ambient temperature. This initial temperature rise corresponds to the exothermic acceleration phase of the cement hydration process, where the rapid reaction of tricalcium silicate (C3S) generates significant heat.
After this initial period, the internal temperature progressively decreased and stabilized around −2.1 ± 0.3 °C relative to ambient conditions. This behavior reflects the combined effect of heat dissipation and the thermal inertia of the concrete mass, which dampens short-term environmental fluctuations and leads to more stable internal conditions compared with the external environment.
Figure 12 presents the ensemble-averaged internal temperature evolution over the 28-day monitoring period, compared with the laboratory ambient temperature.
A more detailed examination of the early-age behavior reveals a sustained increase in internal temperature during the first day, consistent with the exothermic hydration phase. A marked temperature drop was observed after approximately 72 h, coinciding with specimen demolding. This decrease is associated with the loss of the thermal insulation previously provided by the molds, which allowed the stored heat to dissipate more efficiently. Figure 13 highlights the 0–4-day temperature profile, clearly showing the early thermal peak and the subsequent decline associated with demolding.

Temperature Data Processing for the First 72 h

To interpret the internal temperature evolution, additional processing was applied to the recorded time series. First, the thermal difference between the internal temperature and the ambient temperature was computed using Equation (1), isolating the thermal contribution associated with cement hydration:
T i = T s e n s o r , i T e n v i r o n m e n t
The ensemble-averaged thermal difference was then calculated using Equation (2), representing the global thermal behavior of the instrumented specimens:
T a v g = 1 n i = 1 n T i .
Using the ensemble-averaged thermal difference, the early-age temperature peak was identified within the first 24 h, enabling characterization of the exothermic hydration phase. In addition, the accumulated thermal contribution during the first 72 h was quantified by computing the area under the T a v g curve using Equation (3):
A r e a 72 h = 0 72 h T a v g ( t ) d t
where
  • T i ( t ) is the thermal difference of sensor i at time t
  • T s e n s o r , i ( t ) is the internal temperature recorded by sensor i
  • T e n v i r o n m e n t ( t ) is the ambient temperature at the same time
To evaluate the effect of demolding (≈day 3), ensemble-averaged T a v g values before and after the event were compared. The resulting difference was interpreted as the thermal drop associated with the loss of mold insulation. The quantitative results are summarized in Table 6.
  • Average peak (24 h): T a v g = 2.50 °C at 17.3 h.
  • Area under the curve (72 h): 0.53 °C·day.
  • Thermal drop after demolding (~day 3): 3.27 °C.
Figure 14 shows the ensemble-averaged thermal difference T a v g between internal and ambient temperatures during the first 72 h. The curve exhibits an initial increase associated with the exothermic hydration stage, reaching a peak of approximately 2.5 °C around 17 h, followed by a gradual decline. A more pronounced decrease occurs after demolding (≈day 3), when the loss of thermal insulation leads to a sharp temperature drop of approximately 3.3 °C. The area under the curve during the first 72 h (≈0.53 °C·day) represents the accumulated early-age thermal contribution, which supports subsequent qualitative correlations between thermal history and mechanical development.
Although the raw internal temperature profile exhibits a strong correlation with ambient cycles due to the limited thermal mass of the specimens, the derived thermal difference (∆T) presented in Figure 14 successfully isolates the hydration contribution from environmental fluctuations. The observed peak at approximately 17.3 h aligns temporally with the acceleration period of the hydration kinetics, typically associated with the main C-S-H gel formation.
It is important to note that the magnitude of this thermal rise (∆Tpeak ≈ 2.5 °C) is relatively low compared to mass concrete applications. This is not a limitation of the sensor’s sensitivity, but rather a physical consequence of the specimen scale effect. The 100 × 200 mm cylinders possess a high surface-to-volume ratio, leading to rapid heat dissipation that prevents the development of near-adiabatic conditions.
Furthermore, the pronounced thermal drop observed after demolding (≈day 3) highlights the significant influence of mold insulation on the curing conditions. These observations—quantified in Table 6—confirm that the embedded system effectively captures the initial exothermic hydration phase and the subsequent thermal equilibration, providing the basis for the discussion presented in the following section.

3.3. Evolution of Internal Relative Humidity

During the first 24 h, the ensemble-averaged internal relative humidity increased rapidly and reached saturation values of approximately 99.5 ± 0.6%, reflecting the moisture equilibrium process inside the PTFE-protected sensor assemblies. Although near-saturation conditions are expected immediately after casting, the sensors stabilized close to 100% only after approximately 24 h, indicating a characteristic time constant associated with vapor diffusion through the PTFE membrane and the internal volume of the encapsulation.
It is crucial to distinguish between the saturation of the concrete pore network and the humidity reported by the sensor. The recorded lag of approximately 24 h to reach stable saturation (≈99.5%) represents the system response time, driven by the vapor diffusion rate through the PTFE membrane and the equilibration of the air volume inside the PVC tube. It does not imply that the concrete was “dry” during the first day; rather, it reflects the time required for the internal sensor environment to reach equilibrium with the surrounding cement paste. Therefore, the RH data should be interpreted as the encapsulated internal gaseous environment rather than a direct instantaneous measurement of pore water activity during the very early hours.
From approximately day 7 onward, a distinct gradual decrease in internal relative humidity was observed, declining to an average of 92.1 ± 2.7% by day 28. While the specimens remained at high humidity levels compared to the ambient environment (76.8%), this consistent downward trend (slope ≈ −0.34%/day) corresponds to the consumption of internal water by cement hydration (self-desiccation) and the progressive refinement of the pore network. The observed standard deviation (±2.7%) reflects the natural heterogeneity of the cementitious matrix and slight variations in the sensor embedding depth across the specimens.
Figure 15 presents the ensemble-averaged internal relative humidity evolution compared with the ambient laboratory humidity recorded over the 28-day monitoring period.
During documented rainfall events (days 4, 13–16, 17, 22, and 24–28), temporary increases in the ensemble-averaged internal relative humidity were detected. These transient responses indicate the influence of external environmental conditions on internal moisture evolution and highlight the permeability characteristics of early-age concrete, even under partially sheltered laboratory conditions.

3.4. Compressive Strength

At 28 days, the control specimens achieved an average compressive strength of 45.2 ± 1.8 MPa, consistent with the target design strength of the mixture. In contrast, the instrumented specimens reached an average of 33.9 ± 2.1 MPa, representing an approximate 25% reduction relative to the controls. This decrease is attributed to the presence of the embedded sensor assembly, which introduced a localized discontinuity and reduced the effective load-bearing area within the cementitious matrix.
Table 7 presents the individual compressive strength values for both groups and the calculated percentage deviation of each specimen relative to the control mean. The control cylinders showed minimal dispersion, with deviations ranging from −2.3% to +3.5%, confirming the consistency of the mixture and testing procedure. In contrast, the instrumented specimens exhibited substantially larger negative deviations (−21.7% to −26.8%), demonstrating that the reduction in mechanical performance is systematic rather than the result of isolated variability. These results indicate that, although the embedded system enables continuous internal monitoring, the physical presence of the encapsulated sensor has a measurable and repeatable impact on compressive strength—an aspect further examined in the Discussion section.

4. Discussion

4.1. Thermal History and Maturity Interpretation

The thermal records obtained through the embedded monitoring system confirmed the presence of an early temperature peak (≈17 h) attributable to the acceleration phase of cement hydration. While the magnitude of this peak (∆T ≈ 2.5 °C) was moderated by the high surface-to-volume ratio of the laboratory specimens, the temporal signature of the event aligns with the exothermic formation of C-S-H gels [23].
More critically, the system successfully captured the “thermal decay” phase triggered by demolding at 72 h. From the perspective of the maturity method [3,14], this thermal history is the governing factor for strength development. The integral of the temperature differential over the first 72 h (≈0.53 °C·day) indicates a relatively low thermal accumulation due to the small specimen size and lack of insulation. This low maturity index provides a mechanistic explanation for the mechanical results: the rapid heat dissipation prevented the “autogenous curing” effect often seen in mass concrete, potentially slowing down the early microstructural development.
Thus, the monitoring system provides not just a temperature record, but a quantitative traceable history that links the curing conditions (mold insulation vs. ambient exposure) directly to the hydration kinetics. This supports the transition from prescriptive curing (fixed time) to performance-based curing (maturity index).

4.2. Humidity as a Supplementary Quality Index

While temperature monitoring is common in the industry (e.g., ASTM C1074), this study highlights the critical role of internal Relative Humidity (RH) as a supplementary parameter to validate the assumptions of the maturity method. Maturity functions assume that sufficient moisture is available for hydration; however, they do not inherently detect drying.
The data collected revealed two distinct moisture phases: a saturation phase (days 1–7) and a gradual drying phase (days 7–28). The initial stabilization delay of approximately 24 h is attributed to the vapor diffusion impedance of the PTFE membrane—a known trade-off required to protect the sensor. However, beyond this transient period, the system provided stable confirmation that internal conditions remained near saturation (>95%).
This information is vital because it confirms that the “curing efficiency” was maintained. If the system had detected a premature drop in RH (e.g., below 80%), the strength predictions based solely on temperature maturity would be invalid due to the cessation of hydration. Therefore, the integration of RH sensing supplements the thermal data by acting as a “validity check” for the maturity index, ensuring that the hydration potential predicted by temperature was not compromised by self-desiccation or moisture loss.

4.3. The Trade-Off: System Geometry vs. Material Properties

To further contextualize the magnitude of the strength reduction, a simplified geometric analysis was performed. The PVC sensor encapsulation (D ≈ 21 mm) corresponds to an ideal cross-sectional area reduction of approximately 4.4% relative to the 100 mm diameter cylinder. However, the measured compressive strength reduction (~25%) is significantly larger than the net geometric area loss. This non-proportional response confirms that the mechanical effect cannot be attributed solely to the reduction in load-bearing area.
Instead, the observed behavior is consistent with stress concentration around the rigid inclusion, local stiffness mismatch between the PVC housing and the surrounding concrete matrix, and the interaction between the inclusion and specimen boundaries. These factors promote localized cracking and premature failure initiation under compressive loading.
From a scaling perspective, the geometric intrusion decreases rapidly with increasing member size. For instance, in a 300 × 300 mm column, the same 21 mm inclusion would represent a cross-sectional area reduction below 0.5%. Therefore, the magnitude of the mechanical disturbance observed in laboratory-scale cylinders should not be directly extrapolated to full-scale structural elements without considering geometric scaling effects.
The implementation of embedded sensing involves an inevitable trade-off between data richness and mechanical invasiveness. The 25% reduction in compressive strength observed in this study quantifies the “cost” of inserting a 20 mm probe into a 100 mm cylinder. As discussed in the results, this is largely a scale-dependent phenomenon driven by stress concentrations in small specimens.
Regarding the mechanism of failure, it is acknowledged that the observed strength reduction is a composite effect of both the geometric discontinuity (area reduction) and the stiffness mismatch between the PVC housing and the surrounding concrete matrix. A limitation of the current experimental design is the absence of ‘empty-capsule’ controls—specimens containing hollow housings without electronics. Future studies should incorporate such controls to strictly decouple the geometric influence from the material interaction effects, thereby refining the interpretation of the mechanical impact.
However, when evaluated against alternative monitoring methods, the proposed system offers a distinct advantage in terms of scalability and cost-effectiveness. Table 8 presents a comparison between the developed prototype and existing technologies. While fiber-optic sensors (FBG) offer minimal invasiveness and high precision, their high cost and requirement for specialized interrogators limit their widespread deployment. Conversely, the ESP32 + SHT31 solution accepts a higher degree of invasiveness (which becomes negligible in large structures) in exchange for a drastically lower cost per node and open-source replicability.
This comparison suggests that the proposed system is particularly well-suited for distributed monitoring networks where the number of data points is more critical than metrological perfection, provided that the geometric impact is managed through proper sensor placement in non-critical zones.

4.4. Practical Applicability and Field Implementation

The developed sensor array is primarily designed as a research tool for characterizing early-age curing behavior through continuous time-series data. Unlike static measurements obtained from surface-based methods, this embedded system captures dynamic events, such as the peak hydration temperature and the equilibration response after demolding. While similar in concept to commercial maturity sensors (e.g., Giatec SmartRock™) that remain embedded in the structure, the proposed system adds the capability of relative humidity monitoring, which is critical for assessing curing efficiency and self-desiccation risks in high-performance mixtures.
Mitigation Strategies for Strength Reduction:
To address the limitation of strength reduction observed in standard cylinders, we propose the use of “instrumented companion specimens”—witness cylinders cured alongside the main structure—rather than embedding sensors in critical load-bearing zones of the primary element. This approach allows for representative monitoring of the environmental history without compromising the structural integrity of the member.
Field Installation Protocol:
Regarding deployment in massive elements, such as columns or foundations cast from above, the primary risk to the sensor is not hydrostatic pressure—which the PVC housing withstands—but rather the dynamic impact from coarse aggregates and mechanical vibration. While manual placement suffices for laboratory specimens, field deployment requires a robust installation protocol where the sensor node is mechanically secured to the reinforcement cage (rebar) using high-tensile ties to prevent displacement due to concrete flow. Additionally, the connection cables require strain relief loops to decouple tension forces generated during the pouring process.
Despite these installation requirements, the disposable nature of the nodes is justified by their function as “digital witnesses.” They generate a permanent, tamper-proof record of the internal curing history, providing quality assurance data from the structural core where non-destructive access is otherwise impossible.

5. Conclusions

This study demonstrates that ensemble-based internal monitoring using low-cost COTS sensors can reliably capture critical curing transitions—specifically the acceleration phase peak (≈17 h) and the demolding thermal shock (≈72 h)—even without absolute metrological calibration.
The key findings and limitations of this work are summarized as follows:
  • Feasibility of Traceable Curing: The system successfully isolated the hydration thermal signature (∆T 2.5 °C) from ambient fluctuations. The derived “thermal history” provides a digital footprint of the curing process that is superior to static surface inspections.
  • Role of Internal Humidity: The integration of relative humidity sensors acted as a crucial “validity check” for the maturity method. It confirmed that while the concrete remained near saturation (>95%) during the critical first week, a distinct drying trend (slope ≈ −0.3%/day) begins shortly after demolding, which standard maturity functions do not account for.
  • Cost and Scalability: The material cost of the proposed node is approximately $15 USD, which is significantly lower than commercial wired loggers or fiber-optic systems. This affordability enables high-density sensor deployment, allowing for “disposable” usage in structural elements where sensor recovery is not feasible.
  • Geometric Limitations: A trade-off between invasiveness and data quality was identified. The current encapsulation caused a 25% reduction in compressive strength in standard 100 × 200 mm cylinders. This result highlights that while the sensor is suitable for large-scale structural monitoring (where the volume ratio is <0.1%), it requires the use of non-critical “witness specimens” or miniaturization for standard laboratory compliance testing.
  • Scope Clarification: It is explicitly stated that this paper provides a hardware and data acquisition framework for physical interpretation. It does not yet provide a calibrated strength-maturity model or intensity prediction equations. The data presented here serves as the foundational layer for future work, which will focus on developing moisture-corrected maturity functions and establishing specific strength-calibration curves.
To advance the proposed system from a functional prototype to a field-ready solution, future research will prioritize metrological validation and statistical robustness. Specifically, parallel measurements against industry-standard reference sensors (e.g., commercial maturity loggers or chilled mirror hygrometers) are necessary to quantify absolute measurement errors. Furthermore, long-term stability testing extending beyond the standard 28-day curing period is required to assess potential sensor drift and the durability of the encapsulation in highly alkaline environments. Finally, repeatability will be verified through multi-batch experimental campaigns to distinguish the variability introduced by manual fabrication from the inherent heterogeneity of the concrete matrix.

Author Contributions

Conceptualization, A.M.-A.; methodology, A.M.-A., C.A.O.-O. and M.d.J.L.-M.; validation, A.M.-A., C.E.O.-M., M.d.J.L.-M., and C.A.O.-O.; formal analysis, J.I.d.l.R.-V., J.A.R.-R., C.A.O.-O., and C.L.C.-M.; investigation, A.M.-A., J.A.R.-R., M.d.J.L.-M., and C.A.O.-O.; resources, C.A.O.-O., and J.V.G.-A.; data curation, A.M.-A., C.L.C.-M., and M.M.-A.; writing—original draft preparation, A.M.-A., J.I.d.l.R.-V., J.A.R.-R., and C.A.O.-O.; writing—review and editing, J.A.R.-R., C.E.O.-M., J.V.G.-A., and C.A.O.-O.; visualization, A.M.-A., and M.M.-A.; supervision, C.A.O.-O., J.A.R.-R., and M.d.J.L.-M.; project administration, C.A.O.-O. All authors have read and agreed to the published version of the manuscript.

Funding

This research received no external funding.

Institutional Review Board Statement

Not applicable.

Informed Consent Statement

Not applicable.

Data Availability Statement

The original contributions presented in this study are included in this article. Further inquiries can be directed to the corresponding authors.

Conflicts of Interest

The authors declare no conflicts of interest.

References

  1. Neville, A.; Brooks, J. Concrete Technology, 2nd ed.; Pearson: London, UK, 2010. [Google Scholar]
  2. Metha, P.; Monteiro, P. Concrete Microstructure, Properties, and Materials, 3rd ed.; McGraw-Hill: Columbus, OH, USA, 2006. [Google Scholar]
  3. Martínez, M.; Ashanti, Y. Estudio de La Hidratación de Cementos Tipo Portland Mediante Indentación Instrumentada y Calorimetría Semiadiabática. Bachelor’s Thesis, Facultad de Química, Universidad Nacional Autónoma de México, Ciudad de México, Mexico, 2021. [Google Scholar]
  4. Marchewka, A.; Ziolkowski, P.; García Galán, S. Real-Time Prediction of Early Concrete Compressive Strength Using AI and Hydration Monitoring. Sci. Rep. 2025, 15, 15463. [Google Scholar] [CrossRef] [PubMed]
  5. Oh, T.; Na, Y.K.; Kim, S.; Chun, B.; Nematollahi, B.; Yoo, D.-Y. Calcium Hydroxide-Driven Improvements in the Hydration and Mechanical Characteristics of Ultra-High-Performance Concrete. Constr. Build. Mater. 2025, 498, 143970. [Google Scholar] [CrossRef]
  6. Galano, S.; Calabrese, A.; Asvapathanagul, P.; Shadravan, S.; Ly, M.; Flores, D.; Hernandez, M.; Rahmani, M. Innovative Approaches to Enhancing Concrete Compressive Strength: An Extensive Investigation of Biochar-Embedded and Self-Repairing Techniques. J. Mater. Civ. Eng. 2025, 37. [Google Scholar] [CrossRef]
  7. ASTM C1074-19e1; Standard Practice for Estimating Concrete Strength by the Maturity Method. ASTM International: West Conshohocken, PA, USA, 2019.
  8. ASTM C 192/C 192M; Standard Practice for Making and Curing Concrete Test Specimens in the Laboratory 1. ASTM International: West Conshohocken, PA, USA, 2006.
  9. Bushnell, S.; Sharp, J. La Aplicación de Análisis Térmico a Las Reacciones de Hidratación y Conversión de Cementos Aluminosos. Mater. De Construcción (CSIC) 1992, 42, 5–18. [Google Scholar] [CrossRef]
  10. Becerra, J.; Rojas, D. Medición Del Flujo de Calor de Hidratación En Pastas de Cemento Portland Utilizando Un Calorímetro de Diseño Propio. Rev. Cienc. Innovación Y Tecnol. Fund. Univ. Juan De Castell. 2020, 4, 21–30. [Google Scholar] [CrossRef]
  11. Souza, E.; Pinheiro, P.; Coutinho, F.; Dias, J.; Pilar, R.; Pontes, M.J.; Leal-Junior, A. Smart Concrete Using Optical Sensors Based on Bragg Gratings Embedded in a Cementitious Mixture: Cure Monitoring and Beam Test. Sensors 2024, 24, 7998. [Google Scholar] [CrossRef] [PubMed]
  12. Roy, S.; Mateos, A.; Paniagua, J.; Nassiri, S. Improving Sensor Encapsulation for Long-Term Monitoring of Relative Humidity and Temperature Inside Concrete Pavements. Int. J. Pavement Eng. 2025, 26, 2497463. [Google Scholar] [CrossRef]
  13. Kim, C.; Song, Y.; Cho, J.; Kim, H.; Yeon, J. Influence of Temperature–Humidity Sensor Housing Depth on Concrete and Mortar Compressive Strength. Buildings 2023, 13, 2762. [Google Scholar] [CrossRef]
  14. Ankit, K.; Biman, M.; Souvik, S. Application of IoT Based Techniques in Concrete—A Review. Int. J. Res. Technol. Innov. 2025, 10, 76–83. [Google Scholar]
  15. Ascona García, P.P.; Ordoñez Carpio, G.E.; Zelada Zamora, W.M.; Aguirre Camacho, M.A.; Rojas Pintado, W.; Cuadros Rojas, E.J.; Mundaca Ramos, H.M.; Arce Fernández, N. Intelligent Automated Monitoring and Curing System for Cracks in Concrete Elements Using Integrated Sensors and Embedded Controllers. Technologies 2025, 13, 284. [Google Scholar] [CrossRef]
  16. Kim, J.; Kang, S.; Cho, J.; Jeong, S.; Kim, S.; Sung, Y.; Lee, B.; Kim, G.-H. Implementation of Integrated Smart Construction Monitoring System Based on Point Cloud Data and IoT Technique. Sensors 2025, 25, 3997. [Google Scholar] [CrossRef] [PubMed]
  17. Porras, R.; Mobaraki, B.; Liu, Z.; Muñoz, T.; Lozano, F.; Lozano, J.A. Assessment of Low-Cost Sensors in Early-Age Concrete: Laboratory Testing and Industrial Applications. Appl. Sci. 2025, 15, 8701. [Google Scholar] [CrossRef]
  18. Concrete Temperature and Strength Maturity Sensor|SmartRock®. Available online: https://www.giatecscientific.com/products/concrete-sensors/smartrock-maturity-meter/ (accessed on 21 November 2025).
  19. Maturix|Concrete Temperature, Strength and Maturity Monitoring. Available online: https://maturix.com/ (accessed on 21 November 2025).
  20. Sanguino-Lemus, J.S.S.; Hernández-Martínez, G.A.; Puerto-López, K.C. Monitoreo estructural basado en sistemas de sensores de fibra óptica. Rev. De Ing. Interfaces 2020, 3, 73–97. [Google Scholar]
  21. Ghodsian, N. 5 Use Cases of IoT-Enabled Concrete Monitoring in Commercial Construction. 2025. Available online: https://neuroject.com/iot%E2%80%91enabled-concrete-monitoring/ (accessed on 22 November 2025).
  22. Gamil, Y. Machine Learning in Concrete Technology: A Review of Current Researches, Trends, and Applications. Front. Built Environ. 2023, 9, 1145591. [Google Scholar] [CrossRef]
  23. ASTM C 31/C 31M; Standard Practice for Making and Curing Concrete Test Specimens in the Field 1. ASTM International: West Conshohocken, PA, USA, 1998.
  24. ASTM C 39/C39M; Standard Test Method for Compressive Strength of Cylindrical Concrete Specimens 1. ASTM International: West Conshohocken, PA, USA, 1999.
Figure 1. Conceptual diagram of the cement hydration process, showing the initial heat release, induction period, and acceleration stage, together with the corresponding thermal evolution curve [3].
Figure 1. Conceptual diagram of the cement hydration process, showing the initial heat release, induction period, and acceleration stage, together with the corresponding thermal evolution curve [3].
Eng 07 00107 g001
Figure 2. Graphical roadmap of the methodological procedure applied in this study: (a) Material preparation and cable soldering; (b) UV resin protection of sensing elements; (c) Prototype sealing and immersion testing; (d) Electronic schematic design; (e) MicroPython firmware development; (f) PCB fabrication and assembly; (g) Concrete casting and sensor positioning; (h) Demolding and compression testing; (i) Preliminary SHT31 sensor evaluation; (j) Internal relative humidity evolution; (k) Internal temperature evolution.
Figure 2. Graphical roadmap of the methodological procedure applied in this study: (a) Material preparation and cable soldering; (b) UV resin protection of sensing elements; (c) Prototype sealing and immersion testing; (d) Electronic schematic design; (e) MicroPython firmware development; (f) PCB fabrication and assembly; (g) Concrete casting and sensor positioning; (h) Demolding and compression testing; (i) Preliminary SHT31 sensor evaluation; (j) Internal relative humidity evolution; (k) Internal temperature evolution.
Eng 07 00107 g002
Figure 3. Disassembled prototype components: SHT31 sensor with UV-resin protection, PVC tube encapsulation, braided wiring, and PTFE membrane.
Figure 3. Disassembled prototype components: SHT31 sensor with UV-resin protection, PVC tube encapsulation, braided wiring, and PTFE membrane.
Eng 07 00107 g003
Figure 4. System schematic showing the interconnection of the ESP32 microcontroller with the I2C TCA9548A multiplexer, SHT31 sensors, and microSD module, together with the protection, decoupling, and power-control elements.
Figure 4. System schematic showing the interconnection of the ESP32 microcontroller with the I2C TCA9548A multiplexer, SHT31 sensors, and microSD module, together with the protection, decoupling, and power-control elements.
Eng 07 00107 g004
Figure 6. Instrumented concrete specimens with the embedded monitoring system. The 100 × 200 mm cylinders include a PVC-encapsulated SHT31 sensor positioned at mid-height during casting.
Figure 6. Instrumented concrete specimens with the embedded monitoring system. The 100 × 200 mm cylinders include a PVC-encapsulated SHT31 sensor positioned at mid-height during casting.
Eng 07 00107 g006
Figure 7. Mechanical testing of the concrete specimens: (a) 28-day compressive strength test performed following ASTM C39 [24]; (b) fragments of the tested specimens after failure.
Figure 7. Mechanical testing of the concrete specimens: (a) 28-day compressive strength test performed following ASTM C39 [24]; (b) fragments of the tested specimens after failure.
Eng 07 00107 g007
Figure 8. Time series of the recorded measurements during the 41 h laboratory test: (a) internal temperature and (b) relative humidity evolution across the sensor array.
Figure 8. Time series of the recorded measurements during the 41 h laboratory test: (a) internal temperature and (b) relative humidity evolution across the sensor array.
Eng 07 00107 g008
Figure 9. Dispersion metrics of the SHT31 sensor array for temperature during the 41 h laboratory test: (a) instantaneous standard deviation across sensors as a function of time and (b) histogram of the coefficient of variation, illustrating the narrow dispersion of temperature measurements within the array.
Figure 9. Dispersion metrics of the SHT31 sensor array for temperature during the 41 h laboratory test: (a) instantaneous standard deviation across sensors as a function of time and (b) histogram of the coefficient of variation, illustrating the narrow dispersion of temperature measurements within the array.
Eng 07 00107 g009
Figure 10. Dispersion metrics of the SHT31 sensor array for relative humidity during the 41 h laboratory test: (a) instantaneous standard deviation across sensors as a function of time and (b) histogram of the coefficient of variation, highlighting the higher dispersion expected under near-saturation humidity conditions.
Figure 10. Dispersion metrics of the SHT31 sensor array for relative humidity during the 41 h laboratory test: (a) instantaneous standard deviation across sensors as a function of time and (b) histogram of the coefficient of variation, highlighting the higher dispersion expected under near-saturation humidity conditions.
Eng 07 00107 g010
Figure 11. Comparison of the embedded sensor array with a laboratory reference instrument during the single-day validation test: (a) temperature measurements and (b) relative humidity measurements. Solid lines represent the ensemble average of the embedded sensors, while dashed lines correspond to the reference readings.
Figure 11. Comparison of the embedded sensor array with a laboratory reference instrument during the single-day validation test: (a) temperature measurements and (b) relative humidity measurements. Solid lines represent the ensemble average of the embedded sensors, while dashed lines correspond to the reference readings.
Eng 07 00107 g011
Figure 12. Evolution of internal and ambient temperature during the 28-day curing period.
Figure 12. Evolution of internal and ambient temperature during the 28-day curing period.
Eng 07 00107 g012
Figure 13. Early-age temperature evolution (days 0–4) during the curing period.
Figure 13. Early-age temperature evolution (days 0–4) during the curing period.
Eng 07 00107 g013
Figure 14. Ensemble-averaged thermal difference (ΔT_avg) between internal and ambient temperatures during the first 72 h, showing the hydration peak and the post-demolding temperature drop.
Figure 14. Ensemble-averaged thermal difference (ΔT_avg) between internal and ambient temperatures during the first 72 h, showing the hydration peak and the post-demolding temperature drop.
Eng 07 00107 g014
Figure 15. Evolution of internal and ambient relative humidity during the 28-day curing period.
Figure 15. Evolution of internal and ambient relative humidity during the 28-day curing period.
Eng 07 00107 g015
Table 1. Comparison of embedded monitoring approaches focusing on accessibility and reproducibility.
Table 1. Comparison of embedded monitoring approaches focusing on accessibility and reproducibility.
Technology/ApproachRepresentative ExamplesOpenness/Data AccessReproducibilityPrimary Limitation
Commercial IoT Maturity SensorsSmartRock [18], Maturix [19]Closed (Proprietary)
Access via App/Cloud only
Low
Dependent on vendor hardware/software
High cost per node; “Black box” algorithms; No raw data control.
Fiber Optic Sensors (FBG)FBG-based variants [11,20]High Precision
Raw optical signal
Low
Requires specialized interrogators and expertise
Extremely high equipment cost; fragile installation.
Academic/Custom PrototypesArduino/Rpi based [12,16]Variable
Often partial code/schematics
Medium/Low
Often lacks rigorous encapsulation details
Lack of standardization; durability often untested.
Proposed FrameworkA ESP32 + SHT31 ArrayOpen Source
Full raw data (CSV/Cloud)
High
Standard components + PVC parts
Geometric intrusion (strength reduction); requires calibration for absolute accuracy.
Table 2. Main specifications of the electronic components used in the embedded system.
Table 2. Main specifications of the electronic components used in the embedded system.
ComponentParameterValue
ESP32CPUDual-core Xtensa LX6, 240 MHz
Memory520 KB SRAM
Connectivity
Storage
Wi-Fi 802.11 b/g/n
MicroSD vía SPI
SHT31Temperature range−40 to +125 °C
Temperature accuracy
Relative humidity range
Humidity accuracy
Resolution
±0.3 °C
0–100% RH
±2% RH
0.01 °C/0.01% RH
TCA9548AFunction8-channel I2C multiplexer
Operation voltage1.65–5.5 V
Typical current~1 mA (active mode)
Supported I2C frequency
Channels
Configurable address
Interface
Up to 400 kHz (Fast mode)
8 independent I2C buses
0x70–0x77 (3 address bits)
Standard I2C compatible
Table 3. Mix design used for the preparation of 100 × 200 mm cylindrical specimens (f′c = 45 MPa).
Table 3. Mix design used for the preparation of 100 × 200 mm cylindrical specimens (f′c = 45 MPa).
MaterialPer 1 m3 of Concrete (kg)For 160 L of Concrete (kg)
Cement399.2563.88
Water175.2528.36
Coarse aggregate818130.88
Fine aggregate900143.99
Superplasticizer (polycarboxylate-based)40.64
Table 4. Ensemble dispersion metrics of the SHT31 sensor array during the 41 h laboratory test.
Table 4. Ensemble dispersion metrics of the SHT31 sensor array during the 41 h laboratory test.
VariableAverage Dispersion95% Agreement BandMean Coefficient of Variation
Temperature0.06950.13620.4647
Relative Humidity0.97321.90741.7256
Table 5. Bias, root mean square error (RMSE), and standard deviation of error for temperature and relative humidity measurements obtained during the single-day test.
Table 5. Bias, root mean square error (RMSE), and standard deviation of error for temperature and relative humidity measurements obtained during the single-day test.
SensorBias T (°C)RMSE T (°C)SD Error TBias RH (%)RMSE H (%)SD Error RH
00.15000.32800.15007.38507.75707.3850
10.20080.33230.20084.99335.67644.9933
20.07500.25270.07505.50756.08295.5075
30.07580.26860.07585.46586.00195.4658
40.12580.27380.12584.33924.86484.3392
50.00500.21500.00504.64505.28804.6450
60.14580.29240.14585.28675.82045.2867
Table 6. Peak thermal parameters derived from ensemble-averaged temperature data during the first 72 h.
Table 6. Peak thermal parameters derived from ensemble-averaged temperature data during the first 72 h.
SensorPeak ΔT (°C)Time of Peak (Hours)
22.3922.2
32.2922.0
42.5317.3
52.7917.3
62.6317.3
Table 7. Results of the compressive strength tests performed on the reference and instrumented cylindrical specimens (100 × 200 mm).
Table 7. Results of the compressive strength tests performed on the reference and instrumented cylindrical specimens (100 × 200 mm).
Cylinder 100 × 200 mmStrength (MPa)Average (MPa)Δ% Relative to Control Mean
Control 146.6647.77−2.32%
Control 249.43+3.48%
Control 347.21−1.17%
Instrumented 637.3835.92−21.69%
Instrumented 535.40−25.95%
Instrumented 334.97−26.78%
Difference (%)--−24.81% (group means)
Table 8. Comparison of methods for monitoring temperature and moisture in concrete.
Table 8. Comparison of methods for monitoring temperature and moisture in concrete.
Method/SensorAccuracyCostScalabilityLimitations
Fiber optic (FBG)Very high (±0.1 °C, ±0.1% RH)Very highLow (requires specialized equipment)High cost, complex installation
Commercial sensors (BlueRock, SmartRock, etc.)High (±0.2 °C, ±1% RH)HighMediumProprietary encapsulation, high cost
ESP32 + SHT31 (this study)Moderate (±0.3 °C, ±2% RH)LowHigh (replicable, modular)Strength reduction due to encapsulation, requires calibration
Disclaimer/Publisher’s Note: The statements, opinions and data contained in all publications are solely those of the individual author(s) and contributor(s) and not of MDPI and/or the editor(s). MDPI and/or the editor(s) disclaim responsibility for any injury to people or property resulting from any ideas, methods, instructions or products referred to in the content.

Share and Cite

MDPI and ACS Style

Molina-Almaraz, A.; Rodríguez-Rodríguez, J.A.; López-Martínez, M.d.J.; de la Rosa-Vargas, J.I.; Olvera-Mayorga, C.E.; Castañeda-Miranda, C.L.; Molina-Almaraz, M.; González-Aviña, J.V.; Olvera-Olvera, C.A. Design and Implementation of a Low-Cost Embedded Sensing Platform for Relative Monitoring of Temperature and Humidity During Concrete Hydration. Eng 2026, 7, 107. https://doi.org/10.3390/eng7030107

AMA Style

Molina-Almaraz A, Rodríguez-Rodríguez JA, López-Martínez MdJ, de la Rosa-Vargas JI, Olvera-Mayorga CE, Castañeda-Miranda CL, Molina-Almaraz M, González-Aviña JV, Olvera-Olvera CA. Design and Implementation of a Low-Cost Embedded Sensing Platform for Relative Monitoring of Temperature and Humidity During Concrete Hydration. Eng. 2026; 7(3):107. https://doi.org/10.3390/eng7030107

Chicago/Turabian Style

Molina-Almaraz, Arturo, José A. Rodríguez-Rodríguez, Manuel de Jesús López-Martínez, José I. de la Rosa-Vargas, Carlos E. Olvera-Mayorga, Celina L. Castañeda-Miranda, Mario Molina-Almaraz, José Vidal González-Aviña, and Carlos A. Olvera-Olvera. 2026. "Design and Implementation of a Low-Cost Embedded Sensing Platform for Relative Monitoring of Temperature and Humidity During Concrete Hydration" Eng 7, no. 3: 107. https://doi.org/10.3390/eng7030107

APA Style

Molina-Almaraz, A., Rodríguez-Rodríguez, J. A., López-Martínez, M. d. J., de la Rosa-Vargas, J. I., Olvera-Mayorga, C. E., Castañeda-Miranda, C. L., Molina-Almaraz, M., González-Aviña, J. V., & Olvera-Olvera, C. A. (2026). Design and Implementation of a Low-Cost Embedded Sensing Platform for Relative Monitoring of Temperature and Humidity During Concrete Hydration. Eng, 7(3), 107. https://doi.org/10.3390/eng7030107

Article Metrics

Back to TopTop