As part of the energy transition, Germany and the European Union are pursuing the goal of replacing fossil fuels with renewable sources and making the energy supply climate-neutral in the long term. The Energy Industry Act (EnWG) has created a legal environment for this. However, the transformation requires not only new energy sources, but also an efficient and flexible energy infrastructure [
1]. The increasing proportion of decentralised, volatile energy—for example from wind, solar and biomass plants—creates new challenges for the electricity transmission grid [
2]. High-voltage direct current (HVDC) transmission is a key technology for transporting large amounts of energy over long distances with reduced losses. However, the technical challenges also increase with the use of this technology. HVDC systems are subject to special operating conditions: They generate—particularly in the event of a fault in modular multilevel converter (MMC) network topologies—new types of voltages with pronounced DC and pulse components, the effect of which on equipment and, in particular, on insulating materials is not yet fully understood [
3].
A central issue is the physical gas discharge processes in insulating media, which are influenced by new voltage modes. Their description, simulation and evaluation is essential in order to understand the behavior of insulating gases under realistic conditions. In this context, the first step is to analyze the current state of research, which has produced a large number of numerical and experimental approaches in recent years, in order to derive the knowledge gaps and research motivation for this work.
1.1. Status Quo
The Boltzmann equation provides the physical basis of the kinetic theory of gases and is a central element of non-equilibrium thermodynamics, as used in the modeling of corona discharges. Four common simulation methods exist for the numerical solution of this Equation [
4]:
- 1.
Particle models
- 2.
Kinetic models
- 3.
Fluid models
- 4.
Hybrid models
Particle models solve the Boltzmann equation directly and provide a very accurate description of the plasma behavior. However, due to the high computational effort involved, they are practically unusable for large-scale HVDC applications such as overhead line systems or converter halls [
4].
Kinetic models couple the Boltzmann equation to the Poisson equation and describe energy distributions in particular under different field conditions. They are useful for calculating transport parameters, for example for new insulating gases, but are limited to local problems. They reach their limits in HVDC systems with large field strength gradients, transient overvoltages or spatially extended geometries [
4].
Fluid models are derived from moments of the Boltzmann equation and describe macroscopic variables such as density, current or temperature as a function of the electric field. These models are comparatively efficient and are suitable for applications with stationary and time-varying fields. However, they are based on local approximations such as the local field approximation (LFA) or the local energy approximation (LEA). However, the assumptions break down in the case of certain phenomena such as runaway electrons, which are accelerated by strong fields over large distances and have an effect outside the local field range. In addition, particle losses occur in the numerical solution using conventional finite element methods, which leads to incorrect space charge profiles and ion current densities [
4].
Hybrid models combine particle and fluid approaches, for example by describing the discharge front using particle simulation and the remaining area using a fluid model. Such models offer a good compromise between accuracy and computing time. However, the coupling of the two methods is numerically demanding—especially for 3D systems with complex electrode topologies [
4].
Significant progress was made in [
5] by considering higher-order models, which included not only particle density but also energy transport through the use of the LEA. Such models lead mathematically to hyperbolic systems of equations, the solution is numerically demanding. In this context problems such as numerical diffusion or instabilities with steep gradients occurred [
5,
6,
7].
A methodological improvement resulted from the development of flux-corrected transport (FCT) methods. The SHASTA algorithm by Boris and Book [
8] and its multidimensional extension by Zalesak [
9] were key contributions that were later transferred to finite element methods (FEM) [
10,
11]. The first application to gas discharges was made by Morrow, who transferred the FCT approach to the solution of the transport Equations [
12]. Morrow also analyzed the effect of external circuits and found that diffusion effects have only a minor influence on the simulation result, but significantly affect the computing time [
13,
14,
15]. The coupling of Boltzmann equation and Poisson equation for the direct derivation of transport equations was first carried out by Lin et al. in 1979 [
16], further systematic overviews were provided by Kumar et al. [
17].
Georghiou et al. were the first to combine FEM with FCT, significantly reducing the number of nodes [
10,
18]. Comparisons between model orders yielded inconsistent results: while Eichwald et al. [
19] identified advantages of higher-order models, Markosyan et al. [
4] argued that even first-order models sufficiently describe the discharge. Further hybrid approaches, such as those proposed by Li et al., combine Monte Carlo simulations in the discharge front with fluid models in the remaining domain [
20].
In 1998, Medlin and Morrow [
21] simulated a monopolar overhead line configuration under the influence of crosswinds and analyzed their numerical method with respect to the displacement of space charge density caused by this force effect. The study is limited by the monopolar setup and the assumption of a steady-state corona problem. A finite volume method is used for discretization. It is explicitly stated that numerical oscillations may occur if the stability condition is not satisfied.
Despite the advances in numerical methods for simulating electrical discharges described in the previous sections, the full-scale calculation of corona discharges in real HVDC systems still poses a major challenge. The non-linear relationship between electric field distribution, space charge and current density as well as the geometric complexity of the systems make the direct numerical solution of the underlying equation systems computationally intensive and unstable. In order to meet these challenges, various simplifying approaches have been developed.
An established method is the so-called Deutsch assumption, which assumes that the field distribution is not changed by space charge, but merely redistributed along existing field lines [
22]. This allows an efficient calculation of the space charge density and current distribution, especially for cylindrically symmetrical configurations. However, the range of validity is limited, as the mutual coupling of electric field distribution and space charge is only insufficiently taken into account—particularly in the case of bipolar or asymmetrical conductor arrangements, as occur in modern HVDC systems.
The Kaptzow assumption, on the other hand, offers a practical approach to modeling the boundary conditions at the conductor surface. Here, it is assumed that the electric field strength at the conductor corresponds exactly to the corona field strength [
23]. This procedure enables a robust and reproducible determination of the ion sources at the start of the discharge and is a frequently used input variable in numerical modeling, for example for initializing drift-diffusion models. In combination with field solvers, the Kaptzow assumption is used to iteratively obtain a consistent solution of the coupled Poisson and corona problem.
In 2002, Min and Lee [
24] used the FEM method with flux correction to investigate the transient behavior until a stationary state is reached under pure direct voltage, i.e., in a monopolar system. They analyzed a coaxial arrangement of electron, negative ion and positive ion densities without applying the Kaptzow assumption. However, the space charge density at the edge of the conductor was only modeled using an approximate Gaussian distribution.
Using a hybrid particle-in-cell method, Arruda and Lima succeeded in 2015 in simulating a bipolar corona problem under turbulent wind conditions in order to extract the ion current density [
25]. Although the scenario considered is limited to applied DC voltages, it should be emphasized that the Deutsch assumption was omitted, which contributes to a more precise model description.
An example of the numerical investigation of hybrid overhead line systems is provided by Straumann, who used the finite element method (FEM) to analyze a system in which the AC side was switched off [
26]. The aim was to evaluate the coupling effects of the DC corona current on the neighboring three-phase line. This made it possible for the first time to quantify steady-state coupling currents and determine the electric field distribution under realistic boundary conditions—an important step towards assessing the operating and protection requirements of hybrid HVDC applications. In this approach, the unknown space charge density at the conductor boundary is approximated using an iterative method. As a result, it becomes difficult to achieve a fully time-resolved solution of the system, since the boundary space charge density must be computed iteratively at each time step.
In addition, semi-analytical methods, such as the Sarma method, are also used [
27]. These methods use analytically approximated field distributions and allow a simplified calculation of the current distribution with simultaneously reduced numerical complexity. They are particularly suitable for idealized geometries and stationary conditions.
DIN 0210-9 also proposes approximating bipolar HVDC systems by the superposition of two unipolar systems [
28]. This approach is computationally efficient, but neglects non-linear coupling effects in the space charge development, which leads to limitations in validity—particularly in the case of transient processes or asymmetrical design. This effect was numerically investigated in a previous study from 2020 [
29]. A stationary bipolar overhead line system was analyzed and compared to a superimposed monopolar configuration. In this context, an initial method for optimizing the space charge density at the conductor boundary was introduced. The results indicate that the ion current is underestimated when a bipolar problem is approximated by two separate monopolar problems.
In 2021, Milan Ignjatović and Jovan Cvetić modeled corona discharge under a transient negative lightning impulse voltage without any superimposed DC component [
30]. They applied a drift–diffusion–reaction model in coaxial geometry, solving continuity equations for charged species coupled with Poisson’s equation to capture the spatiotemporal dynamics. Their results showed that corona charge accumulates even as the voltage decreases, with detailed analysis of transient current and charge–voltage behavior during the impulse.
In 2024, Zogning et al. used a 2D finite-element plasma-fluid model to study corona discharges on polymer insulators [
31]. While no new numerical methods were developed, an established modeling approach was applied specifically to the air gap along insulator surfaces. The study showed how space and surface charges influence the electric field distribution and confirmed that grading rings effectively reduce field peaks and suppress discharge activity. Notably, the simulations were performed under pure DC voltage conditions.
1.2. Research Gaps and Objectives
Despite the range of existing studies, key aspects of the physical modeling and numerical implementation remain unresolved. Based on the current state of research, several gaps can be identified, forming the foundation for the present work:
- 1.
Unknown space charge density at the conductor surface: This boundary condition acts as the starting point of corona discharge and typically requires iterative adjustment using conventional approaches (e.g., the Kaptzow assumption). This leads to high computational cost and complicates fully time-resolved modeling.
- 2.
Lack of numerical methods for accurately capturing transient voltage stresses: There is currently no robust and efficient method for modeling systems under rapidly changing voltage conditions or impulse excitations with sufficient stability and resolution.
- 3.
Insufficient modeling of superimposed voltage waveforms (DC + impulse/AC/DC coupling): Complex voltage excitations combining DC, AC, and overvoltage components are not adequately represented in existing simulation approaches.
- 4.
Absence of fully time-coupled modeling for bipolar AC/DC systems: There is a lack of consistent numerical frameworks for simulating systems with both positive and negative space charge densities under alternating field conditions in a fully time-dependent manner.
- 5.
Need for extended experimental validation for superimposed overvoltage waveforms: Existing measurement concepts must be enhanced to isolate the transient ion current. This requires separating and calibrating out the displacement current, which is typically measured simultaneously.
The primary objective of this work is the development of a time-resolved simulation and validation framework for bipolar corona discharge systems under complex, superimposed voltage conditions. In particular, the aim is to enable accurate and computationally efficient modeling of space charge dynamics, especially at the boundary of high-voltage electrodes, and to scale the validated method from laboratory conditions to large-scale high-voltage direct current (HVDC) applications.
To achieve this, the first moment of the Boltzmann equation is coupled with Poisson equation to describe the time-dependent advection problem governing charge transport. Due to the requirement of particle conservation, a discontinuous Galerkin (DG) method is employed, incorporating a Lax–Friedrichs numerical flux for stabilization and flux correction. A key novelty lies in the instantaneous enforcement of the unknown space charge density at the conductor boundary: instead of iterative adjustment, the boundary condition is formulated as a constrained optimization problem and solved using Lagrange multipliers.
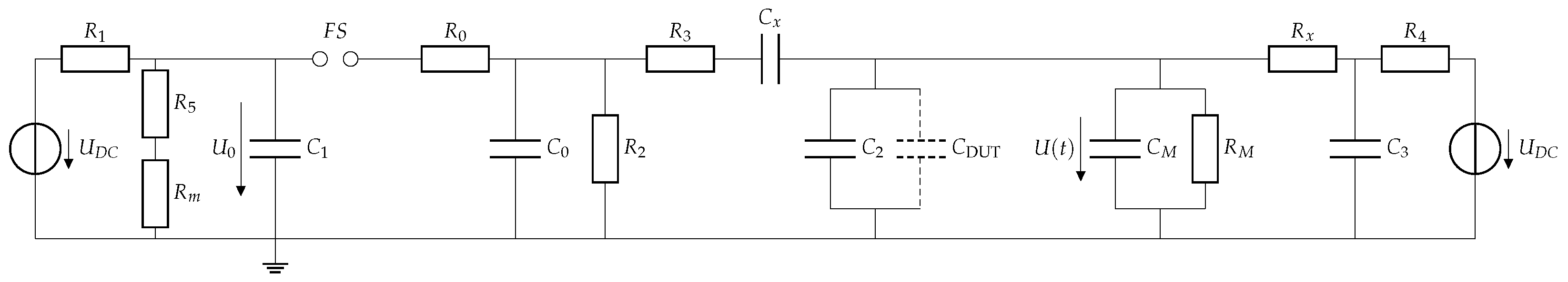
The modeling framework is validated at small scale through laboratory experiments, where the transient ion current resulting from superimposed voltage waveforms (DC, impulse, AC/DC coupling) is measured and analyzed. Characteristic figures of merit are defined to quantify the ion current impulse behavior.
Following validation, the framework is scaled and synthesized for realistic HVDC geometries and dimensions. The final step involves an assessment of the method’s suitability and performance for large-scale applications.
This work contributes a novel numerical-experimental approach for corona discharge modeling by:
Introducing an optimization-based boundary condition treatment for space charge density,
Applying a conservative DG scheme to the coupled PDE system in a time-resolved manner,
Validating transient ion current behavior under mixed voltage stress, and
Bridging the gap between experimental-scale modeling and application-relevant HVDC system dimensions.
To address the outlined research objectives and close the identified gaps, an advanced and robust numerical framework for transient electrohydrodynamic discharges is developed in the following chapter. This includes the mathematical formulation of the governing equations, the chosen numerical discretization techniques, and the strategy for experimental validation. Each component is designed to ensure consistency between physical modeling, numerical stability, and practical applicability.