Next Article in Journal
Mechanical and Thermal Properties of Polyurethane Composites Reinforced with Giant Reed Fiber (Arundo donax) and Recycled Post-Industrial Polyurethane
Previous Article in Journal
Mapping the Sustainability-Resilience Nexus: A Scientometric Analysis of Global Supply Chain Risk Management
 
 
Font Type:
Arial Georgia Verdana
Font Size:
Aa Aa Aa
Line Spacing:
Column Width:
Background:
Article

Design and Structural Analysis of the Modular Post-Tensioned Steel Structure for Halls 3, 4 and 6 of Fira de la Gran Vía in Barcelona

by
Ignacio Costales Calvo
1,*,
Oriol Muntane i Raich
1,*,
Xavier Gimferrer Vilaplana
1 and
Sandra Moliner Nuño
2
1
Department of Architectural Technology, ETSAV-UPC, 08173 Sant Cugat, Spain
2
Department of Architectural Representation, ETSAV-UPC, 08173 Sant Cugat, Spain
*
Authors to whom correspondence should be addressed.
Eng 2025, 6(12), 358; https://doi.org/10.3390/eng6120358
Submission received: 4 November 2025 / Revised: 3 December 2025 / Accepted: 4 December 2025 / Published: 8 December 2025

Abstract

This article presents the design process and structural analysis for Halls 3, 4, and 6 commissioned by Fira de la Gran Vía in Barcelona. Its objective is to document the complete development of a real structure—from the initial briefing to final execution—highlighting key decisions related to cost, quality, construction speed, and standardization. Rather than simply describing the finished building, the article compares alternative solutions considered at each stage and explains the rationale behind the choices made. Close collaboration between the architectural and structural teams has resulted in a cost-effective solution that has remained relevant twenty-five years after completion. Each structural component is examined in detail, considering its behavior, preliminary sizing, fabrication, transportation, and rapid on-site assembly, all essential under the client’s demanding schedule. It also describes how specific structural details were resolved under project constraints, including instances that required unconventional approaches. Finally, it discusses the role of prestressed longitudinal frames as a strategy for reducing steel consumption. This article underscores the value of integrated architectural and structural thinking in shaping the building from the ground up.

1. Introduction

Fira de Barcelona is one of Europe’s leading trade-fair institutions, organizing more than 270 events a year—ranging from trade shows and congresses to corporate gatherings—that attract around 30,000 companies and 3 million visitors from over 200 countries. As for its structure, Fira de Barcelona operates as a public consortium, jointly owned by the Barcelona City Council, the Catalan Government, and the Barcelona Chamber of Commerce, yet managed independently with a business-oriented approach. It runs three major venues in the city, namely, Montjuïc, Gran Via, and the Barcelona International Convention Centre (CCIB), covering over 500,000 m2, and from 2025, it will also manage the Circuit de Barcelona-Catalunya, further diversifying its activities.
Fira de Barcelona (https://www.firabarcelona.com/es/ accessed on 3 December 2025) was, until around 1998, limited to the area surrounding Avenida Maria Cristina. This site incorporates much of the infrastructure originally constructed for the 1929 International Exhibition [1,2] and has remained in continuous operation since the company’s establishment in 1932. The original buildings span a substantial area, from the Venetian Towers [3] to Passeig Jean Forastier, covering approximately 15.3 ha of exhibition space.
Over time, Barcelona expanded southwards [4], and what had once been the city’s outskirts—framed by Montjuïc Mountain, Poble Espanyol [5,6] and numerous industries, many of them textile—gradually transformed into a new urban center. This area came to include the Plaza de España railway station [7] (1926), the Las Arenas bullring [8] (1900), and, later, various hotels, such as Catalonia Plaza [9] (1993), serving not only the Fira de Barcelona but also the nearby Sants station and the city of Barcelona at large. Several office buildings along Avenida de Tarragona, along with La Caixa’s project at Casa Ramona [10,11] (2002), which became the first CaixaForum in Spain, and the conversion of the Las Arenas bullring into a shopping center [12,13] (2011), helped define this edge of the city. Despite these changes, Barcelona has long constituted an almost impenetrable barrier between Poble-sec and Sants, affecting daily life for local residents [14,15].
In 1993, Fira 2000 S.A. was established to begin relocating Fira de Barcelona to its new site, situated between Avenida de la Zona Franca, Carrer del Foc, Carrer de les Ciències, and Avenida de Joan Carles I. In 1995, the first pavilion—now referred to as Nave 2—was constructed near the junction of Carrer del Foc and today’s Joan Carles I Avenue. It is a 60 m span nave with a prefabricated concrete roof that is not included in this article and was designed by the Catalan architect Joan Busquets [16]. Its dimensions are approximately 319 m × 97 m and initially housed small exhibitions with limited capacity. Its large nave has a span of 69 m. This project marked the first step in shaping the site as it is recognized today, later altered through a renovation commissioned to the renowned Japanese architect Toyo Itō [17], who was entrusted with designing a unifying intervention linking all the buildings [18,19].
The structures now known as Naves 3, 4, and 6—shown in Figure 1 and originally designated as Naves 2, 3, and 4—were designed by architects Ramón Farrè-Escofet and Isidre Vinyes-Llebot of the firm then called Projectes Urbans Farrè Escofet i Associats S.L. These buildings correspond to the second and third phases of the relocation of Fira de Barcelona pavilions from the Montjuïc fountains to their current site at Fira de la Gran Via. The exhibition area developed during these phases extends over approximately 10.9 ha. Hall 3 was inaugurated in 2001, followed by Halls 4 and 6—the third phase of expansion—in 2005. Subsequent phases integrated these halls with new facilities and introduced several office buildings, which lie beyond the scope of this publication. Today, the Fira de Barcelona complex occupies a total area of 410,000 m2, with a gross exhibition surface exceeding 24 ha., and ranks among the most prominent trade fair venues in Europe.
Hall 3 is the primary focus of this article. However, it is worth noting that phases 2 and 3 were complemented by additional structures, including Hall 2.2, an extension of Hall 2, as well as the Nexus 1 and Nexus 2 buildings located between exhibition halls, a lobby building, a changing-room facility, several underground parking structures, and service galleries for utilities. Altogether, the intervention described in this article occupies approximately 430 m2 × 370 m2, corresponding to a site area of about 141,000 m2.
This case study has been developed into a research article that outlines how the drafting team reached consensus among architects and consultants even before basic calculations began. It explains the basic preliminary calculations that informed the structure’s materiality, followed by the calculation models used and the optimization process that led to the final construction documents. This article then turns to the construction site, discussing several key solutions, and concludes by highlighting the use of transverse prestressing in the beams as a cost-reduction strategy, made possible because the maximum allowable deformation of each module was very limited.

2. General Description of the Structural Layout and Its Sizing

The Catalan firm Robert Brufau i Associats S.A. was responsible for the structural design of the Nave 3 project by Projectes Urbans Architecture, under the direct supervision of Dr. Robert Brufau i Niubó [20,21]. Construction works were developed by Dragados, prior to its merger with ACS [22]. This article addresses the design process and the subsequent construction of the structural module, which is repeated up to 16 times, including adaptations used to close the terminal ends of the building.
The structural unit—hereafter referred to as the TYPE MODULE—initially measured 103 m2 × 49 m2 and was later slightly adjusted in each hall to align with the roadway layout. The roof reaches a height of 15 m across most of its span, interrupted only occasionally by metal structural elements. At the midpoint of each type of module, a 13 m2 × 13 m2 central area rises more than 4 m in height. This central square accommodates four reinforced concrete pillars, each 800 mm in diameter, which not only partially obstruct natural light but also support two floors intended for technical installations with high live-load requirements.
To support the roof of the typical module [23], a structure with a span between supports of 103 m, was initially proposed. The warehouse measures 103 m × 390 m, with the shorter 103 m side corresponding to what is subsequently defined as the LONGITUDINAL FRAME. A 103 m span without central supports would have been structurally ambitious. The first—and perhaps most important—design decision was to recognize that introducing one or two central supports would substantially reduce costs while preserving the required functional flexibility for the warehouse. Each kg/m2 reduction in structural weight yielded a saving of €88,827, calculated based on 8 modules × 49 m × 103 m × 1 kg/m2 × 2.2 €/kg [24,25], according to year-2000 prices. Considering a span-to-depth ratio of L/15, a beam without central supports would require trusses nearly 7 m deep, demanding large cross-sections to satisfy slenderness requirements for the least-stressed elements. Furthermore, this would result in a simply supported element with substantial reaction forces, which would also have to support two slabs at midspan.
The decision to place two supports at the midpoint—creating a 45 m–13 m–45 m module rhythm—effectively generated the equivalent of a 45 m span pinned–fixed beam. The central 13 m segment, as shown in Figure 2, prevents the negative moment from reversing at the hall’s midpoint. Therefore, comparing a 103 m simply supported beam with a 45 m span pinned–fixed beam produces the results summarized in Table 1.
In Table 1, it should be noted that the calculations contain small approximations that do not diminish the validity of the comparison. The analysis assumes a unit beam width; thus, any increase in width would proportionally increase the calculated values. A unit load condition is also considered, meaning that higher loads would scale the results accordingly. However, the self-weight of the steel structure would naturally be greater in the first configuration than in the second, thereby accentuating the differences and further improving the efficiency of the shorter-span solution. Regarding the differences shown in the last column, the 45 m beam configuration reduces the bending moment by approximately 81 percent compared to the 103 m beam configuration, the required moment of inertia by 97 percent, and the indicative structural depth by 66 percent. As steel cost is derived from these parameters, the design can be considered appropriate if the final steel weight remains within a reasonable range—typically between 30 and 80 kg/m2 [26] according to literature and professional experience, or even lighter for roofs intended solely for maintenance access [27]. Finally, it is worth noting that greater structural depth would reduce the interior clearance of the nave or, alternatively, increase façade height. Consequently, the overall economic advantage of the 45 m solution is even greater. Another feasible option would have been to divide the 103 m span into three equal segments of 34.3 m, at the expense of a slightly larger central span.
Once it was determined that a span of approximately 45 m could accommodate the required exposure types, a module repeated every 49 m was adopted to arrange the structural modules on site while satisfying architectural constraints. In the transverse direction, the spans adopt a 36 m–13 m–36 m–13 m rhythm, producing column-free areas of 103 m × 36 m or 45 m × 390 m. The next step was to determine the optimal way to cover each module transversely—hereafter referred to as the TRANSVERSE FRAME. The space required central lighting as well as a smoke-venting system for fire safety. A designated smoke vent every 49 m was considered sufficient. Natural lighting requirements were minimal since these warehouses require little daylight. The space above the roof plane was required to remain fully open and free of obstruction. Structural elements were intentionally kept clear of the skylight—which serves as a smoke vent [28]—to minimize fire exposure.
A system of symmetrical, industrially adaptable cantilevers with a span of 11.8 m on either side of the 13 m central space was adopted, resulting in an 11.8 m–13 m–11.8 m configuration. The remaining 12.4 m, up to 49 m, accommodates the central skylight. Figure 3 shows a planar analysis of the transverse frame, indicating that the lower fibers are in compression along the entire span. Consequently, when converted into a truss, transverse bracing is required to prevent local buckling. The skylights were designed with simple frames; since these are shorter-span elements, their behavior is discussed later in the calculation section.
The final decision concerned material selection. Steel framing is widely recognized as the most suitable solution for large-span structures, due to its high structural performance, minimal need for temporary supports or scaffolding, and ease of assembly. However, it is vulnerable to fire exposure. (It is known that steel can withstand fire up to approximately 500 °C without significant mechanical changes. An accidental fire is roughly equivalent to any situation at the serviceability limit state (SLS) or ultimate limit state (ULS). However, above this temperature, steel loses strength and its Young’s modulus is excessively reduced, causing large deformations and therefore collapse.), making the profile geometry—commonly referred to as “massiveness”—a critical design parameter. Because the structural elements were left exposed, intumescent paint was required. The higher the fire-resistance rating (in minutes), the larger the necessary cross-sectional area and the thicker the intumescent coating. To reduce the thermal exposure on the roof, CFD simulations [29,30] were conducted, showing that at a minimum height of 15 m, the roof could achieve an R-30 fire rating. This approach significantly reduced the amount of steel and intumescent coating required, thereby lowering overall costs. However, structural elements up to 9 m in height were required to achieve 90 min of fire resistance, based on several factors: proximity to potential heat sources, the strategic location of emergency exits, and the nearby fire station, which ensures rapid response thanks to the automatic detection systems in these warehouses. It is assumed that if a fire originates approximately 1 m above floor level, the heat mixes with ambient air and dissipates as it rises—provided there is no physical barrier, such as an unvented roof, to trap it.
Another key design factor was ensuring structural stability against accidental impacts, such as collisions from low-speed maintenance or material-handling vehicles operating within the Fira de Barcelona complex. Reinforced concrete was specified up to a height of 9 m to ensure fire resistance through calibrated protective coatings that meet minimum code requirements. Each standard module comprised eight primary supports, supplemented by secondary supports along the façades. This arrangement limited the initial use of concrete to these key elements, while other buildings in the complex employed it more extensively. The construction sequence allowed reinforced concrete elements to be erected first, while the steel structure was prefabricated in the workshop, significantly reducing on-site construction time.
The longitudinal frame was designed as a Warren-type truss girder [31], selected because it provides a more architecturally expressive form than other common truss types such as Pratt or Howe, which are frequently used in industrial buildings. For the transverse frames, a lighter Warren girder was also adopted, repeated at every third triangle of the longitudinal frame’s filler bars. This approach is further justified by the limitation that the roof sheets could span no more than 5 m.
Other essential elements—such as the wind beams, façades, and counterbalanced cantilevers—require only brief mention at this stage, as their detailed behavior is addressed later in the calculation section. These include the wind beam, the façade, and the counterbalanced cantilever.

3. Materials and Methods: Structural Calculation Process

In the previous section, the components of the Structural Type Module [32] were described. Two additional steps precede the structural outline: first, a preliminary sizing of each element; and second, the final 3D calculation. From this point onward, it becomes evident that the outcome clearly reflects a strong integration between architecture and structure—a synergy that has historically yielded excellent results, as illustrated in 18 Years with the Architect Louis I. Kahn [33] and, more broadly, in Architects + Engineers = Structures [34]. The program used was Robot v6 by RoboBAT, which at the time operated only on MS-DOS.

3.1. Pre-Dimensioning

Longitudinal Frame. As mentioned previously, a depth of 3 m was initially considered sufficient for this truss girder [35]. However, the stringent deformation limits imposed by its slope and the gravity-based drainage system (Geberit, which did not permit excessive deflections that might compromise capacity) necessitated the addition of a lower reinforcement chord. The design of this lower chord was based on the moment diagram shown in Figure 2, which displays three parabolic segments separated by two zero-moment points near the central double support. These points arise from the two pillars spaced 13 m apart. Because this new chord was not laterally braced by the transverse frames—and given the almost flat roof—the reinforcement was positioned below the lower chord of the Warren truss. The maximum vertical offset was set at 1500 mm, resulting in a maximum distance of 4500 mm between the axis of the upper chord and that of the new lower chord.
The first and third spans of the truss are subjected to tension, while the central 13 m span between the pillars is in compression and therefore requires stabilization. Vertical uprights are provided to achieve this: under tension, they act as deflectors, while under compression they serve as transverse stabilizers for the compressed chord. During the detailed design phase, the option of maintaining the central reinforcement above the roof (i.e., in tension) was considered [36]. This decision was ultimately discarded to avoid interrupting the roof at the nave’s center, which could have caused water infiltration. It should be noted that each longitudinal frame supports a tributary width of 24.5 m, which also justifies the increase in depth from 3 m to 4.5 m.
To refine the geometry, the lower chord of the 13 m central span was divided into 6 sections, resulting in triangles measuring 2.1666 m. Extrapolating this pattern to the full 103 m span results in approximately 48 triangles, thereby establishing the geometry of the longitudinal frame, shown in Figure 4. The frame is planar and predominantly composed of double-T (open) profiles, except for the lower extensions, which are designed as closed tubular steel sections in the final project.
Transverse Frame. The compressed lower chord was stabilized using its own geometry, which led to the adoption of a multi-plane structure. Its intersection with the longitudinal frame forms a triangular configuration, while the cantilever supporting the skylights terminates in an edge. Thus, the intermediate section assumes a trapezoidal shape, as the lower chord forms a V-shaped geometry. Between the two frames of each structural module, a multi-plane beam was included, which in this case maintained a constant triangular section. The upper chords were designed with HEA cross-sections to reduce costs and facilitate the support of the roof sheeting. The remaining elements consist of small-gauge tubular sections, emphasizing the contrast between the heavier longitudinal structure and the lighter transverse frame. This distinction was expressed architecturally: the longitudinal chords were finished in dark gray, while the transverse chords were painted nearly white. The resulting geometry is shown in Figure 5.
Skylights. The formal design of this seemingly simple element derives directly from the shape of the beam’s bending-moment diagram. As the element required a central mechanical vent, it could not remain flat. This is also where natural light enters, providing the minimum illumination needed for a pavilion of this type. Accordingly, a frame was introduced, consisting of two inclined pillars—one in each of two consecutive structural modules—and a triangulated, half-moon truss that replicates the bending moment diagram of a two-span pinned beam. The frame is arranged with spacings of 2.16 m, spacings of 2.16 m, 4.32 m, 2.16 m, and 4.32 m.
In areas where the skylight does not reach the façade, a full-web, variable-section beam is used, with its maximum depth at midspan. This geometry ensures that the roof sheeting is fully supported by the upper flange, while the lower flange remains flat. The final configuration is shown in Figure 6.
Ventilation and Support Cores for the Longitudinal Frames. The galleries—not discussed in this article—required both ventilation and emergency exits. At the same time, the longitudinal frames had to be supported to carry a load of approximately 150 t, specifically using a sliding support parallel to their plane to mitigate thermal effects. Additional smaller supports at various heights and positions were also required, including wind beams, counterweighted frames, and entrance lattices.
Two pairs of 200 mm-thick concrete towers were positioned on each façade. At the outermost vertices, the corners were solidified to facilitate formwork and enhance structural strength, as all previously described forces converge at these points across different heights. The ventilation cores rise to the full façade height, reaching 12.7 m. Each core includes an emergency exit through a door integrated within its walls. Access to these cores also required structural support from one of the gallery walls.
Counterbalanced and Access Frames. Between each structural concrete triangle and its adjacent one, two façades are formed: a shorter 13 m entrance façade and a longer 37 m enclosing façade. Around the entire perimeter of the warehouse, a cantilever extends approximately 6.2 m at a height of +9 m.
To support this cantilever, a counterbalanced structure was adopted for the long façades, conceptually similar to that of a construction crane. Inside the warehouse, another cantilever was built to serve as a service walkway, with an overhang of 2.8 m. This internal structure consists of a 160 mm-thick composite slab enclosed by two sheets—an upper layer forming the roof and a lower layer closing the ceiling below.
Permanent loads could be balanced; however, the variable loads could not. No interior paving was provided, but an allowance of 1 kN/m2 was considered. Externally, non-concurrent live loads of 0.40 kN/m2, a snow load of 0.40 kN/m2, and wind pressure or suction were applied. All load cases were analyzed in accordance with current regulations, resulting in deformations in both directions. This range of deformations determined the required counterweight: the structure was designed to remain as close to horizontal as possible under no additional loads. The deformations were therefore estimated at +/− 15 mm. The frames were fabricated from steel, quality S-275-JR (A44b), using HEB-200 sections forming full-web beams spaced at 4 m intervals. Inside is an HEB-200 frame embedded concrete, creating a slab of uniform thickness that appeared relatively thin when viewed from inside the warehouse. The frames were supported by two central pillars, with their ends pinned to facilitate sliding and to accommodate an expansion joint within the ventilation cores. A rectangular tubular steel beam was placed atop the pillars to allow exposed beams to be welded together, reinforced with handrails and a plate bridge.
Everything described above is illustrated in Figure 7. A Pratt-type lattice was installed on the access frames, reinforcing the idea of entry from the exterior. This element is not discussed further, as it is relatively straightforward.
The cantilever has a double slope: the upper surface directs water outward so that, if downspouts cannot drain accumulated water, it spills off as a “water curtain,” preventing infiltration or ponding that could increase the loads and risk collapse. At the cantilever’s edge, a continuous water-collection channel is provided, hidden from street view. The lower surface, which supports the false ceiling, slopes inward, ensuring the downspouts—located between the false ceiling and the roof sheeting—are fully integrated within the cantilever.
Wind Roof Frames and Façades. Above these frames, small rectangular tubular pillars (RHS-120 × 80 × 5 mm) were installed every 2 m to support the façade cladding. These pillars both carry the façade and provide stability against wind loads acting on the roof plane. To this end, a wind beam was designed, consisting of two planes continuing the roof slopes, spanning 3 m and fully triangulated. This beam connects two modules, with the joints defined as expansion joints featuring a groove parallel to the façade plane.
The structure was then defined and organized, and a calculation model was required.

3.2. Executive Project

Main Hall. A 3D bar model was developed to perform structural calculations. In 1999, computers and software were far less capable than they would become just a decade later. The images attached to this article were imported into Autodesk Robot 2024 [37,38] under an educational license; the article explains the procedures originally carried out using the program’s official license.
Although the model was highly complex for its time, though comparatively simple by today’s standards. It consists of 2088 bars and 862 nodes. To streamline the analysis, the skylights and façades were omitted; their structural effects, however, were accounted for by applying the corresponding loads.
The roof loads have already been described. For the two floors above the central area, the applied loads were 2.5 kN/m2 for the floor self-weight, 0.80 kN/m2 for additional dead loads, and 5.0 kN/m2 for live loads. The final calculation model is shown in Figure 8. The structure is supported by only 8 supports—four central supports on the foundation and two at each end on the structural concrete ventilation cores.
Counterbalanced Cantilevers and Wind Roof Beam. The second model included the concrete façade up to level 6, the counterbalanced structure, the steel frame supporting the façade, and the wind-bracing beam above. As shown in Figure 9, vertical stabilization of the wind-bracing beam required placing supports to transfer the load to the first transverse frame; this detail is explained further below. This model comprises 122 nodes and 235 bars.

4. The Expansion Joint

The expansion joint was defined on the façades, specifically in the tubular steel beam—explained later—and in the wind beam. Its behavior at the roof level was initially uncertain, as these joints were positioned adjacent to the ventilation cores, where the longitudinal porches were supported. The expansion joint extended along the wind beam in the roof plane in the areas without skylights; elsewhere, the joint was entirely omitted. Thus, a longitudinal section along the central axis of bay 2 reveals a continuous structure approximately 400 m long, without any expansion joints. This approach prevents potential rainwater ingress, as movement in the building occurs mainly at the joints—which are typically points of water entry. Yet the question remains: can a building of such length function without expansion joints? The solution draws on a principle commonly used in mechanical installations, such as long, straight hot water pipes in air-conditioning systems, which may experience thermal variations of up to 100 °C between cold and fully heated states. Since the pipe is made of steel, its thermal elongation can be determined from its coefficient of thermal expansion, α = 0.000012 °C−1 and its length:
L = L 0 · α · T
In this case, the temperature variation was estimated at +/−25 °C over a length of 450 m [39]. According to Formula (1), this corresponds to a total elongation of +/−1.35 m—a clearly unacceptable figure. In piping systems, this issue is resolved by incorporating expansion loops, or “lyres” [40], which absorb deformation through their geometric configuration. Once it was determined that the skylights could not be supported by a rigid frame due to the complexity of the detail, the support inertia was deliberately minimized. Two HEB sections with the lowest inertia were positioned in the frame plane to create flexible supports. In addition, the pillar bases were articulated at the transverse frame supports to further reduce stiffness, while the half-moon truss geometry ensured the lattice girder transmitted minimal moment to the pillar tops. A thermal analysis over the 450 m span confirmed that stress increases were negligible, validating this approach.
The discussion above refers to the thermal expansion in the direction of the transverse frames. As noted earlier, expansion along the longitudinal frame was managed with a reinforced neoprene bearing functioning as a sliding support.
It should also be noted that the roof could be exposed to high temperatures in the event of a fire [41,42]. Although the structure was only fire-protected for 30 min [43], the deformation caused by a 500 °C temperature rise was calculated. While the roof would not fail in tension under such accidental conditions, it could potentially collapse if left unsupported. The same formula was applied, this time for a temperature of 500 °C, and it was concluded that the structure would remain stable in both directions, as the end deformations would not cause the supports to disengage from their brackets. Figure 10 below shows the detail of the expansion loops (‘lyres’) formed by the continuous sequence of cantilever, skylight, and cantilever.

5. Final Structural Organization and Adjustment of the General Module at the Ends

Hall 2 did not comprise a whole number of modules, requiring a tailored solution for each façade. At one end, superelevated full-web beams—the same as those used in skylight-free areas—were installed and supported by standard pillars, consistent with the other façades. This intervention is relatively straightforward. However, in the area closest to Gran Vía, the cut occurred within one of the longitudinal frames, leaving only a cantilever spanning three transverse-frame bays. As a result, the structure became destabilized, showing a pronounced tendency to overturn. To counteract this instability, the adjacent changing-room building acted as a counterweight. Although its structure is unbraced, its short-span solid-slab floors ensure stability in both longitudinal and transverse directions. Composite pillars were installed in areas where the pillars were subjected to tension. The foundation was designed for both scenarios—with and without the cantilever—anticipating the possibility that the nave might be removed in the future while keeping the building intact. The structural system described thus far is illustrated in Figure 11.
The structural calculations for the final project, the roof load—excluding pillars and façades—was closed in a quantity of steel of 55 kg/m2. As will be detailed later, this quantity was reduced to 50 kg/m2 during the construction phase, introducing prestressed forces. This amount is relatively low for a lightweight roof spanning 45 m in one direction and 37 m in the other. Based on the 2000 prices referenced in this article, this corresponds to a material cost of approximately €110/m2.

6. Construction Phase

For the assembly process the following decisions were adopted, as described below:
Concrete Pillars. The concrete pillars were poured in a single operation to avoid a two-stage process. To achieve this, the formwork was braced with guy wires and props at two heights, and the concrete was poured using a hopper to prevent material collapse from significant heights. A plate was placed at the top of each pillar to facilitate bolted connections with the uprights of the main longitudinal frame.
Main Longitudinal Frame. The main longitudinal frame was to be assembled in three sections, with two symmetrical joints located approximately at the point of zero bending moment. Assembly began with the central section, which took priority, as the adjoining sections could not be installed without it.
The two intermediate sections of the main frame were assembled on the ground, joined to the adjacent triangular pieces in this area, together with the two joists supporting the slab, the pre-laid corrugated-metal decking, reinforcement, concrete, and the upper roof structure. Fall-protection elements were also pre-installed. This approach minimized work at height and reduced the risk of potential accidents. The entire assembly was then hoisted using a pair of mobile cranes; with the assistance of four mobile platforms, the lifting operation could be completed in just a few minutes. The objective was to hoist the five standard modules in a single day, optimizing the efficiency of the two cranes. Notably, no major accidents occurred during construction. All of the aforementioned assembly work was carried out on the ground prior to hoisting, except for the concrete pouring, which had to be performed at height due to its weight and the need for more powerful—and less readily available—cranes. The lifting process is shown in Figure 12.
Ventilation Cores. The ventilation cores were assembled using continuous interior and exterior formwork. This work was carried out prior to the installation of the truss-girders ends but could also follow the assembly of the pillars and central sections of the longitudinal frame, which house the supply, return, and general installations. Each module included three openings and could represent a potential critical path, as the foundation, gallery, and core had to be completed before any metal elements could be supported. The central pillars were not supported by the gallery. Figure 13 illustrates the formwork closure process.
Transverse Frames and Cantilevers. The cantilevers of the transverse frames were only assembled once the longitudinal frames were fully positioned and braced by the central sections of the triangular transverse frames. Once the two longitudinal frames were completed, a triangular module was promptly installed at each end to stabilize the still-unconnected beams.
The transverse cantilevers were installed progressively by bolting them to the flanges of the main truss chords. A layer of paint was applied at each joint to ensure proper friction at the junction [44]. With the aid of two aerial work platforms, a transverse-frame cantilever could be positioned in just ten minutes. The bolted joints were then checked.
The skylights, together with the remaining substructures, were bolted last. Roof sheeting, insulation, and sound-absorbing lower sheeting were installed after completion of the entire structure.
Figure 14 shows the hall in a very advanced stage of construction.

7. Post-Tensioning of the Main Beam On-Site

During the construction phase, an effort was made to reduce the amount of steel used in beams in order to lower the overall project cost. However, as the project was developed under tight time constraints prior to tendering, it was challenging to identify alternative solutions capable of achieving substantial cost savings. Consequently, a proposal was made to prestress [45] the beams of the main portal. Prestressing has long been a common solution in reinforced concrete since Eugène Freyssinet pioneered its development in the mid-20th century [46], but it is far less common in steel lattice girders [47], since steel performs equally well in compression and tension, with sections typically operating close to their allowable stress limits. The same does not apply to concrete: while the maximum allowable compressive stress of concrete is typically around 30 N/mm2—only about 10% of its tensile strength—rolled structural steel easily reaches 275 N/mm2, and prestressing (high-strength) steel approximately 1000 N/mm2. Consequently, the strength ratio between concrete and prestressing steel is approximately 33, compared with only 3.6 between structural steel and prestressing steel. Therefore, it would be illogical to over-compress concrete in order to reduce tension in steel that is 3.33 times stronger, has a smaller cross-section, and is more expensive. However, in large-span beams where deformation governs the sizing of truss members and elements operate at relatively low efficiency, this reserve of strength can be leveraged to reduce the amount of steel required.
In prestressed concrete, standardized solutions are widely available in commercial catalogs; for steel, however, there is no standardized or widely accepted method to address this issue. The operation resulted in an estimated saving of approximately 5 kg/m2 of steel. This figure may seem anecdotal and insignificant, but if we recall the figure mentioned at the beginning of this article—where each kilogram per square meter represented approximately €90,640 in 2002 for Warehouse 2 alone—we quickly realize that it corresponds to a saving of €1,359,600 for the three warehouses, approximately €2,700,000 in today’s terms. This figure already includes the additional cost of the added active steel and its terminals. Further information on both active and passive terminals can be found in the details section. Only the first and third spans were post-tensioned, leaving the central span—subject to negative thermal effects—without additional active reinforcement.
To determine the acceptable weight per square meter for a metal structure, many factors must be considered [48,49,50,51]. The most critical include required fire resistance, span between supports, load conditions, structural typology and continuity, type of sections, type of roofing sheet, and exposure to wind or snow. Therefore, finding a formula that provides a correct answer with eight or more variables is not easy. It is also known that for smaller spans, the reinforcement ratio is linear, but when spans exceed 25 m, the ratios increase non-linearly. There are unproven rules of thumb that work well for lightweight buildings [52,53,54]:
There is a great deal of specialized literature that attempts to address this value, although the most successful guidelines are those found in publications not supported by an ISBN or a DOI: manufacturers’ guides, undergraduate theses, etc. Table 2 shows that, in our project, the quantities should be between 60 and 80 kg/m2.
In the executive project, the longitudinal beams had a weight impact of 26.5 kg/m2, while the transverse frames had a weight of 16.00 kg/m2. The transverse frames could not be reduced because they were already very tight, while the longitudinal ones, as has been said several times, had margins because they were dimensioned by deformation; the figures obtained can be reviewed in Table 3. HEM and HEB family sections were used in the execution project, and were also finally changed to IPN, IPE, and HEA cross-sections. Specifically, the introduction of circular plates described above, which allowed for a reduction in the gauge of the profiles, was largely responsible for this reduction after applying the effect of prestressing.

8. Process of Defining Key Details

It is important to start this section by noting that every design decision regarding a detail had a direct impact on both the structure and the workshop fabrication of hundreds of nodes [55]. For instance, adding two stiffeners to the joint between the upper HEA chord of the transverse beams, to prevent web buckling, transformed a seemingly simple design decision into a substantial fabrication task: 2 stiffeners × 2 cantilevers × 2 chords × 4 joints × 13 frames × 6 modules = 576 stiffeners per bay, requiring an additional 115,200 mm of weld bead. After converting everything into a standardized system, it became necessary to restore rigor in the definition of the details [56].
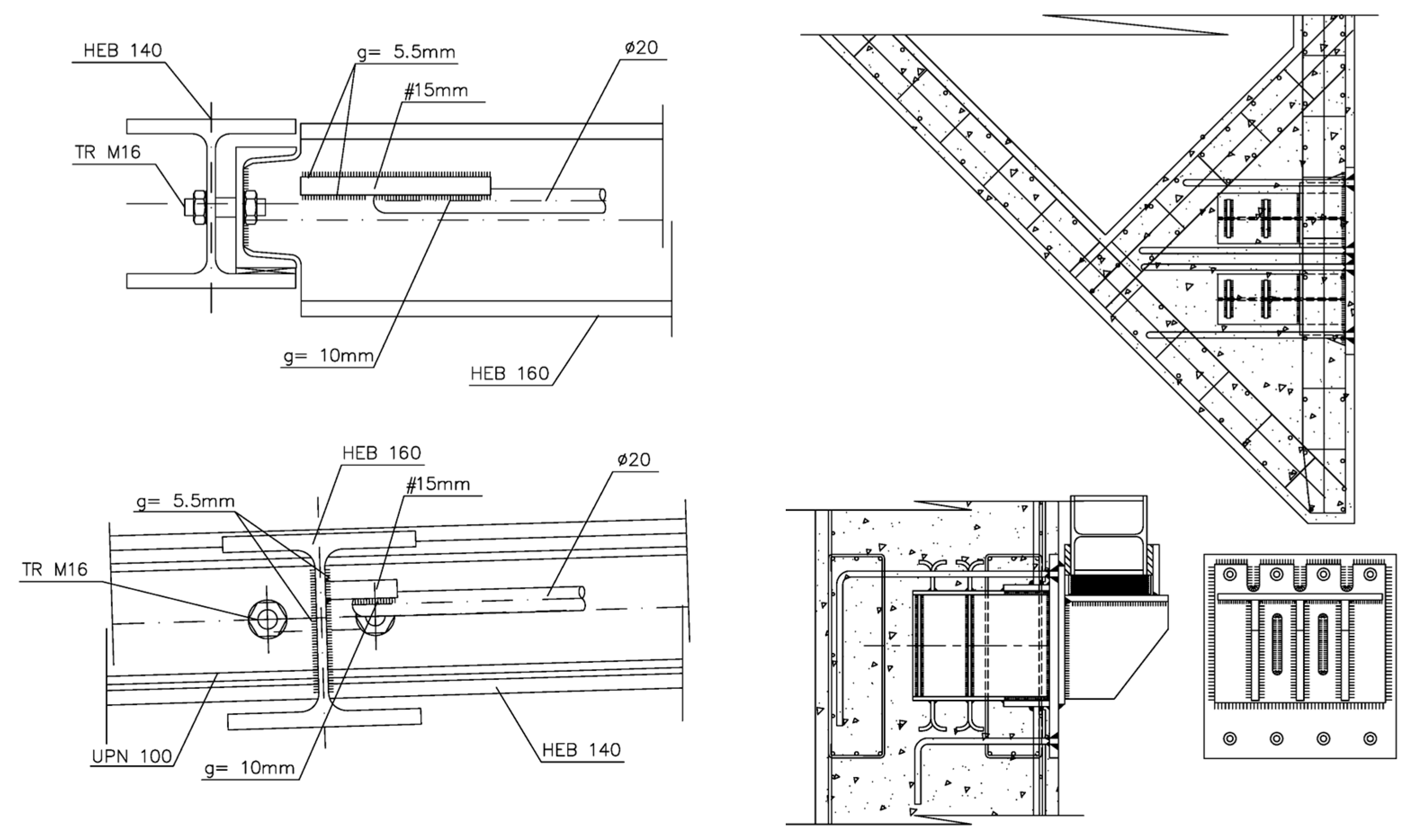
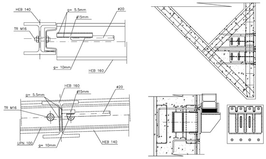
Connection between the Horizontal Interior Chord of the Flat Wind-Bracing Beam and the First Transverse Frame. To address this connection without compromising the expansion joint, a bolted joint was designed with a slotted hole and a neoprene washer allowing movement in all directions. As the upper chord was an HEB-140, a UPN-100 was nested within it, enabled by the absence of stiffeners. The bolts were not pretensioned to allow this potential movement; however, a nut-retention mechanism was installed to prevent them from falling. It should be noted that although the deformations could occur in any direction, they were limited to a few millimeters, rendering the resulting eccentricities negligible. The detail is illustrated in Figure 15 Left.
Anchor Plate Between the Ventilation Core and the Longitudinal Frame. Since the core was built using sliding formwork, it was necessary to design a plate that could be supported by both the reinforcement and the formwork, while remaining flush with the wall face. This plate transmits 1500 kN to the concrete and, due to the beam’s eccentricity relative to the wall, generates a moment of 225 kNm in the SLS. To control shear, the plate was internally reinforced with two IPN profiles, each capable of independently transferring this vertical load. Studs with threaded heads and legs were also installed to transmit the moment to the supporting structure. After the formwork was removed, an unpainted steel plate remained, serving as the base for a welded metal bracket. This bracket rested on a smaller plate, which was welded around its entire perimeter to the plate left on the wall. The bracket caused tension in its upper portion and compression in its lower portion, with shear transmitted through the two vertical welds. However, these welds were too long to effectively resist the resulting stresses. Due to the challenges of executing the weld on-site and the considerable effort required, slots were provided in the upper portion to reinforce the tensioned area, thereby increasing the effective weld length. If the weld presented uncontrolled defects, this excess would protect the most critical area of the joint, as the compressed weld would still transfer load through direct contact between the two elements. The detail is illustrated in Figure 15 Right.
Diagonal Chord Connections in the Main Frames. The truss girder was designed with HEA, HEB, or HEM-300 chords. With some spans exceeding 30 m during the lifting phase, the beams could experience excessive vibrations or even failure due to their low transverse stiffness. To prevent this phenomenon, the HEBs were arranged with the web horizontally and with the flanges vertically. This configuration increased the transverse stiffness of the flat beam and also facilitated the bolted connections of the transverse frames. The diagonals were also positioned with the vertical flanges. To facilitate the connections, HEB, IPE, or IPN profiles with depths of 300, 260, or 240 mm were used. This profile catalogue allowed the tension diagonals to be smaller than the compressed diagonals with lower axial forces, and enabled the elevation to represent shear forces at any point along the beam, even distinguishing between compression and tension in consecutive diagonals [57], as illustrated in Figure 4.
The junction details were slightly more complex, with approximately fifteen different cases. At the junctions, a half-circle design was adopted to emphasize that the space was not an industrial warehouse but closer to a salon. This was achieved using a transition plate, which, in some cases, acted as a bridge to accommodate welds between plates of significantly different thicknesses, or where the diagonal was thinner than the interior width of the HEB. A lattice girder requires larger chords in the center and smaller chords at the ends, while the diagonals follow the opposite pattern—larger at the ends and smaller in the center. The corresponding details are illustrated in Figure 16.
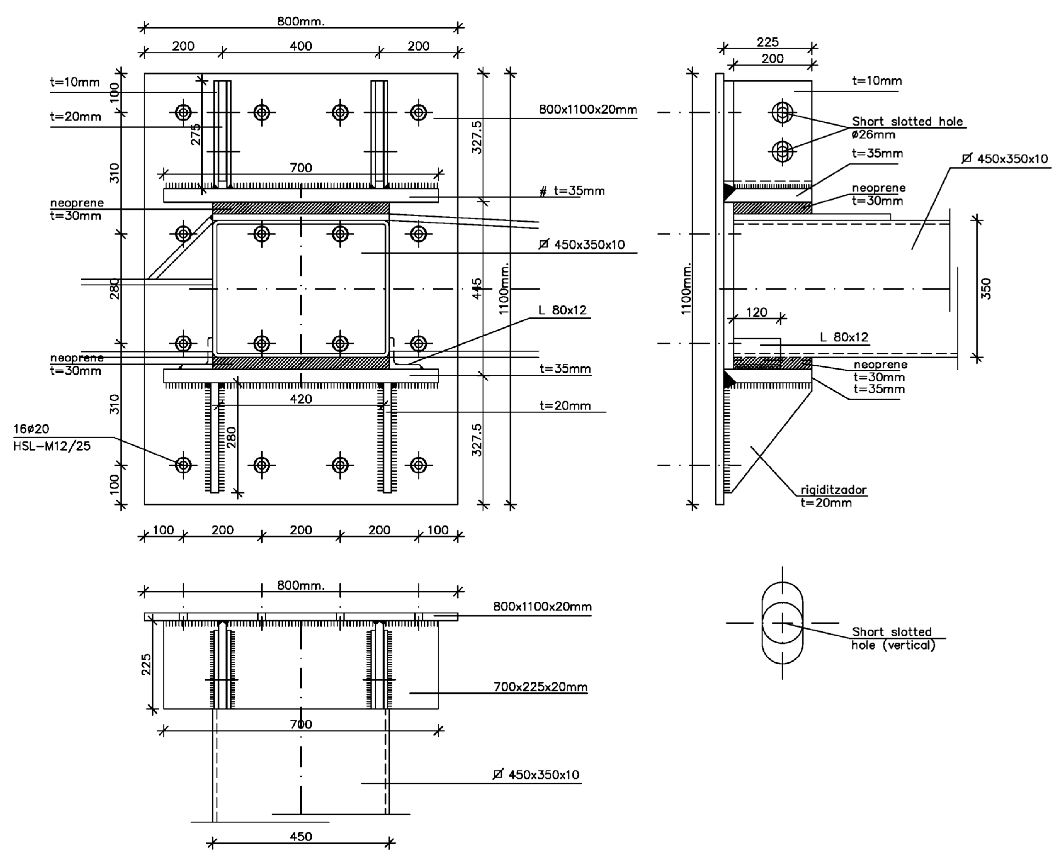
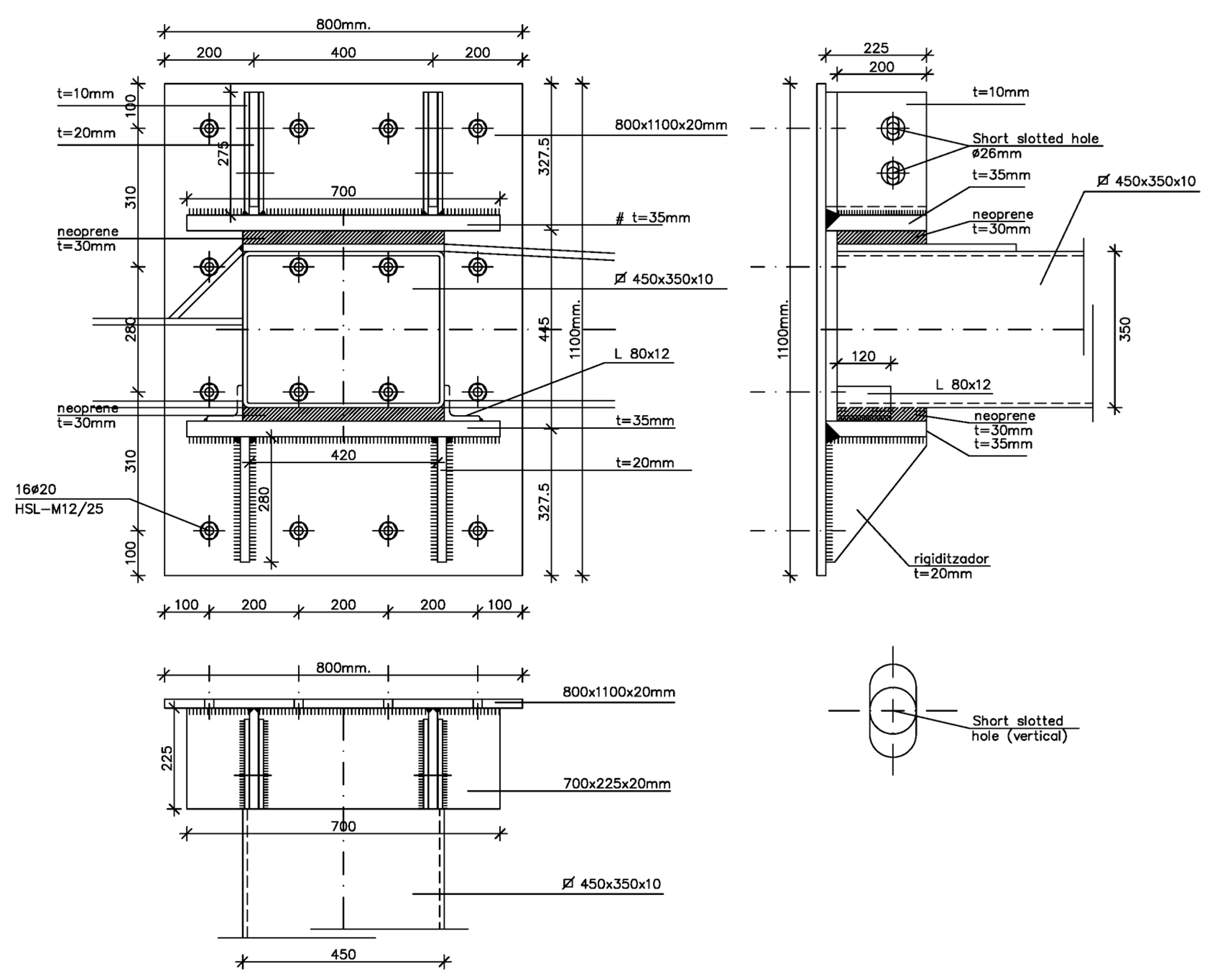
Active and Passive Terminals for Post-Tensioning. The first decision was to designate the passive terminal as the interior one, since access for inserting the jack was limited and the beam itself prevented the use of a crane to position it with the terminal. Meanwhile, the end located on the façade was ideal for working comfortably with a multi-strand jack and allowed the mobile crane to work efficiently from the exterior, moving freely around the building. A system of self-protected strands with PVC sheaths was used, with mortar injected prior to tensioning. This ensured that the sheaths did not pull on the innermost strands or trap them between the stressing cable, which could have resulted in excessive stresses. Subsequently, for bays 3 and 4, the tensioning was completed with final grouting, and the results were satisfactory in both projects.
Thinner ducts were used in the straight sections to reduce material usage, as their primary function was to serve as protective sheaths. In the deviators, or curved sections, ducts were used with an inner diameter matching that of the straight-section ducts. This decision avoided section changes that could cause internal edges or variations in thickness, which might damage some of the strand wires and lead to breakage during the tensioning phase. As its name suggests, it is called a deviator because it redirects the force from one direction to another, thanks to the presence of a post at its midpoint. Therefore, the deviator is subjected to forces that generate a bending moment; for this reason, the tube was thickened while remaining flexible enough to achieve the required bending radius.
In this detail, the thickest plates of the entire project were used—specifically, 40 mm thick plates subjected to the active-head forces. These did not exceed allowable limits, as EA-95, Eurocode 3, and later the CTE (Construction Technical Code) and the Structural Code impose a penalty in strength for plates exceeding certain thicknesses. As the members cool, the average stress in each member is reduced. Furthermore, rear stiffeners were installed below the head, between the trumpet and the casing. All of these measures were implemented in accordance with the forces generated at the ends during the application of the tensioning forces. The trumpet interfered with the horizontal web of the lower chord. To resolve this conflict, a vertical ring was added across the window to reinforce the weakened section. The passive terminal is shown in Figure 17.
The active terminal raised concerns because the upright connected to it is the most highly stressed member in the project, while the intermediate chord—namely, the lower chord of the Warren beam—is the least stressed along the beam prior to accounting for post-tensioning effects. Therefore, a window was provided in the web to allow the sheath to pass through, but the remaining space was so limited that a series of handrails and stiffeners were installed. Ultimately, the 40 mm plate proved the most challenging component, and its use was fully justified. The chord web encountered no issues due to the presence of the reinforcing handrail, as shown in Figure 18.
Connecting the Tubular Beam Between the Façade and the Ventilation Cores. Initially, the beam supporting the counterweighted beams was designed in reinforced concrete. Since prefabrication was not feasible, the construction company wisely opted for a steel beam, thus saving on formwork and curing time. The tubular beam required a minimum height of at least 400 mm and a base width of 800 mm—dimensions dictated by the size of the pillars and cantilever beams. However, it soon became apparent that a tube of these dimensions could not be supplied quickly enough. Even if one was obtained, its thickness would significantly increase the cost of the structure. The final solution was to fabricate the tube from two identical 10 mm thick flat sheets, each folded into a C-shape to form half of the tubular section. The two halves were then joined along the flanges with a continuous weld, producing a tube with the required dimensions.
This selected thickness facilitated bending and reduced costs The weld had to be continuous to seal the interior, as the tube was unpainted and subjected to torsion—a stress producing relatively low bending but high shear in the tube walls.
The main challenge lay in designing the connection between the tube and the ventilation core. The tubular beam, as described in this document, transmitted the following loads to the concrete core along its axis: vertical shear from the façade and counterbalanced beams; horizontal shear perpendicular to the façade due to wind forces; and torsion arising from the differences between the internal and external load states of the counterbalanced cantilever. However, the joint also needed to accommodate in-plane façade deformation, since it functioned as an expansion joint. Additionally, the façade needed to be assembled before the counterweighted structure was in place. Prefabricated elements are best installed with a crane from above, sliding them vertically along the façade plane without obstructions. Therefore, the counterweighted structure had to be supported without the concrete that would later be poured, and the connection completed with a bolted upper piece for sealing. After several days of analysis, the complexity of the node was resolved by introducing neoprene pads and stoppers, enabling the joint to meet the required performance criteria. The details are shown in Figure 19.

9. Conclusions

This article focuses on the precise organization and design of a complex modular steel structure developed from the ground up, specifically combining planar elements with three-dimensional, multi-plane components [55]. This objective is particularly important since few publications currently explore the design of structures employing unconventional systems. All elements have been defined, including their geometry, to identify and respond to the stresses they experience. Each module consists of two symmetrical longitudinal frames, 15 transverse frames, 30 skylight frames, and 8 superelevated full-web beams, configured to resist the various loads acting on the structure, including both gravitational and wind forces. The depth of the beams is limited to 3 m to facilitate transport, only increased by adding a lower reinforcement to the longitudinal frame of +1.5 m. The frames are standardized by repeating each one several times in each module, and even symmetrical elements are proposed to further duplicate the details used. A detail of a typical transverse frame could be repeated up to 6 details × 2 sides × 2 cantilevers × 13 frames × 9 modules = 2808 times only in pavilion 3, thus optimizing resources.
In the specific case of the counterbalanced beams, the method for achieving equilibrium across the maximum and minimum deformation extremes is described. Considering the maximum and minimum values in the deformation range, as is the case with a construction crane, external snow and wind suction are these limits. It explains how the cost is reduced and the construction speed increased by replacing a reinforced concrete beam in a portal frame, eliminating curing time, formwork, and shoring, and even reducing the risk of execution, thus allowing for the construction of facade finishes.
A discussion is provided on the decisions made to organize the implementation of the structure. Some of these choices are determined by the project’s geometry—such as the regular shape of the plot, the need for spacious yet not excessively large areas, and the requirement for good control of interior light—while others are based on available resources and cost-effectiveness, including those already described: repetition, efficiency, and material selection.
We also found the step-by-step process especially insightful, illustrating how a structure designed from the ground up—through close collaboration between the architectural and structural teams—can faithfully reflect design decisions. It also conveys that the space is more than a mere industrial warehouse, for example, by introducing details with semicircular plates at their nodes, while remaining carefully aligned with the client’s budget. The entire process is addressed from start to finish, allowing it to be efficiently replicated 16 times, covering a total of 8 ha of roof space—equivalent to eight fully constructed blocks within the urban expansion.
During the design phase, the aim was to reduce the linear meters of expansion joints, as these generate an added cost in building maintenance. Therefore, the minimum necessary joints were concentrated near the façades. Each building contained a space of 92 m along its entire length (420 m in the case of building 3, and 210 m in the other two buildings), without any joints that could cause leaks over time.
Another emphasized aspect is the prestressing strategy implemented during construction, aimed at reducing the amount of steel and, consequently, its cost. A steel weight of 5 kg/m2 was reduced, primarily due to the structure’s relatively low fire-resistance requirement, which in this case is R-30 for the roof.
A final steel quantity weight of 50 kg/m2 was achieved, significantly lower than what would logically correspond to a building of this type (between 60 kg/m2 and 80 kg/m2 according to specialized literature). The use of reasonable inter-axis spacing (3 m) and roof sheeting spans of up to 4.32 m made this reduction possible.
The rationale for prestressing a steel structure is also discussed. In this case, the beam is designed to meet a stringent deformation limit, with its components operating at a low ULS efficiency. This margin is used to introduce a moment opposing that generated by gravity. The deformation limit is primarily dictated by the gravity drainage system, which must remain as horizontal as possible. Introducing a prestressing force of between 10 and 25 strands of 0.6′ per layout adjusted the elements’ stress, increasing their capacity while preserving maximum deformability.
Finally, the design process and the rationale behind the structure’s key details are presented, supported through a detailed analysis of the loads and profile geometries used to accommodate movement, alongside considerations of constructability cost and ease of execution.

10. Future Research Directions

Future research could primarily focus on the use of prestressing in steel structures as a means to reduce material usage. This approach is particularly relevant for beams designed to meet stringent deformation limits rather than ultimate strength criteria. Such solutions are rarely applied in projects of this type, with the notable exception of Fink beams [58]. Standardizing this active system for conventional lattice beams in construction (such as Pratt, Howe, Vierendeel, King, Queen, etc.) could be interesting, even with other materials such as wood, where joints could also be improved by reducing tensile tension.
Other promising research avenues include publishing articles aimed at explaining structural organization to novice architects and engineers [59]. Although this topic may appear straightforward, it poses early-stage design challenges and can incur significant costs for design firms or during construction due to unanticipated reinforcements in the design phase. In today’s context, where projects must be delivered under tight deadlines, design teams require substantial expertise to achieve efficient and timely solutions.
One of the most interesting topics at the beginning of this century is CO2 reduction in construction [60]. Many studies have been published on this subject, with varying degrees of success. In construction, it is often said that wood is the material par excellence, but over time it has been shown that both glued laminated timber and sawn timber must find their specific applications. Steel [61,62,63], besides being reusable, is lightweight. However, introducing elements to facilitate disassembly of its components—even for reuse without further modification through standardization—could have altered the final result. Implementing standardization can increase product costs; however, when the building is no longer needed and the owner is compensated for facilitating reuse, this investment can be worthwhile.
Finally, the estimation of quantities remains a challenging issue. This article has shown that the actual ratios—without the need for active forces—were even lower than those generally accepted in minimum cases. Factors such as lighting, spans, fire safety requirements, and storage needs create a wide range of scenarios, making it difficult for formulas to provide precise results in every case.

Author Contributions

Software, I.C.C. and X.G.V.; Validation, I.C.C., O.M.i.R. and S.M.N.; Formal analysis, O.M.i.R. and I.C.C.; Resources, S.M.N.; Writing—original draft, I.C.C. and O.M.i.R.; Writing—review and editing, I.C.C. and X.G.V.; Supervision, S.M.N. All authors have read and agreed to the published version of the manuscript.

Funding

This article received no external funding.

Institutional Review Board Statement

Not applicable.

Informed Consent Statement

Not applicable.

Data Availability Statement

Data are contained within the article.

Acknowledgments

We would like to thank Robert Brufau i Niubó, from Robert Brufau I Associats S.L., for giving a group of young architects the opportunity to collaborate on such an iconic, captivating, and likely once-in-a-lifetime project. Together with Projectes Urbans, they were the driving forces behind the concepts, construction details, and, in particular, the structural design presented in this article.

Conflicts of Interest

The authors declare no conflicts of interest.

References

  1. Solà-Morales, I. de L’Exposició Internacional de Barcelona, 1914–1929: Arquitectura i ciutat; Fira de Barcelona: Barcelona, Spain, 1985; ISBN 978-84-398-3448-9. [Google Scholar]
  2. Grandas i Sagarra, M.C. L’ Exposicio Internacional de Barcelona de 1929; Coneguem Catalunya; Llibres de la Frontera: Barcelona, Spain, 1988; ISBN 978-84-85709-68-7. [Google Scholar]
  3. Montaner, J.M.; Manent, R. Arquitectura Contemporània a Catalunya; Vida i costums dels catalans, 1st ed.; Edicions 62: Barcelona, Spain, 2005; ISBN 978-84-297-5669-2. [Google Scholar]
  4. Hernàndez-Cros, J.E.; Mora Gramunt, G.; Pouplana i Solé, X. Arquitectura de Barcelona; Demarcació de Barcelona del Col·legi d’Arquitectes de Catalunya: Barcelona, Spain, 1990; ISBN 978-84-404-7980-8. [Google Scholar]
  5. Moliner Nuño, S.; Gispert Hernández, J.D. El Pueblo Español: Un Enclave Político, Geográfico y Estético. ACE Archit. City Environ. 2025, 20, 13367. [Google Scholar] [CrossRef]
  6. Moliner Nuño, S.; Santacreu Tudó, I.; Redondo Domínguez, E. Un Viaje En El Tiempo: El Poble Espanyol de Montjuïc. Arquiteturarevis 2019, 16, 78–96. [Google Scholar] [CrossRef]
  7. Viaplana/Pinon: Obras; Actar: Barcelona, Spain, 1999; ISBN 978-84-920718-6-9.
  8. Urbano, J. Eclecticisme i Arquitectura: August Font i Carreras (1845–1924), 1st ed.; Duxelm: Barcelona, Spain, 2013; ISBN 978-84-941156-2-2. [Google Scholar]
  9. Garcés, J.; Sòria Badia, E. Garcés/Sòria; Catalogos de Arquitectura Contemporánea, 2nd ed.; Gili: Barcelona, Spain, 1988; ISBN 978-84-252-1336-6. [Google Scholar]
  10. Bassegoda i Nonell, J.; Puig i Cadafalch, J. Puig i Cadafalch, Gent nostra, ed.; de Nou Art Thor: Barcelona, Spain, 1985; ISBN 978-84-7327-119-6. [Google Scholar]
  11. Puig i Cadafalch, J.; Alcolea Gil, S. Puig i Cadafalch; Lunwerg: Barcelona, Spain, 2006; ISBN 978-84-9785-277-7. [Google Scholar]
  12. Alonso, L.; Molsosa, M. Alonso-Balaguer y Arquitectos Asociados: Arquitectura 24h 365 Días al Año; Alonso, Balaguer y Arquitectos Asociados: Barcelona, Spain, 2006; ISBN 978-84-609-9870-9. [Google Scholar]
  13. Balaguer, S.; Alonso, L. Alonso-Balaguer y Arquitectos Asociados: Obra reciente 2002–2006; Álvarez, A., Alonso, L., Eds.; Actar: Barcelona, Spain, 2006; ISBN 978-84-609-9871-6. [Google Scholar]
  14. Blanchar, C. Fira de Barcelona da un salto arquitectónico en vistas al centenario de la Exposición de 1929. El País Digit. 2025. Available online: https://elpais.com/espana/catalunya/2025-03-17/fira-de-barcelona-da-un-salto-arquitectonico-en-vistas-al-centenario-de-la-exposicion-de-1929.html (accessed on 3 December 2025).
  15. Ribas i Tur, A.; Pruna, G. La futura Fira de Montjuïc ja té arquitectes: Aquests són els guanyandors. D. Ara 2025. Available online: https://es.ara.cat/sociedad/barcelona/futura-fira-montjuic-arquitectos-son-ganadores_1_5318390.html (accessed on 3 December 2025).
  16. Seve, B.; Gilabert Sanz, S. Conversando Con… Joan Busquets. EGA Expr. Gráf. Arquit. 2023, 28, 10–41. [Google Scholar] [CrossRef]
  17. Itō, T. Toyo Ito: Recent Project; A.D.A. Edita: Tokyo, Japan, 2008; ISBN 978-4-87140-664-2. [Google Scholar]
  18. Itō, T.; Fujimoto, S.; Mostafavi, M. Toyo Ito 2005-2009. El Croquis. 2009, 147, 227. Available online: https://elcroquis.es/products/147-toyo-ito-2005-2009?srsltid=AfmBOopH-brZSii47e6o8CIeX9otAIohUSTOvXZ2v1-oTTfJ4LHspe6I&variant=33364831754 (accessed on 3 December 2025).
  19. Lerner, F. Toyo Ito: Imaginería y Materialización; Diseño: Buenos Aires, Argentina, 2014; ISBN 978-987-3607-00-4. [Google Scholar]
  20. El CAATEEB otorga su Premio a la Trayectoria profesional 2018 a Robert Brufau. Interempresas 2018. Available online: https://www.interempresas.net/Construccion/219193-El-CAATEEB-otorga-su-Premio-a-la-Trayectoria-profesional-2018-a-Robert-Brufau.html (accessed on 3 December 2025).
  21. Brufau, I.; Niubó, R. Cáscara y voladizo. Arquitectura Viva. 31 August 2008, pp. 28–31. Available online: https://arquitecturaviva.com/articulos/cascara-y-voladizo (accessed on 3 December 2025).
  22. Redacción. ACS y Dragados aprueban su fusión y crean la primera constructora de España. El País Digit. 2003. Available online: https://elpais.com/economia/2003/10/14/actualidad/1066116775_850215.html (accessed on 3 December 2025).
  23. Torroja, E. Razón y Ser de los Tipos Estructurales; Textos Universitarios; CSIC, Consejo Superior de Investigaciones Científicas: Madrid, Spain, 2008; ISBN 978-84-00-08612-1. [Google Scholar]
  24. Uvarova, S.S.; Belyaeva, S.V.; Orlov, A.K.; Kankhva, V.S. Cost Forecasting for Building Materials under Conditions of Uncertainty: Methodology and Practice. Buildings 2023, 13, 2371. [Google Scholar] [CrossRef]
  25. Chou, M.-T. Prediction of Asian Steel Price Index Using Fuzzy Time Series. In Proceedings of the 2012 Third International Conference on Innovations in Bio-Inspired Computing and Applications, Kaohsiung, Taiwan, 26–28 September 2012; pp. 185–188. [Google Scholar]
  26. Argüelles Álvarez, R. Estructuras de Acero; Bellisco: Madrid, Spain, 2005; ISBN 84-95279-97-5. [Google Scholar]
  27. AENOR. Eurocódigo 1: Bases de Proyecto y Acciones en Estructuras; Eurocódigos; AENOR: Madrid, Spain, 1997. [Google Scholar]
  28. Marcombo. Reglamento de Instalaciones Térmicas en los Edificios, 2nd ed.; Marcombo: Barcelona, Spain, 2010; ISBN 978-84-267-1631-6. [Google Scholar]
  29. Gann, R.G.; Babrauskas, V.; Peacock, R.D.; Hall, J.R. Fire Conditions for Smoke Toxicity Measurement. Fire Mater. 1994, 18, 193–199. [Google Scholar] [CrossRef]
  30. Kawagoe, K. Estimation of Fire Temperature-Time Curve in Rooms (Part III). Trans. Archit. Inst. Jpn. 1967, 140, 63–70,73. [Google Scholar] [CrossRef] [PubMed][Green Version]
  31. Argüelles Álvarez, R.; Argüelles Bustillo, R. La Estructura Metálica Hoy; Bellisco: Madrid, Spain, 1975; ISBN 84-600-5672-4. [Google Scholar]
  32. Silva, L.S.d.; Simões, R.A.D.; Gervásio, H. Design of Steel Structures: Eurocode 3: Design of Steel Structures, Part 1-1: General Rules and Rules for Building; ECCS Eurocode design manuals; ECCS: Brussels, Belgium, 2010; ISBN 978-92-9147-098-3. [Google Scholar]
  33. Komendant, A.E.; Tenreiro, O.; Agrasar Quiroga, F.; Frampton, K. 18 Años con el Arquitecto Louis I. Kahn; Colegio Oficial de Arquitectos de Galicia: La Coruña, Spain, 2000; ISBN 978-84-85665-37-2. [Google Scholar]
  34. Margolius, I. Architects + Engineers = Structures: = Structures: A Book That Celebrates Well-Known Designers Paxton, Torroja, Nervi, Saarinen, Buckminster, Fuller, Le Corbusier, Niemeyer, Arup, Hunt and Foster, and the Lesser-Known Such as Polivka, Glickman, Kornacker, Cardozo, Zetlin and Strasky; 1. publ.; Wiley-Academy: Chichester, UK, 2002; ISBN 978-0-471-49825-4. [Google Scholar]
  35. Hurtado Mingo, C. Estructuras de Acero en Edificación; Asociación para la Promoción Técnica del Acero: Madrid, Spain, 2008; ISBN 978-84-612-5216-9. [Google Scholar]
  36. Billington, D.P.; Doig, J.W. The Art of Structural Design: A Swiss Legacy [Exhibition. Princeton University Art Museum, Princeton (N.J.), March 8-June 15, 2003]; Yale University Press: New Haven, CT, USA, 2003; ISBN 978-0-300-09786-3. [Google Scholar]
  37. Marsh, K. Autodesk Robot Structural Analysis Professional 2014: Essentials: The Essential Guide to Learning Autodesk Robot Structural Analysis Professional; Marsh API: Somerville, MA, USA, 2014; ISBN 978-0-9915181-0-4. [Google Scholar]
  38. Gilemkhanov, R.; Bagautdinov, R.; Kankhva, V. Autodesk Revit and Robot Structural Analysis in Design of Framed Buildings. In Proceedings of the International Scientific Conference Energy Management of Municipal Transportation Facilities and Transport EMMFT 2017, Khabarovsk, Russia, 10–13 April 2017; Murgul, V., Popovic, Z., Eds.; Advances in Intelligent Systems and Computing; Springer International Publishing: Cham, Switzerland, 2018; Volume 692, pp. 1036–1045. ISBN 978-3-319-70986-4. [Google Scholar]
  39. Ministerio de la Presidencia. Código estructural; DAPP: Pamplona, Spain, 2021; ISBN 978-84-09-33541-1. OCLC: 1292892990. [Google Scholar]
  40. La Ley-Actualidad. Código de suelo, Edificación y Vivienda, 1st ed.; La Ley-Actualidad: Las Rozas, Spain, 2007; ISBN 978-84-9725-824-1. [Google Scholar]
  41. Muñoz, C.; Fortea, I.; Albareda, A. Evaluación de Las Acciones Eólicas Transversales En Edificios de Más de 50m Mediante Métodos Analíticos. Inf. Constr. 2019, 71, e290. [Google Scholar] [CrossRef]
  42. Muñoz Blanc, C.; Fortea Navarro, I. El diseño basado en prestaciones frente al incendio de las estructuras de edificación. Inf. De La Construcción 2017, 69, e215. [Google Scholar] [CrossRef]
  43. Franssen, J.-M.; Real, P.V. Fire Design of Steel Structures: Eurocode 1: Actions on Structures, Part 1-2: General Actions, Actions on Structures Exposed to Fire Eurocode 3: Design of Steel Structures, Part 1-2: General Rules, Structural Fire Design; ECCS eurocode design manuals; ECCS: Brussels, Spain, 2010; ISBN 978-92-9147-099-0. [Google Scholar]
  44. Navajas Ramírez, P.; López Romero, A. Protección y Durabilidad de las Estructuras de Acero, 2nd ed.; (rev. Capítulo 3); APTA: Madrid, Spain, 2009; ISBN 978-84-691-9237-5. [Google Scholar]
  45. Costales, I. El Pretensado En Las Estructuras de Acero; Universitat Politècnica de Catalunya: Barcelona, Spain, 2012. [Google Scholar] [CrossRef]
  46. Freyssinet, E.; Guyon, F.; Rui–Wamba, J.; Fernández Alba, A. Eugène Freyssinet, Un Ingeniero Revolucionario; Fundación Esteyco: Madrid, Spain, 2003; ISBN 84-921092-9-7. [Google Scholar]
  47. Brufau, I.; Niubó, R. La Roda de Bicicleta Com a Model Structural. Quad. D’arquitectura I Urban. 2006, 250, 86–91. [Google Scholar]
  48. Trahair, N.S.; Trahair, N.S.; Bradford, M.A. The Behaviour and Design of Steel Structures; Rev. 2 ed. (2 ed., reprinted twice with corr.); Chapman and Hall: London, UK, 1991; ISBN 978-0-412-29480-8. [Google Scholar]
  49. Brockenbrough, R.L.; Merritt, F.S. Structural Steel Designer’s Handbook, Sixth Edition, 6th ed.; McGraw-Hill Education: New York, NY, USA, 2020; ISBN 978-1-260-44079-9. [Google Scholar]
  50. Salmon, C.G.; Johnson, J.E.; Malhas, F.A. Steel Structures: Design and Behavior; Emphasizing Load and Resistance Factor Design, 5th ed.; Pearson international edition; Pearson Education International: Upper Saddle River, NJ, USA, 2009; ISBN 978-0-13-188556-1. [Google Scholar]
  51. Ziemian, R.D. (Ed.) Guide to Stability Design Criteria for Metal Structures, 1st ed.; Wiley: Hoboken, NJ, USA, 2010; ISBN 978-0-470-08525-7. [Google Scholar]
  52. Horne, M.R.; Morris, L.J. Plastic Design of Low-Rise Frames, 1st ed.; MIT Press: Cambridge, UK, 1982; ISBN 978-0-262-08123-8. [Google Scholar]
  53. MacGinley, T.J. Steel Structures: Practical Design Studies, 2nd ed.; CRC Press: Hoboken, NJ, USA, 2014; ISBN 978-0-203-47428-0. [Google Scholar]
  54. Cucuzza, R.; Aloisio, A.; Rad, M.M.; Domaneschi, M. Constructability-Based Design Approach for Steel Structures: From Truss Beams to Real-World Inspired Industrial Buildings. Autom. Constr. 2024, 166, 105630. [Google Scholar] [CrossRef]
  55. Jaspart, J.-P.; Weynand, K. Design of Joints in Steel and Composite Structures: Eurocode 3, Design of Steel Structures. Part 1-8, Design of Joints; Eurocode 4, Design of Composite Steel and Concrete Structures. Part 1-1, General Rules and Rules for Building; ECCS Ernst & Sohn Wiley: Berlin, Germany, 2016; ISBN 978-92-9147-132-4. [Google Scholar]
  56. AENOR. 3.8 UNE-EN 1993-1-8 Eurocódigo 3; Proyecto de Estructuras de Acero. Parte 1-8: Uniones. AENOR: Madrid, Spain, 2013.
  57. Allen, E.; Zalewski, W.; Ochsendorf, J.A.; Ramage, M.H.; Anderson, J.; Hriczo, K. Form and Forces: Designing Efficient, Expressive Structures; 1. Auflage; John Wiley & Sons: Hoboken, NJ, USA, 2010; ISBN 978-0-470-17465-4. [Google Scholar]
  58. Heier, J.R. The Foundations of Modern Cost Management: The Life and Work of Albert Fink. Account. Bus. Financ. Hist. 2000, 10, 213–243. [Google Scholar] [CrossRef]
  59. Engel, H.; Rapson, R. Sistemas de Estructuras = Sistemas Estruturais, 2nd ed.; Gustavo Gili: Barcelona, Spain, 2022; ISBN 978-84-252-3111-7. [Google Scholar]
  60. Rakhshan, K. Others Components Reuse in the Building Sector: A Systematic Review. Sustainability 2020, 38, 347–370. [Google Scholar]
  61. Buyle, M.; Braet, J.; Audenaert, A. Life Cycle Assessment in the Construction Sector: A Review. Renew. Sustain. Energy Rev. 2013, 26, 379–388. [Google Scholar] [CrossRef]
  62. Dixit, M.K.; Fernández-Solís, J.L.; Lavy, S.; Culp, C.H. Need for an Embodied Energy Measurement Protocol for Buildings: A Review Paper. Renew. Sustain. Energy Rev. 2012, 16, 3730–3743. [Google Scholar] [CrossRef]
  63. Hammond, G.P.; Jones, C.I. Embodied Energy and Carbon in Construction Materials. Proc. Inst. Civ. Eng. Energy 2008, 161, 87–98. [Google Scholar] [CrossRef]
Figure 1. Aerial view of Fira de la Gran Vía in Barcelona. The three buildings constructed using the solution described in this document are, from left to right, Halls 3 (4.3 ha), 4 (2.0 ha), and 6 (2.0 ha). Image: Google Earth.
Figure 1. Aerial view of Fira de la Gran Vía in Barcelona. The three buildings constructed using the solution described in this document are, from left to right, Halls 3 (4.3 ha), 4 (2.0 ha), and 6 (2.0 ha). Image: Google Earth.
Eng 06 00358 g001
Figure 2. Moment diagrams of a typical frame subjected to a uniform load of 37.5 kN/m. The top diagram corresponds to a continuous beam 45 m + 13 m + 45 m, with an absolute maximum moment of 564 kNm. The bottom diagram corresponds to a simply supported beam with a span of 103 m, with an absolute maximum moment of 4135 kNm. Green: negative moment, Violet: positive.
Figure 2. Moment diagrams of a typical frame subjected to a uniform load of 37.5 kN/m. The top diagram corresponds to a continuous beam 45 m + 13 m + 45 m, with an absolute maximum moment of 564 kNm. The bottom diagram corresponds to a simply supported beam with a span of 103 m, with an absolute maximum moment of 4135 kNm. Green: negative moment, Violet: positive.
Eng 06 00358 g002
Figure 3. Analysis of the transverse frame proposal: 11.8 m + 13 m + 11.8 m. Because the two end cantilevers have a large span, the central section does not change the sign of the bending moment at any point, despite the applied linear loads. The entire lower fiber of the truss is therefore in compression. Lateral buckling must be prevented. Violet: negative moment. Supports: left pinned, right FZ.
Figure 3. Analysis of the transverse frame proposal: 11.8 m + 13 m + 11.8 m. Because the two end cantilevers have a large span, the central section does not change the sign of the bending moment at any point, despite the applied linear loads. The entire lower fiber of the truss is therefore in compression. Lateral buckling must be prevented. Violet: negative moment. Supports: left pinned, right FZ.
Eng 06 00358 g003
Figure 4. Half-length frame defined in the final design phase. The image shows how the thickness of the diagonal members varies depending on both the type of stress (tension or compression) and their position along the span (ends or near the center). Gray triangles: transverse frames.
Figure 4. Half-length frame defined in the final design phase. The image shows how the thickness of the diagonal members varies depending on both the type of stress (tension or compression) and their position along the span (ends or near the center). Gray triangles: transverse frames.
Eng 06 00358 g004
Figure 5. Two adjacent longitudinal frames are shown in dark blue. The remaining elements correspond to two transverse frames, each 2.166 m in width and spaced 4.322 m apart. Each transverse frame is composed of two symmetrical cantilevers with variable sections and a central segment featuring a constant triangular section.
Figure 5. Two adjacent longitudinal frames are shown in dark blue. The remaining elements correspond to two transverse frames, each 2.166 m in width and spaced 4.322 m apart. Each transverse frame is composed of two symmetrical cantilevers with variable sections and a central segment featuring a constant triangular section.
Eng 06 00358 g005
Figure 6. Above: skylight solution. Below: reinforced raised beam at the expansion joint location. These are two alternative solutions for covering approximately 12.4 m with a lightweight, one-way structure. The second option appears more robust than the other elements, but during construction, it was observed that, due to its elevated position, the final perception from the ground made it appear equally slender (L/24 ratio).
Figure 6. Above: skylight solution. Below: reinforced raised beam at the expansion joint location. These are two alternative solutions for covering approximately 12.4 m with a lightweight, one-way structure. The second option appears more robust than the other elements, but during construction, it was observed that, due to its elevated position, the final perception from the ground made it appear equally slender (L/24 ratio).
Eng 06 00358 g006
Figure 7. Structure of the counterweighted façade beams in the final design. The central beam was originally intended as reinforced concrete but was replaced on-site with steel. Formwork, reinforcement, and concrete pouring at a height of 6 m for a freestanding beam is generally more expensive and potentially riskier than using a metal structure. A side walkway is necessary for worker access, and the hydraulic pressure of the concrete can cause the formwork to lose stability. The cost may also be higher. Triangles hatch: Concrete section.
Figure 7. Structure of the counterweighted façade beams in the final design. The central beam was originally intended as reinforced concrete but was replaced on-site with steel. Formwork, reinforcement, and concrete pouring at a height of 6 m for a freestanding beam is generally more expensive and potentially riskier than using a metal structure. A side walkway is necessary for worker access, and the hydraulic pressure of the concrete can cause the formwork to lose stability. The cost may also be higher. Triangles hatch: Concrete section.
Eng 06 00358 g007
Figure 8. Calculation model of Hall 3, initially generated in the Robot v6 program. Secondary elements such as bracing beams, skylights, or deep beams, and some suspended components were not represented in the model but were calculated separately to expedite the analysis. The forces exerted by these elements on the structure were included in the model.
Figure 8. Calculation model of Hall 3, initially generated in the Robot v6 program. Secondary elements such as bracing beams, skylights, or deep beams, and some suspended components were not represented in the model but were calculated separately to expedite the analysis. The forces exerted by these elements on the structure were included in the model.
Eng 06 00358 g008
Figure 9. Calculation model for the typical façade structure. Above: the wind-bracing beam acts as an expansion joint, while at level 9.00 the counterbalanced cantilever is shown. Below, the concrete pillars supporting the prefabricated panels, which are required to withstand R-90 fire.
Figure 9. Calculation model for the typical façade structure. Above: the wind-bracing beam acts as an expansion joint, while at level 9.00 the counterbalanced cantilever is shown. Below, the concrete pillars supporting the prefabricated panels, which are required to withstand R-90 fire.
Eng 06 00358 g009
Figure 10. Proposed continuity of a seamless building. The inclined pillars of each skylight are designed with low inertia in the illustrated plane, reducing stresses caused by different differential thermal expansion of members at varying heights. Dx: length increase.
Figure 10. Proposed continuity of a seamless building. The inclined pillars of each skylight are designed with low inertia in the illustrated plane, reducing stresses caused by different differential thermal expansion of members at varying heights. Dx: length increase.
Eng 06 00358 g010
Figure 11. Main metal structure of the hall, organized according to the structural components described in this article. Colors indicate different elements: bright red—reinforced concrete elements (cores and façade frames); dark green—the main frames; yellow—the transverse frames; bright green—the coffers; blue—the skylights; dark red—the deep beams. The drawing depicts a nave approximately 300 m long. Note the absence of an expansion joint in the skylight area.
Figure 11. Main metal structure of the hall, organized according to the structural components described in this article. Colors indicate different elements: bright red—reinforced concrete elements (cores and façade frames); dark green—the main frames; yellow—the transverse frames; bright green—the coffers; blue—the skylights; dark red—the deep beams. The drawing depicts a nave approximately 300 m long. Note the absence of an expansion joint in the skylight area.
Eng 06 00358 g011
Figure 12. Lifting of the central core of a typical module. Two cranes perform the lift, while four mobile cranes with operators secure each leg to the concrete pillars. In the background, a second module awaits lifting half an hour later. Up to five modules could be lifted in a single morning, optimizing crane performance. Photograph by the author.
Figure 12. Lifting of the central core of a typical module. Two cranes perform the lift, while four mobile cranes with operators secure each leg to the concrete pillars. In the background, a second module awaits lifting half an hour later. Up to five modules could be lifted in a single morning, optimizing crane performance. Photograph by the author.
Eng 06 00358 g012
Figure 13. Formwork closure process prior to concrete pouring. Due to the scale of the project, the entire operation had to be carried out using mobile cranes. Photograph by the author.
Figure 13. Formwork closure process prior to concrete pouring. Due to the scale of the project, the entire operation had to be carried out using mobile cranes. Photograph by the author.
Eng 06 00358 g013
Figure 14. View of the nearly completed two-module steel structure. The image shows that the longitudinal structures were painted dark gray, while the lighter latticework was painted light gray. The façade still needs to be completed, which will further darken the interior due to program requirements. Photograph by the author.
Figure 14. View of the nearly completed two-module steel structure. The image shows that the longitudinal structures were painted dark gray, while the lighter latticework was painted light gray. The façade still needs to be completed, which will further darken the interior due to program requirements. Photograph by the author.
Eng 06 00358 g014
Figure 15. Left: connection between the inner chord of the flat wind-bracing beam and the first transverse frame. A neoprene strip (see square with a cross) is placed between the UPN and the lower wing of the HEB-140 to allow the beams to separate due to thermal expansion. The bolt was not pre-tensioned, but the nut was locked to prevent it from loosening. Right: anchor plate between the ventilation core and the longitudinal frame. The piece consisted of two parts: the one visible on the upper floor, which was attached to the formwork, made up of two IPE beams with connectors and a vertical plate. Once the formwork was removed, the bracket (see lower left image) was welded according to the welding method shown in the third lower right image. #: steel plate.
Figure 15. Left: connection between the inner chord of the flat wind-bracing beam and the first transverse frame. A neoprene strip (see square with a cross) is placed between the UPN and the lower wing of the HEB-140 to allow the beams to separate due to thermal expansion. The bolt was not pre-tensioned, but the nut was locked to prevent it from loosening. Right: anchor plate between the ventilation core and the longitudinal frame. The piece consisted of two parts: the one visible on the upper floor, which was attached to the formwork, made up of two IPE beams with connectors and a vertical plate. Once the formwork was removed, the bracket (see lower left image) was welded according to the welding method shown in the third lower right image. #: steel plate.
Eng 06 00358 g015
Figure 16. Details of the knots illustrating all combinations between cords and diagonals. The image shows that the system consisted of a horizontal cord, two diagonals, and a semicircular plate. This plate was sometimes cut into two, and sometimes a hidden rectangular plate was added to ensure the knot always fit any desired size. A small tolerance of 1 or 2 mm was always allowed.
Figure 16. Details of the knots illustrating all combinations between cords and diagonals. The image shows that the system consisted of a horizontal cord, two diagonals, and a semicircular plate. This plate was sometimes cut into two, and sometimes a hidden rectangular plate was added to ensure the knot always fit any desired size. A small tolerance of 1 or 2 mm was always allowed.
Eng 06 00358 g016
Figure 17. Above: Active detail, one on each façade: This piece rests on its right side on the bracket detailed in Figure 15 Right. The post-tensioning plug that can be seen on this support is attached to the facade plane, so the prestressing had to be applied before closing the building. Below: Passive detail, located approximately at L/3 and 2 L/3 along the longitudinal frame. In this detail, two triangular plates were placed to transmit the force to the correct joint, and not halfway along the bar. The head and the space required to place the wedges made it necessary to move it 2.1 m to the right. #: steel plate.
Figure 17. Above: Active detail, one on each façade: This piece rests on its right side on the bracket detailed in Figure 15 Right. The post-tensioning plug that can be seen on this support is attached to the facade plane, so the prestressing had to be applied before closing the building. Below: Passive detail, located approximately at L/3 and 2 L/3 along the longitudinal frame. In this detail, two triangular plates were placed to transmit the force to the correct joint, and not halfway along the bar. The head and the space required to place the wedges made it necessary to move it 2.1 m to the right. #: steel plate.
Eng 06 00358 g017
Figure 18. Maximum stresses produced by the beam combined with the active forces. The right-hand plate, which contains a circular opening, experiences stress close to its elastic limit. A small internal reinforcement was added in this area, as shown in the section in Figure 17.
Figure 18. Maximum stresses produced by the beam combined with the active forces. The right-hand plate, which contains a circular opening, experiences stress close to its elastic limit. A small internal reinforcement was added in this area, as shown in the section in Figure 17.
Eng 06 00358 g018
Figure 19. Union of the prefabricated tube, formed from two 10 mm sheets, to the ventilation core. This is the most complex detail of the entire structure, as it allows for the longitudinal displacement of the tube, prevents the beam from rotating on its axis, and transmits the shear force perpendicular to the facade. Furthermore, it enables its construction and is completed by bolting the inverted PI-shaped piece to its upper part. #: Steel plate.
Figure 19. Union of the prefabricated tube, formed from two 10 mm sheets, to the ventilation core. This is the most complex detail of the entire structure, as it allows for the longitudinal displacement of the tube, prevents the beam from rotating on its axis, and transmits the shear force perpendicular to the facade. Furthermore, it enables its construction and is completed by bolting the inverted PI-shaped piece to its upper part. #: Steel plate.
Eng 06 00358 g019
Table 1. Structural comparison of the transverse frame between the two proposed solutions. The last column shows resulting reductions in stress and associated cost savings. Providing a fixed support at one end of the beam reduces the cost, provided the beam’s deflected shape is approximately horizontal at that end.
Table 1. Structural comparison of the transverse frame between the two proposed solutions. The last column shows resulting reductions in stress and associated cost savings. Providing a fixed support at one end of the beam reduces the cost, provided the beam’s deflected shape is approximately horizontal at that end.
Simply Supported BeamPinned-Fixed BeamDifference
Span (m)10345
Uniform Load (kN/m2)1.001.00
Safety factor considered1.411.41
Distance between frames (m)1.001.00
Maximum Deflection (L/x)500500
Bending moment formula used=q × A.B.·L2/8=q × A.B. × L2/8
Bending moment (kNm)1869.84356.9119% (−81%)
Minimum moment of inertia formula used=5 × q × A.B. × L4/(384·E × L.D.)=q × A.B. × L4/(185·E × L.D.)
Minimum Inertia (mm4)33,876,705,1091,172,779,9233% (−97%)
Approximate beam depth L/15 (m)6.873.0044% (−66%)
Table 2. These figures are indicative of those generally used for metal structures for buildings with short spans (up to 25 m) and (shaded in gray) for roofs with longer spans (up to 45 m). The last figures (gray shaded) are less reliable than the former since the construction of industrial buildings or small sports halls is more common than the construction of roofs with long spans.
Table 2. These figures are indicative of those generally used for metal structures for buildings with short spans (up to 25 m) and (shaded in gray) for roofs with longer spans (up to 45 m). The last figures (gray shaded) are less reliable than the former since the construction of industrial buildings or small sports halls is more common than the construction of roofs with long spans.
Span
[L] m
Quantities
[Q] kg/m2
Formula: Q = k·L
[kmin]: 1.0·L/1.33·L
[kmax]: 1.5·L/1.78·L
10 m10–15 kg/m2(min:1·L; max:1.5·L)
15 m15–22 kg/m2(min:1·L; max:1.5·L)
20 m20–30 kg/m2(min:1·L; max:1.5·L)
25 m25–37 kg/m2(min:1·L; max:1.5·L)
30 m30–45 kg/m2(min:1·L; max:1.5·L)
35 m40–55 kg/m2(min:1.14·L; max:1.57·L)
40 m50–65 kg/m2(min:1.25·L; max:1.625·L)
45 m60–80 kg/m2(min:1.33·L; max:1.78·L)
Table 3. Steel quantities obtained during the detailed design phase (Not-pretensioned) compared to the constructed version (pre-tensioned). All figures use the total surface area of the typus module; therefore, the partial ratios are in any case lower than those in Table 2.
Table 3. Steel quantities obtained during the detailed design phase (Not-pretensioned) compared to the constructed version (pre-tensioned). All figures use the total surface area of the typus module; therefore, the partial ratios are in any case lower than those in Table 2.
Transversal FramesSupplies LevelsSkylights and Solid WebLongitudinal FramesTotal
Executive project, not pre-tensioned78,378 kg/
(100 × 9 m2)
=16.00 kg/m2
11,550 kg/
(100 × 49 m2)
=2.36 kg/m2
49,565 kg/
(100 × 49 m2)
=10.12 kg/m2
129,713 kg/
(100 × 49 m2)
=26.47 kg/m2
54.94 kg/m2
Building version, pre-tensioned106,613 kg/
(100 × 49 m2)
=21.76 kg/m2
50.22 kg/m2
Disclaimer/Publisher’s Note: The statements, opinions and data contained in all publications are solely those of the individual author(s) and contributor(s) and not of MDPI and/or the editor(s). MDPI and/or the editor(s) disclaim responsibility for any injury to people or property resulting from any ideas, methods, instructions or products referred to in the content.

Share and Cite

MDPI and ACS Style

Costales Calvo, I.; Muntane i Raich, O.; Gimferrer Vilaplana, X.; Moliner Nuño, S. Design and Structural Analysis of the Modular Post-Tensioned Steel Structure for Halls 3, 4 and 6 of Fira de la Gran Vía in Barcelona. Eng 2025, 6, 358. https://doi.org/10.3390/eng6120358

AMA Style

Costales Calvo I, Muntane i Raich O, Gimferrer Vilaplana X, Moliner Nuño S. Design and Structural Analysis of the Modular Post-Tensioned Steel Structure for Halls 3, 4 and 6 of Fira de la Gran Vía in Barcelona. Eng. 2025; 6(12):358. https://doi.org/10.3390/eng6120358

Chicago/Turabian Style

Costales Calvo, Ignacio, Oriol Muntane i Raich, Xavier Gimferrer Vilaplana, and Sandra Moliner Nuño. 2025. "Design and Structural Analysis of the Modular Post-Tensioned Steel Structure for Halls 3, 4 and 6 of Fira de la Gran Vía in Barcelona" Eng 6, no. 12: 358. https://doi.org/10.3390/eng6120358

APA Style

Costales Calvo, I., Muntane i Raich, O., Gimferrer Vilaplana, X., & Moliner Nuño, S. (2025). Design and Structural Analysis of the Modular Post-Tensioned Steel Structure for Halls 3, 4 and 6 of Fira de la Gran Vía in Barcelona. Eng, 6(12), 358. https://doi.org/10.3390/eng6120358

Article Metrics

Back to TopTop