Design and Modeling of an Intelligent Robotic Gripper Using a Cam Mechanism with Position and Force Control Using an Adaptive Neuro-Fuzzy Computing Technique
Abstract
1. Introduction
- The proposed gripper design was developed by adding a suitable cam that makes it compatible with the basic design. In addition, the cam is used to improve the strength of the gripper.
 - An intelligent adaptive neuro-fuzzy inference system (ANFIS) was used for this gripper design.
 - The main objective of this proposed gripper design was to investigate the follower path of the cam surface curve and to improve motion performance.
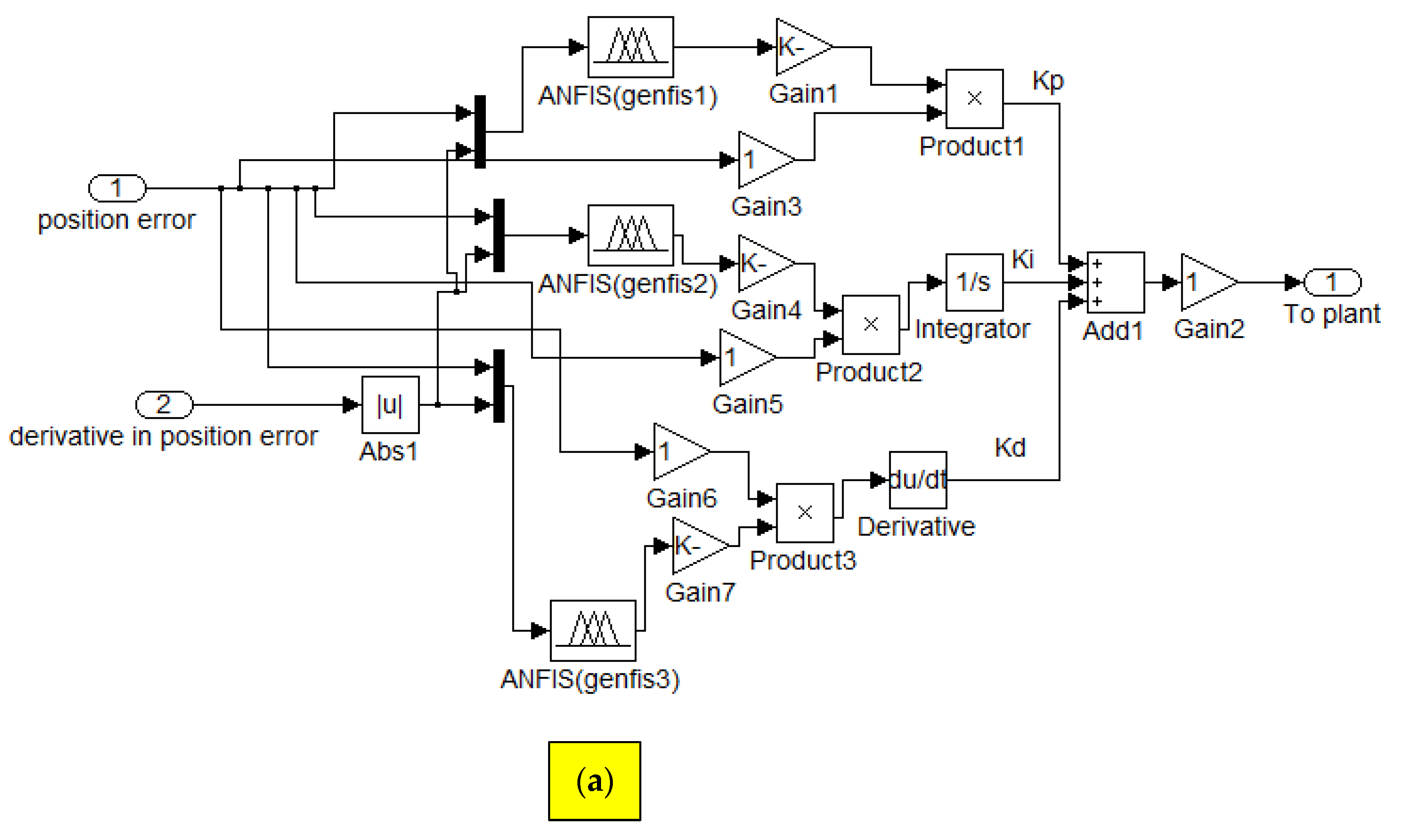
 - The ANFIS-PID system considers the position control of the gripper to achieve accurate positioning, which is necessary to keep the object safe.
 - For this purpose, three methods were examined in the developed ANFIS-PID controller, which are grid partitioning (genfis1), subtractive clustering (genfis2), and fuzzy C-means clustering (genfis3).
 - MATLAB Simulink was used to apply the ANFIS system to the gripper design.
 - A comparison is executed between the results of the proposed ANFIS-PID and other controllers, such as traditional PID and Fuzzy-PID.
 - Different scenarios were applied to the proposed controller to investigate its effectiveness, such as the use of different displacements of the robotic gripper and the effect of the disturbances.
 - Grip force control was conducted and investigated with the proposed ANFIS to evaluate the actual gripping performance of objects. In this case, the performance of the proposed ANFIS-PID is compared with Fuzzy-PID. Three different scenarios were investigated to present the efficiency of the proposed controller. All these simulations were implemented in MATLAB.
 
2. Materials and Methods
2.1. Neuro-Fuzzy Technique
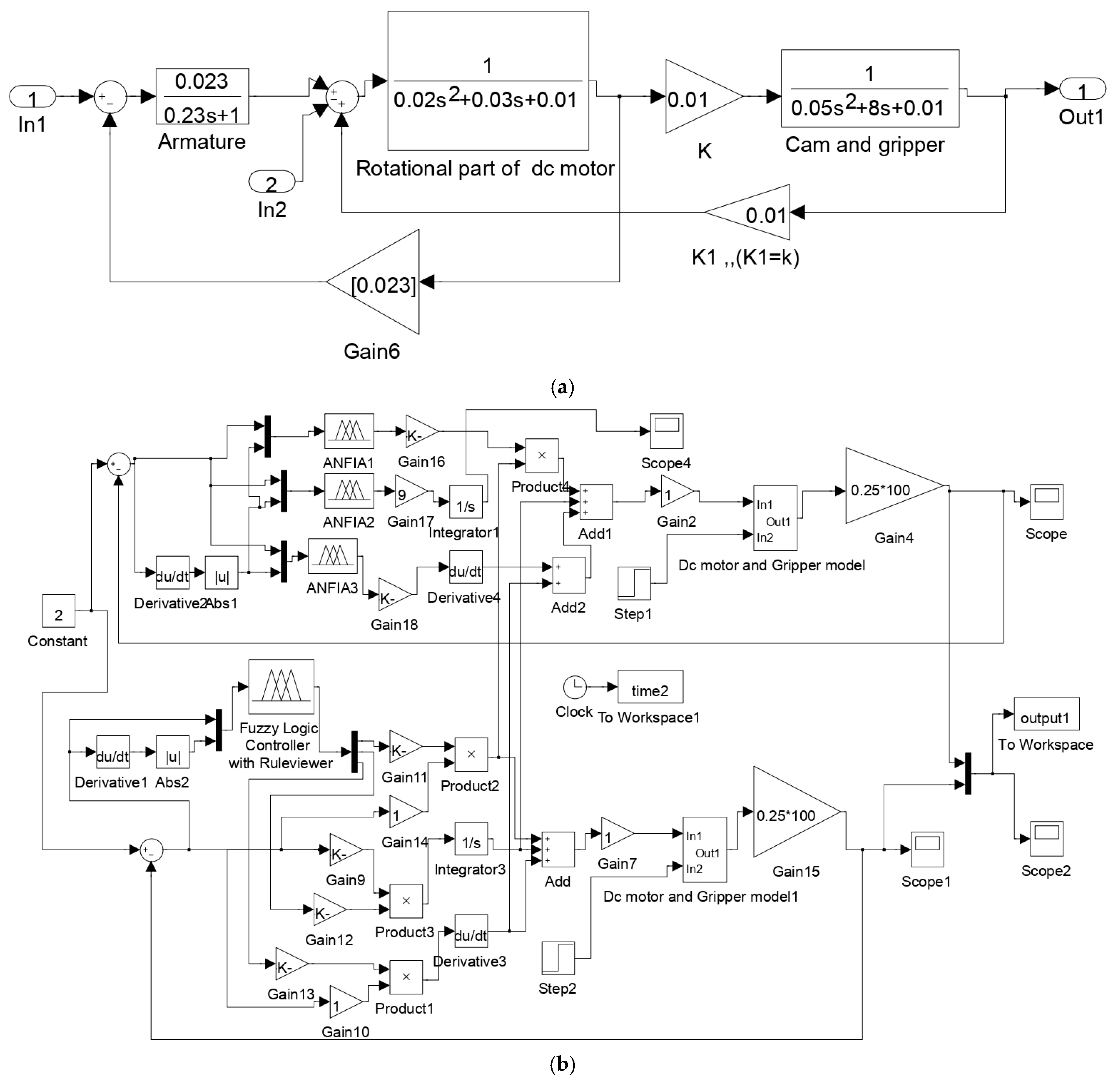
2.2. The Proposed Gripper Design
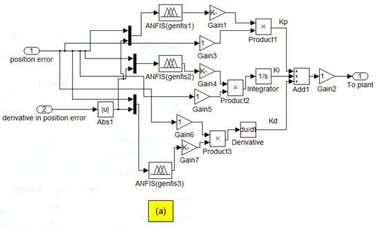
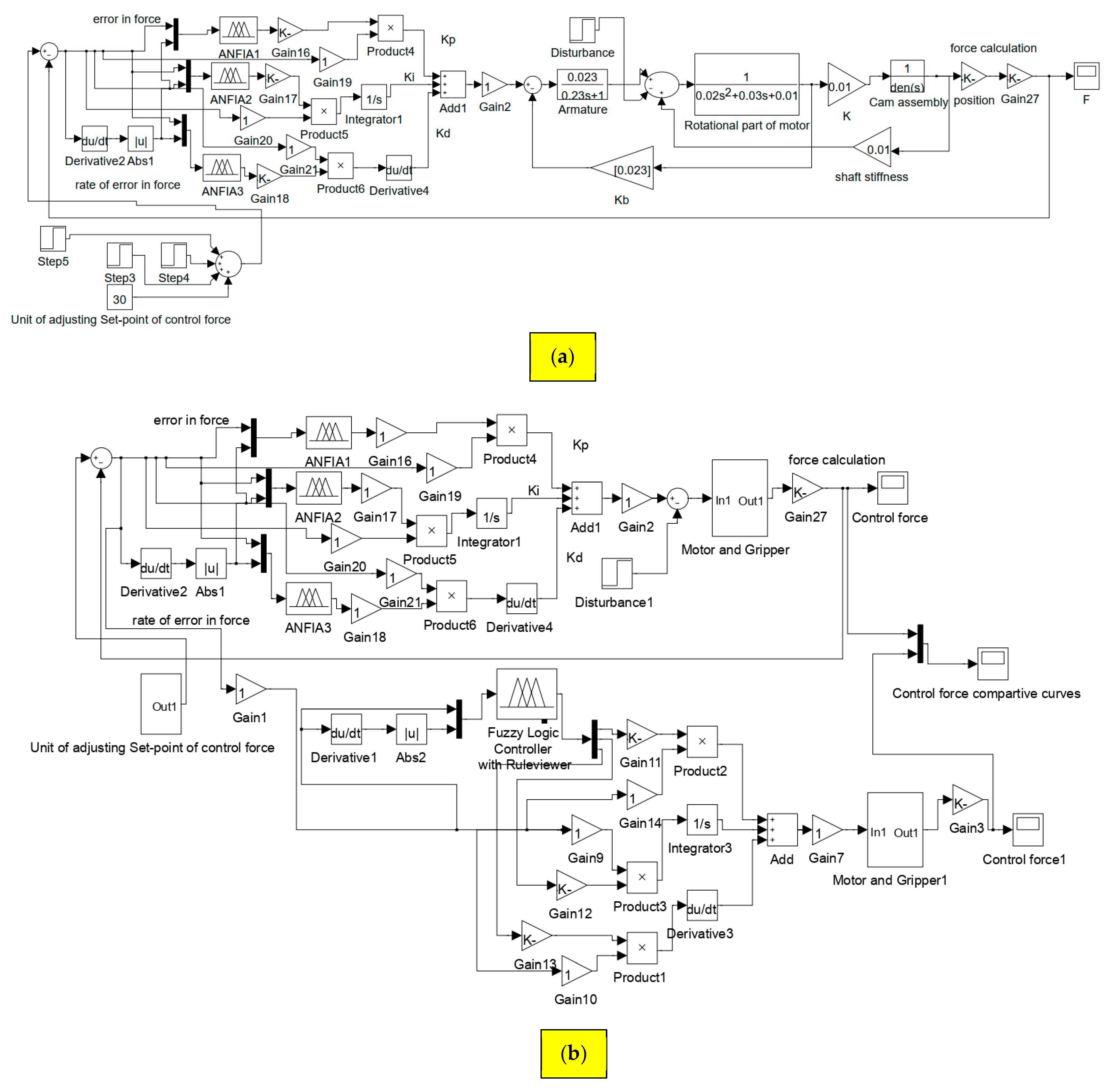
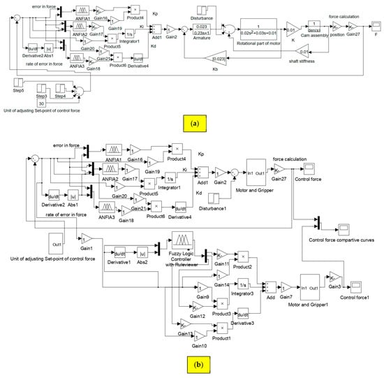
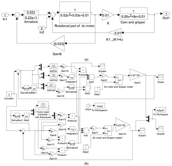
2.3. The Simulink Modeling
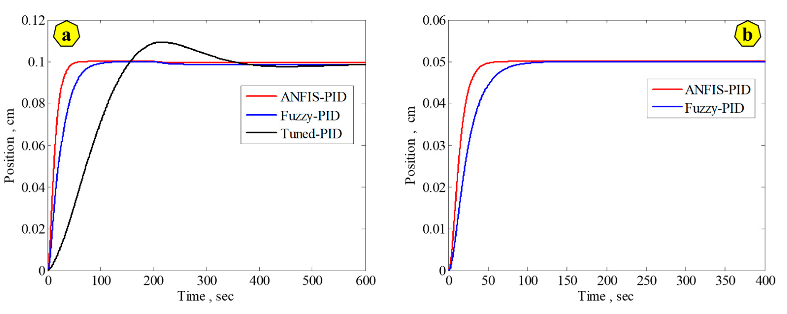
3. Gripper Position Control: Results and Discussion
3.1. Comparative Analysis of FIS Generation Methods in ANFIS
3.1.1. Grid Partitioning Method: Analysis of Results
3.1.2. Subtractive Clustering Method: Evaluation of genfis2 Outcomes
3.1.3. Fuzzy C-Means Clustering Approach: Results from genfis3
3.2. Effects of External Disturbances
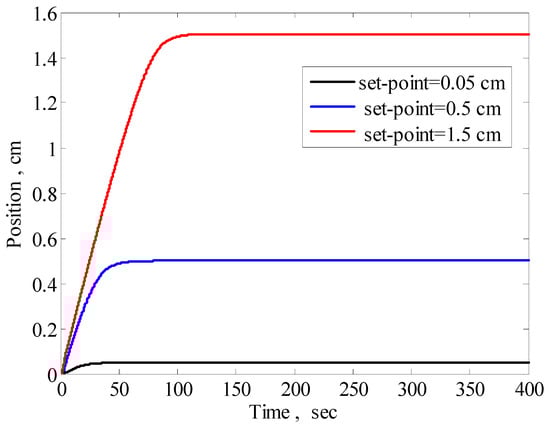
3.3. Effects of Displacement Variation on ANFIS Model
4. Gripper Force Control Simulations and Results
4.1. Scenario 1: The Ability to Achieve a Required Force of 30 N to Hold an Object
4.2. Scenario 2: Changes in the Required Force from 30 N to 60 N During the Holding an Object
4.3. Scenario 3: The Force Is Dropped to 0 N (The Gripper Is Returning to the Original Position)
4.4. Effects of Internal and External Disturbances
5. Conclusions and Future Work
- The added cam improved gripping strength, and the ANFIS model effectively handled rise time and supported settling time.
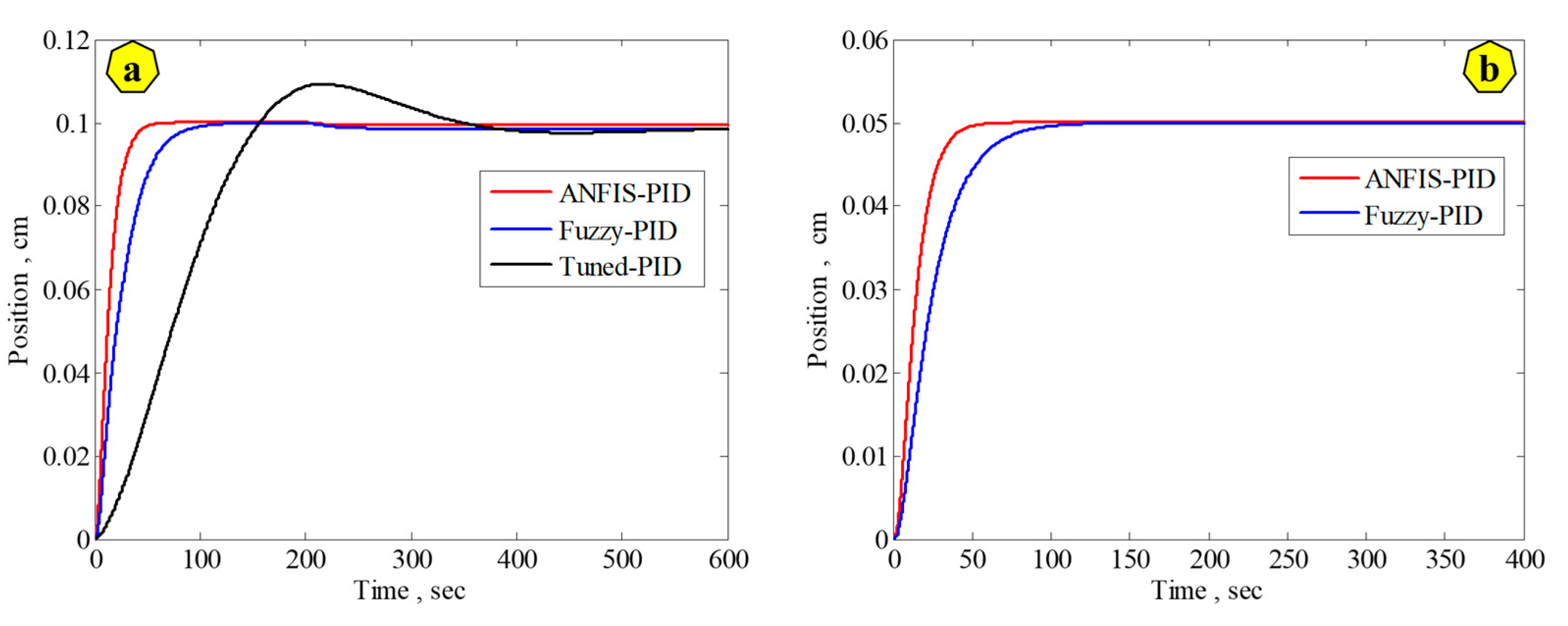
 - Compared to Fuzzy-PID and conventional tuned-PID controllers, the developed ANFIS-PID controller demonstrated more efficient performance. This performance improvement was evident in all the scenarios tested, including grid partitioning (), subtractive clustering (), and fuzzy C-means clustering ().
 - When the developed ANFIS-PID controller was examined under the influence of dynamic disturbance, it could automatically adjust the values of its parameters to resist the applied disturbance and maintain the required value of the gripper movement.
 - The developed ANFIS-PID controller was very flexible when dealing with variable displacements and a wide range of set points. Although it was tested at low values of 0.05 cm, medium values of 0.5 cm, and relatively large values of 1.5 cm, the results were encouraging, and a steady state was achieved quickly for various set points.
 - The result from developing grip force control by investigating three different scenarios reveals a higher actual gripping performance of objects when using the proposed ANFIS-PID than the Fuzzy-PID system.
 - The force controller’s ability to overcome internal and external disturbances that the system may be exposed to was tested. The results show that the proposed controller presented high efficiency in reducing these disturbances and returning the force curve to the desired value, which provides stability in controlling the samples in a flexible and accurate manner.
 
Supplementary Materials
Author Contributions
Funding
Data Availability Statement
Conflicts of Interest
List of Used Symbols
| Symbol | Definition | Measuring Unit | 
| r | Radius of base circle of cam | cm | 
| Damping coefficient of DC motor parts | N·m·s | |
| Damping coefficient of cam assembly | N·m·s | |
| θ1 | Angular movement of rotating parts of DC motor | rad | 
| θ2 | Angular movement of rotating parts of cam assembly | rad | 
| Angular speed of DC motor | rad/s | |
| Armature current | A | |
| Ra | Armature resistance | Ω | 
| La | Armature inductance | H | 
| Motor torque | N·m | |
| Moment of inertia of rotating part of DC motor | kg·m2 | |
| Moment of inertia of rotating part of cam assembly | kg·m2 | |
| Stiffness constant of shaft | N·m/rad | |
| Kp | Proportional gain of PID controller | ------ | 
| Ki | Integral gain of PID controller | ------ | 
| Kd | Derivative gain of PID controller | ------ | 
| Control force | N | |
| Spring constant | N/m | |
| m | Mass of sample, piece, or object | kg | 
| N | Reaction force | N | 
| µs | Coefficient of friction between gripper and sample | ------ | 
| g | Acceleration of gravity | m/s2 | 
Appendix A. Additional Information and Figures for
- (A)
 - Rule base of
 
| Rule base of | 
|   1. “If (ep is in1_mf1) & (dep is in2_mf1) then (Kp is out1_mf1) (RW)”   2. “If (ep is in1_mf1) & (dep is in2_mf2) then (Kp is out1_mf2) (RW)” 3. “If (ep is in1_mf1) & (dep is in2_mf3) then (Kp is out1_mf3) (RW)” 4. “If (ep is in1_mf1) & (dep is in2_mf4) then (Kp is out1_mf4) (RW)” 5. “If (ep is in1_mf1) & (dep is in2_mf5) then (Kp is out1_mf5) (RW)” 6. “If (ep is in1_mf2) & (dep is in2_mf1) then (Kp is out1_mf6) (RW)” 7. “If (ep is in1_mf2) & (dep is in2_mf2) then (Kp is out1_mf7) (RW)” 8. “If (ep is in1_mf2) & (dep is in2_mf3) then (Kp is out1_mf8) (RW)” 9. “If (ep is in1_mf2) & (dep is in2_mf4) then (Kp is out1_mf9) (RW)” 10. “If (ep is in1_mf2) & (dep is in2_mf5) then (Kp is out1_mf10) (RW)” 11. “If (ep is in1_mf3) & (dep is in2_mf1) then (Kp is out1_mf11) (RW)” 12. “If (ep is in1_mf3) & (dep is in2_mf2) then (Kp is out1_mf12) (RW)” 13. “If (ep is in1_mf3) & (dep is in2_mf3) then (Kp is out1_mf13) (RW)” 14. “If (ep is in1_mf3) & (dep is in2_mf4) then (Kp is out1_mf14) (RW)” 15. “If (ep is in1_mf3) & (dep is in2_mf5) then (Kp is out1_mf15) (RW)” 16. “If (ep is in1_mf4) & (dep is in2_mf1) then (Kp is out1_mf16) (RW)” 17. If (ep is in1mf4) & (dep is in2mf2) then (output is out1mf17) (RW)” 18. “If (ep is in1_mf4) & (dep is in2_mf3) then (Kp is out1_mf18) (RW)” 19. “If (ep is in1_mf4) & (dep is in2_mf4) then (Kp is out1_mf19) (RW)” 20. “If (ep is in1_mf4) & (dep is in2_mf5) then (Kp is out1_mf20) (RW)” 21. “If (ep is in1_mf5) & (dep is in2_mf1) then (Kp is out1_mf21) (RW)” 22. “If (ep is in1_mf5) & (dep is in2_mf2) then (Kp is out1_mf22) (RW)” 23. “If (ep is in1_mf5) & (dep is in2_mf3) then (Kp is out1_mf23) (RW)” 24. “If (ep is in1_mf5) & (dep is in2_mf4) then (Kp is out1_mf24) (RW)” 25. “If (ep is in1_mf5) & (dep is in2_mf5) then (Kp is out1_mf25) (RW)”  | 
- (B)
 - The surface plot of input–output in
 

Appendix B. Additional Information and Figures for
- (A)
 - Rule base of
 
| Rule base of | 
|   1. “If (ep is in1_cluster1) & (dep is in2_cluster1) then (Ki is out2_cluster1) (RW)”   2. “If (ep is in1_cluster2) & (dep is in2_cluster2) then (Ki is out2_cluster2) (RW)” 3. “If (ep is in1_cluster3) & (dep is in2_cluster3) then (Ki is out2_cluster3) (RW)”  | 
- (B)
 - The surface plot of input–output in
 

Appendix C. Additional Information and Figures for
- (A)
 - Rule base of
 
| Rule base of genfis3 | 
|   1. “If (ep is in1_cluster1) & (dep is in2_cluster1) then (Kd is out3_cluster1) (RW)   2. “If (ep is in1_cluster2) & (dep is in2_cluster2) then (Kd is out3_cluster2) (RW) 3. “If (ep is in1_cluster3) & (dep is in2_cluster3) then (Kd is out3_cluster3) (RW) 4. “If (ep is in1_cluster4) & (dep is in2_cluster4) then (Kd is out3_cluster4) (RW)  | 
- (B)
 - The surface plot of input–output in
 

References
- Zhang, B.; Xie, Y.; Zhou, J.; Wang, K.; Zhang, Z. State-of-the-art robotic grippers, grasping and control strategies, as well as their applications in agricultural robots: A review. Comput. Electron. Agric. 2020, 177, 105694. [Google Scholar] [CrossRef]
 - Takacs, K.; Mason, A.; Christensen, L.B.; Haidegger, T. Robotic grippers for large and soft object manipulation. In Proceedings of the 20th IEEE International Symposium on Computational Intelligence and Informatics, CINTI 2020—Proceedings, Budapest, Hungary, 5–7 November 2020. [Google Scholar] [CrossRef]
 - Zhakypov, Z.; Heremans, F.; Billard, A.; Paik, J. An origami-inspired reconfigurable suction gripper for picking objects with variable shape and size. IEEE Robot. Autom. Lett. 2018, 3, 2894–2901. [Google Scholar] [CrossRef]
 - Mahmoud, K.H.; Abdel-Jaber, G.T.; Sharkawy, A.N. Neural Network-Based Classifier for Collision Classification and Identification for a 3-DOF Industrial Robot. Automation 2024, 5, 13–34. [Google Scholar] [CrossRef]
 - Sharkawy, A.N. Task Location to Improve Human–Robot Cooperation: A Condition Number-Based Approach. Automation 2023, 4, 263–290. [Google Scholar] [CrossRef]
 - Jadhav, R.; Kamble, Y.G. Designing and Optimization of Mechanical Gripper Finger Using Finite Element Analysis. In Techno-Societal 2022; Springer: Cham, Switzerland, 2024. [Google Scholar] [CrossRef]
 - Malik, R.; Verma, Y.; Verma, A.; Rastogi, V. Grasping Force Analysis of 3-Fingered Gripper. In Lecture Notes in Mechanical Engineering; Springer: Singapore, 2022. [Google Scholar] [CrossRef]
 - Gabriel, F.; Fahning, M.; Meiners, J.; Dietrich, F.; Dröder, K. Modeling of vacuum grippers for the design of energy efficient vacuum-based handling processes. Prod. Eng. 2020, 14, 545–554. [Google Scholar] [CrossRef]
 - Maggi, M.; Mantriota, G.; Reina, G. Introducing POLYPUS: A novel adaptive vacuum gripper. Mech. Mach. Theory 2022, 167, 104483. [Google Scholar] [CrossRef]
 - Zhu, H.; Lin, Z.; Yan, J.; Ye, P.; Zhang, W.; Mao, S.; Guan, Y. Compact lightweight magnetic gripper designed for biped climbing robots based on coaxial rotation of multiple magnets. Robot. Auton. Syst. 2022, 155, 104164. [Google Scholar] [CrossRef]
 - Son, C.H.; Jeong, S.; Lee, S.; Ferreira, P.M.; Kim, S. Tunable Adhesion of Shape Memory Polymer Dry Adhesive Soft Robotic Gripper via Stiffness Control. Robotics 2023, 12, 59. [Google Scholar] [CrossRef]
 - Kostov, B.; Hristov, V. Comparision Between the Performance of Pneumatical and Electrical Grippers for Industrial Robots. In Proceedings of the 2023 11th International Scientific Conference on Computer Science, COMSCI 2023—Proceedings, Sozopol, Bulgaria, 18–20 September 2023. [Google Scholar] [CrossRef]
 - Long, Z.; Jiang, Q.; Shuai, T.; Wen, F.; Liang, C. A Systematic Review and Meta-analysis of Robotic Gripper. In IOP Conference Series: Materials Science and Engineering; IOP Publishing Ltd.: Bristol, UK, 2020. [Google Scholar] [CrossRef]
 - Diveev, A.; Shmalko, E.; Serebrenny, V.; Zentay, P. Fundamentals of synthesized optimal control. Mathematics 2021, 9, 21. [Google Scholar] [CrossRef]
 - Soliman, A.M.; Zaki, A.M.; El-Shafei, A.M.; Mahgoub, O.A. A robotic gripper based on advanced system set-up and fuzzy control algorithm. In Proceedings of the 2009 IEEE International Conference on Automation and Logistics, ICAL 2009, Shenyang, China, 5–7 August 2009. [Google Scholar] [CrossRef]
 - Vaishnav, S.; Khan, Z. Design and performance of PID and fuzzy logic controller with smaller rule set for higher order system. In Proceedings of the World Congress on Engineering and Computer Science 2007 WCECS 2007, San Francisco, CA, USA, 24–26 October 2007. [Google Scholar]
 - Tamilselvan, G.M.; Aarthy, P. Online tuning of fuzzy logic controller using Kalman algorithm for conical tank system. J. Appl. Res. Technol. 2017, 15, 492–503. [Google Scholar] [CrossRef]
 - Bachi, I.O.; Bahedh, A.S.; Kheioon, I.A. Design of control system for steel strip-rolling mill using NARMA-L2. J. Mech. Sci. Technol. 2021, 35, 1429–1436. [Google Scholar] [CrossRef]
 - Caccia, M.; Bibuli, M.; Bono, R.; Bruzzone, G. Basic navigation, guidance and control of an Unmanned Surface Vehicle. Auton. Robot. 2008, 25, 349–365. [Google Scholar] [CrossRef]
 - Yager, R.R.; Zadeh, L.A. (Eds.) An Introduction to Fuzzy Logic Applications in Intelligent Systems; Springer: New York, NY, USA, 1992. [Google Scholar] [CrossRef]
 - Somwanshi, D.; Bundele, M.; Kumar, G.; Parashar, G. Comparison of fuzzy-PID and PID controller for speed control of DC motor using LabVIEW. Procedia Comput. Sci. 2019, 152, 252–260. [Google Scholar] [CrossRef]
 - Aslinezhad, M.; Malekijavan, A.; Abbasi, P. Adaptive neuro-fuzzy modeling of a soft finger-like actuator for cyber-physical industrial systems. J. Supercomput. 2021, 77, 2624–2644. [Google Scholar] [CrossRef]
 - Nguyen, T.V.T.; Huynh, N.T.; Vu, N.C.; Kieu, V.N.D.; Huang, S.C. Optimizing compliant gripper mechanism design by employing an effective bi-algorithm: Fuzzy logic and ANFIS. Microsyst. Technol. 2021, 27, 3389–3412. [Google Scholar] [CrossRef]
 - Dinh, V.B.; Tran, N.T.; Dao, T.P. An integration framework of topology method, enhanced adaptive neuro-fuzzy inference system, water cycle algorithm with evaporation rate for design optimization for a flexure gripper. Neural Comput. Appl. 2022, 34, 349–374. [Google Scholar] [CrossRef]
 - Huynh, B.P.; Kuo, Y.L. Optimal fuzzy impedance control for a robot gripper using gradient descent iterative learning control in fuzzy rule base design. Appl. Sci. 2020, 10, 3821. [Google Scholar] [CrossRef]
 - Mukhtar, M.; Khudher, D.; Kalganova, T. A control structure for ambidextrous robot arm based on Multiple Adaptive Neuro-Fuzzy Inference System. IET Control. Theory Appl. 2021, 15, 1518–1532. [Google Scholar] [CrossRef]
 - Bahedh, A.S.; Kheioon, I.A.; Munahi, B.S.; Al-Sabur, R. Modelling and controlling of modified robotic gripper mechanism using intelligent technique scheme. In Proceedings of the 2022 Iraqi International Conference on Communication and Information Technologies, IICCIT 2022, Basrah, Iraq, 7–8 September 2022. [Google Scholar] [CrossRef]
 - Hazem, B.; Bingül. A comparative study of anti-swing radial basis neural-fuzzy LQR controller for multi-degree-of-freedom rotary pendulum systems. Neural Comput. Appl. 2023, 35, 17397–17413. [Google Scholar] [CrossRef]
 - de Campos Souza, P.V. Fuzzy neural networks and neuro-fuzzy networks: A review the main techniques and applications used in the literature. Appl. Soft Comput. J. 2020, 92, 106275. [Google Scholar] [CrossRef]
 - Vashishtha, S.; Gupta, V.; Mittal, M. Sentiment analysis using fuzzy logic: A comprehensive literature review. WIREs Data Min. Knowl. Discov. 2023, 13, e1509. [Google Scholar] [CrossRef]
 - Sadighi, M.; Motamedvaziri, B.; Ahmadi, H.; Moeini, A. Assessing landslide susceptibility using machine learning models: A comparison between ANN, ANFIS, and ANFIS-ICA. Environ. Earth Sci. 2020, 79, 536. [Google Scholar] [CrossRef]
 - Wang, G.; Zhou, T.; Choi, K.S.; Lu, J. A Deep-Ensemble-Level-Based Interpretable Takagi-Sugeno-Kang Fuzzy Classifier for Imbalanced Data. IEEE Trans. Cybern. 2022, 52, 3805–3818. [Google Scholar] [CrossRef] [PubMed]
 - Pal, D.; Bhagat, S.K. Design and Analysis of Optimization based Integrated ANFIS- PID Controller for Networked Controlled Systems (NCSs). Cogent Eng. 2020, 7, 1772944. [Google Scholar] [CrossRef]
 - Najib, M.; Salleh, M.; Talpur, N.; Hussain, K. Adaptive Neuro-Fuzzy Inference System: Overview, Strengths, Limitations, and Solutions. In Lecture Notes in Computer Science; LNISA; Springer: Cham, Switzerland, 2017; Volume 10387, pp. 527–535. [Google Scholar] [CrossRef]
 - Khuntia, S.R.; Panda, S. ANFIS approach for SSSC controller design for the improvement of transient stability performance. Math. Comput. Model. 2013, 57, 289–300. [Google Scholar] [CrossRef]
 - Vargas, O.S.; De Leon Aldaco, S.E.; Alquicira, J.A.; Vela-Valdes, L.G.; Nunez, A.R.L. Adaptive Network-Based Fuzzy Inference System (ANFIS) Applied to Inverters: A Survey. IEEE Trans. Power Electron. 2024, 39, 869–884. [Google Scholar] [CrossRef]
 - Datta, R.; Saravanakumar, R.; Dey, R.; Bhattacharya, B.; Ahn, C.K. Improved stabilization criteria for Takagi–Sugeno fuzzy systems with variable delays. Inf. Sci. 2021, 579, 591–606. [Google Scholar] [CrossRef]
 - Elouni, M.; Hamdi, H.; Rabaoui, B.; Braiek, N.B. Adaptive PID Fault-Tolerant Tracking Controller for Takagi-Sugeno Fuzzy Systems with Actuator Faults: Application to Single-Link Flexible Joint Robot. Int. J. Robot. Control. Syst. 2022, 2, 523–546. [Google Scholar] [CrossRef]
 - Ghany, M.A.A.; Bahgat, M.E.; Refaey, W.M.; Sharaf, S. Type-2 fuzzy self-tuning of modified fractional-order PID based on Takagi–Sugeno method. J. Electr. Syst. Inf. Technol. 2020, 7, 2. [Google Scholar] [CrossRef]
 - Alavala, C.R. Fuzzy Logic and Neural Networks: Basic Concepts & Application; New Age International Publishers: New Delhi, India, 2017. [Google Scholar]
 - Koustoumpardis, P.N.; Smyrnis, S.; Aspragathos, N.A. A 3-finger robotic gripper for grasping fabrics based on cams-followers mechanism. In Mechanisms and Machine Science; Springer: Cham, Switzerland, 2018; Volume 49, pp. 612–620. [Google Scholar] [CrossRef]
 - Silva-Caballero, A.; González-Palacios, M.A.; Aguilera-Cortés, L.A. Implementation of the Slide-O-Cam mechanism in the design of a robot gripper. In Proceedings of the 13th World Congress in Mechanism and Machine Science, Guanajuato, Mexico, 19–23 June 2011; pp. 19–25. [Google Scholar]
 - Dang, T.N. Design and Simulation of a New Concentric Gripper with Two-Finger and Support Bar Driven by a Wedge Cam. In Lecture Notes in Networks and Systems; LNNS; Springer Nature: Cham, Switzerland, 2024; Volume 943, pp. 352–366. [Google Scholar] [CrossRef]
 - Pozzi, M.; Achilli, G.M.; Valigi, M.C.; Malvezzi, M. Modeling and Simulation of Robotic Grasping in Simulink Through Simscape Multibody. Front. Robot. AI 2022, 9, 873558. [Google Scholar] [CrossRef] [PubMed]
 - Hassan, A.; Abomoharam, M. Modeling and design optimization of a robot gripper mechanism. Robot. Comput.-Integr. Manuf. 2017, 46, 94–103. [Google Scholar] [CrossRef]
 - Ferretti, G.; Magnani, G.; Rocco, P.; Viganò, L. Modelling and simulation of a gripper with Dymola. Math. Comput. Model. Dyn. Syst. 2006, 12, 89–102. [Google Scholar] [CrossRef]
 - Rawashdeh, N.; Abu-Alrub, N. Gripper control design and simulation for openrov submarine robot. Actuators 2021, 10, 252. [Google Scholar] [CrossRef]
 - Datta, R.; Pradhan, S.; Bhattacharya, B. Analysis and Design Optimization of a Robotic Gripper Using Multiobjective Genetic Algorithm. IEEE Trans. Syst. Man Cybern. Syst. 2016, 46, 16–26. [Google Scholar] [CrossRef]
 - Aslam, M.S.; Tiwari, P.; Pandey, H.M.; Band, S.S.; El Sayed, H. A delayed Takagi–Sugeno fuzzy control approach with uncertain measurements using an extended sliding mode observer. Inf. Sci. 2023, 643, 119204. [Google Scholar] [CrossRef]
 - Aslam, M.S.; Tiwari, P.; Pandey, H.M.; Band, S.S. Robust stability analysis for class of Takagi-Sugeno (TS) fuzzy with stochastic process for sustainable hypersonic vehicles. Inf. Sci. 2023, 641, 119044. [Google Scholar] [CrossRef]
 - Aslam, M.S.; Bilal, H.; Band, S.S.; Ghasemi, P. Modeling of nonlinear supply chain management with lead-times based on Takagi-Sugeno fuzzy control model. Eng. Appl. Artif. Intell. 2024, 133, 108131. [Google Scholar] [CrossRef]
 - Tran, N.T.; Dang, M.P.; Dao, T.P. A new optimal design synthesis method for flexure-based mechanism: Recent advance of metaheuristic-based artificial intelligence for precision micropositioning system. Microsyst. Technol. 2024, 30, 1–31. [Google Scholar] [CrossRef]
 - Karsaz, A. Chattering-free hybrid adaptive neuro-fuzzy inference system-particle swarm optimisation data fusion-based BG-level control. IET Syst. Biol. 2020, 14, 31–38. [Google Scholar] [CrossRef]
 - Hussain, W.; Merigó, J.M.; Raza, M.R.; Gao, H. A new QoS prediction model using hybrid IOWA-ANFIS with fuzzy C-means, subtractive clustering and grid partitioning. Inf. Sci. 2022, 584, 280–300. [Google Scholar] [CrossRef]
 - Abdullahi, S.B.; Muangchoo, K.; Abubakar, A.B.; Ibrahim, A.H.; Aremu, K.O. Data-Driven AI-Based Parameters Tuning Using Grid Partition Algorithm for Predicting Climatic Effect on Epidemic Diseases. IEEE Access 2021, 9, 55388–55412. [Google Scholar] [CrossRef]
 - Zanganeh, M. Improvement of the ANFIS-based wave predictor models by the Particle Swarm Optimization. J. Ocean. Eng. Sci. 2020, 5, 84–99. [Google Scholar] [CrossRef]
 - Ghobadiha, Y.; Motieyan, H. Urban growth modelling in Qazvin, Iran: An investigation into the performance of three ANFIS methods. J. Spat. Sci. 2023, 68, 523–542. [Google Scholar] [CrossRef]
 - Ramadan, A.; Kamel, S.; Hamdan, I.; Agwa, A.M. A Novel Intelligent ANFIS for the Dynamic Model of Photovoltaic Systems. Mathematics 2022, 10, 1286. [Google Scholar] [CrossRef]
 - Al-Gathe, A.A.; Baarimah, S.O.; Al-Khudafi, A.M. Modelling gas compressibility factor using different fuzzy methods. AIP Conf. Proc. 2022, 2443, 030031. [Google Scholar] [CrossRef]
 - Bobyr, M.V.; Emelyanov, S.G. A nonlinear method of learning neuro-fuzzy models for dynamic control systems. Appl. Soft Comput. J. 2020, 88, 106030. [Google Scholar] [CrossRef]
 - Jawad, Q.A.; Mohammed, R.J.; Hadi, A.K.; Kheioon, I.A. Liquid Level Controlling Using the Intelligent Techniques. In Proceedings of the 2023 7th International Symposium on Multidisciplinary Studies and Innovative Technologies (ISMSIT), Ankara, Turkiye, 26–28 October 2023. [Google Scholar] [CrossRef]
 - Rojas-García, L.N.; Chávez-Olivares, C.A.; Bonilla-Gutiérrez, I.; Mendoza-Gutiérrez, M.O.; Ramírez-Cardona, F. Force/position control with bounded actions on a dexterous robotic hand with two-degree-of-freedom fingers. Biocybern. Biomed. Eng. 2022, 42, 233–246. [Google Scholar] [CrossRef]
 - Cortinovis, S.; Vitrani, G.; Maggiali, M.; Romeo, R.A. Control Methodologies for Robotic Grippers: A Review. Actuators 2023, 12, 332. [Google Scholar] [CrossRef]
 - Sadun, A.S.; Jalani, J.; Sukor, J.A.; Jamil, F. Force control for a 3-Finger Adaptive Robot Gripper by using PID controller. In Proceedings of the 2016 2nd IEEE International Symposium on Robotics and Manufacturing Automation (ROMA), Ipoh, Malaysia, 25–27 September 2016; pp. 1–6. [Google Scholar] [CrossRef]
 - Vitrani, G.; Cortinovis, S.; Fiorio, L.; Maggiali, M.; Romeo, R.A. Improving the Grasping Force Behavior of a Robotic Gripper: Model, Simulations, and Experiments. Robotics 2023, 12, 148. [Google Scholar] [CrossRef]
 































| Parameter | Magnitude | 
|---|---|
| r | 3.5 cm | 
| 0.03 N·m·s | |
| 8 N·m·s | |
| 0.02 kg·m2 | |
| 0.05 kg·m2 | |
| Motor constant, Km | 0.023 N·m/A | 
| Back electromotive gain, Kb | 0.023 V/rad | 
| La | 0.23 Henry | 
| Ra | 1 Ω | 
| Parameter | Default | |||
|---|---|---|---|---|
| Training epoch number | 10 | 20 | 20 | 20 | 
| Training error goal | 0 | 0 | 0 | 0 | 
| Initial step size | 0.01 | 0.03 | 1.3 | 0.03 | 
| Step size decrease rate | 0.9 | 1.5 | 1.5 | 1.5 | 
| Step size increase rate | 1.1 | 1.5 | 1.5 | 1.5 | 
| Variable | Tuned PID | Fuzzy-PID | ANFIS-PID | 
|---|---|---|---|
| Rise time (s) | 156.93 | 150 | 76 | 
| Maximum overshoot (%) | 10% | 0 | 0 | 
| Steady-state error (cm) | 0.0005 | 0.0001 | 0.000025 | 
| Parameter | Magnitude | 
|---|---|
| 8–30 KN/m | |
| m | 0.2–5 kg | 
| 0.2–0.8 | |
| 0.03 N·m·s | |
| 8 N·m·s | |
| 0.02 kg·m2 | |
| 0.05 kg·m2 | |
| Motor constant, Km | 0.023 N·m/A | 
| Back electromotive gain, Kb | 0.023 V/rad | 
| La | 0.23 Henry | 
| r | 3.5 cm | 
| Ra | 1 Ω | 
Disclaimer/Publisher’s Note: The statements, opinions and data contained in all publications are solely those of the individual author(s) and contributor(s) and not of MDPI and/or the editor(s). MDPI and/or the editor(s) disclaim responsibility for any injury to people or property resulting from any ideas, methods, instructions or products referred to in the content.  | 
© 2025 by the authors. Licensee MDPI, Basel, Switzerland. This article is an open access article distributed under the terms and conditions of the Creative Commons Attribution (CC BY) license (https://creativecommons.org/licenses/by/4.0/).
Share and Cite
Kheioon, I.A.; Al-Sabur, R.; Sharkawy, A.-N. Design and Modeling of an Intelligent Robotic Gripper Using a Cam Mechanism with Position and Force Control Using an Adaptive Neuro-Fuzzy Computing Technique. Automation 2025, 6, 4. https://doi.org/10.3390/automation6010004
Kheioon IA, Al-Sabur R, Sharkawy A-N. Design and Modeling of an Intelligent Robotic Gripper Using a Cam Mechanism with Position and Force Control Using an Adaptive Neuro-Fuzzy Computing Technique. Automation. 2025; 6(1):4. https://doi.org/10.3390/automation6010004
Chicago/Turabian StyleKheioon, Imad A., Raheem Al-Sabur, and Abdel-Nasser Sharkawy. 2025. "Design and Modeling of an Intelligent Robotic Gripper Using a Cam Mechanism with Position and Force Control Using an Adaptive Neuro-Fuzzy Computing Technique" Automation 6, no. 1: 4. https://doi.org/10.3390/automation6010004
APA StyleKheioon, I. A., Al-Sabur, R., & Sharkawy, A.-N. (2025). Design and Modeling of an Intelligent Robotic Gripper Using a Cam Mechanism with Position and Force Control Using an Adaptive Neuro-Fuzzy Computing Technique. Automation, 6(1), 4. https://doi.org/10.3390/automation6010004
        