Advanced Adaptive Rule-Based Energy Management for Hybrid Energy Storage Systems (HESSs) to Enhance the Driving Range of Electric Vehicles
Abstract
1. Introduction
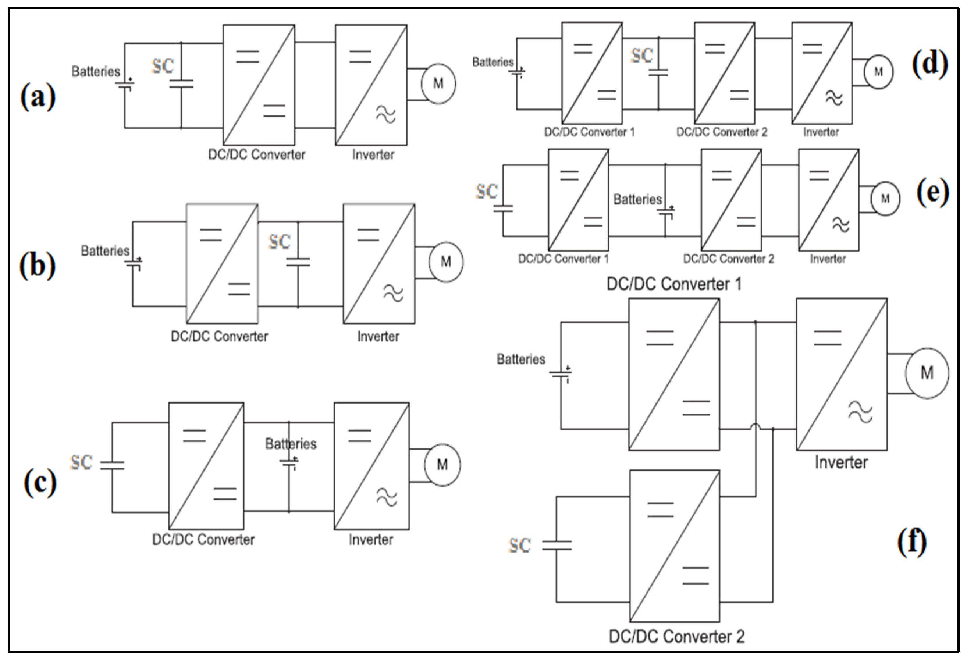
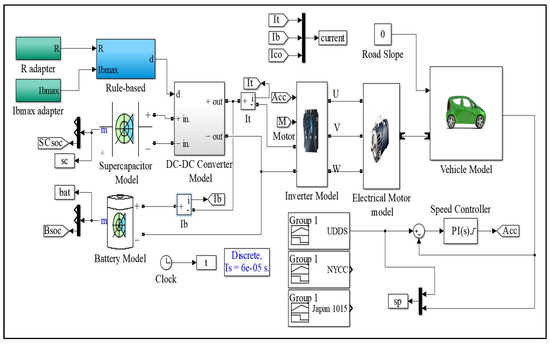
2. System Structure and Modeling
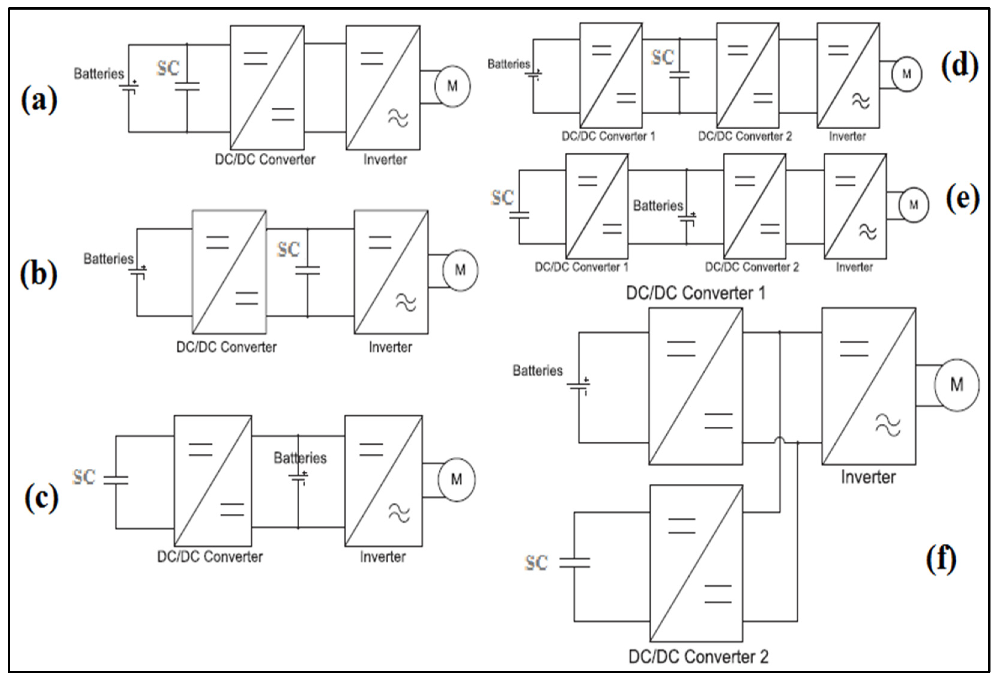
2.1. Hybrid Energy Storage System Model
2.2. Electric Vehicle Model
3. Designing the Energy Management System of the HESS
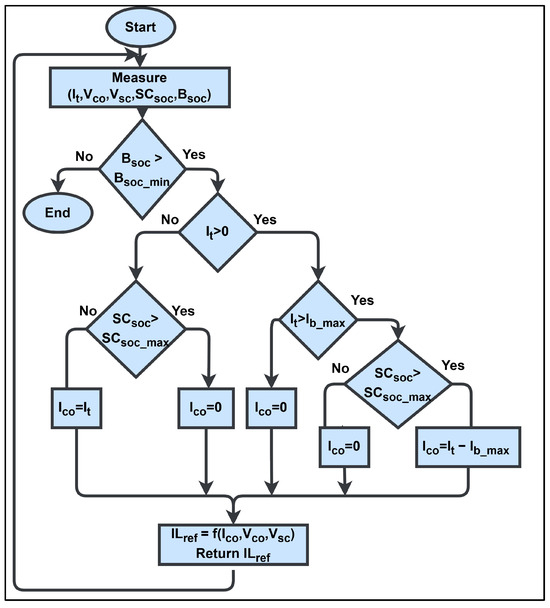
3.1. The Standard Rule-Based Algorithm of the HESS
- It ≈ total load current of the vehicle.
- output current of DC-DC converter.
- maximum battery current.
- output voltage of DC-DC converter.
- battery state of charge.
- supercapacitor state of charge.
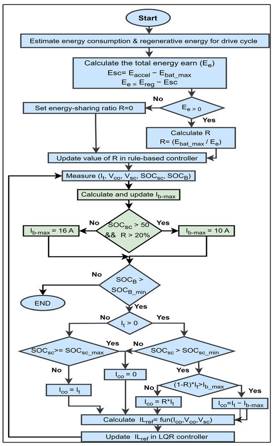
3.2. The Adaptive Rule-Based Algorithm of the HESS
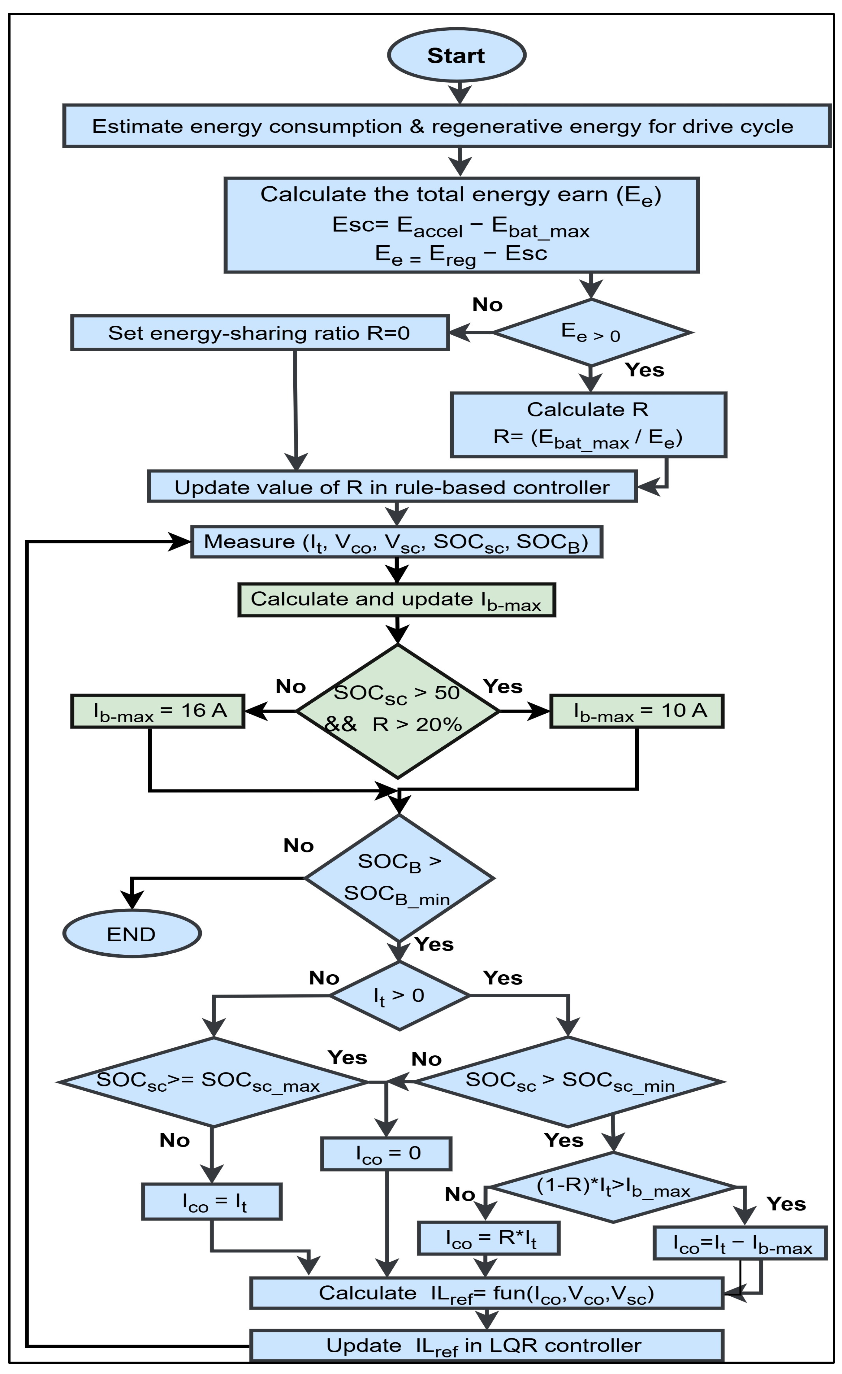
3.3. The Advanced Adaptive Rule-Based Algorithm of the HESS
4. Results and Discussion
4.1. The Results of the Standard Rule-Based Algorithm
4.2. The Results of the Adaptive Rule-Based Algorithm
4.3. The Results of the Advanced Adaptive Rule-Based Algorithm
5. Conclusions
Author Contributions
Funding
Data Availability Statement
Conflicts of Interest
References
- Tran, M.-K.; Bhatti, A.; Vrolyk, R.; Wong, D.; Panchal, S.; Fowler, M.; Fraser, R. A review of range extenders in battery electric vehicles: Current progress and future perspectives. World Electr. Veh. J. 2021, 12, 54. [Google Scholar] [CrossRef]
- Javadi, M.; Liang, X.; Gong, Y.; Chung, C.Y. Battery energy storage technology in renewable energy integration: A review. In Proceedings of the 2022 IEEE Canadian Conference on Electrical and Computer Engineering (CCECE), Halifax, NS, Canada, 18–20 September 2022; IEEE: Piscataway, NJ, USA, 2022; pp. 435–440. [Google Scholar]
- Devillers, N.; Jemei, S.; Péra, M.-C.; Bienaimé, D.; Gustin, F. Review of characterization methods for supercapacitor modelling. J. Power Sources 2014, 246, 596–608. [Google Scholar] [CrossRef]
- Fotouhi, A.; Propp, K.; Auger, D.J. Electric vehicle battery model identification and state of charge estimation in real world driving cycles. In Proceedings of the 2015 7th Computer Science and Electronic Engineering Conference (CEEC), Colchester, UK, 24–25 September 2015; IEEE: Piscataway, NJ, USA, 2015; pp. 243–248. [Google Scholar]
- Ren, G.; Shan, S.; Ma, G.; Shang, X.; Zhu, S.; Zhang, Q.; Yang, T. Review of energy storage technologies for extended range electric vehicle. J. Appl. Sci. Eng. 2019, 22, 69–82. [Google Scholar]
- Udhaya Sankar, G.; Moorthy, C.G.; RajKumar, G. Smart storage systems for electric vehicles—A review. Smart Sci. 2019, 7, 1–15. [Google Scholar] [CrossRef]
- Balog, R.S.; Davoudi, A. Batteries, battery management, and battery charging technology. In Electric, Hybrid, and Fuel Cell Vehicles; Springer: Berlin/Heidelberg, Germany, 2021; pp. 315–352. [Google Scholar]
- Pearre, N.S.; Kempton, W.; Guensler, R.L.; Elango, V.V. Electric vehicles: How much range is required for a day’s driving? Transp. Res. Part C Emerg. Technol. 2011, 19, 1171–1184. [Google Scholar] [CrossRef]
- Neubauer, J.; Pesaran, A.; Bae, C.; Elder, R.; Cunningham, B. Updating United States Advanced Battery Consortium and Department of Energy battery technology targets for battery electric vehicles. J. Power Sources 2014, 271, 614–621. [Google Scholar] [CrossRef]
- Schaltz, E.; Soylu, S. Electrical vehicle design and modeling. In Electric Vehicles-Modelling and Simulations; IntechOpen: London, UK, 2011; Volume 1, pp. 1–24. [Google Scholar]
- Jordán, J.; Palanca, J.; Del Val, E.; Julian, V.; Botti, V. A multi-agent system for the dynamic emplacement of electric vehicle charging stations. Appl. Sci. 2018, 8, 313. [Google Scholar] [CrossRef]
- Veneri, O.; Capasso, C.; Patalano, S. Experimental investigation into the effectiveness of a super-capacitor based hybrid energy storage system for urban commercial vehicles. Appl. Energy 2018, 227, 312–323. [Google Scholar] [CrossRef]
- Li, Y.; Huang, X.; Liu, D.; Wang, M.; Xu, J. Hybrid energy storage system and energy distribution strategy for four-wheel independent-drive electric vehicles. J. Clean. Prod. 2019, 220, 756–770. [Google Scholar] [CrossRef]
- Capasso, C.; Lauria, D.; Veneri, O. Experimental evaluation of model-based control strategies of sodium-nickel chloride battery plus supercapacitor hybrid storage systems for urban electric vehicles. Appl. Energy 2018, 228, 2478–2489. [Google Scholar] [CrossRef]
- Wang, C.; Liu, R.; Tang, A. Energy management strategy of hybrid energy storage system for electric vehicles based on genetic algorithm optimization and temperature effect. J. Energy Storage 2022, 51, 104314. [Google Scholar] [CrossRef]
- Rezaei, H.; Abdollahi, S.E.; Abdollahi, S.; Filizadeh, S. Energy management strategies of battery-ultracapacitor hybrid storage systems for electric vehicles: Review, challenges, and future trends. J. Energy Storage 2022, 53, 105045. [Google Scholar] [CrossRef]
- Xiang, C.; Wang, Y.; Hu, S.; Wang, W. A new topology and control strategy for a hybrid battery-ultracapacitor energy storage system. Energies 2014, 7, 2874–2896. [Google Scholar] [CrossRef]
- Tie, S.F.; Tan, C.W. A review of energy sources and energy management system in electric vehicles. Renew. Sustain. Energy Rev. 2013, 20, 82–102. [Google Scholar] [CrossRef]
- Ju, F.; Zhang, Q.; Deng, W.; Li, J. Review of structures and control of battery-supercapacitor hybrid energy storage system for electric vehicles. In Advances in Battery Manufacturing, Service, and Management Systems; John Wiley & Sons: Hoboken, NJ, USA, 2016; pp. 303–318. [Google Scholar]
- Cao, J.; Emadi, A. A new battery/ultracapacitor hybrid energy storage system for electric, hybrid, and plug-in hybrid electric vehicles. IEEE Trans. Power Electron. 2011, 27, 122–132. [Google Scholar]
- Ostadi, A.; Kazerani, M.; Chen, S.-K. Hybrid Energy Storage System (HESS) in vehicular applications: A review on interfacing battery and ultra-capacitor units. In Proceedings of the 2013 IEEE Transportation Electrification Conference and Expo (ITEC), Metro Detroit, MI, USA, 16–19 June 2013; IEEE: Piscataway, NJ, USA, 2013; pp. 1–7. [Google Scholar]
- Aharon, I.; Kuperman, A. Topological overview of powertrains for battery-powered vehicles with range extenders. IEEE Trans. Power Electron. 2011, 26, 868–876. [Google Scholar] [CrossRef]
- Pipicelli, M.; Sessa, B.; De Nola, F.; Gimelli, A.; Di Blasio, G. Assessment of Battery–Supercapacitor Topologies of an Electric Vehicle under Real Driving Conditions. Vehicles 2023, 5, 424–445. [Google Scholar] [CrossRef]
- Iannuzzi, D.; Tricoli, P. Speed-based state-of-charge tracking control for metro trains with onboard supercapacitors. IEEE Trans. Power Electron. 2011, 27, 2129–2140. [Google Scholar] [CrossRef]
- Armenta, J.; Núñez, C.; Visairo, N.; Lázaro, I. An advanced energy management system for controlling the ultracapacitor discharge and improving the electric vehicle range. J. Power Sources 2015, 284, 452–458. [Google Scholar] [CrossRef]
- Kuperman, A.; Aharon, I. Battery–ultracapacitor hybrids for pulsed current loads: A review. Renew. Sustain. Energy Rev. 2011, 15, 981–992. [Google Scholar] [CrossRef]
- Laldin, O.; Moshirvaziri, M.; Trescases, O. Predictive algorithm for optimizing power flow in hybrid ultracapacitor/battery storage systems for light electric vehicles. IEEE Trans. Power Electron. 2012, 28, 3882–3895. [Google Scholar] [CrossRef]
- Sadeq, T.; Wai, C.K. Linear quadratic regulator control scheme on hybrid energy storage system. In Proceedings of the 2020 IEEE International Conference on Automatic Control and Intelligent Systems (I2CACIS), Shah Alam, Malaysia, 20 June 2020; IEEE: Piscataway, NJ, USA, 2020; pp. 219–223. [Google Scholar]
- Ehsani, M.; Singh, K.V.; Bansal, H.O.; Mehrjardi, R.T. State of the art and trends in electric and hybrid electric vehicles. Proc. IEEE 2021, 109, 967–984. [Google Scholar] [CrossRef]
- Upadhyaya, A.; Mahanta, C. An Overview of Battery Based Electric Vehicle Technologies with Emphasis on Energy Sources, Their Configuration Topologies and Management Strategies. IEEE Trans. Intell. Transp. Syst. 2023, 25, 1087–1111. [Google Scholar] [CrossRef]
- Hu, X.; Zou, C.; Zhang, C.; Li, Y. Technological developments in batteries: A survey of principal roles, types, and management needs. IEEE Power Energy Mag. 2017, 15, 20–31. [Google Scholar] [CrossRef]
- Tian, Y.; Liu, J.; Yao, Q.; Liu, K. Optimal control strategy for parallel plug-in hybrid electric vehicles based on dynamic programming. World Electr. Veh. J. 2021, 12, 85. [Google Scholar] [CrossRef]
- Abdelaal, A.S.; Mukhopadhyay, S.; Rehman, H. Battery energy management techniques for an electric vehicle traction system. IEEE Access 2022, 10, 84015–84037. [Google Scholar] [CrossRef]
- Şen, M.; Özcan, M.; Eker, Y.R. Fuzzy Logic-Based Energy Management System for Regenerative Braking of Electric Vehicles with Hybrid Energy Storage System. Appl. Sci. 2024, 14, 3077. [Google Scholar] [CrossRef]
- Salari, A.H.; Mirzaeinejad, H.; Mahani, M.F. A new control algorithm of regenerative braking management for energy efficiency and safety enhancement of electric vehicles. Energy Convers. Manag. 2023, 276, 116564. [Google Scholar] [CrossRef]
- Navarro, G.; Torres, J.; Blanco, M.; Nájera, J.; Santos-Herran, M.; Lafoz, M. Present and future of supercapacitor technology applied to powertrains, renewable generation and grid connection applications. Energies 2021, 14, 3060. [Google Scholar] [CrossRef]
- Sadeq, T.; Wai, C.K.; Morris, E.; Tarbosh, Q.A.; Aydoğdu, Ö. Optimal control strategy to maximize the performance of hybrid energy storage system for electric vehicle considering topography information. IEEE Access 2020, 8, 216994–217007. [Google Scholar] [CrossRef]
- Chen, X.; Li, M.; Chen, Z. Meta rule-based energy management strategy for battery/supercapacitor hybrid electric vehicles. Energy 2023, 285, 129365. [Google Scholar] [CrossRef]
- Farrag, M.; Lai, C.S.; Darwish, M.; Taylor, G. Improving the efficiency of electric vehicles: Advancements in hybrid energy storage systems. Vehicles 2024, 6, 1089–1113. [Google Scholar] [CrossRef]
- Van Jaarsveld, M.J.; Gouws, R. An active hybrid energy storage system utilising a fuzzy logic rule-based control strategy. World Electr. Veh. J. 2020, 11, 34. [Google Scholar] [CrossRef]
- Kachhwaha, A.; Rashed, G.I.; Garg, A.R.; Mahela, O.P.; Khan, B.; Shafik, M.B.; Hussien, M.G. Design and performance analysis of hybrid battery and ultracapacitor energy storage system for electrical vehicle active power management. Sustainability 2022, 14, 776. [Google Scholar] [CrossRef]
- Zheng, C.; Wang, Y.; Liu, Z.; Sun, T.; Kim, N.; Jeong, J.; Cha, S.W. A hybrid energy storage system for an electric vehicle and its effectiveness validation. Int. J. Precis. Eng. Manuf. Green Technol. 2021, 8, 1739–1754. [Google Scholar] [CrossRef]
- Anh, N.T.; Chen, C.-K.; Liu, X. An Efficient Regenerative Braking System for Electric Vehicles Based on a Fuzzy Control Strategy. Vehicles 2024, 6, 1496–1512. [Google Scholar] [CrossRef]
- Wipke, K.; Cuddy, M.; Bharathan, D.; Burch, S.; Johnson, V.; Markel, A.; Sprik, S. ADVISOR 2.0: A Second-Generation Advanced Vehicle Simulator for Systems Analysis; National Renewable Energy Lab. (NREL): Golden, CO, USA, 1999. [Google Scholar]
- Kaloko, B.S.; Soebagio, M.H.P.; Purnomo, M.H. Design and development of small electric vehicle using MATLAB/Simulink. Int. J. Comput. Appl. 2011, 24, 19–23. [Google Scholar] [CrossRef]
- Bampoulas, A.; Giannakis, A.; Tsaklidou, S.; Karlis, A. Modeling, simulation and performance evaluation of a low-speed battery electric vehicle. In Proceedings of the 2016 Eleventh International Conference on Ecological Vehicles and Renewable Energies (EVER), Monte Carlo, Monaco, 6–8 April 2016; IEEE: Piscataway, NJ, USA, 2016; pp. 1–8. [Google Scholar]
- Mahmud, K.; Town, G.E. A review of computer tools for modeling electric vehicle energy requirements and their impact on power distribution networks. Appl. Energy 2016, 172, 337–359. [Google Scholar] [CrossRef]
- Wai, C.K.; Rong, Y.Y.; Morris, S. Simulation of a distance estimator for battery electric vehicle. Alex. Eng. J. 2015, 54, 359–371. [Google Scholar] [CrossRef]
- Larminie, J.; Lowry, J. Electric Vehicle Technology Explained; John Wiley & Sons: Hoboken, NJ, USA, 2012. [Google Scholar]
- Ehsani, M.; Gao, Y.; Longo, S.; Ebrahimi, K. Modern Electric, Hybrid Electric, and Fuel Cell Vehicles; CRC Press: Boca Raton, FL, USA, 2018. [Google Scholar]
- Sadeq, T.; Wai, C.K.; Morris, E. Current Control of Battery-Supercapacitors System for Electric Vehicles based on Rule-Base Linear Quadratic Regulator. Adv. Sci. Technol. Eng. Syst. J. 2021, 6, 57–65. [Google Scholar] [CrossRef]
- Armenta-Déu, C. Battery Management for Improved Performance in Hybrid Electric Vehicles. Vehicles 2024, 6, 949–966. [Google Scholar] [CrossRef]
- Sadeq, T.; Wai, C.K. Model the DC-DC converter with supercapacitor module based on system identification. In Proceedings of the 2019 IEEE International Conference on Automatic Control and Intelligent Systems (I2CACIS), Selangor, Malaysia, 29 June 2019; IEEE: Piscataway, NJ, USA, 2019; pp. 185–188. [Google Scholar]



















| Parameter | Value |
|---|---|
| Capacity | 100 Ah |
| Nominal voltage | 500 V |
| Internal resistance | 0.125 Ohm |
| Stored energy | 50 kWh |
| Initial | 0.95 |
| Parameter | Value |
|---|---|
| Rated voltage | 300 V |
| Resistance | 2.1 mΩ |
| Rated capacitance | 100 F |
| Initial | 0.92, 0.51, 0.20 |
| Parameter | Value |
|---|---|
| Vehicle mass (Mv) | 1325 kg |
| Frontal area (Af) | 2.57 m2 |
| Drag coefficient (Cd) | 0.26 |
| Wheel radius | 0.3 m |
| Gravity acceleration (g) | 9.8 ms−2 |
| Rolling resistance (μrr) | 0.0048 |
| Air density (ρ) | 1.29 kg·m−3 |
| Initial SCsoc(0) | UDDS | NYCC | Japan1015 | |
|---|---|---|---|---|
| 1st Case SCsoc = 92% | % | 92.58 | 94.7 | 94.2 |
| % | 95 | 95 | 95 | |
| Battery Consumption % | 2.55 | 0.32 | 0.84 | |
| Supercapacitor Consumption % | −3 | −3 | −3 | |
| 2nd Case SCsoc = 51% | % | 92.37 | 94.54 | 94.09 |
| % | 62.55 | 61.22 | 59.68 | |
| Battery Consumption % | 2.77 | 0.48 | 0.96 | |
| Supercapacitor Consumption % | −21.83 | −19.24 | −16.24 | |
| 3rd Case SCsoc = 20% | % | 92.01 | 94.53 | 94.09 |
| % | 54.69 | 38.08 | 35.43 | |
| Battery Consumption % | 3.15 | 0.5 | 0.96 | |
| Supercapacitor Consumption % | −171 | −89 | −76 |
| Initial SCsoc(0) | UDDS | NYCC | Japan1015 | |
|---|---|---|---|---|
| 1st Case SCsoc = 92% | % | 92.58 | 94.78 | 94.26 |
| % | 95 | 93.08 | 93.65 | |
| Battery Consumption % | 2.55% | 0.23% | 0.78% | |
| Supercapacitor Consumption % | −3 | −0.91% | −1.53% | |
| 2nd Case SCsoc = 51% | % | 92.58 | 94.78 | 94.26 |
| % | 55.68 | 52.7 | 53.62 | |
| Battery Consumption % | 2.55% | 0.23% | 0.78% | |
| Supercapacitor Consumption % | −8.45% | −2.63% | −4.44% | |
| 3rd Case SCsoc = 20% | % | 92.18 | 94.75 | 94.25 |
| % | 48.39 | 24.88 | 26.11 | |
| Battery Consumption % | 2.97% | 0.26% | 0.79% | |
| Supercapacitor Consumption % | −140% | −23.5% | −29.6% |
| Initial SCsoc(0) | UDDS | NYCC | Japan1015 | |
|---|---|---|---|---|
| 1st Case SCsoc = 92% | % | 92.67 | 94.8 | 94.31 |
| % | 92.86 | 92.56 | 92.63 | |
| Battery Consumption % | 2.45% | 0.21% | 0.75% | |
| Supercapacitor Consumption % | −0.67% | −0.35% | −0.42% | |
| 2nd Case SCsoc = 51% | % | 92.67 | 94.8 | 94.31 |
| % | 52.28 | 51.85 | 51.96 | |
| Battery Consumption % | 2.45% | 0.21% | 0.75% | |
| Supercapacitor Consumption % | −1.77% | −1% | −1.2% | |
| 3rd Case SCsoc = 20% | % | 92.21 | 94.76 | 94.25 |
| % | 47.02 | 24.6 | 26.11 | |
| Battery Consumption % | 2.93% | 0.25% | 0.79% | |
| Supercapacitor Consumption % | −133% | −22.08 | −29.6% |
| Drive Cycle | Initial SCsoc(0) | Standard Rule-Based | Adaptive Rule-Based | Advanced Adaptive Rule-Based |
|---|---|---|---|---|
| UDDS | 1st Case | 29 | 29 | 30 |
| 2nd Case | 27 | 29 | 30 | |
| 3rd Case | 24 | 25 | 26 | |
| NYCC | 1st Case | 234 | 326 | 357 |
| 2nd Case | 156 | 326 | 357 | |
| 3rd Case | 150 | 288 | 300 | |
| Japan1015 | 1st Case | 89 | 96 | 100 |
| 2nd Case | 78 | 96 | 100 | |
| 3rd Case | 78 | 95 | 95 |
Disclaimer/Publisher’s Note: The statements, opinions and data contained in all publications are solely those of the individual author(s) and contributor(s) and not of MDPI and/or the editor(s). MDPI and/or the editor(s) disclaim responsibility for any injury to people or property resulting from any ideas, methods, instructions or products referred to in the content. |
© 2025 by the authors. Licensee MDPI, Basel, Switzerland. This article is an open access article distributed under the terms and conditions of the Creative Commons Attribution (CC BY) license (https://creativecommons.org/licenses/by/4.0/).
Share and Cite
Wai, C.K.; Sadeq, T.; Hau, L.C. Advanced Adaptive Rule-Based Energy Management for Hybrid Energy Storage Systems (HESSs) to Enhance the Driving Range of Electric Vehicles. Vehicles 2025, 7, 6. https://doi.org/10.3390/vehicles7010006
Wai CK, Sadeq T, Hau LC. Advanced Adaptive Rule-Based Energy Management for Hybrid Energy Storage Systems (HESSs) to Enhance the Driving Range of Electric Vehicles. Vehicles. 2025; 7(1):6. https://doi.org/10.3390/vehicles7010006
Chicago/Turabian StyleWai, Chew Kuew, Taha Sadeq, and Lee Cheun Hau. 2025. "Advanced Adaptive Rule-Based Energy Management for Hybrid Energy Storage Systems (HESSs) to Enhance the Driving Range of Electric Vehicles" Vehicles 7, no. 1: 6. https://doi.org/10.3390/vehicles7010006
APA StyleWai, C. K., Sadeq, T., & Hau, L. C. (2025). Advanced Adaptive Rule-Based Energy Management for Hybrid Energy Storage Systems (HESSs) to Enhance the Driving Range of Electric Vehicles. Vehicles, 7(1), 6. https://doi.org/10.3390/vehicles7010006

