Next Article in Journal
Illuminating Solutions for Reducing Mislaid Eggs of Cage-Free Layers
Previous Article in Journal
Antioxidant Capacity in Two Different Cultivars of Ripe and Unripe Peaches Utilizing the Cloud-Point Extraction Method
 
 
Font Type:
Arial Georgia Verdana
Font Size:
Aa Aa Aa
Line Spacing:
Column Width:
Background:
Review

Recent Progress on Catalytic of Rosin Esterification Using Different Agents of Reactant

by
Mardiah Mardiah
1,2,
Tjokorde Walmiki Samadhi
1,
Winny Wulandari
1,
Aqsha Aqsha
1,3,
Yohanes Andre Situmorang
1,3 and
Antonius Indarto
3,*
1
Department of Chemical Engineering, Institut Teknologi Bandung, Faculty of Industrial Technology, Bandung 40132, Indonesia
2
Chemical Engineering Program, Engineering Faculty, Universitas Mulawarman, Samarinda 75119, Indonesia
3
Department of Bioenergy Engineering and Chemurgy, Institut Teknologi Bandung, Bandung 45363, Indonesia
*
Author to whom correspondence should be addressed.
AgriEngineering 2023, 5(4), 2155-2169; https://doi.org/10.3390/agriengineering5040132
Submission received: 17 September 2023 / Revised: 19 October 2023 / Accepted: 30 October 2023 / Published: 9 November 2023

Abstract

Gum rosin is an important agricultural commodity which is widely used as a raw material for various industries. However, gum rosin has low stability, crystallizes easily, and tends to oxidize. This is due to carboxyl groups and conjugated double bonds in gum rosin’s structure. Therefore, to reduce these weaknesses, it is necessary to modify the rosin compound to achieve better stability via the esterification process. This paper surveys esterification agents such as glycerol, pentaerythritol, methanol, ethylene glycol, polyethylene glycol (PEG), allyl group, and starch Rosin ester. The product is used in the manufacture of pressure-sensitive adhesives, drug delivery, solder flux for electronic devices, as a plasticizer, and as a coating agent in fertilizers. In general, the esterification reaction between alcohols and carboxylic acids is very slow without a catalyst. Heterogeneous catalysts have the advantage of controlling size, structure, spatial distribution, surface composition, thermal-chemical stability, and selectivity. Among the catalysts for gum rosin esterification are ZSM-5, Fe3O4, ZnO, Calcium, TiO2, Kaolin, and Al2O3, among others. Different catalysts and esterification agents can produce various physical and chemical properties of rosin ester and will result in specific rosin ester products, such as glycerol ester, pentaerythritol ester, methyl ester, glycol ester, allyl ester, and acid starch-based rosin.

1. Introduction

The production of sustainable materials is a highly significant problem that future generations must address. The supply of fossil fuels for energy production and plastic manufacturing is limited. It will be reduced during the next century. Environmental concerns combined with the decrease of oil reserves have sparked a surge in interest in developing green materials generated from renewable natural resources. Rosin, also known as colophony, is a natural substance obtained from pine trees that is biodegradable and abundant with a wide range of applications [1]. Indonesia, China, and Brazil are the main producers of pine sap, which is used to make turpentine (resin) and gum rosin [2]. Indonesia had a total pine-based production capacity of 141.150 tons in 2022 [3].
Rosin is a compound that originates from pine trees. It is obtained after the volatile component (turpentine) has been distilled. Rosin is translucent and its color ranges from brilliant yellow to brown. The substance exhibits insolubility in water but is soluble in a variety of organic solvents including alcohol, ether, acetone, benzene, chloroform, turpentine, and others [4].
Rosin comprises a complex mixture of organic acids with large molecular weights and neutral materials. Rosin acids are monocarboxylic acids derived from alkylated hydrophenanthrene nuclei that form most of the rosin. Rosin has small parts that are not acidic or neutral. These are made up of high molecular weight aldehydes, alcohols, esters, and hydrocarbons that have structures like the rosin acids. They may differ in relative proportions depending on the origin of the rosin and the degree to which it has been processed. Rosin is composed of 10% neutral and 90% acidic elements. Rosin has the chemical reactivity of a monocarboxylic acid in general. The structures of the rosin acids are shown in Figure 1 [5].
Rosin is classified into numerous categories based on the portion of the tree from which it is derived, namely gum rosin, tall oil rosin, and wood rosin. Gum rosin is obtained from living pine trees, while tall oil rosin is produced as a by-product of paper pulp. Meanwhile, wood rosin is recovered from tree stumps [6]. Rosin has a variety of uses, including for antifouling [7], adhesives [8], cosmetics [9], and adsorbent [10]. Because of their biocompatibility, rosin and its by-products are being investigated in the pharmaceutical industry as an encapsulating agent for drug delivery [11]. Gum rosin is also used in solder flux [12] and road-marking paint [2,13].
Aside from the numerous advantages of rosin, the current issue is the high content of abietic acid in rosin, which causes a low softening point, has a brittle property, and leads to a dark appearance. The typical abietic acid content of gum rosin in Indonesia is 30–40%. The amount of abietic acid in gum rosin affects its quality, as it causes rosin to crystallize quickly when it is cooled from its liquid form. Crystallization causes problems in rosin production and industries that use rosin, and as such, abietic acid must be minimized to produce higher quality rosin by changing the acid to a modified form that keeps the rosin stable [14].
The structure of rosin has a carboxyl group and a conjugated double bond, and those play a big role in its reactivity. As a result, rosin is chemically modified to improve its stability and useful characteristics. Esterification-maleation [15], hydrogenation [16], dimerization [17], isomerization, and disproportionation [18] are all strategies for improving the oxidative stability of rosin [19].
Esterification is a typical modification procedure commonly used by industry and is a simple process (Figure 2). Rosin esters are formed when rosin is esterified with an alcohol or polyol. Alcohols and polyols such as glycerol, pentaerythritol, etyhlene glycol are widely used for industrial application, while PEG, methanol, allyl groups, and starch are also being continuously improved. Esterification can reduce the acid value of rosin, raise its thermal stability, and improve its resistance to both acids and alkalis. As a result, the raw material’s properties allow it to be employed in more applications [20].
The esterification process is marked by a decrease in the acid value of rosin, which enhances esterification conversion. Since rosin contains abietic acid, it will change to rosin ester when it is esterified. The rosin ester will confirm by Fourier transform infrared spectroscopy. Stretching O–H carboxylic acids is at a frequency of 3600–2500 cm−1 and C=O, which is an ester group, is at a frequency of 1750–1720 cm−1.
The rosin ester product depends on the type of reactant used (Figure 3). For example, if methanol is used as a reactant, the rosin ester can take the form of a methyl ester, which has fuel-like properties [23]. If glycerol and pentaerythritol are used as a reactant, a solid rosin ester will be formed with a high softening point that could exceed 100 °C. This product is suitable for raw material of road marking paint [2,20]. When PEG is used in the reaction, the rosin ester will dissolve in water and this product can be used as drug delivery [24]. Esterification with an allyl group can enhance properties of biomass-based polymer material. The ester can be used as a coating or a glue adhesion agent [25]. The product using starch can be used as food packaging [26].
This paper reviews the esterification of rosin utilizing various reactant agents such as glycerol, pentaerythritol, methanol, ethylene glycol, PEG, allyl groups and starches that are often useful in industry.

2. Rosin-Glycerol

Glycerol esterification with carboxylic acids from rosin (mostly abietic acid) is a common reaction in industry (for up to 80–90 years) [27]. Rosin glyceride is widely employed as one of the most important rosin modification products. Rosin glyceride, also known as gum ester, is formed when rosin interacts with glycerol. The higher the quality of gum esters, the lighter the color. Gum esters have a refractive index of 1.545, a relative density of 1.095, an acid value of less than 10 mg KOH g−1, and a softening point over 80 °C. Gum esters are soluble in aliphatic and aromatic hydrocarbon solvents, as well as terpenes, esters, hydrocarbons, ketones, and the majority of essential oils, but are insoluble in water and alcohols of low molecular weight [21].
Glycerol, also known as 1,2,3-propanetriol, is a very viscous and dense polyalcohol with strong hygroscopic properties. It finds many uses in industries such as cosmetics, food, pharmaceuticals, and chemicals [28]. This product is obtained as a by-product of biodiesel manufacturing [29]. Biodiesel production is still in its infancy worldwide. Meanwhile, market prices for glycerol are declining rapidly and are over-available [30]. Its utilization is expected to increase as glycerol-based processes.
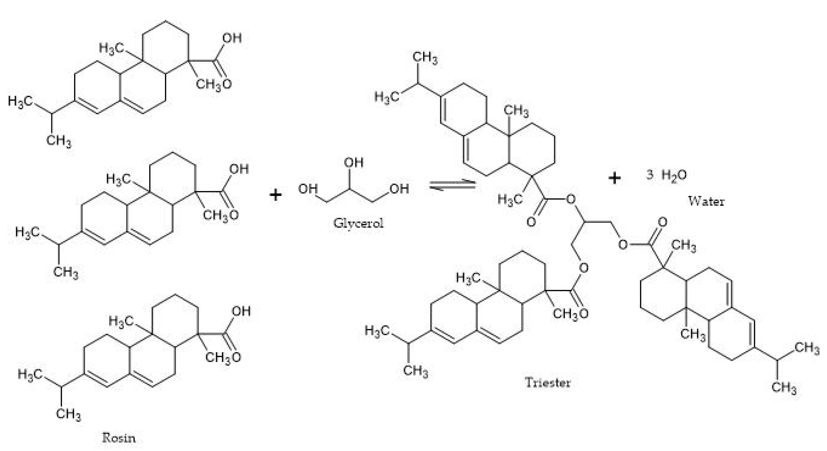
The following is the reaction mechanism between rosin and glycerol (Figure 4). Glycerol, which has three OH groups, allows it to react with an acid group of rosin to form three ester groups and triggers a process of dehydration/release of water molecules. The most common method used to produce esters is the reaction of a carboxylic acid with an alcohol with the release of water. Since the presence of water in the reacting mixture tends to shift the equilibrium away from rosin ester, water was continuously removed during the reaction.
The esterification reaction can be carried out with or without a catalyst, but the conversion will be low if done without a catalyst (Table 1). The expected rosin ester with a low acid value is obtained by heating the rosin with glycerol at a temperature of 250–290 °C.
However, the use of liquid catalysts such as H2SO4 and H3PO4 in the production of rosin glycerides causes corrosion, is difficult to separate and is always environmentally harmful [22,31]. Due to the widespread use of rosin ester products in manufacturing, such as in food, medicine, printing inks and pressure-sensitive adhesives, the esterification of rosin with alcohol on heterogeneous catalysts or solid catalysts is an important reaction for industry.
Previously, hydrothermal methods were employed for the synthesis of ZSM-5. Zeolite catalytic performance was examined using rosin and glycerol as reagents for esterification. The ZSM-5 zeolites that were created had a larger specific surface area and mesoporous volume than commercial ZSM-5 zeolites, indicating a faster esterification, lower product acid values, and increased stability. The obtained esterification percentage was 93.73% [21].
Zeolite is utilized as a catalyst in several processes because of its high activity and selectivity. This is attributed to its excellent ion exchange performance, consistent pore structure, acidity, and great temperature persistence. Zeolite ZSM-5 is a catalyst that may be used for rosin and glycerol esterification processes since it its various advantages include not being corrosive to equipment, high temperature tolerance, simplicity of manufacture, high activity, and the capacity to be reused. Furthermore, solid granules of zeolite may be easily isolated from the reaction mixture [21].
Several researchers modified natural zeolite with nickel metal to boost catalytic activity. The highest conversion of 82.86% was achieved after 3 h at 240 °C and 11% ratio [14]. La metal also added to the ZSM-5 zeolite [21]. Several catalysts affect rosin esterification severity, as seen in Table 1.
Table 1. Impact of various catalysts on the esterification process of rosin-glycerol.
Table 1. Impact of various catalysts on the esterification process of rosin-glycerol.
ProductReaction Time (h)Temperature (°C)Molar Ratio (Rosin/Glycerol)CatalystAcid Value (mg KOH g−1)Conversion Rate (%)Ref.
Rosin glyceride3.52691.32No catalyst66.5458.58[32]
324011% (wt)Ni/Zeolite33.9482.86%[14]
12601.5
(mass ratio)
ZSM-569.7258.99[21]
238.5877.31
420.9087.71
613.0592.32
811.0893,48
1010.6693.73
12601.5
(mass ratio)
LaZSM-572.6765.25
250.6382.22
422.6290.69
619.1293.75
816.8395.10
1015.1598.09
2.52402Fe3O4/MOF-5 92.6[22]
3.52691.32ZnO10.2393.63[32]
3.52691.32CO2 pressure of 3.95 MPa8.4594.74
La-ZSM-5 has a greater acid value and esterification rate than ZSM-5, as demonstrated in Table 1. Catalyzing the liquid phase esterification reaction requires acidification of the catalyst surface. Both the core of Bronsted acid and the center of Lewis acid can undergo the esterification reaction. The esterification reaction, on the other hand, is dependent on the Lewis acid center. Meanwhile, reaction byproducts such as ether and olefins are primarily generated in the Bronsted acid center. Based on existing catalyst characterization, La-ZSM-5 exhibits a higher concentration of Lewis acid sites compared to ZSM-5. As a result, La-ZSM-5 has higher esterification catalysis activities compared to ZSM-5 [21].
The esterification reaction mechanism of rosin by glycerol using annealed Fe3O4/MOF-5 at temperatures ranging from ambient temperature to 900 °C was also examined [22]. Table 1 summarizes the impact of the main response parameters. In general, room temperature annealing provided the best conditions for rosin esterification utilizing Fe3O4/MOF-5. The development of super/subcritical CO2 and the presence of high temperature liquid water are investigated as environmentally friendly acid catalysts in the esterification process between rosin and glycerol [32]. Experiments with response surface methods revealed that CO2 pressure affects the yield, which is higher than that produced with a ZnO catalyst. However, the difference is barely 1%. Zinc oxide is also a common catalyst in the rosin esterification reaction. The abundance of oxygen vacancies on the surface of ZnO can boost the catalyst’s Lewis acidity and catalytic activity [33].
Based on the above experiments that have been discussed and shown in Table 1, heterogeneous catalysts ZSM-5 modified by La metal achieve the highest conversions (up to 98%) but still require a higher reaction time.

3. Rosin-Pentaerythritol

Pentaerythritol is another polyhydric alcohol that frequently reacts with rosin acids. This polyalcohol has four hydroxyls. The material is a colourless crystalline compound that lacks odour and exhibits limited solubility in cold water but is readily soluble in hot water. At 30 mmHg, it has a melting point of 260 °C and a boiling temperature of 276 °C. Rosin pentaerythritol ester (RPE) is produced by esterifying rosin with pentaerythritol. RPE leads rosin glycerol ester in terms of softening point [28]. RPE is also resistant to water, alkalis, and oxidation. Therefore it can be used for paints, varnishes, as an oil lubricant additive [34], and a pressure-sensitive and hot-melt adhesive tackifier [35].
The kinetics of esterification between two polyhydric alcohols and rosin acids, glycerol and pentaerythritol, are also investigated. The data obtained by analyzing trends in the initial reaction rate and estimating kinetic constants using statistical regression with integral approach, along with microscopic observations, were utilized to construct a second order kinetic model for pentaerythritol. The rosin-glycerol system exhibits a two-stage kinetic model, wherein the identical approach yields a pseudo-first-order reaction at starting time and higher glycerol concentration and a second-order reaction for longer reaction times and lower glycerol concentration [28].
Pentaerythritol, which has four OH groups, reacts with an acid group of rosin to form tetraester. A kinetic model of RPE synthesis that included a sequence of events leading to the formation of mono-, di-, tri-, and tetra-esters (Figure 5) in addition to decarboxylation of rosin as a side reaction was provided. The reaction rates for esterification were calculated using a second-order kinetic model. The process of decarboxylation was hypothesized to follow a first-order kinetic order. The kinetic experiments were conducted within a temperature range of 260–290 °C. Pentaerythritol to rosin molar ratio was 0.8–1.2 in moles of OH/COOH. The model also correctly predicts the relationship between tetraester production and softening point, with a higher tetraester indicating a higher softening point [20].
The use of catalyst Fe3O4-supported ZnO facilitated the production of pentaerythritol esters from rosin, resulting in enhanced stability, water, alkali, and oxidation resistance [36]. This catalyst was created to overcome the difficulties of catalyst recovery and the high costs associated with it in the production of rosin pentaerythritol esters. According to the results of the esterification process, Fe3O4@SiO2–ZnO has a good catalytic performance and stability. The catalyst exhibited the potential for many reuses, with a maximum of five iterations observed. The optimal process parameters for producing RPE were determined as follows: zinc nitrate was used as the zinc source, with a theoretical loading of 0.45 g. The reaction was carried out at a temperature of 250 °C for a duration of 5 h, with a catalyst loading of 0.2 g. The starting materials consisted of 15 g of rosin and 0.2 g of pentaerythritol. The acid value was 25.0 mg KOH g−1, with an 87.9% conversion rate [36].
The properties of RPE are summarized in Table 2. Based on the research above, the use of a catalyst in the pentaerythritol reactant as a modification agent can increase the esterification rate compared to not using a catalyst. Apart from that, the use of catalysts can reduce the mole ratio of reactant agents.

4. Rosin-Methanol

The usage of rosin as a fuel may become increasingly popular in the future. Rosin is a desirable source for biofuel [37,38]. Oleoresin consists mostly of rosin, which makes up around 80% of its composition. Rosin is a solid substance composed of isomeric abietic acid. Due to its composition, oleoresin can’t be used as a fuel in engines. Nevertheless, when rosin is changed into methyl esters, it exhibits reduced boiling and melting points and displays exceptional solubility in hydrocarbons [23].The process esterification is OH groups in methyl alcohol react with an acid group of rosin to form water and methyl ester (Figure 6).
Agriengineering 05 00132 i001
where the acids R-COOH are:
An investigation was conducted on the esterification of rosin with methyl alcohol utilizing acid and basic solid catalysts in the presence of different solvents [23]. The use of a calcium catalyst material and the absence of a solvent resulted in an increased conversion rate. The calcium-based substance was mostly calcium carbonate and calcium hydroxide, suggesting that basic site strength can affect catalytic performance. In five reaction cycles, a calcium-based material was utilized, and the activity was significantly reduced due to of the leaching of many catalyst phases. The activity of Amberlyst 15 for the reaction is absent, implying that being acidic does not stimulate the production of esters according to heterogeneous circumstances [23].
A set of mesoporous molecular sieves was synthesized utilizing Zr-MCM-41, Mo-MCM-41, Ti-MCM-41, and Sn-MCM-41 [39]. A group with acidic properties, such as ( S O 4 2 , PTSA, etc.) was added to the mesoporous molecular sieves to create modified catalysts. As a result, the PTSA/ZrO2/Mo-MCM-41 material has a mesoporous molecular sieve structure and contains many acidic sites, as confirmed by XRD, N2 absorption-desorption isotherms, FT-IR, and Py-IR analyses. The esterification rate was 88.2% when the PTSA/ZrO2/Mo-MCM-41 catalyst was used to make rosin methyl ester, showing better catalytic performance. It is stable and can be remade and used six times without losing any of its effectiveness.
A researcher also reported on the use of spent fluid cracking catalyst (SFCCR), which is plentiful, averaging 160,000 tons per year [40]. They evaluated the process of combining rosin with methyl alcohol using subcritical CO2 atmosphere to form an ester. Non-regenerated spent catalysts are often buried and contaminate the environment. Spent hydroprocessing catalysts has been used in construction, ceramic and refractory applications [41]. In reality, because SFCCR is predominantly made up of silica and alumina, it possesses a steady molecular sieve arrangement that has a lot of surface area and might be used as a catalytic support [42]. The findings demonstrated that CO2 functioned as an additional catalyst, enhancing the transfer of mass and regulating the pH within the range of 3.54 to 3.91. A conversion rate of 97% was achieved during a reaction period of 5 h at a temperature of 220 °C and in the absence of a solvent.
Table 3 shows the properties of rosin methyl ester using different catalysts. Based on the data in Table 3, the ZnO metallic catalyst in SCFRR with CO2 as an additional catalyst can achieve highest conversion of reaction.

5. Rosin-Ethylene Glycol and Polyethylene Glycol

Rosin ethylene glycol ester is a polymeric resin that is frequently used as a tackifier raw material in the manufacture of adhesives, as well as a solid soldering flux and plasticizer. Fe3O4@ZnO and Fe3O4@SiO2–ZnO catalyzed the reactions successfully [33]. The optimal process parameters for rosin glycol esters were established to be: a theoretical load of 0.45 g of zinc chloride as the zinc supply, a reaction temperature of 270 °C, a reaction duration of 5 h, and the use of 15 g of rosin, 3.2 g of ethylene glycol, and 0.2 g of catalyst. The result of rosin ethylene glycol ester exhibited an esterification rate of 87.2% and an acid value of 26.5 mg KOH g−1. After being reused five times, the synthesized catalyst showed no significant decline in catalytic activity, indicating its superior stability and availability [33]. Different catalysts that affect rosin glycol esters synthesis (Table 4) were studied.
Rosin is insoluble in water, but it dissolves in ether, benzene, chloroform, and alcohol. Polyethylene glycol (PEG) is a petroleum-based polymer that represents only one group –OH that is soluble in water. Hydrophilic polymers are used in ointments and supplements as a base, as a plasticizer in film coating, as supplemental emulsifiers, and in electrical applications [43].
The properties of derivatives of rosin-polyethylene glycol from rosin and PEG was studied [43]. The target of this reaction was the carboxylic group of rosin that reacted with the hydroxyl group of PEGs to form rosin-PEG as water soluble rosin derivatives via esterification reaction. In this research, Zn-dust, ZnO and Tin chloride were selected as catalysts. Rate of reaction was significantly increased by all catalysts. Due to Lewis’s acid performance, zinc oxide proved to be the most effective catalyst as it led to the largest conversion of ester after 5 h. This finding demonstrates the effectiveness of the catalyst. The optimum reaction with 95 % conversion was achieved by a temperature of 250 °C, a molar ratio of rosin to PEG of 2:1, and reaction time at 9. These derivatives were completely soluble in water, and therefore called water soluble rosin (WSR). Effects of variable reaction to conversion of esterification reaction using ethylene and polyethylene glycol are represented in Table 4.
Bioactive agent distribution via polymeric materials has received a lot of interest. PEGylation, the process of attaching PEG to any medication, peptide, polymer, or chemical component, has been studied for its potential as a pharmacological aid [44]. The ester was made by reacting to a primary alcohol, PEG 200, and rosin. The ester-adduct derivative of rosin was formed by reacting maleic anhydride with this product. The concentration of PEG 200 in the derivative preparation was varied, while the maleic anhydride content remained constant. The effect of these components on the physicochemical parameters of derivatives was compared to rosin (Figure 7). These compounds were also investigated for their capacity to release medicine in tablets and pellets. Additional studies have demonstrated that rosin can be successfully combined with PEG 400 and maleic anhydride to create a derivative of rosin that has been modified with PEG. The derivatives of rosin may be utilized to create both aqueous and organic films, which can be employed for drug delivery purposes [24].
Water soluble rosin flux (WSRF) was also synthesized from polyethylene glycol (PEG) and rosin [12]. The flux was efficiently produced by combining rosin and PEG with a 2% ZnO catalyst, using a molar ratio rosin to PEG of 2:1, and subjecting the mixture to a temperature of 250 °C for a duration of 9 h. The resulting WSRs were entirely soluble in water. The PEG3000-rosin was used for the manufacture of the WSRFs because it had the highest melting point (55.2 °C). The PEG-rosin derivatives possess the property of being soluble in water, and when combined with a low-halide-content activator, they produce solid soldering fluxes that exhibit satisfactory wetting ability. The fluxes were used in the production of solder pastes, employing the Sn-3.0Ag-0.5Cu alloy, and they exhibited the expected performance for solder paste [12].
The usual urea is squandered because of its significant water solubility and the ability of microorganisms to convert it, resulting in low agricultural productivity and environmental damage. The scientists created a rosin PEG adduct-coated controlled release urea fertilizer (RA-CRUF) to address these issues [45]. The synthesis process involved enhancing the properties of the rosin adduct with maleic anhydride by manipulating the reaction temperature, reaction time, and coating repetitions. The process of creating this product involves the application of rosin adduct onto urea by a spraying method. The optimum urea release rate for RA-CRUF was 510 mg L−1 when dissolved in water under 6.79 coating repetitions, a reaction period of 4.71 h, and a reaction temperature of 137.39 °C. The total amount of urea released was 41.76% and 47.23% in soils with a clay loam texture, respectively, compared to 100% and 82.6% for conventional urea. Regarding RA-CRUF’s inquiry on the growing performance of maize plants, growth was classified as healthy with a notable rise in chlorophyll levels. Specifically, levels reached 51.11 mg g−1 in clay loam texture soil and 87.55 mg g−1 in loam texture soil.
The use of EG and the polymer, which can be dissolved in water, can indicate that it will produce rosin esters which can also be dissolved in water or released in water. Zn-based catalysts can achieve the highest conversion of up to 95% but still require a higher reaction time. To obtains high conversion and softening points; it is necessary to also pay attention to the PEG or EG molecular weight.

6. Rosin–Allyl Groups

Many other types of fine chemicals can be made from rosin. It is frequently utilized as a basic material to create functional polymers. There are two methods for incorporating rosin compounds into polymers: either by directly linking them with the polymer or by modifying suitable rosin-type monomers through the addition of active vinyl groups [46].
The first technique was introduced for synthesizing poly(vinyl benzyl abietate) from from poly(vinylbenzyl chloride)-sodium abietate and polymethacrylate from poly(glycidyl methacrylate)-abietic acid [47,48]. The addition of rosin into polymer significantly enhances mechanical and chemical qualities, including hardness and resistance to chemicals. Nevertheless, under these conditions, the rosin molecules were only attached to the surface of the polymer instead of being incorporated into the polymer’s molecular structure.
The second route involves rosin monomers being added to vinyl groups [49]. Due to their large molecular weight, rosin acids frequently exhibit limited reactivity. To address this issue, allyl chloride was employed as a reactant due to its low boiling point, facilitating its removal after the reaction via vacuum distillation at low temperatures. This approach helps prevent the polymerization of the product (Figure 8). The synthesis of rosin allyl ester involved the reaction between sodium rosinate and allyl chloride as reactants. The ester yield reached a remarkable 94.7% under ideal reaction conditions [46].
A new reactive monomer allyl acryl pimarate was also made from natural rosin [25]. This material exhibits significant promise for utilization as both a biomass-derived polymer substance and a valuable fine chemical, serving as a coating or adhesive agent. Recently, a novel rosin monomer containing two allyl groups was produced using phase-transfer catalysis and the Diels-Alder process. It was thought that adding an extra active group (allyl) would increase the reaction’s conversion of the monomer and encourage cross-linking between the monomers to create a mechanically stable network structure. Microwave radiation has been employed to accelerate the process. As a photoinitiator, Michlers ketone was utilized, and as a result, 90% of the monomer was converted [25].
A range of novel rosin additives can be generated by implementing a sequence of adjustments. Renewable polymers may have better adhesion, impact strength, and solvent resistance [25].

7. Enzymatic Rosin-Starch

The development of bio-based polymers to replace standard petrochemical polymers has gotten a lot of interest in recent decades [50]. Starch is the most intriguing biopolymer because of its low cost, availability, biocompatibility, and biodegradability. Native starch’s use in industry has been limited due to its inherent disadvantages, such as poor surface qualities, high hydrophilicity, and poor mechanical and thermal properties. A range of physical or chemical changes to native starch have been made to improve starch characteristics [51]. Esterification is a frequent and successful approach for customizing the properties of this renewable resource [52].
The production of long-chain fatty acid starch esters involves the process of esterification, where stearic acid or lauric acid is combined with maize starch in urea/NaOH aqueous conditions [53]. An investigation of the degree of substitution (DS) of starch stearat was 0.065 and starch laurate was 0.074. The findings also indicate that starch esters exhibit superior performance compared to native starch in terms of thermostability, emulsifiability, transparency, freeze-thaw stability, and moisture absorption. Additionally, starch esters have a higher glass transition temperature (Tg) within the limited degree of substitution (DS).
Following that, new methods based on the conventional approach, such as the enzyme catalytic method, are created. Rosin acid and starch was synthesized enzymatically using lipase by researchers (Figure 9) [26]. For pretreatment, the cassava starch was dissolved in a NaOH/urea solution. The reactor was filled with prepared cassava starch, followed by the addition of DMSO, rosin, and the immobilized catalyst for 1, 2, and 4 h. After reaction, the DS ranging from 0.031–0.092 to natural starch was confirmed by FTIR. Although esterified starch showed low thermal stability and transparency compared to native starch, there was a considerable improvement in hydrophobicity, viscosity, and emulsifying capabilities [26].
Furthermore, rosin acid is quite biodegradable and biocompatible. The thermal stability and hydrophobicity of rosin acid starch have clearly increased, and it has prospective uses in waterproof coatings and plastic materials [1]. Food and biomedical products may also benefit from this use of rosin acid starch [26].
Agriengineering 05 00132 i002
where RCOOH are
Figure 9. Esterification rosin acid and starch [26].
Figure 9. Esterification rosin acid and starch [26].
Agriengineering 05 00132 g009

8. Conclusions

Rosin with its carboxyl group and conjugate double bonds has an important role in the esterification process. By using reactants or ester agents such as glycerol, pentaerythritol, methanol, glycol, allyl group, and starch, specific rosin ester will be produced.
The challenge in esterification is how to reduce the acid value or increase the rosin ester conversion, such as using heterogeneous catalysts. One of the advantages is that it can be separated. However, if the catalyst is dispersed during the reaction, it is not easy to separate. Meanwhile the use of heterogenous catalysts is a prospective way to increase the conversion of the reaction and reduce the acid value of the rosin.
Rosin is a source of raw materials that are renewable and may show potential in the future.

Author Contributions

Writing—original draft preparation M.M. and A.I.; data curation M.M. and W.W.; writing—review and editing W.W., A.I. and T.W.S.; Supervision T.W.S., W.W. and A.I., Conceptualization and Funding Acquisition A.A. and Y.A.S. All authors have read and agreed to the published version of the manuscript.

Funding

Financial support from Indonesia Oil Palm Plantation Fund Management Agency (BPDPKS): GRS-22 is gratefully acknowledged.

Data Availability Statement

Data are contained within the article.

Conflicts of Interest

The authors declare no conflict of interest.

References

  1. Zhang, X.; Ma, H.; Qin, W.; Guo, B.; Li, P. Antimicrobial and improved performance of biodegradable thermoplastic starch by using natural rosin to replace part of glycerol. Ind. Crops Prod. 2022, 178, 114613. [Google Scholar] [CrossRef]
  2. Aqsha, A.; Winoto, H.P.; Adhi, T.P.; Adisasmito, S.; Ramli, Y.; Siddiq, L.; Pratama, F.B.; Ramdani, M.R.; Indarto, A. Sequential Esterification—Diels-Alder Reactions for Improving Pine Rosin Durability within Road Marking Paint. Molecules 2023, 28, 5236. [Google Scholar] [CrossRef] [PubMed]
  3. Prakoso, T.; Hanley, J.; Soebianta, M.N.; Soerawidjaja, T.H.; Indarto, A. Synthesis of Terpineol from α-Pinene Using Low-Price Acid Catalyst. Catal. Lett. 2018, 148, 725. [Google Scholar] [CrossRef]
  4. Cabaret, T.; Boulicaud, B.; Chatet, E.; Charrier, B. Study of rosin softening point through thermal treatment for a better understanding of maritime pine exudation. Eur. J. Wood Wood Prod. 2018, 76, 1453–1459. [Google Scholar] [CrossRef]
  5. Maiti, S.; Ray, S.S.; Kundu, A.K. Rosin: A renewable resource for polymers and polymer chemicals. Prog. Polym. Sci. 1989, 14, 297–338. [Google Scholar] [CrossRef]
  6. Silvestre, A.J.; Gandini, A. Rosin: Major sources, properties and applications. In Monomers, Polymers and Composites from Renewable Resources; Elsevier: Amsterdam, The Netherlands, 2008; pp. 67–88. [Google Scholar]
  7. Saat, A.M.; Yaakup, S.; Alaauldin, S.; Zawani, F.; Azaim, Z.; Isa, M.D.M.; Kamil, M.S.; Samsudin, S.; Iqbal, M. Performance of Rosin Modified Antifouling Coated on Mild Steel Surface at Various Immersion Orientation. Int. J. Innov. Technol. Explor. Eng. 2019, 8, 5562–5565. [Google Scholar] [CrossRef]
  8. Lee, S.; Lee, K.; Kim, Y.-W.; Shin, J. Preparation and characterization of a renewable pressure-sensitive adhesive system derived from ε-decalactone, l-lactide, epoxidized soybean oil, and rosin ester. ACS Sustain. Chem. Eng. 2015, 3, 2309–2320. [Google Scholar] [CrossRef]
  9. Kim, J.H.; Min, H.J.; Park, K.; Kim, J. Preparation and evaluation of a cosmetic adhesive containing guar gum. Korean J. Chem. Eng. 2017, 34, 2236–2240. [Google Scholar] [CrossRef]
  10. Li, W.; Yu-Yu, E.; Cheng, L.-Y.; Ding, M.; Li, W.-Y.; Diao, K.-S.; Liu, S.-G.; Li, K.; Lu, H.-Q.; Lei, F.-H. Rosin-based polymer@ silica core–shell adsorbent: Preparation, characterization, and application to melanoidin adsorption. LWT 2020, 132, 109937. [Google Scholar] [CrossRef]
  11. Kumar, S.; Gupta, S.K. Rosin: A naturally derived excipient in drug delivery systems. Polim. Med. 2013, 43, 45–48. [Google Scholar]
  12. Phaphon, K.; Wacharasindhu, S.; Petsom, A. Preparation of PEG-rosin derivative for water soluble rosin flux. Solder. Surf. Mt. Technol. 2016, 28, 188–200. [Google Scholar] [CrossRef]
  13. Mirabedini, S.; Zareanshahraki, F.; Mannari, V. Enhancing thermoplastic road-marking paints performance using sustainable rosin ester. Prog. Org. Coat. 2020, 139, 105454. [Google Scholar] [CrossRef]
  14. Dewajani, H.; Chumaidi, A.; Iswara, M.A.I.; Khasanah, R.; Agustina, T.D. Synthesis ester gum through esterification reaction of rosin and gliserol using zeolite modified by nickel as catalyst. AIP Conf. Proc. 2019, 2097, 030037. [Google Scholar]
  15. Prakoso, T.; Kumalasari, I.; Jiwandaru, B.; Soerawidjaja, T.H.; Azis, M.M.; Indarto, A. Synthesis of Maleic-Modified Rosin Ester from Pine Rosin. In IOP Conference Series: Materials Science and Engineering, Volume 1143, International Seminar on Chemical Engineering Soehadi Reksowardojo (STKSR 2020), Bandung, Indonesia, 16–17 November 2020; IOP Publishing Ltd.: Bristol, UK, 2021; p. 012071. [Google Scholar]
  16. Li, Q.; Gong, S.; Yan, J.; Hu, H.; Shu, X.; Tong, H.; Cai, Z. Synthesis and kinetics of hydrogenated rosin dodecyl ester as an environmentally friendly plasticizer. J. Renew. Mater. 2020, 8, 289. [Google Scholar] [CrossRef]
  17. Liu, S.; Xie, C.; Yu, S.; Liu, F. Dimerization of rosin using Brønsted–Lewis acidic ionic liquid as catalyst. Catal. Commun. 2008, 9, 2030–2034. [Google Scholar] [CrossRef]
  18. Wang, L.; Chen, X.; Liang, J.; Chen, Y.; Pu, X.; Tong, Z. Kinetics of the catalytic isomerization and disproportionation of rosin over carbon-supported palladium. Chem. Eng. J. 2009, 152, 242–250. [Google Scholar] [CrossRef]
  19. Lu, Y.J.; Xu, R.S.; Zhao, Z.D.; Zhang, P.H.; Wang, M.X. Recent progress on derivation and chemical modification of rosin acids. Adv. Mater. Res. 2013, 785, 1111–1116. [Google Scholar] [CrossRef]
  20. Hardhianti, M.P.W.; Rochmadi; Azis, M.M. Kinetic studies of esterification of rosin and pentaerythritol. Processes 2021, 10, 39. [Google Scholar] [CrossRef]
  21. Wang, X.; Guo, F.; Yu, Y.; Liu, Z.; Wang, Y.; Sun, H.; Liu, X.; Xue, Y.; Wei, X.; Guo, S. Study on the Synthesized Rosin Glyceride over LaZSM-5 Zeolite Catalyst Synthesized by the in Situ Method. ACS Omega 2020, 5, 31543–31550. [Google Scholar] [CrossRef]
  22. Zhou, D.; Wang, L.; Chen, X.; Wei, X.; Liang, J.; Tang, R.; Xu, Y. Reaction mechanism investigation on the esterification of rosin with glycerol over annealed Fe3O4/MOF-5 via kinetics and TGA-FTIR analysis. Chem. Eng. J. 2020, 401, 126024. [Google Scholar] [CrossRef]
  23. García, D.F.; Bustamante, F.; Villa, A.L.; Alarcón, E.A. Esterification of rosin with methyl alcohol for fuel applications. Rev. Fac. Ing. Univ. Antioq. 2021, 100, 10–20. [Google Scholar]
  24. Morkhade, D.M.; Nande, V.S.; Barabde, U.V.; Kamble, M.U.; Patil, A.T.; Joshi, S.B. A comparative study of aqueous and organic-based films and coatings of PEGylated rosin derivative. Drug Dev. Ind. Pharm. 2008, 34, 24–32. [Google Scholar] [CrossRef] [PubMed]
  25. Lu, Y.; Zhao, Z.; Chen, Y.; Wang, J.; Xu, S.; Gu, Y. Synthesis of allyl acrylpimarate by microwave irradiation and phase-transfer catalytic reaction and its UV-curing reactions as a new monomer. Prog. Org. Coat. 2017, 109, 9–21. [Google Scholar] [CrossRef]
  26. Lin, R.; Li, H.; Long, H.; Su, J.; Huang, W. Structure and characteristics of lipase-catalyzed rosin acid starch. Food Hydrocoll. 2015, 43, 352–359. [Google Scholar] [CrossRef]
  27. Ladero, M.; de Gracia, M.; Tamayo, J.J.; de Ahumada, I.L.; Trujillo, F.; Garcia-Ochoa, F. Kinetic modelling of the esterification of rosin and glycerol: Application to industrial operation. Chem. Eng. J. 2011, 169, 319–328. [Google Scholar] [CrossRef]
  28. Ladero, M.; de Gracia, M.; Trujillo, F.; Garcia-Ochoa, F. Phenomenological kinetic modelling of the esterification of rosin and polyols. Chem. Eng. J. 2012, 197, 387–397. [Google Scholar] [CrossRef]
  29. Quispe, C.A.; Coronado, C.J.; Carvalho, J.A., Jr. Glycerol: Production, consumption, prices, characterization and new trends in combustion. Renew. Sustain. Energy Rev. 2013, 27, 475–493. [Google Scholar] [CrossRef]
  30. Anuar, M.R.; Abdullah, A.Z. Challenges in biodiesel industry with regards to feedstock, environmental, social and sustainability issues: A critical review. Renew. Sustain. Energy Rev. 2016, 58, 208–223. [Google Scholar] [CrossRef]
  31. Sun, S.; Cheng, X.; Ma, M.; Liu, Y.; Wang, G.; Yu, H.; Liu, S.; Yu, S. High-efficient esterification of rosin and glycerol catalyzed by novel rare earth Lewis acidic ionic liquid: Reaction development and mechanistic study. J. Taiwan Inst. Chem. Eng. 2021, 127, 1–6. [Google Scholar] [CrossRef]
  32. Zhou, D.; Wang, L.; Chen, X.; Wei, X.; Liang, J.; Zhang, D.; Ding, G. A novel acid catalyst based on super/subcritical CO2-enriched water for the efficient esterification of rosin. R. Soc. Open Sci. 2018, 5, 171031. [Google Scholar] [CrossRef]
  33. Li, Y.; Yu, S.; Zhang, H.; Zhang, J. Preparation of Fe3O4@SiO2–ZnO catalyst and its catalytic synthesis of rosin glycol ester. Open Chem. 2021, 19, 938–944. [Google Scholar] [CrossRef]
  34. Xu, Z.; Lou, W.; Zhao, G.; Zhang, M.; Hao, J.; Wang, X. Pentaerythritol rosin ester as an environmentally friendly multifunctional additive in vegetable oil-based lubricant. Tribol. Int. 2019, 135, 213–218. [Google Scholar] [CrossRef]
  35. Comyn, J. Surface characterization of pentaerythritol rosin ester. Int. J. Adhes. Adhes. 1995, 15, 9–14. [Google Scholar] [CrossRef]
  36. Yu, S.; Zhang, H. Preparation of Rosin Pentaerythritol Ester Over an Fe3O4-Supported ZnO Catalyst. Catal. Lett. 2020, 150, 3359–3367. [Google Scholar] [CrossRef]
  37. García, D.; Bustamante, F.; Alarcón, E.; Donate, J.M.; Canoira, L.; Lapuerta, M. Improvements of thermal and thermochemical properties of rosin by chemical transformation for its use as biofuel. Waste Biomass Valorization 2020, 11, 6383–6394. [Google Scholar] [CrossRef]
  38. Wang, L.; Huang, C.; Chen, J.; Wei, X.; Chen, X.; Liang, J. Catalyst-free biodiesel production from industrial rosin residue (dark-grade rosin) using supercritical methanol. Waste Biomass Valorization 2018, 9, 1191–1198. [Google Scholar] [CrossRef]
  39. Liu, Y.; Lv, M.; Li, L.; Yu, H.; Wu, Q.; Pang, J.; Liu, Y.; Xie, C.; Yu, S.; Liu, S. Synthesis of Rosin Methyl Ester Using PTSA/ZrO2/Mo-MCM-41 Mesoporous Molecular Sieves. Catal. Lett. 2019, 149, 1911–1918. [Google Scholar] [CrossRef]
  40. Wang, X.; Wang, L.; Chen, X.; Zhou, D.; Xiao, H.; Wei, X.; Liang, J. Catalytic methyl esterification of colophony over ZnO/SFCCR with subcritical CO2: Catalytic performance, reaction pathway and kinetics. R. Soc. Open Sci. 2018, 5, 172124. [Google Scholar] [CrossRef]
  41. Marafi, M.; Stanislaus, A. Spent catalyst waste management: A review: Part I—Developments in hydroprocessing catalyst waste reduction and use. Resour. Conserv. Recycl. 2008, 52, 859–873. [Google Scholar] [CrossRef]
  42. Xu, J.; Zhang, T. Fabrication of spent FCC catalyst composites by loaded V2O5 and TiO2 and their comparative photocatalytic activities. Sci. Rep. 2019, 9, 11099. [Google Scholar] [CrossRef]
  43. Kanlaya, P.; Sumrit, W.; Amorn, P. Synthesis and characterization of water soluble rosin-polyethylene glycol 1500 derivative. Int. J. Chem. Eng. Appl. 2016, 7, 277–281. [Google Scholar] [CrossRef]
  44. Nande, V.; Barabde, U.; Morkhade, D.; Patil, A.; Joshi, S. Synthesis and characterization of PEGylated derivatives of rosin for sustained drug delivery. React. Funct. Polym. 2006, 66, 1373–1383. [Google Scholar] [CrossRef]
  45. Mumtaz, I.; Majeed, Z.; Ajab, Z.; Ahmad, B.; Khurshid, K.; Mubashir, M. Optimized tuning of rosin adduct with maleic anhydride for smart applications in controlled and targeted delivery of urea for higher plant’s uptake and growth efficiency. Ind. Crops Prod. 2019, 133, 395–408. [Google Scholar] [CrossRef]
  46. Lu, Y.; Zhao, Z.; Gu, Y.; Chen, Y.; Bi, L. Synthesis of rosin allyl ester and its UV-curing characteristics. Polym. J. 2011, 43, 869–873. [Google Scholar] [CrossRef]
  47. Kim, W.-S.; Byun, K.-R.; Lee, D.-H.; Min, K.-E.; Park, L.-S.; Seo, K.-H.; Kang, I.-K.; Park, S.-Y. Synthesis of photocrosslinkable polymers using abietic acid and their characterization. Polym. J. 2003, 35, 450–454. [Google Scholar] [CrossRef][Green Version]
  48. Kim, T.H.; Chang, J.Y.; Choi, J.-U.; Kim, W.-S. Synthesis and characterization of a polymethacrylate containing photoreactive abietic acid moiety. Macromol. Res. 2005, 13, 545–548. [Google Scholar] [CrossRef]
  49. Zheng, Y.; Yao, K.; Lee, J.; Chandler, D.; Wang, J.; Wang, C.; Chu, F.; Tang, C. Well-defined renewable polymers derived from gum rosin. Macromolecules 2010, 43, 5922. [Google Scholar] [CrossRef]
  50. Garrison, T.F.; Murawski, A.; Quirino, R.L. Bio-based polymers with potential for biodegradability. Polymers 2016, 8, 262. [Google Scholar] [CrossRef]
  51. Tian, S.; Chen, Y.; Chen, Z.; Yang, Y.; Wang, Y. Preparation and characteristics of starch esters and its effects on dough physicochemical properties. J. Food Qual. 2018, 2018, 1–7. [Google Scholar] [CrossRef]
  52. Lin, R.; Li, H.; Long, H.; Su, J.; Huang, W.; Wang, S. Optimization of lipase-catalyzed rosin acid starch synthesis by response surface methodology. J. Mol. Catal. B Enzym. 2014, 105, 104–110. [Google Scholar] [CrossRef]
  53. Zhang, K.; Cheng, F.; Zhang, K.; Hu, J.; Xu, C.; Lin, Y.; Zhou, M.; Zhu, P. Synthesis of long-chain fatty acid starch esters in aqueous medium and its characterization. Eur. Polym. J. 2019, 119, 136–147. [Google Scholar] [CrossRef]
Figure 1. Structure of rosin acids [5].
Figure 1. Structure of rosin acids [5].
Agriengineering 05 00132 g001
Figure 2. Flowsheet of esterification of gum rosin (processed from [2,21,22]).
Figure 2. Flowsheet of esterification of gum rosin (processed from [2,21,22]).
Agriengineering 05 00132 g002
Figure 3. Agent of reactant in esterification.
Figure 3. Agent of reactant in esterification.
Agriengineering 05 00132 g003
Figure 4. Mechanism of rosin reaction with glycerol (processed from [22]).
Figure 4. Mechanism of rosin reaction with glycerol (processed from [22]).
Agriengineering 05 00132 g004
Figure 5. The steps used to change rosin and pentaerythritol into esters [20].
Figure 5. The steps used to change rosin and pentaerythritol into esters [20].
Agriengineering 05 00132 g005
Figure 6. Scheme of rosin methyl ester reaction [23].
Figure 6. Scheme of rosin methyl ester reaction [23].
Agriengineering 05 00132 g006
Figure 7. Reaction scheme of PEGylation [44].
Figure 7. Reaction scheme of PEGylation [44].
Agriengineering 05 00132 g007
Figure 8. Rosin allyl ester synthesis [46].
Figure 8. Rosin allyl ester synthesis [46].
Agriengineering 05 00132 g008
Table 2. Properties of rosin pentaerythritol ester.
Table 2. Properties of rosin pentaerythritol ester.
ProductReaction Time (h)Temp.
(°C)
RatioCatalystAcid Value (mg KOH g−1)Soft.
Point (°C)
Conversion Rate (%)Ref.
Rosin (raw material) 19082 [20]
Rosin Pentaerythritol4260–2900.8–1.2
(Mol OH/COOH)
100–10976–86.59[20]
525015 g rosin, P = 1.7 g,
catalyst 0.2 g
128.6 37.7[36]
Fe3O4@SiO2–ZnO (Zn (Oac)2)120.042.0
Fe3O4@SiO2–ZnO (ZnCl2)128.737.7
Fe3O4@SiO2–ZnO (ZnSO4)71.165.6
Fe3O4@SiO2–ZnO (Zn (NO3)2)2587.9
Table 3. Properties of rosin methyl ester.
Table 3. Properties of rosin methyl ester.
ProductReact. Time (h)Temp.
(°C)
Molar Ratio (Rosin/MA)CatalystAcid Value (mg KOH g−1)Conversion Rate (%)Ref.
Rosin Methyl Ester3641:748Calcium Material (40%) 46[23]
MgO (20%)23
TiO2 (20%)27
Kaolin (40%)15
Al2O3 (40%)23
Amberlyst 15 (40%)~4
3.5641:187Calcium Material (40%) 55
3180 PTSA/ZrO2/Mo-MCM-412882.7[39]
4220 No Catalyst 55.42[40]
CO2 66.38
Al2O3 65.52
ZnO 72.42
ZnO/SFCCR 83.28
ZnO/SFCCR + CO2 94.08
5 1:1.5ZnO/SFCCR + CO2 97.01
Table 4. Properties of rosin ethylene and polyethylene glycol ester.
Table 4. Properties of rosin ethylene and polyethylene glycol ester.
ProductReact. Time (h)Temp. (°C)Molar Ratio (Rosin/Glycol)CatalystAcid Value
(mg KOH g−1)
Soft.
Point (°C)
Conversion Rate (%)Ref.
Rosin Polyethylene Glycol 400until the acid value is constant220 Zinc dust (0.5%)116.87 (brown)52–5430.85[24]
Rosin
Ethylene Glycol
Ester
5270 - 115.644[33]
Fe3O4@SiO2–ZnO (ZnAC2) 5175.3
Fe3O4@SiO2–ZnO (ZnCl2) 26.487.2
(Zn (NO3)2) 15425
Fe3O4@SiO2–ZnO (ZnSO4) 95.954
Fe3O4@SiO2–ZnO (ZnCl2) 33.883.6
Rosin Polyethylene Glycol 150052501:1ZnO (0.5%) ~52[43]
Zn dust (0.5%) ~48
SnCl2 (0.5%) ~40
92502:1ZnO (2%) 95
Rosin Polyethylene Glycol 200
until the acid value is constant240–260 Zinc dust
(0.5%)
120.93 (yellow solid)60–6528.67[44]
88.19 (yellowish red solid)50–5547.98
57.71 (reddish brown solid)45–5065.96
Disclaimer/Publisher’s Note: The statements, opinions and data contained in all publications are solely those of the individual author(s) and contributor(s) and not of MDPI and/or the editor(s). MDPI and/or the editor(s) disclaim responsibility for any injury to people or property resulting from any ideas, methods, instructions or products referred to in the content.

Share and Cite

MDPI and ACS Style

Mardiah, M.; Samadhi, T.W.; Wulandari, W.; Aqsha, A.; Situmorang, Y.A.; Indarto, A. Recent Progress on Catalytic of Rosin Esterification Using Different Agents of Reactant. AgriEngineering 2023, 5, 2155-2169. https://doi.org/10.3390/agriengineering5040132

AMA Style

Mardiah M, Samadhi TW, Wulandari W, Aqsha A, Situmorang YA, Indarto A. Recent Progress on Catalytic of Rosin Esterification Using Different Agents of Reactant. AgriEngineering. 2023; 5(4):2155-2169. https://doi.org/10.3390/agriengineering5040132

Chicago/Turabian Style

Mardiah, Mardiah, Tjokorde Walmiki Samadhi, Winny Wulandari, Aqsha Aqsha, Yohanes Andre Situmorang, and Antonius Indarto. 2023. "Recent Progress on Catalytic of Rosin Esterification Using Different Agents of Reactant" AgriEngineering 5, no. 4: 2155-2169. https://doi.org/10.3390/agriengineering5040132

APA Style

Mardiah, M., Samadhi, T. W., Wulandari, W., Aqsha, A., Situmorang, Y. A., & Indarto, A. (2023). Recent Progress on Catalytic of Rosin Esterification Using Different Agents of Reactant. AgriEngineering, 5(4), 2155-2169. https://doi.org/10.3390/agriengineering5040132

Article Metrics

Back to TopTop