Next Article in Journal
Investigating the Effects of H2 Additions to Helium and Argon Shielding Gases on TIG-Welded AISI 316L Stainless Steel
Previous Article in Journal
Photocatalytic Degradation of Acetaminophen by g-C3N4/CQD/Ag Nanocomposites from Aqueous Media
 
 
Font Type:
Arial Georgia Verdana
Font Size:
Aa Aa Aa
Line Spacing:
Column Width:
Background:
Article

Research on the Relative Displacement Distribution of a Composite Plate with Built-In FBG Sensors

by
Aliya Kalizhanova
1,2,
Ainur Kozbakova
1,3,*,
Murat Kunelbayev
3,
Timur Kartbayev
4 and
Gulzhan Kashaganova
1,5,6
1
Institute of Information and Computational Technologies CS MSHE RK, Almaty 050010, Kazakhstan
2
Institute of Automation and Information Technologies, Almaty University of Energy and Communications Named After G. Daukeyev, Almaty 050013, Kazakhstan
3
Faculty of Engineering and Information Technologies, Almaty Technological University, Almaty 050010, Kazakhstan
4
Institute of Physical, Mathematical and Digital Technologies, Kazakh National Women’s Teacher Training University, Almaty 050016, Kazakhstan
5
Faculty of Digital Technologies and Art, Turan University, Almaty 050010, Kazakhstan
6
Institute of Automation and Information Technology, Satbayev University, Almaty 050013, Kazakhstan
*
Author to whom correspondence should be addressed.
J. Compos. Sci. 2025, 9(5), 198; https://doi.org/10.3390/jcs9050198
Submission received: 19 February 2025 / Revised: 10 April 2025 / Accepted: 17 April 2025 / Published: 22 April 2025
(This article belongs to the Section Fiber Composites)

Abstract

The paper studies the distribution of relative displacement of a composite plate with integrated fiber Bragg gratings. The analysis of the methods for manufacturing composite plates with embedded optical fibers containing FBG sensors, as well as the spectral characteristics of the gratings under various bending conditions, are performed. The effect of sensor arrangement on the accuracy of determining stresses and relative elongations of the material is experimentally studied. The features of spectral shifts that occur under non-uniform stresses are revealed, which can reduce the accuracy of measurements when using interrogators. The patterns of change in the central wavelength of Bragg gratings depending on the type and magnitude of plate bending are established. The research results confirm that the use of a network of embedded FBG sensors allows one to accurately determine the areas of maximum deformations, as well as the nature and magnitude of bending of composite structures. The data obtained can be used to develop more accurate systems for monitoring the stress–strain state of composite materials.

1. Introduction

In modern construction materials, composites occupy a special place due to their high strength, low weight, and resistance to external influences. However, to ensure the reliability and durability of such materials, methods for monitoring their condition during operation are required. One promising approach is the use of fiber Bragg gratings (FBG) as embedded sensors that allow measuring mechanical deformations and stresses in the material in real time.
Compared with conventional structural materials, such as aluminum or steel, carbon fiber composites have some unique properties [1]. In terms of specific strength and rigidity, carbon fiber composites are superior to almost all of the most widely used structural materials and metallic materials. It is interesting to note that such a relatively weak structural polymer material as polyamide, when carbon fibers are introduced into it, approaches metallic structural materials in terms of specific strength and rigidity [2]. Along with high mechanical properties and chemical resistance, carbon fiber composites have good antifriction characteristics, a relatively low friction coefficient, and increased wear resistance. The friction coefficient of carbon fiber composites ranges from 0.1 to 0.17 depending on the test conditions, and in terms of wear resistance they are 5–10 times superior to antifriction grades of bronze used to make plain bearings [3]. The advantages of using carbon fiber-reinforced plastics are that they allow a reduction in the weight of the structure by 15–45%, high resistance to corrosion and various deformations, and the possibility of creating highly complex products. The following main methods of manufacturing products from carbon fiber exist [3].
There are several main methods for producing composite materials, including hand lay-up, vacuum infusion, autoclave molding, and prepreg. Each has its own advantages and limitations depending on the requirements for geometry, strength characteristics, and technological availability. For example, autoclave molding provides the highest quality and density, but it requires expensive equipment and complex parameter control. The vacuum infusion method reduces the amount of voids and improves fiber wettability, but it requires precise sealing and control of resin viscosity. In this work, the hand lay-up method was chosen as the most universal and applicable for laboratory conditions. This method allows for the precise integration of fiber optic sensors between layers of reinforcing fabric without damaging its structure. Carbon fabric with a density of 200 g/m2, which has high strength and resistance to deformation, was used as a reinforcing material, and a two-component epoxy resin was used as a matrix. This combination not only ensures the strength and rigidity of the structure, but also good compatibility with embedded optical fibers. This approach made it possible to create composite plates with an integrated sensor network without significantly deteriorating the mechanical properties of the material, which is critically important when studying the distribution of deformations and stresses.
Fiber optic sensors embedded in materials are very useful for strain/temperature monitoring in extreme environmental conditions. Intelligent composite materials with integrated fiber optic sensors can significantly improve the safety of modern machines, structures, and devices. The paper analyzed in detail sensitivity, multiplexing, resistance to external influences, and applicability in real conditions [4].
Bragg gratings (FBGs) are usually used. Here, the effect was used, according to which the wavelength of the reflected light peak was proportional to the change in the Bragg grating period, which, in turn, was determined by the deformation and temperature. The main problem of temperature cross-sensitivity encountered in FBG-based measurement requires the use of a temperature compensation method, which was also discussed in this paper [5]. The advantages of FBGs are as follows: a high value of the useful signal-to-noise ratio; high sensitivity to deformations (less than 0.5 × 10−6); the possibility of interrogation via one fiber; multiplexing into many FBGs; three-axis deformation sensitivity.
The most common manufacturing processes used by laboratory and small-scale industrial manufacturers are the hand lay-up and pre-lay-up methods [3]. The hand lay-up method is the process of arranging fiber-reinforced layers in a laminate and shaping it to produce the desired part. This is accomplished by laying up the reinforcing fibers or fabrics by applying a matrix between them. Once laid up, the polymer matrix is cured (or polymerized), and the multilayer composite specimen can be shaped to the manufacturer’s specifications. Prepregs are individual laminates of “pre-impregnated” composite fibers with a matrix material such as epoxy resin. In the prepreg lay-up method, multiple layers of prepreg composites are laid up and cured either unassisted or by applying heat and/or pressure. The molding process can be either vacuum bag molding or autoclave molding [4]. FBGs are the most commonly used fiber optic sensors for composite materials [6,7,8]. The Bragg grating consists of a region in which the refractive index is periodically changed in the core region of the optical fiber [9]. The strain components acting in different directions inside the composite structure can be measured by multiplexed FBGs [10]. In addition, the anisotropic strain distribution in the composite material can be measured by FBGs recorded in the microstructured fiber with high birefringence [11]. Fiber Bragg grating (FBG) sensors are ideal for health monitoring of composite materials and concrete structures [12]. Among the various multiplexing methods of FBG sensors, the wavelength division multiplexing method (WDM) is one of the most widely used [13].
In recent years, research in the field of integrating fiber Bragg gratings (FBGs) into composite materials has been actively developing due to their high accuracy, compactness, and resistance to external influences. A number of studies [14,15,16,17,18] describe the key advantages of FBG sensors over traditional measuring systems, including the possibility of multiplexing, high sensitivity to deformations, and suitability for operation in extreme conditions. The authors of [14] first demonstrated the effectiveness of FBG for stress monitoring in composites, while [15] studied the behavior of sensors under local mechanical loads, [16] focused on the influence of the embedding and lamination method on the sensor response, and [17] provided a systematic review of the application of FBG for monitoring structures. Modern studies also address algorithms for interpreting spectral data, especially in the case of their distortion under non-uniform stresses [18]. However, despite the accumulated experience, problems related to the analysis of deformations under complex and combined loads remain unsolved, especially in the conditions of the two-dimensional placement of FBG networks in composite structures. This work is aimed at filling this gap.

2. Materials and Methods

In this work, control plates were manufactured consisting of a selected number of layers of carbon fabric impregnated with epoxy resin. Fiber optic Bragg sensors were additionally placed between the layers of carbon fabric.
Carbon Fabric Manufacturer: The carbon fabric used in the study was TC-H200 (0.2 mm thick, 200 g/m2) supplied by Toray Industries Inc., Tokyo, Japan. Epoxy Resin Type and Manufacturer: The matrix was a two-component epoxy resin ED-20 with PEPA hardener (supplier: EpoKam Company, Almaty, Kazakhstan). The epoxy resin was mixed with the hardener in a ratio of 2:1, and, using a brush, evenly distributed over the addition of each layer of carbon fabric. The layers impregnated with the appropriate amount of carbon fiber were placed between two glasses, which made it relatively easy to separate the finished plate from the glass. Plate Formation Conditions: The composite specimens were formed by hand lay-up followed by pressing. To ensure a uniform lay-up and removal of air inclusions, a pressure of about 0.2–0.3 MPa was used, created by static loading between the glass plates. Plate Curing: The specimens were kept under pressure at room temperature for 24 h, after which they were additionally post-cured for 2 h at 60 °C in a drying oven. The glass panels, between which the control board was placed, were pressed against each other, which ensured the displacement of air bubbles from the structure. In addition, the plates were given a smooth upper surface. The study of the possibility of determining the relative distribution of stresses in a composite plate with built-in Bragg grating sensors was continued on another manufactured control plate. In this case, 3 optical fibers with three Bragg gratings of different wavelengths in each fiber were used. The actual appearance of the composite board with built-in sensors is shown in Figure 1.
The test plate was made of 8 layers of carbon fabric impregnated with epoxy resin. In the plate made for this experiment, optical fibers were embedded between layers 1 and 2 of the carbon fabric, creating a network of 9 sensors distributed in different places on the plate at the same “depth” (between layers 1 and 2 of the fabric).
The impact of sensor packaging technology on measurement accuracy is related to several key factors. The method of integrating the sensor into the composite material: fiber optic sensors can be embedded between layers of carbon fiber or placed on the surface of the material. The method of fixing and packaging: the use of vacuum forming or autoclave pressing improves the contact of the sensor with the material and reduces errors. Rigid fixing can cause local bending and signal distortion. The location of the sensor relative to the neutral axis of the composite: the closer the sensor is to the zone of maximum stress, the higher its sensitivity, but also the likelihood of damage. The optimal placement is determined experimentally, taking into account the bending and load characteristics.
The first experiment used a bending element with a controlled load applied at 2 mm increments. The maximum deflection was 23 mm, which corresponded to a load of about 50 N. The second experiment used a three-point support scheme, in which the load was distributed over two fixed support points and the central load varied from 0 to 500 N.
In the first case, the load was point-like and applied along the axis of symmetry of the plate, which allowed us to analyze the uniform stress distribution along the main bending line. In the second case, an uneven distribution of bending stresses was observed, since the plate was supported at three points, which led to a combination of local compression and tension zones.
The fiber optic Bragg gratings used were fabricated in the laboratory of the Lublin University of Technology using the phase mask exposure method and a 248 nm UV laser. The gratings were written on standard telecommunication single-mode fibers of the SMF-28e+ type (manufactured by Corning Inc., Corning, USA). Before embedding into the composite structure, the fibers were stripped of their protective coating over a length of 30 mm, and the FBGs were fixed between fabric layers with controlled pre-tension. A Yokogawa AQ6370D optical spectrum analyzer operating in the range of 1200–1700 nm was used for spectral analysis. A super luminescent diode (SLED) with a wide spectrum (1525–1565 nm), model EXFO SLED-1550, provided by EXFO Inc., Quebec, QC, Canada. was used as a light source.
Standard FC/APC optical connectors and low-loss optical splitters were used to connect the components. Light was introduced into the fibers via single-mode patch cords with calibrated connections. The fibers were connected to the analyzer directly via standard OSA interface ports using pre-polished and calibrated ferrules.
The optical scheme included a series connection of the light source, the tested sample with FBG, and the spectrum analyzer. The reflected signal from the grating was directed back to the analyzer via an optical circulator.

3. Results

3.1. Uniform Bending of the Plate with a Network of Built-In Sensors

Figure 2 shows a diagram of the internal structure of the board, showing where the fibers with the sensors stored in them were mounted.
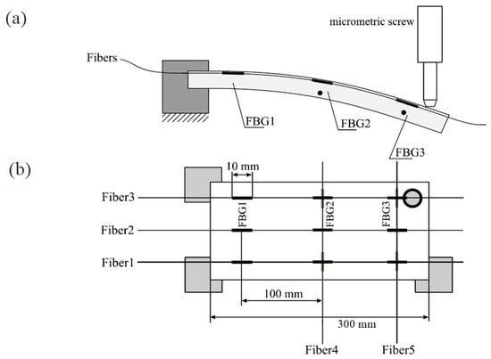
The plate shown in the Figures above was loaded in two ways. The first is shown in Figure 3 where the element was clamped on one side and the bending element was applied against the opposite side. The amount of bending of the plate was set by an electronically controlled micrometer rod.
The micrometer screw was used exclusively to create a controlled bending of the plate, i.e., to adjust the vertical displacement in its central part between the supports (see Figure 3a and Figure 8a). The measured displacement allowed us to estimate the deformation, which was monitored by the spectral shift of the central wavelength of the FBG reflection. The obtained changes in wavelength were then converted into relative displacement values using predetermined calibration factors.
In the experimental studies, the plate was fixed using clamps that rigidly fixed the edges of the sample onto an aluminum support. The contact surfaces of the plate and the support were pre-degreased to prevent slipping. Additionally, to ensure the stability of the position and uniform transfer of the load, thin rubber pads were used between the plate and the metal elements of the clamp. Such fastening allowed for precise fixation of the test area and the elimination of extraneous movements during the measurement process.
In the case of uniform bending (Figure 3a), two cylindrical supports with a diameter of 10 mm were used, installed at a distance of 180 mm from each other. The upper point of application of force (via a micrometer screw) was located in the center of the span.
All tested composite plates had the following dimensions: Length: 200 mm; Width: 30 mm; Thickness: for 8-layer plate—1.6 mm (each layer ≈ 0.2 mm), for 6-layer plate—1.2 mm2. Position of fibers (Figure 3b and Figure 8b): Fibers with FBG were placed longitudinally along the plate. Fibers 1, 2, and 3 were embedded between the first and second layers, at distances of 5 mm, 15 mm, and 25 mm from one of the long edges of the plate, respectively (perpendicular to the bending axis). Fibers 4 and 5 were placed between the fifth and sixth layers and were located at the same transverse coordinates: 5 mm and 25 mm. The sensor network covered most of the plate width and allowed observation of the distribution of deformations across the width and depth of the sample.
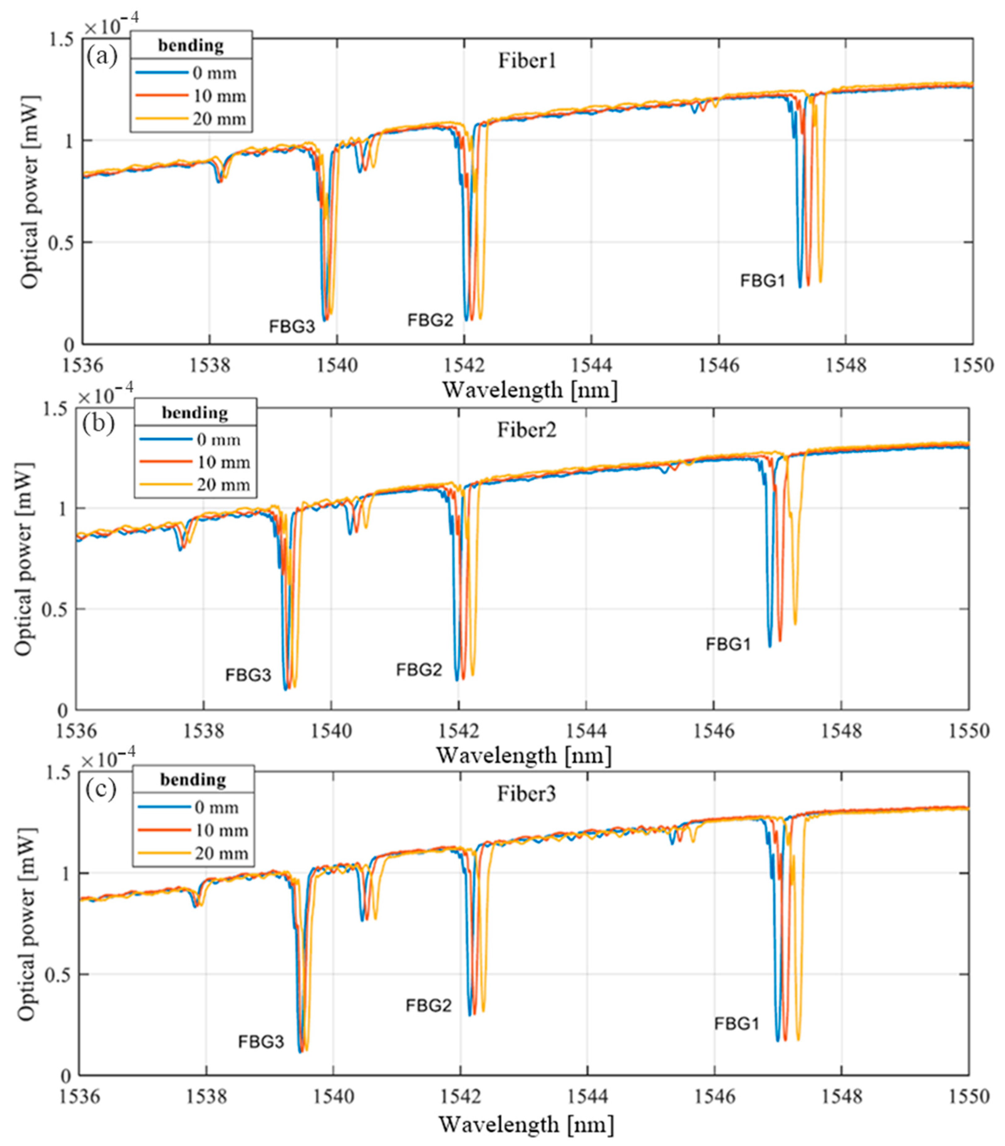
It should be noted that the load was applied pointwise, along the axis of symmetry of the plate (along the axis on which the central optical Fiber 2 was also fixed). Observation of the central shift of the Bragg wavelengths will allow us to determine the relative elongations at the points of the control plate in which the Bragg sensors were embedded. Figure 4 shows the transmission spectra measured for successive optical fibers embedded in the plate subjected to upward bending according to the scheme shown in Figure 3.
In the described case, it is evident that the spectra of each of the presented Bragg gratings shifted toward longer wavelengths. Based on the measured spectra, the characteristics of the change in the central wavelength from the plate bending value were determined by the method of identifying the minima. These dependencies are shown in Figure 5, which shows the characteristics for each of the Bragg gratings embedded in the composite.
The response of Fiber 2 in Figure 5b is the most significant for the following reasons:
-
Fiber 2 was mounted along the axis of symmetry of the plate, where the greatest stretching occurred during bending. This explains the significant shift in the central Bragg wavelength compared to the other sensors.
-
Fiber 2 experienced the strongest stretch during bending of the control plate, which resulted in the largest change in the central wavelength.
-
Fibers 1 and 3 showed a similar range of wavelength shifts, while Fiber 2 recorded the largest shift, indicating that it was subjected to a greater load.
The response of Fiber 2 is the most significant due to its location in the zone of maximum mechanical stress and the nature of the applied load.
FBG 3 gratings were embedded in the edge of the plate closest to the mount. The absence or slight shift of the spectrum observed at strains from 0 to 4 mm indicated the absence of contact of the bending head at the initial values of the micrometer screw elongation. Figure 5b shows the Bragg wavelength shift characteristics determined for the gratings recorded in Fiber 2. The characteristics determined for Fiber 1 and Fiber 3 have almost the same range of wavelength change for a given bending of the test plate. Table 1 contains the initial data of spectral shifts (in nm) for all nine sensors embedded in three fibers. These values were used further to calculate the relative elongations of the material and analyze the distribution of deformations across the width of the plate.
The shifts in Table 1 can be used as input data. The spectral shift in nanometers directly reflects the change in the reflection wavelength of each grating when the material was stretched or compressed at a given point. These shifts were used as input data for the subsequent calculation of the relative elongation of the material in the corresponding zones.
Studying the distribution of relative displacements using FBG sensors arranged in a sensor network allows us to find the parts of the test plate that were subject to the heaviest loads. The technique of embedding the sensors in the internal structure ensured that the tensile strain of the material was directly transferred to the elongation of the fiber sensor. The effect of the strongest stretching of the material along the axis of symmetry of the plate, observed in Figure 5, was due to the fact that the force bending the plate was applied precisely along the axis of symmetry. In addition, this may be due to the fact that the plate was fastened, per Figure 5b, where two corners of the composite plate were fastened. This effect can be seen in the graphs presented in Figure 6, where the curves of the change in the wavelength shift of gratings with the same number (FBG 1/FBG 2/FBG 3), placed on three fibers, are compared in one window.
Fitting the spectral dips by using a parabolic function was not used, as it can lead to even larger errors in the presence of significant distortions.
Instead, we used a robust numerical approach based on a weighted average value over a selected spectral range. A numerical method based on the calculation of the spectral centroid was used to determine the shift of the central wavelength of reflection. This approach was especially relevant in cases where the shape of the spectrum was distorted due to non-uniform deformations in the area of the fiber optic Bragg gratings (FBGs), which made traditional methods (e.g., determining the minimum reflection) less accurate.
The spectral range in which the calculation was performed was determined individually for each spectrum and covered the main reflection peak with an intensity of at least 80% of the maximum. In most cases, the range was about ±0.3–0.5 nm from the assumed peak center. This made it possible to exclude the influence of noise and side maxima, as well as to increase the accuracy of the estimate in the presence of spectrum asymmetry. This approach allowed for reliable determination of the shift in the central wavelength even under conditions of significant spectral distortions arising under the action of local deformation gradients. The application of the centroid method is described and recommended in [19].
Errors and the addition of error bars in Figure 5, Figure 6 and Figure 12 reflect a standard deviation of 0.001 nm.
An analysis of the graphs in Figure 6 shows that for each of the grating rows (FBG 1/FBG 2/FBG 3), the sensors located on Fiber 1 and Fiber 3 had the same wavelength shift. At the same time, in each of the grating rows, it is clear that the Bragg wavelength shift of the sensors stored in Fiber 2 was the largest.

3.2. Investigation of Stress Distribution in a Plate in a Three-Point Support System

Experimental verification of the distribution of displacements when loading a plate with a three-point support was conducted. Such a loading characteristic allows obtaining non-uniform bending, which manifests itself in the form of local compressive and local tensile stresses. To manufacture the control plate, six layers of carbon fabric impregnated with epoxy resin were used, into which 13 FBG sensors were built. The layout of the Bragg sensors for this case is shown in Figure 7.
Nine of them were arranged identically to the previous case, i.e., three fibers with three fiber sensors were embedded between the first and second layers. In addition, two fibers (each with two Bragg gratings) were embedded between the fifth and sixth layers. Figure 8 schematically shows how the control board with embedded sensors was supported and loaded.
Figure 8. Loading and mounting diagram of the plate with an integrated network of Bragg sensors. (a) Side view: Optical fibers with written fiber Bragg gratings (FBG1, FBG2, FBG3) are embedded in a curved plate, (b) Top view: Three optical fibers (Fiber1, Fiber2, Fiber3) are arranged in parallel inside the plate and fixed between supports (Fiber4 and Fiber5).
Figure 8. Loading and mounting diagram of the plate with an integrated network of Bragg sensors. (a) Side view: Optical fibers with written fiber Bragg gratings (FBG1, FBG2, FBG3) are embedded in a curved plate, (b) Top view: Three optical fibers (Fiber1, Fiber2, Fiber3) are arranged in parallel inside the plate and fixed between supports (Fiber4 and Fiber5).
Jcs 09 00198 g008
In the case of three-point bending (Figure 8a), a similar scheme with central loading was used, but no clamps were used. The plate rested freely on two supports, and the load was transmitted from above through a round contact surface with a diameter of 10 mm.
The contact between the plate and the fastening elements was ensured through 1 mm thick rubber pads to prevent slipping and damage. The position of the supports and the loading element ensured stable and reproducible bending.
By arranging the FBG sensors at 90 degrees to each other, it was possible to monitor changes in relative elongation that also occurred along the entire length of the test plate. Figure 9 shows the stress distribution in a control plate, clamped and loaded as described in this work.
To illustrate the stress distribution in Figure 9, a simulation was performed for the case of applying a load to the edge of the control plate in the SolidEdge ST4 environment. The stress analysis shown in Figure 9 demonstrates that the stresses, and, therefore, the plate deformation, reached their greatest values at the supported corner of the plate. Placing the sensor in such a place can change the shape of the spectrum of the FBG sensor located in the zone of non-uniform stresses. If the relative elongation of the material in which it is embedded has different values along the length of the grating, then the period of the periodic structure becomes non-uniform, which can be compared to the appearance of a chirp.
In Section 3.1, the positioning of Fibers 1–3 and 4–5: Fibers 1–3 were embedded between the first and second layers of the composite plate, i.e., closer to the tensile surface during bending, in order to increase the sensitivity to deformations. In contrast, Fibers 4 and 5 were placed between the fifth and sixth layers, i.e., closer to the neutral axis, in order to evaluate the effect of the embedding depth on the shape of the reflectance spectrum and the sensitivity of the FBG. This distribution allowed us to compare the behavior of the sensors under different stress gradients through the material thickness and to analyze the distortion of the spectra under non-uniform loads.
Selection of the number of layers in the plates (eight layers and six layers) in Section 3.2: The plate with eight layers was used in the uniform bending experiment, since this configuration provides a more stable geometry and increased stiffness, which is important for symmetrical loading at two points. In turn, the 6-layer plate was chosen for the experiment with non-uniform bending (three-point scheme), where the task was to obtain a significant deformation gradient in the central region. A thinner structure made it possible to enhance the local bending effects and demonstrate distortion of the spectra in the zone of greatest stress.

3.3. Analysis of Stresses in Fibers Along the Test Plate

The measurement results and processing characteristics determined from the spectra of fibers embedded along the control board are presented. Figure 10 shows the transmission spectra measured for Fiber 1, Fiber 2, and Fiber 3 embedded in the plate. An analysis of the spectra of successive Bragg gratings shows that, especially in the case of Fiber 1 (embedded on the side of the supported corner), deformations of the spectrum were observed. This is due to the fact that the stresses in the plate structure near the additional reinforced corner showed a large change over a short distance. Therefore, a non-uniform elongation of the Bragg grating along its entire length was possible. This resulted in the grating period not having the same length along the entire Bragg grating, so that the resulting spectrum was essentially an average spectrum measured over a number of short gratings with different periods.
Section 3.3 and Section 3.4 present spectra recorded from FBG-embedded optical fibers located in different areas of the composite plate. Figure 10 shows distorted spectra, especially for Fiber 1, indicating non-uniform strain. This is what caused the dips and deformations in the spectrum shape.
The spectral dips shown in Figure 10 correspond to FBGs located near the attachment corners and in local stress zones (see the sensor placement diagram in Figure 8). These gratings experienced non-uniform strain along their length, which caused the spectral distortions described in the text. In particular, this applies to FBG1 on Fiber 1.
Similarly, Figure 4 shows spectra for fibers embedded in the plate under uniform bending. The spectral shifts shown in the Figure correspond to specific FBGs, as further detailed in Table 1. For each of the fibers (Fiber 1, 2, and 3), three gratings (FBG1, FBG2, and FBG3) are specified, and all of them are given explicitly in the table and in the graphs (e.g., Figure 5 and Figure 6).
The transmission spectra shown in Figure 11 indicate a much more complex stress distribution than in the case of a single-sided supported plate. The spectral shape change effect can also be caused by imprecise bonding of the Bragg grid to the composite structure of the plate, but this effect is very unlikely in the case of the epoxy resin embedding of carbon fiber. If the relative elongation of the material in which the grating is embedded varies along the length of the FBG, the periodic structure of the grating becomes non-uniform, leading to chirp-like effects in the reflectance spectrum, as described previously in [19].
Despite the spectral shape change observed for some FBGs, it is possible to determine the spectral shift caused by the tension or compression of the control plate at the location of the embedded sensor. Figure 10 shows the change in the shift of the central wavelength of the FBG spectra recorded on Fiber 1, Fiber 2, and Fiber 3. Fiber 1 was subjected to non-uniform deformation along the length of the FBG grating. Because of this, the determination of the characteristic wavelength shifts of the grating based on the basic method of finding the spectral minimum was subject to a large error. Figure 11 shows the transmission spectra of FBG1 recorded on Fiber 1 embedded in the composite plate structure subjected to bending in accordance with the assumptions of this work. The Transfer Matrix Method (TMM) modeling technique was applied in Figure 11.
The TMM method was applied to numerically model the shape of the reflectance spectrum of the FBG located in the non-uniform stretching zone (in particular, for FBG1 in Fiber 1). Specific calculated data obtained using TMM include the following: the shape of the reflectance spectrum taking into account the non-uniform strain distribution along the grating length (chirp effect); the presence of side lobes and deformations of the main peak corresponding to a local change in the grating pitch; the comparison with the experimental spectrum shown in Figure 11. The curve calculated using TMM was used to confirm that the observed deformation of the spectrum was caused by the strain gradient along the grating, and not by measurement noise or artifacts. A list of parameters used in the model is as follows:
-
Lattice length: 10 mm
-
Maximum stretch: 600 με
-
Deformation gradient: linear, from 0 to 600 με
-
A priori reflectivity: 10%
-
Refractive index constancy of the core: 1.45
An analysis of the spectra shown in the Figure above clearly shows that the spectrum was deformed as a result of the introduction of a specific chirp into the Bragg grating structure.
Due to the change in the shape of the spectrum, the determination of the spectrum shift based on finding the minimum of the characteristic had a large error. For this reason, the shifts in this case were determined using the “Centroid“ algorithm, which consisted of calculating the geometric center of the spectrum using the following formula.
The centroid algorithm was used not only for FBG1, but for all FBG sensors whose spectra showed signs of shape distortion, particularly when bending with uneven stress distribution (Figure 10, Figure 11, and Figure 12). For regular and symmetrical spectra, both methods were used, namely, minimum value and center of gravity for comparison.
To calculate the spectral centroid of each FBG, a local spectral range was selected that covered at least 80% of the reflected signal intensity around the main peak. Specifically, in Figure 10 and Figure 11, the ranges were ±0.3–0.5 nm from the assumed peak center; the range was determined individually depending on the width and shape of the spectrum to exclude noise artifacts and side peaks. Regarding the algorithm for Figure 12, all spectral shift values presented in Figure 12 were obtained based on the centroid algorithm. This is especially important since a significant portion of sensors (e.g., FBG1 in Fiber 1) were in areas with pronounced non-linear deformation, which distorted the spectrum and made it difficult to determine the minimum using standard methods. The formula is the definition of the centroid of the spectrum and is written as follows:
λ b = i = 1 N λ i A i i = 1 N A i .
where λi—the wavelength at the i-th reading; Ai—reflection intensity at λi λb—central (average) wavelength.
Figure 12. Spectral shift characteristics of Bragg gratings made on optical fibers embedded in a plate.
Figure 12. Spectral shift characteristics of Bragg gratings made on optical fibers embedded in a plate.
Jcs 09 00198 g012
Thus, the shift value was determined based on a certain wavelength range, which, as presented in [19], has a beneficial effect on the accuracy of shift determination in the case of irregular spectra.
The waveforms representing the wavelength variation of individual Bragg modules associated with successive FBGs clearly show that the material was stretched and stressed non-uniformly. As predicted from the stress distribution shown in Figure 10, the center wavelengths of the gratings recorded on Fiber 3 shifted toward longer wavelengths, which was due to the stretching of the plate along the length of the fiber. The characteristics associated with Fiber 2 and Fiber 1, on the other hand, indicate that the fibers were subjected to both stretching and compression at different points along their lengths.
k ε = Δ λ B λ B ε = 1 p e 1 , 2 μ ε 1
The shift value was determined based on a certain wavelength range, which, as presented in [19], has a beneficial effect on the accuracy of shift determination in the case of irregular spectra. The sensitivity determined on this basis was 1.1888 pm/μm. This value was used to calculate the relative elongation at the location where the FBG sensor was embedded. Table 2 shows the results of changing the Bragg wavelength of the gratings embedded in the internal structure of the composite plate along the long side of the plate. Table 3 shows the spectral shift values of the individual Bragg sensors embedded in the composite structure, assuming a strain sensitivity of 1.1888 pm/μm and a Bragg grating length of 10 mm.

3.4. Analysis of Stresses in Fibers Passing Through a Test Plate

The spectral shifts of the FBG sensors recorded in Fiber 4 and Fiber 5, which were embedded in the internal structure across the composite plate—i.e., at right angles to Fibers 1–3—can be analyzed separately. A schematic of the sensor network embedded in the composite structure is shown in Figure 13. The image of the stress distribution in the plate loaded according to the assumptions of this chapter shows that, as in the case of embedded fibers along the plate, strong stress non-uniformities are to be expected. An additional image of the stress distribution with the optical fibers and Bragg gratings schematically indicated is shown in Figure 13. With this arrangement of sensors, the relative strain in the direction along the shorter side of the test plate can be investigated.
Figure 14 shows the transmission spectra measured for Fiber 4 and Fiber 5. For each fiber, two minima are visible, associated with the periodic structures stored in the fiber.
The first case analyzed for shifts in the spectra of the Bragg sensors attached along the short side of the test board is the case schematically described in Figure 8a, where the gratings were placed at the bottom of the board between layers 5 and 6. The transmission spectra measured for the fiber with two Bragg sensors attached are shown in Figure 13. The characteristics associated with Fiber 5 are shown in Figure 14a. It can be seen that the spectrum of FBG1 recorded on this fiber (embedded in the plate structure closest to the corner with the highest stresses) was distorted with increasing magnitude of the bending element displacement. This indicates a strongly varying stress distribution along the 10 mm long sensor. In contrast, Figure 14b shows the spectra of Fiber 4, placed closer to the central axis of the test plate. It can be seen that the spectral shift caused by the bending of the control element in this case only caused a shift in the characteristics.

4. Discussion

The difference in the responses of FBG1 in Fiber 5 and FBG3 in Fiber 1 is explained by their different locations in depth: the first sensor is built closer to the bottom surface of the plate, and the second one is built closer to the top surface, giving different types of deformations (tension/compression) during bending. In addition, the local stress state near the support angle is non-uniform, and even small differences in the coordinates of the sensors can significantly affect the spectral response. At the same time, the similar behavior of FBG1 in Fiber 1 and Fiber 5 is due to the fact that both sensors are in the tension zone, but on opposite sides of the neutral axis, which gives a comparable result.
Spectral distortion is also observed in the Bragg gratings located on Fiber 1, which is embedded perpendicularly to Fibers 4 and 5. As a result, determining the spectral shift using the basic method of identifying the wavelength corresponding to the minimum of the spectrum involves significant uncertainty. The test results presented in the previous section, involving the deformation of a control plate supported at three points, demonstrate that embedding a sensor network in the composite structure at a 90-degree orientation enables the detection of relative strain in multiple directions within the material. In addition, a limitation is revealed due to the fact that the spectrum of a Bragg sensor subjected to non-uniform stresses along its length is distorted. For this reason, the methods for determining the Bragg wavelength of sensors used in commercial interrogators can be subject to large errors. For example, the Smart Fiber system uses the method of fitting a Gaussian curve with selected parameters to an approximately measured reflection spectrum, which can lead to significant errors in the presence of spectral distortions [17]. Distortion of the spectrum, causing a significant deviation from the Gaussian curve shape, in this case, leads to very large errors in the wavelength shift readings.
Optical fibers are embedded into the composite plate at the lamination stage and occupy less than 1% of the material volume, so their impact on the overall mechanical properties is considered minimal. However, if the fibers are incorrectly laid or adhesion is disrupted, local weakening of strength is possible; therefore, in this work, the fibers are placed strictly between the layers, parallel to the reinforcing directions, with minimal bending, which allows for the maintaining of the integrity and characteristics of the structure.

5. Conclusions

The conducted study confirmed the efficiency of using fiber Bragg gratings for measuring the distribution of relative displacement and stresses in composite plates. An analysis of spectral characteristics showed that different bending methods lead to significant changes in Bragg wavelengths, which allowed for the accurate determination of the stress–strain state of the material.
The influence of non-uniform stresses on the spectral shape of the signal was revealed, which required the use of special data processing algorithms, such as the “Centroid” method, to provide a more accurate determination of the wavelength shift. It was also shown that the integration of sensor networks at different angles allowed for a detailed analysis of the stress distribution under complex loading conditions.
The results of the work can be used for further optimization of composite material condition monitoring systems, as well as for improving spectral data interpretation methods. Promising areas for further research include the development of new FBG signal processing algorithms, improving the technology of sensor integration into composite structures, and expanding the scope of these methods in the aviation, construction, and automotive industries.

Author Contributions

A.K. (Aliya Kalizhanova), A.K. (Ainur Kozbakova), and M.K.; software, T.K., G.K., and M.K.; validation, A.K. (Aliya Kalizhanova), A.K. (Ainur Kozbakova), and T.K.; investigation, G.K.; resources, M.K., G.K., and T.K.; data curation, A.K. (Aliya Kalizhanova), A.K. (Ainur Kozbakova), and M.K.; supervision, A.K. (Aliya Kalizhanova) and A.K. (Ainur Kozbakova); project administration, A.K. (Aliya Kalizhanova). All authors have read and agreed to the published version of the manuscript.

Funding

The work was supported by a grant and funding from the Ministry of Science and Higher Education of the Republic of Kazakhstan within the framework of the Project № AP19679153, Institute Information and Computational Technologies CS MSHE RK.

Data Availability Statement

The original contributions presented in the study are included in the article, further inquiries can be directed to the corresponding author.

Conflicts of Interest

The authors declare no conflicts of interest.

References

  1. Mallick, P.K. Fiber-Reinforced Composites: Materials, Manufacturing, and Design; CRC Press: Boca Raton, FL, USA, 2007. [Google Scholar]
  2. Liu, H.; Liang, D.; Han, X.; Rui, S. An FBG staged monitoring method for carbon fiber reinforced plastics composite fracture status based on modulus/strain wave coupling property. J. Vibroengineering 2014, 16, 2735–2746. [Google Scholar]
  3. Li, J.; Yao, X.; Liu, Y.; Cen, Z.; Kou, Z.; Dai, D. A study of the integrated composite material structures under different fabrication processing. Compos. Part A Appl. Sci. Manuf. 2009, 40, 455–462. [Google Scholar] [CrossRef]
  4. Ramakrishnan, M.; Rajan, G.; Semenova, Y.; Farrell, G. Overview of fiber optic sensor technologies for strain/temperature sensing applications in composite materials. Sensors 2016, 16, 99. [Google Scholar] [CrossRef] [PubMed]
  5. Sahota, J.K.; Gupta, N.; Dhawan, D. Fiber Bragg grating sensors for monitoring of physical parameters: A comprehensive review. Opt. Eng. 2020, 59, 060901. [Google Scholar] [CrossRef]
  6. Kolosov, A.E.; Sivetskii, V.I.; Kolosova, E.P.; Vanin, V.V.; Gondlyakh, A.V.; Sidorov, D.E.; Ivitskiy, I.I. Creation of structural polymer composite materials for functional application using physicochemical modification. Adv. Polym. Technol. 2019, 2019, 3501456. [Google Scholar] [CrossRef]
  7. Kolosova, A.S.; Sokolskaya, M.K.; Vitkalova, I.A.; Torlova, A.S.; Pikalov, E.S. Modern polymer composite materials and their applications. Int. J. Appl. Fundam. Res. 2018, 5, 245–256. [Google Scholar]
  8. Ramakrishnan, M.; Rajan, G.; Semenova, Y.; Boczkowska, A.; Domanski, A.; Wolinski, T.; Farrell, G. Measurement of thermal elongation induced strain of a composite material using a polarization maintaining photonic crystal fiber sensor. Sens. Actuators A–Phys. 2013, 190, 44–51. [Google Scholar] [CrossRef]
  9. Grattan, K.; Meggit, B. Optical Fiber Sensors Technology: Fundamentals; Kluver Academic Publishers: Boston, MA, USA; Dordrecht, The Netherlands; London, UK, 2000. [Google Scholar]
  10. Harasim, D.; Kisała, P. Układy przesłuchujące multipleksowane światłowodowe czujniki bragga. Inform. Autom. Pomiary W Gospod. I Ochronie Środowiska 2015, 5, 77–84. [Google Scholar] [CrossRef]
  11. Lesiak, P.; Szelag, M.; Awietjan, S.; Kuczkowski, M.; Ertman, S.; Budaszewski, D.; Domanski, A.; Wolinski, T. lnfluence of lamination process on plastic optical fiber sensors embedded in composite material. Proc. SPIE 2013, 8774, 29–34. [Google Scholar]
  12. Ou, Y.; Zhou, C.; Qian, L.; Fan, D.; Cheng, C.; Guo, H. Large-capacity multiplexing of near-identical weak fiber Bragg gratings using frequency–shifted interferometry. Opt. Express 2015, 23, 31484. [Google Scholar] [CrossRef] [PubMed]
  13. Zhao, Y.; Liao, Y. Discrimination methods and demodulation techniques for fiber Bragg grating sensors. Opt. Laser Eng. 2004, 41, 1–18. [Google Scholar] [CrossRef]
  14. Muto, N.; Arai, Y.; Shin, S.G.; Matsubara, H.; Yanagida, H.; Sugita, M.; Nakatsuji, T. Hybrid composites with self-diagnosing function for preventing fatal fracture. Compos. Sci. Technol. 2001, 61, 875–883. [Google Scholar] [CrossRef]
  15. Kuang, K.S.C.; Cantwell, W.J.; Chia, C.H. Monitoring the Response of Composite Panels with Embedded Optical Fiber Sensors under Quasi-Static Indentation Loading. Smart Mater. Struct. 2002, 11, 292–297. [Google Scholar] [CrossRef]
  16. Kister, G.; Peters, K.; Foote, P.; Majumdar, A. Behaviour of Fibre Bragg Grating Sensors Embedded in CFRP for Impact Detection. Smart Mater. Struct. 2007, 16, 925–934. [Google Scholar] [CrossRef]
  17. Majumder, M.; Gangopadhyay, T.K.; Chakraborty, A.K.; Dasgupta, K.; Bhattacharya, D.K. Fibre Bragg Gratings in Structural Health Monitoring—Present Status and Applications. Sens. Actuators A Phys. 2008, 147, 150–164. [Google Scholar] [CrossRef]
  18. Yeo, T.L.; Sun, T.; Grattan, K.T.V. Fiber-Optic Sensor Technologies for Humidity and Moisture Measurement. Sens. Actuators A Phys. 2021, 344, 112580. [Google Scholar] [CrossRef]
  19. Harasim, D.; Yussupova, G. Improvement of FBG peak wavelength demodulation using digital signal processing algorithms. In Proceedings of the XXXVI Symposium on Photonics Applications in Astronomy, Communications, Industry, and High-Energy Physics Experiments (Wilga 2015), Wilga, Poland, 25–31 May 2015; p. 966212, ISSN 0277-786X. [Google Scholar]
Figure 1. Photograph of a composite carbon fiber and epoxy resin test plate with embedded FBG sensors.
Figure 1. Photograph of a composite carbon fiber and epoxy resin test plate with embedded FBG sensors.
Jcs 09 00198 g001
Figure 2. Schematic diagram of the arrangement of Bragg gratings embedded in the internal structure of the control plate.
Figure 2. Schematic diagram of the arrangement of Bragg gratings embedded in the internal structure of the control plate.
Jcs 09 00198 g002
Figure 3. Schematic diagram of the internal structure of the test plate and the measuring system with the applied plate deforming element. (a) Side view of the setup showing a fixed optical fiber with three sequentially written gratings FBG1, FBG2 and FBG3, (b) Top view of the setup: three optical fibers (Fiber1, Fiber2, Fiber3) are fixed parallel to each other. Each fiber has three gratings written (FBG1, FBG2, FBG3) located at the same distance from each other (100 mm).
Figure 3. Schematic diagram of the internal structure of the test plate and the measuring system with the applied plate deforming element. (a) Side view of the setup showing a fixed optical fiber with three sequentially written gratings FBG1, FBG2 and FBG3, (b) Top view of the setup: three optical fibers (Fiber1, Fiber2, Fiber3) are fixed parallel to each other. Each fiber has three gratings written (FBG1, FBG2, FBG3) located at the same distance from each other (100 mm).
Jcs 09 00198 g003
Figure 4. Transmission spectra measured for successive optical fibers embedded in a composite plate. (a) Fiber 1—Reflectance spectra for the fiber located closer to the edge of the plate, (b) Fiber 2—Central fiber located along the axis of symmetry of the plate, (c) Fiber 3—Fiber located closer to the opposite edge of the plate.
Figure 4. Transmission spectra measured for successive optical fibers embedded in a composite plate. (a) Fiber 1—Reflectance spectra for the fiber located closer to the edge of the plate, (b) Fiber 2—Central fiber located along the axis of symmetry of the plate, (c) Fiber 3—Fiber located closer to the opposite edge of the plate.
Jcs 09 00198 g004
Figure 5. Characteristics of the central wavelength change determined for optical fibers with recorded FBG sensors. (a) Fiber 1—the fiber located closer to the edge of the plate, (b) Fiber 2—the central fiber running along the axis of symmetry, (c) Fiber 3—the fiber located closer to the opposite edge of the plate.
Figure 5. Characteristics of the central wavelength change determined for optical fibers with recorded FBG sensors. (a) Fiber 1—the fiber located closer to the edge of the plate, (b) Fiber 2—the central fiber running along the axis of symmetry, (c) Fiber 3—the fiber located closer to the opposite edge of the plate.
Jcs 09 00198 g005
Figure 6. Characteristics of the central wavelength change determined for gratings recorded in three fibers grouped with the same type by number.
Figure 6. Characteristics of the central wavelength change determined for gratings recorded in three fibers grouped with the same type by number.
Jcs 09 00198 g006
Figure 7. Schematic diagram of the internal structure of the control plate with 13 Bragg sensors embedded between layers of carbon fabric.
Figure 7. Schematic diagram of the internal structure of the control plate with 13 Bragg sensors embedded between layers of carbon fabric.
Jcs 09 00198 g007
Figure 9. Stress distribution in a test plate with integrated Bragg sensors.
Figure 9. Stress distribution in a test plate with integrated Bragg sensors.
Jcs 09 00198 g009
Figure 10. Transmission spectra measured for serial optical fibers embedded in a control board with an embedded network of 13 FBG sensors.
Figure 10. Transmission spectra measured for serial optical fibers embedded in a control board with an embedded network of 13 FBG sensors.
Jcs 09 00198 g010
Figure 11. 1546№.
Figure 11. 1546№.
Jcs 09 00198 g011
Figure 13. Spectral shift characteristics of Bragg gratings fabricated on optical fibers embedded in a plate.
Figure 13. Spectral shift characteristics of Bragg gratings fabricated on optical fibers embedded in a plate.
Jcs 09 00198 g013
Figure 14. Spectral shift characteristics of Bragg gratings embedded across the width of the composite plate. (a) Reflectance spectra for fiber 5, (b) Reflectance spectra for fiber 4.
Figure 14. Spectral shift characteristics of Bragg gratings embedded across the width of the composite plate. (a) Reflectance spectra for fiber 5, (b) Reflectance spectra for fiber 4.
Jcs 09 00198 g014
Table 1. Results of changes in the Bragg wavelength of gratings embedded in the internal structure of the composite plate.
Table 1. Results of changes in the Bragg wavelength of gratings embedded in the internal structure of the composite plate.
BendingDifference in Wavelengths When Bending a Plate
Fiber 1Fiber 2Fiber 3
[mm]FBG1FBG2FBG3FBG1FBG2FBG3FBG1FBG2FBG3
[nm][nm][nm][nm][nm][nm][nm][nm][nm]
000000.0050000
20.0050.0050.0060.020.010.0100.0050
40.050.0350.0150.060.0350.040.040.0250.007
60.090.0550.0310.110.050.0450.080.050.024
80.1250.080.0430.160.10.060.120.0750.035
100.160.1050.0550.20.130.080.1580.10.047
120.210.130.070.2550.140.090.2050.130.058
140.2350.160.0780.30.180.110.250.160.074
160.280.190.090.3450.2050.130.2850.190.087
180.320.220.10.40.240.150.330.2150.104
200.350.2450.1190.450.260.160.3650.240.118
220.40.270.1290.4950.30.180.4050.2750.126
230.410.280.1350.520.310.190.430.290.134
Table 2. Results of changes in the Bragg wavelength of gratings embedded in the internal structure of a composite plate along the long side of the plate.
Table 2. Results of changes in the Bragg wavelength of gratings embedded in the internal structure of a composite plate along the long side of the plate.
BendingDifference in Wavelengths When Bending a Plate
Fiber 1Fiber 2Fiber 3
[mm]FBG1FBG2FBG3FBG 1FBG 2FBG 3FBG 1FBG 2FBG3
[nm][nm][nm][nm][nm][nm][nm][nm][nm]
0000.000000000
200.020.0150.0060.0050.010.0150.0350.035
400.020.020−0.0020.020.020.0250.060.095
6−0.020.010.030−0.0020.030.060.0550.080.125
8−0.05−0.010.040−0.0120.050.080.0750.1050.155
10−0.08−0.030.060−0.0250.080.130.0950.1250.175
12−0.12−0.040.090−0.0340.10.170.1250.150.205
14−0.16−0.060.100−0.0520.1350.230.1550.180.225
16−0.215−0.080.110−0.0540.180.290.1750.210.245
18−0.27−0.080.120−0.0810.220.370.2050.240.265
20−0.37−0.080.160−0.1460.250.450.2150.280.295
22−0.43−0.090.200−0.1960.250.490.20.30.315
Table 3. Summary of relative elongation of the control plate along the length of the Bragg gratings embedded in the composite plate along the long side of the plate.
Table 3. Summary of relative elongation of the control plate along the length of the Bragg gratings embedded in the composite plate along the long side of the plate.
BendingRelative Elongation of the Plate at the Insertion Point of the FBG Sensor
Fiber TOPFiber CENTERFiber BOTTOM
[mm]FBG 1FBG 2FBG 3FBG1FBG2FBG3FBG1FBG2FBG3
[µm][µm][µm][µm][µm][µm][µm][µm][µm]
00.000.000.000.000.000.000.000.000.00
126.9412.633.37−3.370.840.00−25.25−20.20−10.10
253.8729.4614.310.001.683.37−50.51−40.40−20.20
384.1852.1923.570.001.683.37−84.18−57.24−33.67
4114.4871.5533.670.001.683.37−109.43−75.76−43.77
5141.4189.2340.400.002.534.21−143.10−94.28−53.87
6171.72109.4350.510.001.686.73−168.35−114.48−63.97
7196.97126.2660.610.004.216.73−202.02−134.68−77.44
8228.96147.3170.710.004.216.73−227.27−150.67−86.70
9255.89164.1479.120.845.056.73−252.53−171.72−97.64
10286.20183.5087.540.005.058.42−286.20−189.39−107.74
11313.13200.3497.640.005.0510.10−311.45−208.75−117.85
12342.59217.17106.900.005.0510.10−345.12−228.96−127.95
13370.37237.37115.320.005.0510.10−370.37−247.47−138.89
14400.67258.42124.583.375.0510.10−404.04−265.99−149.83
15427.61277.78134.680.005.0510.10−429.29−286.20−161.62
16454.55294.61141.410.005.0511.78−454.55−303.03−170.88
17485.69315.66151.520.005.0513.47−488.22−323.23−180.13
18513.47335.86161.620.005.0513.47−511.78−343.43−188.55
19535.35355.22171.720.005.0513.47−537.88−364.48−196.97
20556.40377.10175.931.683.371.68−558.92−382.15−203.70
Disclaimer/Publisher’s Note: The statements, opinions and data contained in all publications are solely those of the individual author(s) and contributor(s) and not of MDPI and/or the editor(s). MDPI and/or the editor(s) disclaim responsibility for any injury to people or property resulting from any ideas, methods, instructions or products referred to in the content.

Share and Cite

MDPI and ACS Style

Kalizhanova, A.; Kozbakova, A.; Kunelbayev, M.; Kartbayev, T.; Kashaganova, G. Research on the Relative Displacement Distribution of a Composite Plate with Built-In FBG Sensors. J. Compos. Sci. 2025, 9, 198. https://doi.org/10.3390/jcs9050198

AMA Style

Kalizhanova A, Kozbakova A, Kunelbayev M, Kartbayev T, Kashaganova G. Research on the Relative Displacement Distribution of a Composite Plate with Built-In FBG Sensors. Journal of Composites Science. 2025; 9(5):198. https://doi.org/10.3390/jcs9050198

Chicago/Turabian Style

Kalizhanova, Aliya, Ainur Kozbakova, Murat Kunelbayev, Timur Kartbayev, and Gulzhan Kashaganova. 2025. "Research on the Relative Displacement Distribution of a Composite Plate with Built-In FBG Sensors" Journal of Composites Science 9, no. 5: 198. https://doi.org/10.3390/jcs9050198

APA Style

Kalizhanova, A., Kozbakova, A., Kunelbayev, M., Kartbayev, T., & Kashaganova, G. (2025). Research on the Relative Displacement Distribution of a Composite Plate with Built-In FBG Sensors. Journal of Composites Science, 9(5), 198. https://doi.org/10.3390/jcs9050198

Article Metrics

Back to TopTop