Comparative Bonding Analysis of Computer-Aided Design/Computer-Aided Manufacturing Dental Resin Composites with Various Resin Cements
Abstract
:1. Introduction
2. Materials and Methods
2.1. Materials
2.2. Scanning Electron Microscopy (SEM)
2.3. Measurement of Filler Contents
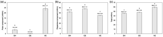
2.4. Surface Free Energy (SFE) Analysis
2.5. Shear Bond Strength (SBS) Test
2.6. Statistical Analysis
3. Results
4. Discussion
5. Conclusions
- When resin cement was used with a silane coupling agent, the PICN-based CAD/CAM composite displayed a superior bond strength compared with its DF-based CAD/CAM counterpart. These observations underscore the potential advantages of PICN-based CAD/CAM composites for dental restorations.
- Irrespective of whether a PICN- or DF-based CAD/CAM composite was used, a higher bond strength was observed with the MMA-based resin cement than with the composite-based resin cements. This indicates that the MMA-based resin cement may provide superior bonding properties and, thereby, facilitate better dental restorative procedures.
Author Contributions
Funding
Data Availability Statement
Conflicts of Interest
References
- Ruse, N.D.; Sadoun, M.J. Resin-composite blocks for dental CAD/CAM applications. J. Dent. Res. 2014, 93, 1232–1234. [Google Scholar] [CrossRef] [PubMed]
- Mainjot, A.K.; Dupont, N.M.; Oudkerk, J.C.; Dewael, T.Y.; Sadoun, M.J. From artisanal to CAD-CAM blocks: State of the art of indirect composites. J. Dent. Res. 2016, 95, 487–495. [Google Scholar] [CrossRef] [PubMed]
- Preis, V.; Hahnel, S.; Behr, M.; Bein, L.; Rosentritt, M. In-vitro fatigue and fracture testing of CAD/CAM-materials in implant-supported molar crowns. Dent. Mater. 2017, 33, 427–433. [Google Scholar] [CrossRef] [PubMed]
- Beji Vijayakumar, J.; Varadan, P.; Balaji, L.; Rajan, M.; Kalaiselvam, R.; Saeralaathan, S.; Ganesh, A. Fracture resistance of resin based and lithium disilicate endocrowns. Which is better?—A systematic review of in-vitro studies. Biomater. Investig. Dent. 2021, 8, 104–111. [Google Scholar] [CrossRef] [PubMed]
- Spitznagel, F.A.; Boldt, J.; Gierthmuehlen, P.C. CAD/CAM ceramic restorative materials for natural teeth. J. Dent. Res. 2018, 97, 1082–1091. [Google Scholar] [CrossRef] [PubMed]
- Aswal, G.S.; Rawat, R.; Dwivedi, D.; Prabhakar, N.; Kumar, V. Clinical outcomes of CAD/CAM (lithium disilicate and zirconia) based and conventional full crowns and fixed partial dentures: A systematic review and meta-analysis. Cureus 2023, 15, e37888. [Google Scholar] [CrossRef] [PubMed]
- Paolone, G.; Mandurino, M.; De Palma, F.; Mazzitelli, C.; Scotti, N.; Breschi, L.; Gherlone, E.; Cantatore, G.; Vichi, A. Color stability of polymer-based composite CAD/CAM blocks: A systematic review. Polymers 2023, 15, 464. [Google Scholar] [CrossRef] [PubMed]
- Nihei, T.; Ohkubo, C.; Nishiyama, Y.; Tsubota, Y.; Koizumi, H.; Maseki, T.; Miyazaki, M. A report on the clinical use of bonding systems for coronal restorations produced from CAD/CAM resin blocks. Dent. Mater. J. 2020, 39, 531–533. [Google Scholar] [CrossRef]
- Awada, A.; Nathanson, D. Mechanical properties of resin-ceramic CAD/CAM restorative materials. J. Prosthet. Dent. 2015, 114, 587–593. [Google Scholar] [CrossRef]
- Coldea, A.; Swain, M.V.; Thiel, N. Mechanical properties of polymer-infiltrated-ceramic-network materials. Dent. Mater. 2013, 29, 419–426. [Google Scholar] [CrossRef]
- Della Bona, A.; Corazza, P.H.; Zhang, Y. Characterization of a polymer-infiltrated ceramic-network material. Dent. Mater. 2014, 30, 564–569. [Google Scholar] [CrossRef] [PubMed]
- Facenda, J.C.; Borba, M.; Corazza, P.H. A literature review on the new polymer-infiltrated ceramic-network material (PICN). J. Esthet. Restor. Dent. 2018, 30, 281–286. [Google Scholar] [CrossRef] [PubMed]
- Tokunaga, J.; Ikeda, H.; Nagamatsu, Y.; Awano, S.; Shimizu, H. Wear of polymer-infiltrated ceramic network materials against enamel. Materials 2022, 15, 2435. [Google Scholar] [CrossRef]
- Ikeda, H.; Nagamatsu, Y.; Shimizu, H. Preparation of silica-poly(methyl methacrylate) composite with a nanoscale dual-network structure and hardness comparable to human enamel. Dent. Mater. 2019, 35, 893–899. [Google Scholar] [CrossRef] [PubMed]
- Kawajiri, Y.; Ikeda, H.; Nagamatsu, Y.; Masaki, C.; Hosokawa, R.; Shimizu, H. PICN nanocomposite as dental CAD/CAM block comparable to human tooth in terms of hardness and flexural modulus. Materials 2021, 14, 1182. [Google Scholar] [CrossRef] [PubMed]
- Eldafrawy, M.; Nguyen, J.F.; Mainjot, A.K.; Sadoun, M.J. A functionally graded PICN material for biomimetic CAD-CAM blocks. J. Dent. Res. 2018, 97, 1324–1330. [Google Scholar] [CrossRef]
- Alghauli, M.; Alqutaibi, A.Y.; Wille, S.; Kern, M. Clinical outcomes and influence of material parameters on the behavior and survival rate of thin and ultrathin occlusal veneers: A systematic review. J. Prosthodont. Res. 2023, 67, 45–54. [Google Scholar] [CrossRef] [PubMed]
- Comba, A.; Baldi, A.; Carossa, M.; Michelotto Tempesta, R.; Garino, E.; Llubani, X.; Rozzi, D.; Mikonis, J.; Paolone, G.; Scotti, N. Post-fatigue fracture resistance of lithium disilicate and polymer-infiltrated ceramic network indirect restorations over endodontically-treated molars with different preparation designs: An in-vitro study. Polymers 2022, 14, 5084. [Google Scholar] [CrossRef]
- Turker, N.; Yanik, D.; Güner, F.; Buyukkaplan, U.S. In vivo vs. in vitro color stability of hybrid ceramic and resin nanoceramic blocks used for endocrowns: A new method. Am. J. Dent. 2022, 35, 284–290. [Google Scholar]
- Hampe, R.; Theelke, B.; Lümkemann, N.; Eichberger, M.; Stawarczyk, B. Fracture toughness analysis of ceramic and resin composite CAD/CAM material. Oper. Dent. 2019, 44, e190–e201. [Google Scholar] [CrossRef]
- Mine, A.; Kabetani, T.; Kawaguchi-Uemura, A.; Higashi, M.; Tajiri, Y.; Hagino, R.; Imai, D.; Yumitate, M.; Ban, S.; Matsumoto, M.; et al. Effectiveness of current adhesive systems when bonding to CAD/CAM indirect resin materials: A review of 32 publications. Jpn. Dent. Sci. Rev. 2019, 55, 41–50. [Google Scholar] [CrossRef] [PubMed]
- de Kuijper, M.C.; Ong, Y.; Gerritsen, T.; Cune, M.S.; Gresnigt, M.M.M. Influence of the ceramic translucency on the relative degree of conversion of a direct composite and dual-curing resin cement through lithium disilicate onlays and endocrowns. J. Mech. Behav. Biomed. Mater. 2021, 122, 104662. [Google Scholar] [CrossRef] [PubMed]
- Yamaguchi, S.; Lee, C.; Karaer, O.; Ban, S.; Mine, A.; Imazato, S. Predicting the debonding of CAD/CAM composite resin crowns with AI. J. Dent. Res. 2019, 98, 1234–1238. [Google Scholar] [CrossRef] [PubMed]
- Kabetani, T.; Ban, S.; Mine, A.; Ishihara, T.; Nakatani, H.; Yumitate, M.; Yamanaka, A.; Ishida, M.; Matsumoto, M.; Meerbeek, B.V.; et al. Four-year clinical evaluation of CAD/CAM indirect resin composite premolar crowns using 3D digital data: Discovering the causes of debonding. J. Prosthodont. Res. 2022, 66, 402–408. [Google Scholar] [CrossRef] [PubMed]
- Rosentritt, M.; Preis, V.; Behr, M.; Krifka, S. In-vitro performance of CAD/CAM crowns with insufficient preparation design. J. Mech. Behav. Biomed. Mater. 2019, 90, 269–274. [Google Scholar] [CrossRef] [PubMed]
- Yano, H.T.; Ikeda, H.; Nagamatsu, Y.; Masaki, C.; Hosokawa, R.; Shimizu, H. Correlation between microstructure of CAD/CAM composites and the silanization effect on adhesive bonding. J. Mech. Behav. Biomed. Mater. 2020, 101, 103441. [Google Scholar] [CrossRef] [PubMed]
- Hagino, R.; Mine, A.; Aoki-Matsumoto, M.; Miura, J.; Yumitate, M.; Ban, S.; Ishida, M.; Takaishi, M.; Meerbeek, B.V.; Yatani, H.; et al. Effect of filler contents on the bond strength of CAD/CAM resin crowns: New resin primer versus conventional silane agents. J. Prosthodont. Res. 2023, in press. [Google Scholar] [CrossRef] [PubMed]
- Jassim, S.J.; Majeed, M.A. Effect of plasma surface treatment of three different CAD/CAM materials on the micro shear bond strength with resin cement (A comparative in vitro study). Heliyon 2023, 9, e17790. [Google Scholar] [CrossRef]
- Asakura, M.; Aimu, K.; Hayashi, T.; Matsubara, M.; Mieki, A.; Ban, S.; Kawai, T. Bonding characteristics of silane coupling agent and MMA-containing primer to various composite CAD/CAM blocks. Polymers 2023, 15, 3396. [Google Scholar] [CrossRef]
- Hagino, R.; Mine, A.; Matsumoto, M.; Yumitate, M.; Ban, S.; Yamanaka, A.; Ishida, M.; Miura, J.; Meerbeek, B.V.; Yatani, H. Combination of a silane coupling agent and resin primer reinforces bonding effectiveness to a CAD/CAM indirect resin composite block. Dent. Mater. J. 2021, 40, 1445–1452. [Google Scholar] [CrossRef]
- Owens, D.K.; Wendt, R.C. Estimation of the surface free energy of polymers. J. Appl. Polym. Sci. 1969, 13, 1741–1747. [Google Scholar] [CrossRef]
- Raszewski, Z.; Brząkalski, D.; Derpeński, L.; Jałbrzykowski, M.; Przekop, R.E. Aspects and principles of material connections in restorative dentistry-A comprehensive review. Materials 2022, 15, 7131. [Google Scholar] [CrossRef] [PubMed]
- Naruse, Y.; Takagaki, T.; Matsui, N.; Sato, T.; Ali, A.; Ikeda, M.; Nikaido, T.; Tagami, J. Effect of alumina-blasting pressure on adhesion of CAD/CAM resin block to dentin. Dent. Mater. J. 2018, 37, 805–811. [Google Scholar] [CrossRef] [PubMed]
- Turker, N.; Buyukkaplan, U.S.; Basar, E.K.; Ozarslan, M.M. The effects of different surface treatments on the shear bond strengths of two dual-cure resin cements to CAD/CAM restorative materials. J. Adv. Prosthodont. 2020, 12, 189–196. [Google Scholar] [CrossRef] [PubMed]
- Abdou, A.; Takagaki, T.; Alghamdi, A.; Tichy, A.; Nikaido, T.; Tagami, J. Bonding performance of dispersed filler resin composite CAD/CAM blocks with different surface treatment protocols. Dent. Mater. J. 2021, 40, 209–219. [Google Scholar] [CrossRef] [PubMed]
- Shinagawa, J.; Inoue, G.; Nikaido, T.; Ikeda, M.; Burrow, M.F.; Tagami, J. Early bond strengths of 4-META/MMA-TBB resin cements to CAD/CAM resin composite. Dent. Mater. J. 2019, 38, 28–32. [Google Scholar] [CrossRef] [PubMed]
- Vallittu, P.K. Interpenetrating polymer networks (IPNs) in dental polymers and composites. J. Adhes. Sci. Technol. 2009, 23, 961–972. [Google Scholar] [CrossRef]
- Hatta, M.; Shinya, A.; Gomi, H.; Vallittu, P.K.; Säilynoja, E.; Lassila, L.V.J. Effect of interpenetrating polymer network (IPN) thermoplastic resin on flexural strength of fibre-reinforced composite and the penetration of bonding resin into semi-IPN FRC post. Polymers 2021, 13, 3200. [Google Scholar] [CrossRef]
- Garoushi, S.; Vallittu, P.K.; Lassila, L.V. Short glass fiber reinforced restorative composite resin with semi-inter penetrating polymer network matrix. Dent. Mater. 2007, 23, 1356–1362. [Google Scholar] [CrossRef]
- Reymus, M.; Roos, M.; Eichberger, M.; Edelhoff, D.; Hickel, R.; Stawarczyk, B. Bonding to new CAD/CAM resin composites: Influence of air abrasion and conditioning agents as pretreatment strategy. Clin. Oral Investig. 2019, 23, 529–538. [Google Scholar] [CrossRef]
- Hagino, R.; Mine, A.; Kawaguchi-Uemura, A.; Tajiri-Yamada, Y.; Yumitate, M.; Ban, S.; Miura, J.; Matsumoto, M.; Yatani, H.; Nakatani, H. Adhesion procedures for CAD/CAM indirect resin composite block: A new resin primer versus a conventional silanizing agent. J. Prosthodont. Res. 2020, 64, 319–325. [Google Scholar] [CrossRef]
- Wolff, D.; Geiger, S.; Ding, P.; Staehle, H.J.; Frese, C. Analysis of the interdiffusion of resin monomers into pre-polymerized fiber-reinforced composites. Dent. Mater. 2012, 28, 541–547. [Google Scholar] [CrossRef]
- Sodeyama, M.K.; Ikeda, H.; Nagamatsu, Y.; Masaki, C.; Hosokawa, R.; Shimizu, H. Printable PICN composite mechanically compatible with human teeth. J. Dent. Res. 2021, 100, 1475–1481. [Google Scholar] [CrossRef]
- Li, J.; Cui, B.-C.; Lin, Y.-H.; Deng, X.-L.; Li, M.; Nan, C.-W. High strength and toughness in chromatic polymer-infiltrated zirconia ceramics. Dent. Mater. 2016, 32, 1555–1563. [Google Scholar] [CrossRef]



| H | Microstructure | Product Name | Manufacturer | Lot Number | Composition |
|---|---|---|---|---|---|
| SH | Dispersed filler | SHOFU BLOCK HC | Shofu, Kyoto, Japan | 0322064 | Silica powder, Zirconium silicate, UDMA, TEGDMA, Micro fumed silica, Pigments |
| CE | Dispersed filler | CERASMART300 | GC, Kyoto, Japan | 2208226 | Balium glass, Silica, Bis-MEPP, UDMA |
| VE | Polymer-infiltrated ceramic network | VITA ENAMIC | Vita Zahnfabrik, Bad Sackingen, Germany | 98162 | SiO2, Al2O3, Na2O, K2O, B2O3, CaO, TiO2, TEGDMA, UDMA |
| Adhesive System | Resin Cement (Lot Number) | Adhesive Primer | Manufacturer |
|---|---|---|---|
| SB | Super-Bond (EE22FR) | Super-Bond PZ Primer | Sun Medical, Moriyama, Japan |
| PV | PANAVIA V5 (2E0230) | CLEARFIL CERAMIC PRIMER PLUS | Kuraray Noritake Dental, Tokyo, Japan |
| MA | Multilink Automix (Z02FY6) | Monobond Plus | Ivoclar Vivadent, Schaan, Liechtenstein |
| RC | ResiCem EX (092104) | BeautiBond Xtreme | Shofu, Kyoto, Japan |
| RX | 3M RelyX Universal Resin Cement (9720977) | 3M Scotchbond Universal Plus Adhesive | 3M, Saint Paul, Minnesota, USA |
| SH | CE | VE | ||||
|---|---|---|---|---|---|---|
| Adhesive | Initial | Thermocycling | Initial | Thermocycling | Initial | Thermocycling |
| SB | 17.9 ± 3.2 A, ab | 19.2 ± 2.0 A, ab | 20.9 ± 4.2 A, a | 18.9 ± 3.9 A, ab | 21.6 ± 5.2 B, a | 15.0 ± 3.4 A, b |
| PV | 4.4 ± 0.8 D, cd | 3.4 ± 1.1 B, d | 10.5 ± 1.3 B, b | 6.3 ± 0.5 B, bcd | 30.9 ± 9.9 A, a | 9.5 ± 3.5 AB, bc |
| MA | 6.6 ± 0.7 CD, cd | 2.7 ± 1.9 B, d | 10.3 ± 1.3 BC, bc | 8.0 ± 1.4 B, bc | 23.6 ± 6.7 AB, a | 12.5 ± 7.0 AB, b |
| RC | 9.9 ± 2.1 B, b | 2.5 ± 1.5 B, c | 7.7 ± 1.3 C, b | 7.4 ± 1.1 B, b | 28.1 ± 7.7 AB, a | 7.8 ± 3.8 B, b |
| RX | 8.0 ± 1.8 BC, c | 1.9 ± 0.7 B, d | 9.9 ± 1.7 BC, bc | 8.5 ± 2.6 B, c | 31.7 ± 3.6 A, a | 14.3 ± 8.0 AB, b |
| SH | CE | VE | ||||
|---|---|---|---|---|---|---|
| Adhesive | Initial | Thermocycling | Initial | Thermocycling | Initial | Thermocycling |
| SB | 0/0/11 | 0/0/11 | 0/0/11 | 0/0/11 | 0/0/11 | 0/0/11 |
| PV | 11/0/0 | 9/2/0 | 11/0/0 | 11/0/0 | 0/0/11 | 2/5/4 |
| MA | 11/0/0 | 8/3/0 | 6/4/1 | 3/8/0 | 0/0/11 | 0/8/3 |
| RC | 3/7/1 | 10/1/0 | 10/1/0 | 10/1/0 | 0/0/11 | 1/9/1 |
| RX | 3/8/0 | 11/0/0 | 6/5/0 | 4/7/0 | 0/0/11 | 1/6/4 |
Disclaimer/Publisher’s Note: The statements, opinions and data contained in all publications are solely those of the individual author(s) and contributor(s) and not of MDPI and/or the editor(s). MDPI and/or the editor(s) disclaim responsibility for any injury to people or property resulting from any ideas, methods, instructions or products referred to in the content. |
© 2023 by the authors. Licensee MDPI, Basel, Switzerland. This article is an open access article distributed under the terms and conditions of the Creative Commons Attribution (CC BY) license (https://creativecommons.org/licenses/by/4.0/).
Share and Cite
Komagata, Y.; Nagamatsu, Y.; Ikeda, H. Comparative Bonding Analysis of Computer-Aided Design/Computer-Aided Manufacturing Dental Resin Composites with Various Resin Cements. J. Compos. Sci. 2023, 7, 418. https://doi.org/10.3390/jcs7100418
Komagata Y, Nagamatsu Y, Ikeda H. Comparative Bonding Analysis of Computer-Aided Design/Computer-Aided Manufacturing Dental Resin Composites with Various Resin Cements. Journal of Composites Science. 2023; 7(10):418. https://doi.org/10.3390/jcs7100418
Chicago/Turabian StyleKomagata, Yuya, Yuki Nagamatsu, and Hiroshi Ikeda. 2023. "Comparative Bonding Analysis of Computer-Aided Design/Computer-Aided Manufacturing Dental Resin Composites with Various Resin Cements" Journal of Composites Science 7, no. 10: 418. https://doi.org/10.3390/jcs7100418
APA StyleKomagata, Y., Nagamatsu, Y., & Ikeda, H. (2023). Comparative Bonding Analysis of Computer-Aided Design/Computer-Aided Manufacturing Dental Resin Composites with Various Resin Cements. Journal of Composites Science, 7(10), 418. https://doi.org/10.3390/jcs7100418

