Finite Element Analysis for Nonlinear Unbonded Circular Fiber-Reinforced Elastomeric Bearings
Abstract
:1. Introduction
2. Materials and Methods
2.1. Fiber-Reinforced Elastomeric Bearings
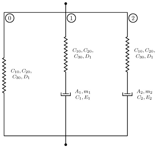
2.2. Constitutive Materials Models
2.2.1. Elastomer
2.2.2. Fiber Reinforcement
2.3. Fiber-Reinforced Bearing Finite Element Model
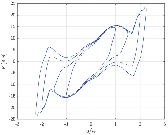
2.4. Virtual Experiments
3. Results
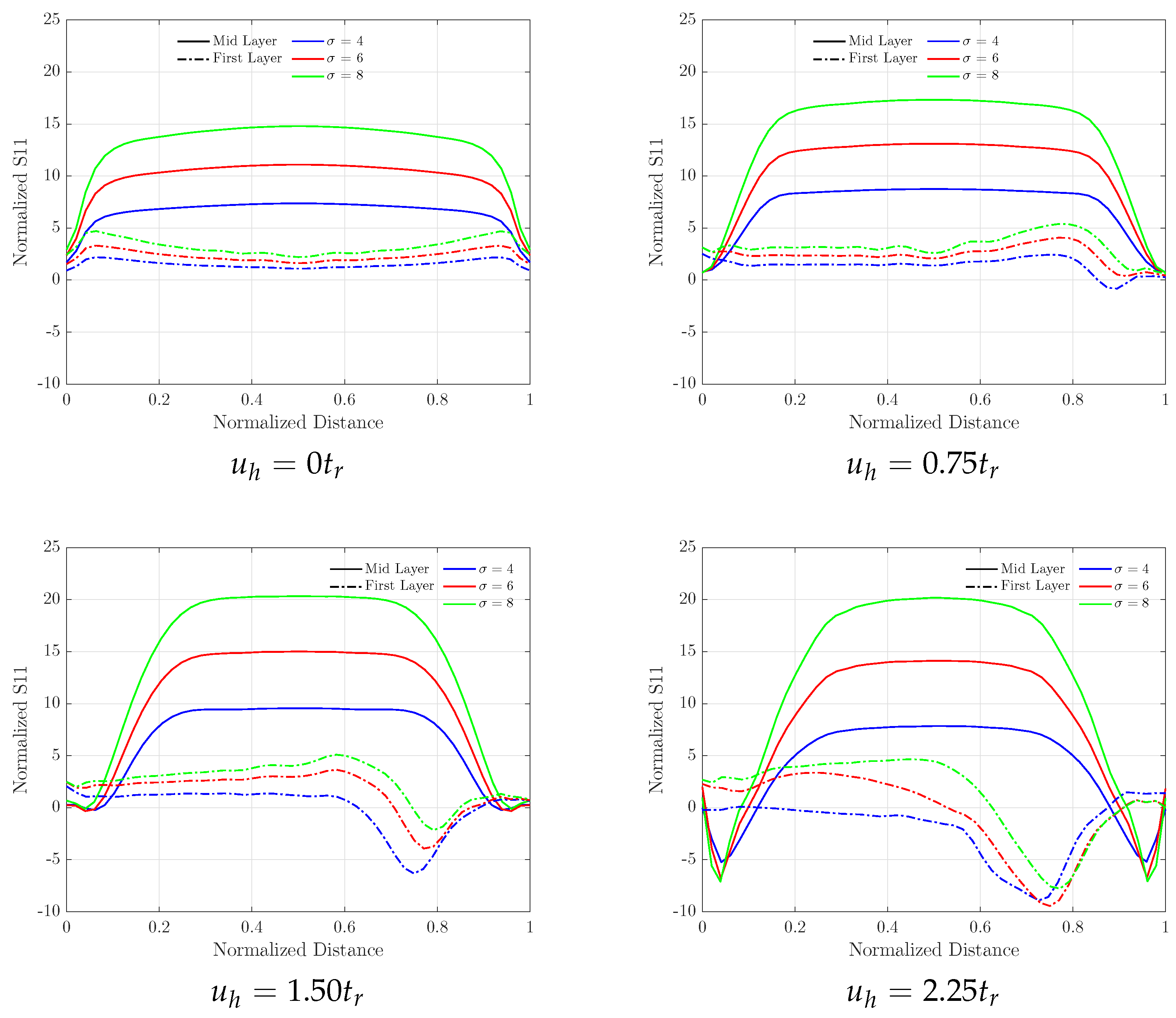
3.1. Influence of Shape Factor, S
3.2. Influence of Aspect Ratio, A
3.3. Influence of Reinforcement Orientation
3.4. Influence of Vertical Pressure
4. Discussion
5. Conclusions
- The calibrated and validated numerical model captures the hyperelastic and nonlinear viscoelastic behavior of the investigated fiber-reinforced elastomeric bearings
- The mechanical response of the FREBs is driven by the ratio of area subjected to compressive and tensile stresses as well as by the maximum value of those stresses.
- A decrease in the shape factor S from 30 to 9 causes a slight softening of the mechanical behavior at high horizontal deformations (less than 20% reduction of at ) and an increase in the absorbed energy (28.5% increase of at ). While the trend is maintained when comparing bearings with shape factors 22 and 30, the change in the calculated mechanical properties is marginal.
- The lateral behavior of bearings with different aspect ratios A presents remarkable differences on the whole range of lateral deflections investigated. Bearings with high aspect ratios show a much stiffer behavior (up to 300%), while only a minor difference in the damping coefficient is obtained. We also mention that large aspect ratios can lead to unstable device operation.
- The orientation of the reinforcement has a more pronounced effect on large horizontal deformations, especially after the occurrence of a full rollover, where orientations of 30° and 45° show softer mechanical behaviors with reductions in by 20% and 29% as well as increases in the equivalent damping coefficient by 35% and 51%, respectively.
Author Contributions
Funding
Acknowledgments
Conflicts of Interest
References and Notes
- Kelly, J.M. Aseismic Base Isolation: Review and Bibliography. Soil Dyn. Earthq. Eng. 1986, 5, 202–216. [Google Scholar] [CrossRef]
- Kelly, J.M. Analysis of Fiber-Reinforced Elastomeric Isolators. J. Seismol. Earthq. Eng. 1999, 2, 19–34. [Google Scholar]
- Van Engelen, N.C. Fiber-Reinforced Elastomeric Isolators: A Review. Soil Dyn. Earthq. Eng. 2019, 125, 105621. [Google Scholar] [CrossRef]
- Moon, B.Y.; Kang, G.J.; Kang, B.S.; Kelly, J.M. Design and Manufacturing of Fiber Reinforced Elastomeric Isolator for Seismic Isolation. J. Mater. Process. Technol. 2002, 130–131, 145–150. [Google Scholar] [CrossRef]
- Naeim, F.; Kelly, J.M. Design of Seismic Isolated Structures; John Wiley & Sons, Inc.: Hoboken, NJ, USA, 1999. [Google Scholar]
- Strauss, A.; Apostolidi, E.; Zimmermann, T.; Gerhaher, U.; Dritsos, S. Experimental Investigations of Fiber and Steel Reinforced Elastomeric Bearings: Shear Modulus and Damping Coefficient. Eng. Struct. 2014, 75, 402413. [Google Scholar] [CrossRef]
- Marsico, M.R.; Monsalve, J.M.L.; Shin, D.W.; Craciun, M.F. Graphene–Rubber Layered Functional Composites for Seismic Isolation of Structures. Adv. Eng. Mater. 2020, 22, 1900852. [Google Scholar] [CrossRef] [Green Version]
- Losanno, D.; Madera Sierra, I.E.; Spizzuoco, M.; Marulanda, J.; Thomson, P. Experimental Performance of Unbonded Polyester and Carbon Fiber Reinforced Elastomeric Isolators under Bidirectional Seismic Excitation. Eng. Struct. 2020, 209, 110003. [Google Scholar] [CrossRef]
- Habieb, A.B.; Valente, M.; Milani, G. Base Seismic Isolation of a Historical Masonry Church Using Fiber Reinforced Elastomeric Isolators. Soil Dyn. Earthq. Eng. 2019, 120, 127–145. [Google Scholar] [CrossRef]
- Tran, C.; Calabrese, A.; Vassiliou, M.F.; Galano, S. A Simple Strategy to Tune the Lateral Response of Unbonded Fiber Reinforced Elastomeric Isolators (FREIs). Eng. Struct. 2020, 222, 111128. [Google Scholar] [CrossRef]
- Toopchi-Nezhad, H.; Tait, M.J.; Drysdale, R.G. Testing and Modeling of Square Carbon Fiber-Reinforced Elastomeric Seismic Isolators. Struct. Control Health Monit. 2008, 15, 876–900. [Google Scholar] [CrossRef]
- Kelly, J.; Calabrese, A. Analysis of Fiber-Reinforced Elastomeric Isolators Including Stretching of Reinforcement and Compressibility of Elastomer. Ing. Sismica 2013, 30, 5–14. [Google Scholar]
- Castillo Ruano, P.; Strauss, A. An Experimental Study on Unbonded Circular Fiber Reinforced Elastomeric Bearings. Eng. Struct. 2018, 177, 72–84. [Google Scholar] [CrossRef]
- Das, A.; Dutta, A.; Deb, S.K. Performance of Fiber-Reinforced Elastomeric Base Isolators under Cyclic Excitation. Struct. Control Health Monit. 2015, 22, 197–220. [Google Scholar] [CrossRef]
- Russo, G.; Pauletta, M. Sliding Instability of Fiber-Reinforced Elastomeric Isolators in Unbonded Applications. Eng. Struct. 2013, 48, 70–80. [Google Scholar] [CrossRef]
- Thuyet, V.N.; Deb, S.K.; Dutta, A. Mitigation of Seismic Vulnerability of Prototype Low-Rise Masonry Building Using U-FREIs. J. Perform. Constr. Facil. 2018, 32, 04017136. [Google Scholar] [CrossRef]
- Gerharer, U.; Strauss, A.; Bergmeister, K. Verbesserte Bemessungsrichtlinien für Bewehrte Elastomerlager. Bautechnik 2011, 88, 451–458. [Google Scholar] [CrossRef]
- Ehsani, B.; Toopchi-Nezhad, H. Systematic Design of Unbonded Fiber Reinforced Elastomeric Isolators. Eng. Struct. 2017, 132, 383–398. [Google Scholar] [CrossRef]
- EN1337-3. Structural Bearings—Part3: Elastomeric Bearings. European Code. 2005.
- EN15129. Anti-Seismic Devices. European Code. 2009.
- ISO 22762-3. Elastomeric Seismic-Protection Isolators—Part 3: Applications for Buildings—Specifications. 2018.
- Ruano, P.C.; Apostolidi, E.; Strauss, A. Reliability Based Optimization of Fiber Reinforced Elastomeric Bearings. Beton-Und Stahlbetonbau 2018, 113, 103–109. [Google Scholar] [CrossRef]
- Rozylo, P.; Ferdynus, M.; Debski, H.; Samborski, S. Progressive Failure Analysis of Thin-Walled Composite Structures Verified Experimentally. Materials 2020, 13, 1138. [Google Scholar] [CrossRef] [Green Version]
- Debski, H.; Rozylo, P.; Teter, A. Buckling and Limit States of Thin-Walled Composite Columns under Eccentric Load. Thin-Walled Struct. 2020, 149, 106627. [Google Scholar] [CrossRef]
- Jonak, J.; Karpiński, R.; Siegmund, M.; Wójcik, A.; Jonak, K. Analysis of the Rock Failure Cone Size Relative to the Group Effect from a Triangular Anchorage System. Materials 2020, 13, 4657. [Google Scholar] [CrossRef] [PubMed]
- Jonak, J.; Karpiński, R.; Wójcik, A.; Siegmund, M. The Influence of the Physical-Mechanical Parameters of Rock on the Extent of the Initial Failure Zone under the Action of an Undercut Anchor. Materials 2021, 14, 1841. [Google Scholar] [CrossRef]
- Al-Anany, Y.M.; Van Engelen, N.C.; Tait, M.J. Vertical and Lateral Behavior of Unbonded Fiber-Reinforced Elastomeric Isolators. J. Compos. Constr. 2017, 21, 04017019. [Google Scholar] [CrossRef]
- Mordini, A.; Strauss, A. An Innovative Earthquake Isolation System Using Fibre Reinforced Rubber Bearings. Eng. Struct. 2008, 30, 2739–2751. [Google Scholar] [CrossRef]
- Spizzuoco, M.; Calabrese, A.; Serino, G. Innovative Low-Cost Recycled Rubber–Fiber Reinforced Isolator: Experimental Tests and Finite Element Analyses. Eng. Struct. 2014, 76, 99–111. [Google Scholar] [CrossRef]
- Toopchi-Nezhad, H.; Tait, M.J.; Drysdale, R.G. Influence of Thickness of Individual Elastomer Layers (First Shape Factor) on the Response of Unbonded Fiber-Reinforced Elastomeric Bearings. J. Compos. Mater. 2013, 47, 3433–3450. [Google Scholar] [CrossRef]
- Osgooei, P.M.; Tait, M.J.; Konstantinidis, D. Finite Element Analysis of Unbonded Square Fiber-Reinforced Elastomeric Isolators (FREIs) under Lateral Loading in Different Directions. Compos. Struct. 2014, 113, 164–173. [Google Scholar] [CrossRef]
- Osgooei, P.M.; Tait, M.J.; Konstantinidis, D. Three-Dimensional Finite Element Analysis of Circular Fiber-Reinforced Elastomeric Bearings under Compression. Compos. Struct. 2014, 108, 191–204. [Google Scholar] [CrossRef]
- Habieb, A.B.; Milani, G.; Tavio, T. Two-Step Advanced Numerical Approach for the Design of Low-Cost Unbonded Fiber Reinforced Elastomeric Seismic Isolation Systems in New Masonry Buildings. Eng. Fail. Anal. 2018, 90, 380–396. [Google Scholar] [CrossRef]
- Hedayati Dezfuli, F.; Alam, M.S. Sensitivity Analysis of Carbon Fiber-Reinforced Elastomeric Isolators Based on Experimental Tests and Finite Element Simulations. Bull. Earthq. Eng. 2014, 12, 1025–1043. [Google Scholar] [CrossRef]
- Ngo, T.V.; Dutta, A.; Deb, S.K. Predicting Stability of a Prototype Unbonded Fiber-Reinforced Elastomeric Isolator by Finite Element Analysis. Int. J. Comput. Methods 2020, 17, 2050015. [Google Scholar] [CrossRef]
- Gerhaher, U. Faserverstärke Elastomerlager-Konzeption Und Bemessung. Ph.D. thesis, Universität für Bodenkultur Wien, Wien, Austria, 2010. [Google Scholar]
- Hurtado, J.; Lapczyk, I.; Govindarajan, S. Parallel Rheological Framework to Model Non-Linear Viscoelasticity, Permanent Set, and Mullins Effect in Elastomers. Const. Model. Rubber VIII 2013, 8, 95–100. [Google Scholar]
- Yeoh, O.H. Some Forms of the Strain Energy Function for Rubber. Rubber Chem. Technol. 1993, 66, 754–771. [Google Scholar] [CrossRef]
- Bergström, J. Mechanics of Solid Polymers: Theory and Computational Modeling, 1st ed.; Elsevier: Amsterdam, The Netherlands, 2015. [Google Scholar]
- Simulia. ABAQUS 2016 Analysis User’s Manual; Simulia: Providence, RI, USA, 2015. [Google Scholar]
- Simulia. Isight 2016 Analysis User’s Manual; Simulia: Providence, RI, USA, 2015. [Google Scholar]
- Russo, G.; Pauletta, M.; Cortesia, A. A Study on Experimental Shear Behavior of Fiber-Reinforced Elastomeric Isolators with Various Fiber Layouts, Elastomers and Aging Conditions. Eng. Struct. 2013, 52, 422–433. [Google Scholar] [CrossRef]




























| Specimen | Diameter [mm] | Ht [mm] | te [mm] | nR | S | A |
|---|---|---|---|---|---|---|
| 17RL_22S | 200 | 45.05 | 2.25 | 17 | 22.2 | 4.44 |
| 11RL_22S | 200 | 29.15 | 2.25 | 11 | 22.2 | 6.86 |
| 27RL_22S | 200 | 71.55 | 2.25 | 27 | 22.2 | 2.79 |
| 08RL_09S | 200 | 44.8 | 5.20 | 8 | 9.61 | 4.46 |
| 22RL_30S | 200 | 45.10 | 1.65 | 22 | 30.3 | 4.43 |
| Specimen | |||||
|---|---|---|---|---|---|
| 17RL_22S | 11RL_22S | 27RL_22S | 08RL_22S | 22RL_30S | |
| C3D8R Elements | 36,864 | 24,576 | 57,344 | 18,432 | 47,104 |
| M3D4R Elements | 8704 | 5632 | 13,824 | 4096 | 11,264 |
| Tot. number Elements | 45,568 | 30,208 | 71,168 | 22,528 | 58,368 |
| Specimen | Reinf. Orien. | Vert. Press. | [KN/mm] | [%] | [KN/mm] | [%] | [KN/mm] | [%] | [KN/mm] | [%] | [KN/mm] | [%] |
|---|---|---|---|---|---|---|---|---|---|---|---|---|
| 17RL_22S | 0° | 4 MPa | 782.3 | 17.3 | 610.7 | 14.4 | 479.0 | 14.5 | 454.9 | 13.5 | 431.9 | 14.2 |
| 17RL_22S | 0° | 6 MPa | 759.1 | 19.1 | 590.8 | 16.1 | 467.9 | 15.7 | 430.9 | 14.7 | 423.9 | 14.9 |
| 17RL_22S | 0° | 8 MPa | 721.9 | 21.4 | 563.0 | 18.1 | 447.0 | 17.8 | 395.1 | 16.9 | 390.1 | 16.8 |
| 17RL_22S | 30° | 4 MPa | 768.3 | 17.5 | 592.4 | 15.0 | 446.1 | 16.3 | 365.6 | 18.1 | - | - |
| 17RL_22S | 45° | 4 MPa | 771.4 | 17.5 | 583.0 | 15.4 | 433.4 | 17.1 | 324.6 | 20.4 | - | - |
| 11RL_22S | 0° | 4 MPa | 1261 | 16.9 | 1028 | 13.7 | 851.6 | 13.1 | 712.3 | 14.1 | 669.1 | 14.7 |
| 27RL_22S | 0° | 4 MPa | 424.4 | 18.2 | 305.7 | 15.7 | 216.2 | 17.2 | 161.6 | 28.6 | 253.8 | 13.2 |
| 08RL_09S | 0° | 4 MPa | 754.6 | 18.9 | 574.5 | 15.8 | 450.7 | 16.0 | 409.7 | 16.0 | 374.9 | 17.1 |
| 22RL_30S | 0° | 4 MPa | 791.1 | 17.1 | 626.6 | 14.2 | 501.1 | 14.0 | 444.5 | 13.7 | 455.3 | 13.3 |
Publisher’s Note: MDPI stays neutral with regard to jurisdictional claims in published maps and institutional affiliations. |
© 2021 by the authors. Licensee MDPI, Basel, Switzerland. This article is an open access article distributed under the terms and conditions of the Creative Commons Attribution (CC BY) license (https://creativecommons.org/licenses/by/4.0/).
Share and Cite
Castillo Ruano, P.; Strauss, A. Finite Element Analysis for Nonlinear Unbonded Circular Fiber-Reinforced Elastomeric Bearings. J. Compos. Sci. 2021, 5, 170. https://doi.org/10.3390/jcs5070170
Castillo Ruano P, Strauss A. Finite Element Analysis for Nonlinear Unbonded Circular Fiber-Reinforced Elastomeric Bearings. Journal of Composites Science. 2021; 5(7):170. https://doi.org/10.3390/jcs5070170
Chicago/Turabian StyleCastillo Ruano, Pablo, and Alfred Strauss. 2021. "Finite Element Analysis for Nonlinear Unbonded Circular Fiber-Reinforced Elastomeric Bearings" Journal of Composites Science 5, no. 7: 170. https://doi.org/10.3390/jcs5070170
APA StyleCastillo Ruano, P., & Strauss, A. (2021). Finite Element Analysis for Nonlinear Unbonded Circular Fiber-Reinforced Elastomeric Bearings. Journal of Composites Science, 5(7), 170. https://doi.org/10.3390/jcs5070170

