Effects of Surface Modification with Stearic Acid on the Dispersion of Some Inorganic Fillers in PE Matrix
Abstract
:1. Introduction
2. Materials and Methods
2.1. Materials
2.2. Inorganic Fillers Surface Treatment
2.3. Masterbatch Preparation
2.4. Film Preparation
2.5. Characterization
2.5.1. Mechanical Properties
2.5.2. Scanning Electron Microscope (SEM)
2.5.3. Fourier Transfer Infrared Spectra (FTIR)
2.5.4. Differential Scanning Calorimetry (DSC)
3. Results and Discussions
3.1. Fourier Transfer Infrared Spectra of Unmodified and Modified Fillers
3.2. Dispersion of Filler Particles in Masterbatches
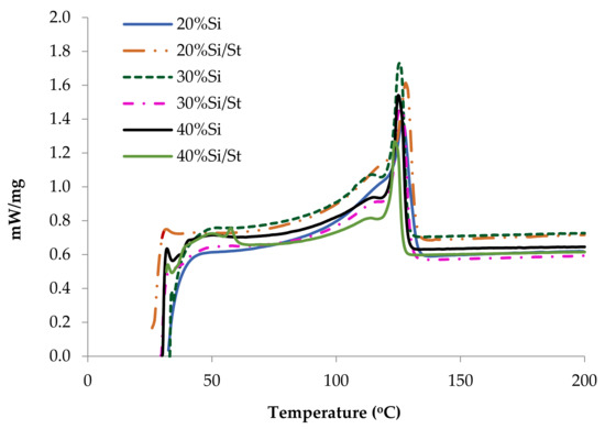
3.3. Differential Scanning Calorimetry of Masterbatches
3.4. Optical Micrographs of the PE Films
3.5. The Mechanical Properties of the Films
4. Conclusions
Author Contributions
Funding
Institutional Review Board Statement
Informed Consent Statement
Conflicts of Interest
References
- Benabid, F.Z.; Kharchi, N.; Zouai, F.; Mourad, A.H.I.; Benachour, D. Impact of co-mixing technique and surface modification of ZnO nanoparticles using stearic acid on their dispersion into HDPE to produce HDPE/ZnO nanocomposites. Polym. Polym. Compos. 2019, 27, 389–399. [Google Scholar] [CrossRef]
- Bai, S.L.; Chen, J.K.; Huang, Z.P.; Liu, Z.D. Interface effect on the mechanical behaviour of rigid particle filled polymer. Polym. Int. 2001, 50, 222–228. [Google Scholar] [CrossRef]
- Kwon, S.; Kim, K.J.; Kim, H.; Kundu, P.P.; Kim, T.J.; Lee, Y.K.; Lee, B.H.; Choe, S. Tensile property and interfacial dewetting in the calcite filled HDPE, LDPE, and LLDPE composites. Polymer 2002, 43, 6901–6909. [Google Scholar] [CrossRef]
- Kim, K.J.; Kwon, S.; Kim, H.; Kundu, P.P.; Kim, Y.W.; Lee, Y.K.; Lee, K.J.; Lee, B.H.; Choe, S. Influence of mixing cycle on the degree of mixing of calcite-filled polyethylene upon stretching. J. Appl. Polym. Sci. 2002, 87, 311–321. [Google Scholar] [CrossRef]
- Verbeek, C.J.R. Highly filled polyethylene/phlogopite composites. Mater. Lett. 2002, 52, 453–457. [Google Scholar] [CrossRef]
- Dirim, S.N.; Ozden, H.O.; Bayındırlı, A.; Esin, A. Modification of water vapour transfer rate of low density polyethylene films for food packaging. J. Food Eng. 2004, 63, 9–13. [Google Scholar] [CrossRef]
- Dirim, S.N.; Esin, A.; Bayindirli, A. A new protective polyethylene based film containing zeolites for the packaging of fruits and vegetables: Films preparation. Turk. J. Eng. Environ. Sci. 2003, 27, 1–9. [Google Scholar]
- Abu-Zurayk, R.; Hamadneh, I.; Al-Dujaili, A.H. Preparation and characterization of polyethylene/cellulose composite with diatomite and bentonite as fillers. Polym. Plast. Technol. Mater. 2019, 59, 546–554. [Google Scholar] [CrossRef]
- Pechyen, C. Effect of nano-silica loading on barrier and mechanical properties of food packaging based LLDPE film. Adv. Mater. Res. 2012, 488, 919–922. [Google Scholar]
- El-Hakim, A.A.A.; Badran, A.S.; Essawy, H.A. The Effect of Surface Treatment of Bentonite on the Mechanical Properties of Polypropylene–Bentonite Composites. Polym. Plast. Technol. Eng. 2004, 43, 555–569. [Google Scholar] [CrossRef]
- Angel, C.D.; Morales, A.B.; Navarro-Pardo, F.; Lozano, T.; Lafleur, P.G.; Sanchez-Valdes, S.; Martinez-Colunga, G.; Ramirez-Vargas, E.; Alonso, S.; Zitzumbo, R. Mechanical and rheological properties of polypropylene/bentonite composites with stearic acid as an interface modifier. J. Appl. Polym. Sci. 2015, 132, 42264–42271. [Google Scholar] [CrossRef]
- Othman, N.; Ismail, H.; Mariatti, M. Effect of compatibilisers on mechanical and thermal properties of bentonite filled polypropylene composites. Polym. Degrad. Stab. 2006, 91, 1761–1774. [Google Scholar] [CrossRef]
- Kim, H.; Biswas, J.; Choe, S. Effects of stearic acid coating on zeolite in LDPE, LLDPE, and HDPE composites. Polymer 2006, 47, 3981–3992. [Google Scholar] [CrossRef]
- Zaharri, N.; Othman, N. Optimization of zeolite as filler in polypropylene composite. J. Reinf. Plast. Compos. 2010, 29, 2211–2226. [Google Scholar] [CrossRef]
- Osman, M.A.; Suter, U.W. Surface Treatment of Calcite with Fatty Acids: Structure and Properties of the Organic Monolayer. Chem. Mater. 2002, 14, 4408–4415. [Google Scholar] [CrossRef]
- Meng, M.-R.; Dou, Q. Effect of pimelic acid on the crystallization, morphology and mechanical properties of polypropylene/wollastonite composites. Mater. Sci. Eng. A 2008, 492, 177–184. [Google Scholar] [CrossRef]
- Li, Z.; Shen, S.Y.; Peng, J.R.; Yang, C.R. Mechanochemical modification of wollastonite and its application to polypropylene. Key Eng. Mater. 2003, 249, 409–412. [Google Scholar] [CrossRef]
- Gonzalez, L.; Lafleur, P.; Lozano, T.; Morales, A.B.; Garcia, R.; Angeles, M.; Rodriguez, F.; Sanchez, S. Mechanical and thermal properties of polypropylene/montmorillonite nanocomposites using stearic acid as both an interface and a clay surface modifier. Polym. Compos. 2014, 35, 1–9. [Google Scholar] [CrossRef]
- Demirbas, A.; Sari, A.; Isildak, O. Adsorption thermodynamics of stearic acid onto bentonite. J. Hazard. Mater. 2006, 135, 226–231. [Google Scholar] [CrossRef] [PubMed]
- Atia, A.A.; El-Nahas, A.M.; Marie, A.M.; Mahdy, L.D.A. Adsorption of Oleic Acid on Silica Gel Derived from Rice Ash Hulls: Experimental and Theoretical Studies. Adsorpt. Sci. Technol. 2006, 24, 797–814. [Google Scholar] [CrossRef] [Green Version]
- LuiS, F.I. Study of the influence of physical–chemical properties of steamed H-MOR zeolites in the mechanism of adsorption of fatty acids and their esterification. Microporous Mesoporous Mater. 2014, 200, 19–26. [Google Scholar]
- Daiane, L.B.; Lindomar, L.; Rogério, C.; Sibele, B.C.P.; Marco, D.L. Preparation and antimicrobial activity of polyethylene composite films with silver exchanged zeolite-Y. Chem. Eng. J. 2012, 204, 210–216. [Google Scholar]
- Pehlivan, H.; Balköse, D.; Ülkü, S.; Tihminlioglu, F. Characterization of pure and silver exchanged natural zeolite filled polypropylene composite films. Compos. Sci. Technol. 2005, 65, 2049–2058. [Google Scholar] [CrossRef] [Green Version]







| Filler Content | Melting Temperature of Samples (°C) | |||
|---|---|---|---|---|
| Uncoated Bentonite | Coated Bentonite | Uncoated Silica | Coated Silica | |
| 0 | 127.8 | |||
| 20% | 127.0 | 128.0 | 126.7 | 128.1 |
| 30% | 129.0 | 129.6 | 125.5 | 125.8 |
| 40% | 127.1 | 126.5 | 125.0 | 125.3 |
| Sample | Tensile Strength (MPa) | Elongation at Break (%) |
|---|---|---|
| PE | 26.98 ± 0.3 | 776.50 ± 4.23 |
| PE-5Be | 18.25 ± 2.43 | 308.10 ± 6.34 |
| PE-5Be/St | 21.67 ± 2.93 | 431.23 ± 22.01 |
| PE-5Si | 18.57 ± 0.71 | 359.94 ± 21.22 |
| PE-5Si/St | 23.52 ± 1.81 | 476.19 ± 28.90 |
Publisher’s Note: MDPI stays neutral with regard to jurisdictional claims in published maps and institutional affiliations. |
© 2021 by the authors. Licensee MDPI, Basel, Switzerland. This article is an open access article distributed under the terms and conditions of the Creative Commons Attribution (CC BY) license (https://creativecommons.org/licenses/by/4.0/).
Share and Cite
Nguyen, T.T.; Nguyen, V.K.; Pham, T.T.H.; Pham, T.T.; Nguyen, T.D. Effects of Surface Modification with Stearic Acid on the Dispersion of Some Inorganic Fillers in PE Matrix. J. Compos. Sci. 2021, 5, 270. https://doi.org/10.3390/jcs5100270
Nguyen TT, Nguyen VK, Pham TTH, Pham TT, Nguyen TD. Effects of Surface Modification with Stearic Acid on the Dispersion of Some Inorganic Fillers in PE Matrix. Journal of Composites Science. 2021; 5(10):270. https://doi.org/10.3390/jcs5100270
Chicago/Turabian StyleNguyen, Thanh Tung, Van Khoi Nguyen, Thi Thu Ha Pham, Thu Trang Pham, and Trung Duc Nguyen. 2021. "Effects of Surface Modification with Stearic Acid on the Dispersion of Some Inorganic Fillers in PE Matrix" Journal of Composites Science 5, no. 10: 270. https://doi.org/10.3390/jcs5100270
APA StyleNguyen, T. T., Nguyen, V. K., Pham, T. T. H., Pham, T. T., & Nguyen, T. D. (2021). Effects of Surface Modification with Stearic Acid on the Dispersion of Some Inorganic Fillers in PE Matrix. Journal of Composites Science, 5(10), 270. https://doi.org/10.3390/jcs5100270

