Pressure and Liquid Distribution under the Blade of a Basket Extruder of Continuous Wet Granulation of Model Material
Abstract
1. Introduction
2. Materials and Methods
2.1. Experimental Material
2.2. Influence of Normal and Shear Stresses on Extrusion Pressure
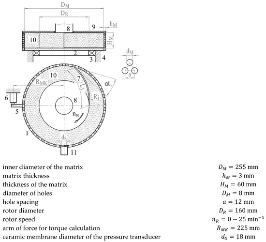
2.3. Experimental Equipment
2.4. Experimental Measurements
- -
- The pressure profile in the paste in the wedge gap;
- -
- Migration of the liquid phase in the paste in the wedge gap;
- -
- The course of the amount of extruded material through the die and its moisture depending on the extrusion pressure.
2.4.1. Pressure Profile in the Wedge Gap
2.4.2. Migration of the Liquid Phase in the Paste in the Wedge Gap
2.4.3. Course of the Amount of Extruded Material through the Die Depending on the Extrusion Pressure
3. Results and Discussion
3.1. Pressure Profile in the Wedge Gap
3.2. Migration of the Liquid Phase in the Paste in the Wedge Gap
3.3. Amount of Extruded Material through the Die and the Liquid Distribution
3.4. The Course of the Amount of Extruded Material through the Matrix Depending on the Extrusion Pressure
4. Conclusions
Author Contributions
Funding
Data Availability Statement
Conflicts of Interest
Nomenclature
| [m] | hole spacing | |
| [m] | diameter of the matrix holes | |
| [m] | diameter of the pressure sensor membrane | |
| [m] | matrix thickness | |
| [kg·s−1] | mass flow of the extrudate | |
| [kg] | weight of extrudate | |
| [kg] | weight of the paste under the blade before extrusion in the control volume in the dry state | |
| [kg] | weight of the paste under the blade before extrusion in the control volume in the wet state | |
| [s−1] | rotor speed | |
| [Pa] | pressure | |
| [s] | time | |
| [-] | absolute moisture of the paste | |
| [-] | absolute moisture of the extrudate in the control volume | |
| [-] | absolute moisture of the paste under the blade in the control volume before extrusion, local moisture of the paste | |
| [°] | angle of internal friction according to Freeman rheometer FT4 | |
| [°] | angle of internal friction [effective] according to Freeman rheometer FT4 | |
| [kg·m−3] | bulk density according to Freeman rheometer FT4 | |
| [Pa] | cohesion according to Freeman rheometer FT4 | |
| [m] | inner diameter of the matrix | |
| [m] | rotor diameter | |
| [-] | flow function according to Freeman rheometer FT4 | |
| [N] | integral force on the blade surface | |
| [m] | matrix depth | |
| [m] | blade length | |
| [m] | projection of the blade length onto the matrix surface | |
| [Nm] | torque | |
| [Pa] | major principle stress according to Freeman rheometer FT4 | |
| [N] | radial component of integral force, normal force | |
| [Pa] | extrusion pressure | |
| [Pa] | extrusion pressure per control volume | |
| [Pa] | consolidation pressure | |
| [m] | blade radius | |
| [m] | arm radius for torque calculation | |
| [-] | degree of liquid saturation of pores, saturation | |
| [N] | tangential component of integral force, shear force | |
| [N] | shear force in the paste in the shear plane at the entrance to a matrix hole | |
| [N] | shear force between the paste and the matrix surface | |
| [Pa] | unconfined yield strength according to Freeman rheometer FT4 | |
| [m3] | control volume between the blade and matrix | |
| [m3] | control volume containing extrudate | |
| [°] | the angle between the tangents to the blade and surface of the matrix | |
| [-] | voidage, porosity | |
| [-] | porosity difference from sample compaction | |
| [s−1] | rate of shear strain | |
| [Pa·s] | plastic viscosity | |
| [Pa·s] | apparent viscosity | |
| [kg·m−3] | bulk density in the compressibility test | |
| [kg·m−3] | bulk density | |
| [kg·m−3] | bulk density of particulate material or density of a paste after consolidation by extrusion pressure | |
| [kg·m−3] | density | |
| [Pa] | normal stress | |
| [Pa] | normal stress in the compressibility test | |
| [Pa] | normal stress for the blade inclination at an angle | |
| [Pa] | shear stress | |
| [Pa] | shear stress for the blade inclination at an angle | |
| [°] | angle of an internal friction | |
| [°] | the angle of wall friction between the surface of matrix and paste | |
| [°] | angle between components of a force | |
| [s] | time interval | |
| [-] | change of the voidage or porosity | |
| [-] | moisture scattering in the wedge section | |
| [-] | Kronecker delta | |
| [Pa] | normal stress tensor | |
| [Pa] | shear stress tensor |
References
- Feda, J. Mechanics of Particulate Materials—The Principles; Academia Praha: Prague, Czech Republic, 1982. [Google Scholar]
- Novosad, J. Mechanics of Bulk Materials; Script, Czech Technical University in Prague: Prague, Czech Republic, 1983. (In Czech) [Google Scholar]
- Bird, R.B.; Stewart, W.E.; Lightfoot, E.N. Transport Phenomena; John Wiley & Sons: Hoboken, NJ, USA, 2007; ISBN 978-0-470-11539-8. [Google Scholar]
- Bendow, J.; Bridgwater, J. Paste Flow and Extrusion; Claredon Press: Oxford, UK, 1993; ISBN 0-19-856338-8. [Google Scholar]
- Patel, M.J.; Blackburn, S.; Wilson, D.I. Modelling of paste ram extrusion subject to liquid phase migration and wall friction. Chem. Eng. Sci. 2017, 172, 487–502. [Google Scholar] [CrossRef]
- Fekete, R.; Peciar, M.; Hanzel, M. Influence of Powder Material Moisture on the Angle of Wall Friction. Part. Part. Syst. Charact. 2007, 24, 276–283. [Google Scholar] [CrossRef]
- Burbidge, A.S.; Bridgwater, J.; Saracevic, Z. Liquid Migration in Paste Extrusion. Trans IChemE 1995, 73, 810–816. [Google Scholar]
- Liu, H.; Liu, J.; Leu, M.C.; Landers, R.; Huang, T. Factors influencing paste extrusion pressure and liquid content of extrudate in freeze-form extrusion fabrication. Int. J. Adv. Manuf. Technol. 2012, 67, 899–906. [Google Scholar] [CrossRef]
- Perrot, A.; Rangeard, D.; Mélinge, Y.; Estellé, P.; Lanos, C. Extrusion Criterion for Firm Cement-based Materials. Appl. Rheol. 2009, 19, 53042-1–53042-7. [Google Scholar]
- O’Neill, R.; McCarthy, H.O.; Cunningham, E.; Montufar, E.; Ginebra, M.P.; Wilson, D.I.; Lennon, A.; Dunne, N. Extent and mechanism of phase separation during the extrusion of calcium phosphate pastes. J. Mater. Sci. Mater. Med. 2016, 27, 29. [Google Scholar] [CrossRef]
- Sherwood, J.D. Liquid–solid relative motion during squeeze flow of pastes. J. Non-Newton. Fluid Mech. 2002, 104, 1–32. [Google Scholar] [CrossRef]
- Jiang, G.P.; Yang, J.F.; Gao, J.Q. Effect of starch on extrusion behaviour of ceramic pastes. Mater. Res. Innov. 2009, 13, 119–123. [Google Scholar] [CrossRef]
- Macosko, C.W. Rheology Principles, Measurements and Applications; Wiley-VCH: Weinheim, Germany, 1994; ISBN 1-56081-579-5. [Google Scholar]
- Liu, H.; Leu, M.C. Liquid phase migration in extrusion of aqueous alumina paste for freeze-form extrusion fabrication. Int. J. Mod. Phys. B 2009, 23, 1861–1866. [Google Scholar] [CrossRef]
- Fekete, R. Influence of the Rotor Pressure Effect on the Extrusion Process. Ph.D. Thesis, Slovak University of Technology in Bratislava, Bratislava, Slovakia, 2002. (In Slovak). [Google Scholar]
- Maderová, K. Liquid Phase Migration During Paste Extrusion. Ph.D. Thesis, Slovak University of Technology in Bratislava, Bratislava, Slovakia, 2012. (In Slovak). [Google Scholar]
- Poláková, K. Shear Strength of Wet Particulate Materials. Ph.D. Thesis, Slovak University of Technology in Bratislava, Bratislava, Slovakia, 2012. (In Slovak). [Google Scholar]
- Vadaga, A.K.; Gudla, S.S.; Nareboina, G.S.K.; Gubbala, H.; Golla, B. Comprehensive Review of Modern Techniques of Granulation in Pharmaceutical Solid Dosage Forms. Intell. Pharm. 2024, in press. [Google Scholar] [CrossRef]
- Bandari, S.; Nyavanandi, D.; Kallakunta, V.R.; Janga, K.Y.; Sarabu, S.; Butreddy, A.; Repka, M.A. Continuous twin screw granulation—An advanced alternative granulation technology for use in the pharmaceutical industry. Int. J. Pharm. 2020, 550, 119215. [Google Scholar] [CrossRef] [PubMed]
- Shanmugam, S. Granulation techniques and technologies: Recent progresses. BioImpacts 2015, 5, 55–63. [Google Scholar] [CrossRef] [PubMed]
- Dhenge, R.M.; Cartwright, J.J.; Hounslow, M.J.; Salman, A.D. Twin screw wet granulation: Effects of properties of granulation liquid. Powder Technol. 2012, 229, 126–136. [Google Scholar] [CrossRef]
- Zukowski, S.R.; Kodam, M.; Khurana, S.; Taylor, J.; Frishcosy, M.; Hercamp, J.; Snedeker, J.; Williams, E. Performance comparison of dome and basket extrusion granulation. Chem. Eng. Res. Des. 2020, 160, 190–198. [Google Scholar] [CrossRef]
- Horrobin, D.J.; Nedderman, R.M. Extrusion Pressure Estimation in Axisymmetric Paste Extrusion. KONA 1999, 17, 122–129. [Google Scholar] [CrossRef][Green Version]
- Zhang, M.; Mascia, S.; Rough, S.L.; Ward, R.; Seiler, C.; Wilson, D.I. A novel lab-scale screen extruder for studying extrusion-spheronisation. Int. J. Pharm. 2013, 455, 285–297. [Google Scholar] [CrossRef] [PubMed]
- Zhang, M.; Rough, S.L.; Ward, R.; Seiler, C.; Wilson, D.I. A comparison of ram extrusion by single-holed and multi-holed dies for extrusion–spheronisation of microcrystalline-based pastes. Int. J. Pharm. 2011, 416, 210–222. [Google Scholar] [CrossRef]
- Russell, B.D.; Lasenby, J.; Blackburn, S.; Wilson, D.I. Monitoring Structural Aspects of Pastes Undergoing Continuous Extrusion Using Signal Processing of Pressure Data. Chem. Eng. Res. Des. 2004, 82, 770–783. [Google Scholar] [CrossRef]
- Rough, S.; Bridgwater, J.; Wilson, D. Effects of liquid phase migration on extrusion of microcrystalline cellulose pastes. Int. J. Pharm. 2000, 204, 117–126. [Google Scholar] [CrossRef]
- Rumpf, H. Zur Theorie der Zugfestigkeit von Agglomeraten bei Kraftübertragung an Kontaktpunkten. Chem. Ing. Tech. 1970, 42, 538–540. (In German) [Google Scholar] [CrossRef]
- Mascia, S.; Seiler, C.; Fitzpatrick, S.; Wilson, D.I. Extrusion–spheronisation of microcrystalline cellulose pastes using a non-aqueous liquid binder. Int. J. Pharm. 2010, 389, 1–9. [Google Scholar] [CrossRef] [PubMed]
- Dreu, R.; Širca, J.; Pintye-Hodi, K.; Burjan, T.; Planinšek, O.; Srčič, S. Physicochemical properties of granulating liquids and their influence on microcrystalline cellulose pellets obtained by extrusion-spheronisation technology. Int. J. Pharm. 2005, 291, 99–111. [Google Scholar] [CrossRef]
- Domanti, A.T.J.; Horrobin, D.J.; Bridgwater, J. An investigation of fracture criteria for predicting surface fracture in paste extrusion. Int. J. Mech. Sci. 2002, 44, 1381–1410. [Google Scholar] [CrossRef]
- A Report of the EFCE Working Party on the Mechanics of Particulate Solids. In Standard Shear Testing Techniques for Particulate Solids Using the Jenike Shear Cell; The Institute of Chemical Engineers EFCE: Rugby, UK, 1989; ISBN 0852952325.
- Rough, S.L.; Wilson, D.I.; Bridgwater, J. A Model Describing Liquid Phase Migration within an Extruding Microcrystalline Cellulose Paste. Chem. Eng. Res. Des. 2002, 80, 701–714. [Google Scholar] [CrossRef]
- Mason, M.S.; Huang, T.; Landers, R.G.; Leu, M.C.; Hilmas, G.E. Aqueous-based extrusion of high solids loading ceramic pastes: Process modeling and control. J. Mater. Process. Technol. 2009, 209, 2946–2957. [Google Scholar] [CrossRef]
- Bryan, M.P.; Rough, S.L.; Wilson, D.I. Investigation of static zones and wall slip through sequential ram extrusion of contrasting micro-crystalline cellulose-based pastes. J. Non-Newton Fluid Mech. 2015, 220, 57–68. [Google Scholar] [CrossRef]
- Roussel, N.; Lanos, C.; Mélinge, Y. Induced heterogeneity in saturated flowing granular media. Powder Technol. 2003, 138, 68–72. [Google Scholar] [CrossRef]
- Daniels, K. Force Chains in a Photoelastic Granular Material. 2017. Available online: https://danielslab.physics.ncsu.edu/dcp_0866 (accessed on 17 May 2024).
- Roussel, N.; Lanos, C. Particle Fluid Separation in Shear Flow of Dense Suspensions: Experimental Measurements on Squeezed Clay Pastes. Appl. Rheol. 2004, 14, 256–265. [Google Scholar] [CrossRef]












| Very Finely Ground Limestone | Sand |
|---|---|
| Particle shape | |
![]() | ![]() |
| Particle density | |
| Bulk density | |
| Porosity for bulk density | |
| Particle size distribution | |
![]() | ![]() |
| Compressibility | |
![]() Whole range of the normal stress in the compressibility test | ![]() Detail of the interval up to 2 MPa |
| Strength diagram of the mixture | |
![]() | |
Disclaimer/Publisher’s Note: The statements, opinions and data contained in all publications are solely those of the individual author(s) and contributor(s) and not of MDPI and/or the editor(s). MDPI and/or the editor(s) disclaim responsibility for any injury to people or property resulting from any ideas, methods, instructions or products referred to in the content. |
© 2024 by the authors. Licensee MDPI, Basel, Switzerland. This article is an open access article distributed under the terms and conditions of the Creative Commons Attribution (CC BY) license (https://creativecommons.org/licenses/by/4.0/).
Share and Cite
Fekete, R.; Peciar, P.; Juriga, M.; Gužela, Š.; Peciarová, M.; Horváth, D.; Peciar, M. Pressure and Liquid Distribution under the Blade of a Basket Extruder of Continuous Wet Granulation of Model Material. J. Manuf. Mater. Process. 2024, 8, 127. https://doi.org/10.3390/jmmp8030127
Fekete R, Peciar P, Juriga M, Gužela Š, Peciarová M, Horváth D, Peciar M. Pressure and Liquid Distribution under the Blade of a Basket Extruder of Continuous Wet Granulation of Model Material. Journal of Manufacturing and Materials Processing. 2024; 8(3):127. https://doi.org/10.3390/jmmp8030127
Chicago/Turabian StyleFekete, Roman, Peter Peciar, Martin Juriga, Štefan Gužela, Michaela Peciarová, Dušan Horváth, and Marian Peciar. 2024. "Pressure and Liquid Distribution under the Blade of a Basket Extruder of Continuous Wet Granulation of Model Material" Journal of Manufacturing and Materials Processing 8, no. 3: 127. https://doi.org/10.3390/jmmp8030127
APA StyleFekete, R., Peciar, P., Juriga, M., Gužela, Š., Peciarová, M., Horváth, D., & Peciar, M. (2024). Pressure and Liquid Distribution under the Blade of a Basket Extruder of Continuous Wet Granulation of Model Material. Journal of Manufacturing and Materials Processing, 8(3), 127. https://doi.org/10.3390/jmmp8030127








