Multiple UAVs Networking Oriented Consistent Cooperation Method Based on Adaptive Arithmetic Sine Cosine Optimization
Abstract
1. Introduction
- The dynamical analysis of the cooperative control of UAVs is conducted. When UAVs undergo formation changes, if they rotate and fly to change the attitude of the formation, acceleration limitations need to be applied to the UAVs; otherwise, it will cause position errors. Therefore, a new UAV model is established, which adds an acceleration limit to the UAV model in Reference [11]. The purpose of this work is to control the movement of the formation and therefore control the virtual reference frame to maintain the maximum required acceleration within the possible physical limitations of the UAV, thereby improving cooperative formation maintenance.
- We have designed an adaptive arithmetic sine cosine optimization algorithm to solve the balance problem between the global search stage and the local development stage in the arithmetic optimization algorithm. It can achieve a faster convergence speed and higher accuracy.
- The UAV cooperation network was designed with a consensus module based on the consensus algorithm [29], which could achieve more accurate positioning for the UAVs. In addition, the reference controller is designed with a proportional integral differential (PID) [30], and the method for solving the quadratic programming problem is introduced to further improve the accuracy and reliability of the cooperation.
2. Consistency Theory
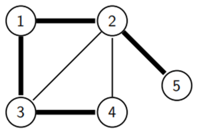
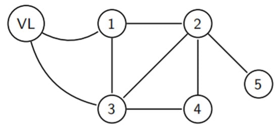
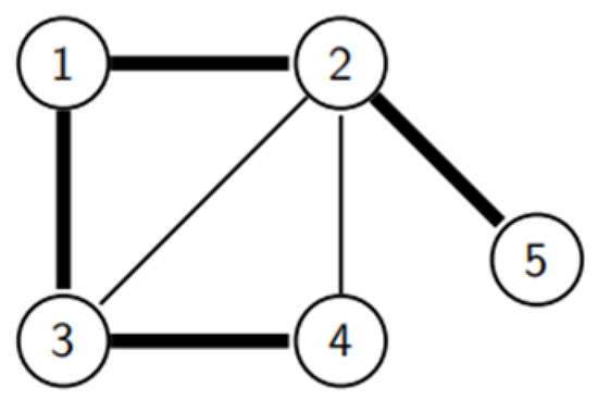
2.1. Connected Network
2.2. Consistency Theory
3. Modeling and Control of Quadrotor UAVs
3.1. UAV Modeling
3.2. UAV Line Motion Model
3.3. UAV Angular Motion Model
3.4. Limit of Acceleration
4. Adaptive Arithmetic Sine Cosine Optimization Algorithms
4.1. Adaptive Optimization Stage
4.2. Global Search Stage
4.3. Local Development Phase
5. Quadrotor Cooperation Control Design
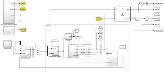
5.1. Cooperation Control Framework
5.2. Consistency Module
5.3. Maximum Distance Consistent Module
5.4. Reference Controller
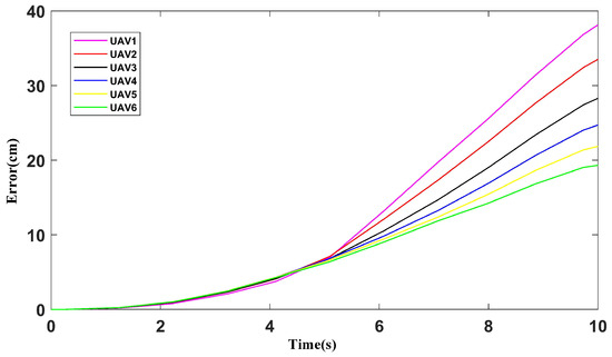
6. Simulation Analysis
7. Conclusions
Author Contributions
Funding
Data Availability Statement
Conflicts of Interest
References
- Yu, M. Construction of regional intelligent transportation system in smart city road network via 5G network. IEEE Trans. Intell. Transp. Syst. 2022, 24, 2208–2216. [Google Scholar] [CrossRef]
- Bréhon–Grataloup, L.; Kacimi, R.; Beylot, A.L. Mobile edge computing for V2X architectures and applications: A survey. Comput. Netw. 2022, 206, 108797. [Google Scholar] [CrossRef]
- Hildebrand, B.; Baza, M.; Salman, T.; Tabassum, S.; Konatham, B.; Amsaad, F.; Razaque, A. A comprehensive review on blockchains for Internet of Vehicles: Challenges and directions. Comput. Sci. Rev. 2023, 48, 100547. [Google Scholar] [CrossRef]
- Mishra, D.; Trotta, A.; Traversi, E.; Felice, M.; Natalizio, E. Cooperative Cellular UAV-to-Everything (C-U2X) communication based on 5G sidelink for UAV swarms. Comput. Commun. 2022, 192, 173–184. [Google Scholar] [CrossRef]
- Kilanioti, I.; Rizzo, G.; Masini, B.M. Intelligent transportation systems in the context of 5G-beyond and 6G networks. In Proceedings of the 2022 IEEE Conference on Standards for Communications and Networking (CSCN), Thessaloniki, Greece, 28–30 November 2022; pp. 82–88. [Google Scholar]
- Wang, D.; Wu, M.; Chakraborty, C.; Min, L.; He, Y.; Guduri, M. Covert communications in air-ground integrated urban sensing networks enhanced by federated learning. IEEE Sens. J. 2023, 24, 5636–5643. [Google Scholar] [CrossRef]
- Qi, W.; Song, Q.; Guo, L.; Jamalipour, A. Energy-efficient resource allocation for UAV-assisted vehicular networks with spectrum sharing. IEEE Trans. Veh. Technol. 2022, 71, 7691–7702. [Google Scholar] [CrossRef]
- Wang, D.; Wu, M.; Wei, Z.; Yu, K.; Min, L.; Mumtaz, S. Uplink secrecy performance of RIS-based RF/FSO three-dimension heterogeneous networks. IEEE Trans. Wirel. Commun. 2023, 23, 1798–1809. [Google Scholar] [CrossRef]
- Wang, D.; He, T.; Lou, Y.; Pang, L.; He, Y.; Chen, H.H. Double-edge computation offloading for secure integrated space-air-aqua networks. IEEE Internet Things J. 2023, 10, 15581–15593. [Google Scholar] [CrossRef]
- Hurst, W.; Evmorfos, S.; Petropulu, A.; Mostofi, Y. Unmanned Vehicles in 6G Networks: A Unifying Treatment of Problems, Formulations, and Tools. arXiv 2024, arXiv:2404.14738. [Google Scholar]
- Guo, X.; Niu, P.; Zhao, D.; Li, X.; Wang, S.; Chang, A. Model-free controls of manipulator quadrotor UAV under grasping operation and environmental disturbance. Int. J. Control. Autom. Syst. 2022, 20, 3689–3705. [Google Scholar] [CrossRef]
- Ollervides-Vazquez, E.J.; Tellez-Belkotosky, P.A.; Santibañez, V.; Rojo-Rodriguez, E.G.; Reyes-Osorio, L.A.; Garcia-Salazar, O. Modeling and Simulation of an Octorotor UAV with Manipulator Arm. Drones 2023, 7, 168. [Google Scholar] [CrossRef]
- Yang, C.; Liu, B.; Li, H.; Li, B.; Xie, K.; Xie, S. Learning based channel allocation and task offloading in temporary UAV-assisted vehicular edge computing networks. IEEE Trans. Veh. Technol. 2022, 71, 9884–9895. [Google Scholar] [CrossRef]
- Araf, S.; Saha, A.S.; Kazi, S.H.; Tran, N.H.; Alam, M.G. UAV assisted cooperative caching on network edge using multi-agent actor-critic reinforcement learning. IEEE Trans. Veh. Technol. 2022, 72, 2322–2337. [Google Scholar] [CrossRef]
- Zheng, G.; Xu, C.; Wen, M.; Zhao, X. Service caching based aerial cooperative computing and resource allocation in multi-UAV enabled MEC systems. IEEE Trans. Veh. Technol. 2022, 71, 10934–10947. [Google Scholar] [CrossRef]
- Gai, H.; Zhang, H.; Guo, S.; Yuan, D. Information freshness-oriented trajectory planning and resource allocation for UAV-assisted vehicular networks. China Commun. 2023, 20, 244–262. [Google Scholar] [CrossRef]
- Khan, A.A.; Laghari, A.A.; Shafiq, M.; Awan, S.A.; Gu, Z. Vehicle to everything (V2X) and edge computing: A secure lifecycle for UAV-assisted vehicle network and offloading with blockchain. Drones 2022, 6, 377. [Google Scholar] [CrossRef]
- Liu, Y.; Yang, C.; Chen, X.; Wu, F. Joint Hybrid Caching and Replacement Scheme for UAV-Assisted Vehicular Edge Computing Networks. IEEE Trans. Intell. Veh. 2023, 9, 866–878. [Google Scholar] [CrossRef]
- Huang, H.; Wen, X.; Niu, M.; Miah, M.S.; Gao, T.; Wang, H. Multi-UAVs assisted path planning method for terrain-oriented air-ground collaborative vehicular network architecture. IEEE Trans. Intell. Veh. 2024. early access. [Google Scholar] [CrossRef]
- Chen, M.; Li, B.; Wang, J.; Wang, G. A Formation Control Algorithm for Air-Ground Cooperative UAV. In Proceedings of the 2022 14th International Conference on Wireless Communications and Signal Processing (WCSP), Nanjing, China, 1–3 November 2022; pp. 741–747. [Google Scholar]
- Chen, J.; Li, T.; Zhang, Y.; You, T.; Lu, Y.; Tiwari, P.; Kumar, N. Global-and-local attention-based reinforcement learning for cooperative behaviour control of multiple UAVs. IEEE Trans. Veh. Technol. 2023, 73, 4194–4206. [Google Scholar] [CrossRef]
- Li, T.; Leng, S.; Wang, Z.; Zhang, K.; Zhou, L. Intelligent resource allocation schemes for UAV-swarm-based cooperative sensing. IEEE Internet Things J. 2022, 9, 21570–21582. [Google Scholar] [CrossRef]
- Ju, S.; Wang, J.; Dou, L.; Gu, W. Cooperative Formation Control of Multiple UAV Systems Based on Sliding Mode Control. Navig. Position. Timing 2022, 9, 74–83. [Google Scholar]
- Guo, H.; Wang, Y.; Liu, J.; Liu, C. Multi-UAV cooperative task offloading and resource allocation in 5G advanced and beyond. IEEE Trans. Wirel. Commun. 2023, 23, 347–359. [Google Scholar] [CrossRef]
- Wang, H.; Jin, C.; Xu, B.; Chen, M. State Coherence Model Based Formation Control Mechanism for Fixed-wing Drones. J. Chin. Comput. Syst. 2022, 43, 1505–1510. [Google Scholar]
- Sun, Y.; Dai, J.; Ying, J.; Nie, H. Cooperative Obstacle Avoidance Control Algorithm for UAV Formation Based on Improved Potential Field Method. Comput. Appl. Softw. 2022, 39, 299–304+312. [Google Scholar]
- Wang, Z.; Cheng, W.; Xin, Y.; Yang, Z.; Huang, Z. Formation Control of Quadrotor UAV Based on Terminal Sliding Mode Control. Flight Control. Detect. 2023, 6, 44–51. [Google Scholar]
- Flores, B.F.; Mastroeni, G. First- and Second-Order Optimality Conditions for Quadratically Constrained Quadratic Programming Problems. J. Optim. Theory Appl. 2022, 193, 118–138. [Google Scholar] [CrossRef]
- Huang, Y.; Tang, J.; Lao, S. UAV group formation collision avoidance method based on second-order consensus algorithm and improved artificial potential field. Symmetry 2019, 11, 1162. [Google Scholar] [CrossRef]
- Noordin, A.; Mohd, B.M.A.; Mohamed, Z. Real-Time Implementation of an Adaptive PID Controller for the Quadrotor MAV Embedded Flight Control System. Aerospace 2023, 10, 59. [Google Scholar] [CrossRef]
- Gao, C.; Ma, J.; Li, T.; Shen, Y. Hybrid swarm intelligent algorithm for multi-UAV formation reconfiguration. Complex Intell. Syst. 2023, 9, 1929–1962. [Google Scholar] [CrossRef]
- Chen, Y.; Deng, T. Leader-Follower UAV formation flight control based on feature modelling. Syst. Sci. Control. Eng. 2023, 11, 2268153. [Google Scholar] [CrossRef]
























| System | Parameter | Value with Units |
|---|---|---|
| Physical constants of UAV | m | 1.5 kg |
| g | 9.8 kg m s−2 | |
| k1 | 0.15 | |
| k2 | 0.15 | |
| k3 | 0.30 | |
| θmax = −θmin | 0.05 rad | |
| φmax = −φmin | 0.05 rad | |
| ft, max | 5.35 N |
| Evaluating Indicator | Whole Time (s) | Cooperative Formation Recovery Time (s) | Maximum Interval Distance (m) | |
|---|---|---|---|---|
| Algorithm | ||||
| This article’s algorithm | 10.0 | 2.98 | 0.65 | |
| No reference controller | 12.0 | 5.31 | 0.74 | |
| Traditional consistency algorithm | 12.0 | 5.01 | 0.73 | |
| Algorithm [31] | 10.0 | 3.87 | 0.77 | |
| Algorithm [32] | 11.0 | 4.32 | 0.75 | |
Disclaimer/Publisher’s Note: The statements, opinions and data contained in all publications are solely those of the individual author(s) and contributor(s) and not of MDPI and/or the editor(s). MDPI and/or the editor(s) disclaim responsibility for any injury to people or property resulting from any ideas, methods, instructions or products referred to in the content. |
© 2024 by the authors. Licensee MDPI, Basel, Switzerland. This article is an open access article distributed under the terms and conditions of the Creative Commons Attribution (CC BY) license (https://creativecommons.org/licenses/by/4.0/).
Share and Cite
Huang, H.; Li, D.; Niu, M.; Xie, F.; Miah, M.S.; Gao, T.; Wang, H. Multiple UAVs Networking Oriented Consistent Cooperation Method Based on Adaptive Arithmetic Sine Cosine Optimization. Drones 2024, 8, 340. https://doi.org/10.3390/drones8070340
Huang H, Li D, Niu M, Xie F, Miah MS, Gao T, Wang H. Multiple UAVs Networking Oriented Consistent Cooperation Method Based on Adaptive Arithmetic Sine Cosine Optimization. Drones. 2024; 8(7):340. https://doi.org/10.3390/drones8070340
Chicago/Turabian StyleHuang, He, Dongqiang Li, Mingbo Niu, Feiyu Xie, Md Sipon Miah, Tao Gao, and Huifeng Wang. 2024. "Multiple UAVs Networking Oriented Consistent Cooperation Method Based on Adaptive Arithmetic Sine Cosine Optimization" Drones 8, no. 7: 340. https://doi.org/10.3390/drones8070340
APA StyleHuang, H., Li, D., Niu, M., Xie, F., Miah, M. S., Gao, T., & Wang, H. (2024). Multiple UAVs Networking Oriented Consistent Cooperation Method Based on Adaptive Arithmetic Sine Cosine Optimization. Drones, 8(7), 340. https://doi.org/10.3390/drones8070340

