1. Introduction
Interests in air quality and exhaust emission measurements have pushed research in new gas sensors. To calibrate and test these sensors, it is necessary to precisely generate gas concentrations over a wide dynamic range. Typical concentrations for environmental
NO2 concentrations are in the range of 0.4 µg m
−3 (natural background measurements) to 1015 μg m
−3 (roadside measurements), which requires a dynamic range of more than 1:1000 [
1]. Simple solutions, facilitating mass flow controllers, only produce valid dilution ratios down to 1:5 (cf. Ref. [
2]). Advanced gas diluters based on capillaries usually do not allow for higher dilution ratios than 1:10. A binary weighted combination of critical orifices, however, allows high dilution rates at low relative errors, as was shown e.g., in Ref. [
3].
2. Materials and Methods
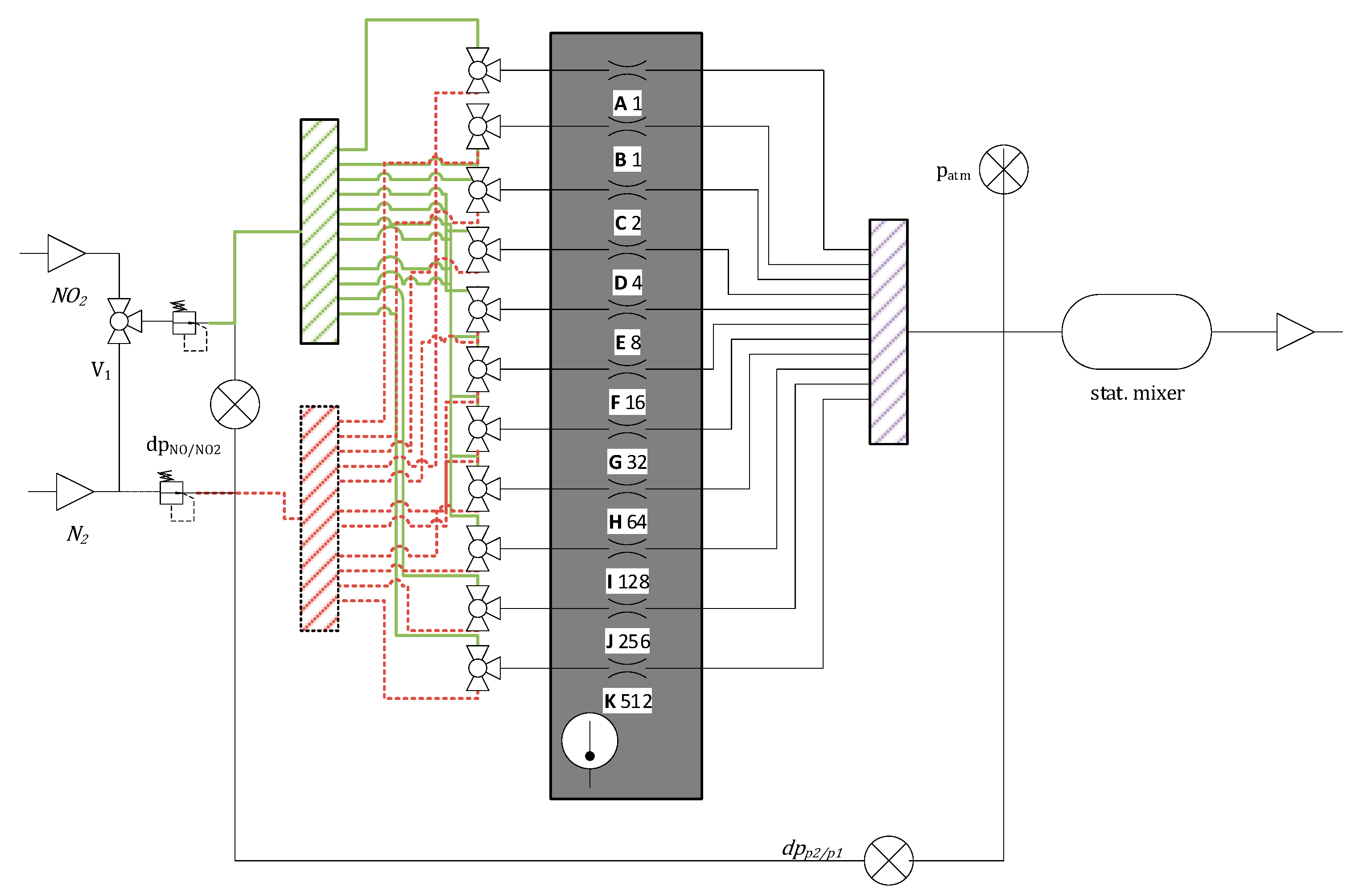
Figure 1 shows a schematic drawing of the gas diluter presented in this work. Critical orifices A to K are placed in an aluminum block (grey) and can individually be set to
N2 or
NO2 by ball valves. Orifice diameters are chosen such, that the flow rate through each orifice is doubled compared to the next smaller orifice (numbers next to the letters represent the flow rate relative to orifice A). Only the smallest two orifices (A and B) have the same diameter in order to compare the flow rate through orifices A and B with orifice C. Orifice flows were calibrated by means of a Gilibrator 2 bubble flow meter as a primary standard. Great care was taken to exclusively use gas carrying parts made of PTFE and stainless steel, to enable gas dilution of corrosive gases as well.
Dilution ratios are calculated based on relative flow rates with respect to orifice
A as described in Ref. [
3]. For example, the relative flow rate
rC through orifice
C is given by Equation (1), where
fA,
fB, and
fC are the measured flow rates through orifices
A,
B, and
C; the flow rate
fA+B is the measured flow rate through orifices
A and
B, and the relative flow rate
rB is defined as
.
Figure 1.
Schematic drawing of the gas diluter. Red dotted lines represent the path of N2. Green lines represent the path of NO2. The eleven critical orifices are placed within an aluminum block (grey). Numbers next to the orifice letters represent the flow rate relative to orifice A.
Figure 1.
Schematic drawing of the gas diluter. Red dotted lines represent the path of N2. Green lines represent the path of NO2. The eleven critical orifices are placed within an aluminum block (grey). Numbers next to the orifice letters represent the flow rate relative to orifice A.
In the same fashion, the remaining relative flow rates can be calculated (cf. Equation (2) for
rD).
Additionally, all relative flow rates are related to the
NO2 side, as suggested in Ref. [
3]. This is done by calculating the average relative flow through each orifice between
NO2 and
N2 side for both sides and additionally weighting the
N2 side with the relation of the maximum total flows
We use eleven orifices with critical flows ranging from 5.833 mL/ min to 3.134 L/ min. Therefore, a theoretical dilution ratio of 1:1024 is possible. Although precision pressure regulators (LNI Swissgas RP 10) are used on the
NO2 and
N2 side, the upstream pressure is dropping slightly with increasing flow rate. Therefore, all flow rates have to be related to the same upstream pressure. Flow rates can be easily corrected by assuming a linear pressure-flow rate dependency (
), as shown in Equation (3). Each flow rate
is related to the upstream pressure at the flow rate through the smallest orifice (
), yielding the corrected flow rate
Due to the flow rate corrections the maximum dilution ratio is 1:1400. To compensate the cooling effect as consequence of gas expansion, the critical orifices are embodied in a solid, temperature regulated aluminum block, conditioned at 30 °C.
All pressure sensors are equipped with analog outputs. Data acquisition of the pressure measurements was performed using analog inputs of an NI USB-6009. Atmospheric pressure (
patm in
Figure 1) was measured with a MPX5100AP (NXP) absolute pressure sensor. The differential pressure between
N2 and
NO2 (
dpNO/NO2) was controlled with a TSCSNBN 005 (Honeywell) sensor. The differential pressure between upstream and downstream (
dpp2/p1) was measured using a 26PCDFA6D (Honeywell) sensor.
3. Results
To validate the gas diluter, 5.16 ppm
NO2 in synthetic air (1.5% relative uncertainty (k = 1), standard gas cylinder) was diluted with
N2 and measured with a CLD (API T200). Uncertainties of
NO2 concentrations were calculated according to the Guide to the expression of uncertainty of measurement for the combined standard uncertainty of uncorrelated input quantities (chapter 5.1 of Ref. [
4]), using GUM Workbench Professional Version 2.4 (Metrodata GmbH). The resulting
NO2 concentrations and the corresponding uncertainties are depicted in
Table 1. The largest uncertainty contribution stems from the concentration of the
NO2 gas cylinder. This explains the small increase in relative uncertainty with increasing dilution ratio, i.e., decreasing
NO2 concentration.
To analyse gas concentrations generated with the gas diluter, the difference between theoretical and measured gas concentrations are depicted as a function of the theoretical gas concentrations in
Figure 2. Error bars of the CLD were calculated according to the API T200 specifications [
5]. Good agreement was achieved for concentrations up to 652 ppb. As the CLD was spanned with a 836 ppb bottle, measurements above 1000 ppb are extrapolated, explaining the deviation of the 1265 ppb measurement.
As a result of the high dynamic range, the flow through the smallest orifice (A) is only 1/500 of the largest orifice (K). The timeseries of a measurement where valve A was switched from
N2 to
NO2 (
Figure 3), shows that a 30 min waiting time is necessary to obtain stable concentrations.