Next Article in Journal
On Riemann–Liouville Integral via Strongly Modified (h,m)-Convex Functions
Previous Article in Journal
Fractal Scale Effect in Quasi-Brittle Materials Using a Version of the Discrete Element Method
Previous Article in Special Issue
A Novel Fractional High-Order Sliding Mode Control for Enhanced Bioreactor Performance
 
 
Font Type:
Arial Georgia Verdana
Font Size:
Aa Aa Aa
Line Spacing:
Column Width:
Background:
Article

Fractional Calculus Applied to the Generalized Model and Control of an Electrohydraulic System

by
Edgar Hiram Robles
1,
Felipe J. Torres
1,*,
Antonio J. Balvantín-García
1,
Israel Martínez-Ramírez
1,
Gustavo Capilla
1 and
Juan-Pablo Ramírez-Paredes
2
1
Department of Mechanical Engineering, Engineering Division Campus Irapuato-Salamanca, University of Guanajuato, Salamanca 36885, Mexico
2
Department of Electronic Engineering, Engineering Division Campus Irapuato-Salamanca, University of Guanajuato, Salamanca 36885, Mexico
*
Author to whom correspondence should be addressed.
Fractal Fract. 2024, 8(12), 679; https://doi.org/10.3390/fractalfract8120679
Submission received: 27 August 2024 / Revised: 13 November 2024 / Accepted: 14 November 2024 / Published: 21 November 2024
(This article belongs to the Special Issue Fractional-Order Approaches in Automation: Models and Algorithms)

Abstract

In this paper, fractional calculus is used to develop a generalized fractional dynamic model of an electrohydraulic system composed of a servo valve and a hydraulic cylinder, where a fractional position controller P I γ D μ is proposed for minimizing the performance index according to the integral of the time-weighted absolute error (ITAE). First, the general mathematical equations of the cylinder and servo valve are used to obtain the transfer functions in fractional order by applying Caputo’s definition and a Laplace transform. Then, through a block diagram of the closed-loop system without a controller, the fractional model is validated by comparing its performance concerning the integer-order electrohydraulic system model reported in the literature. Subsequently, a fractional PID controller is designed to control the cylinder position. This controller is included in the closed-loop system to determine the fractional exponents of the transfer functions of the servo valve, cylinder, and control, as well as to tune the controller gains, by using the ITAE objective function, with a comparison of the following: (1) the electrohydraulic system model in integer order and the controller in fractional order; (2) the electrohydraulic system model in fractional order and the controller in integer order; and (3) both the system model and the controller in fractional order. For each of the above alternatives, numerical simulations were carried out using MATLAB®/Simulink® R2023b and adding white noise as a perturbation. The results show that strategy (3), where electrohydraulic system and controller model are given in fractional order, develops the best performance because it generates the minimum value of ITAE.

1. Introduction

Hydraulic systems are widely used in industrial processes due to their ability to transfer power and provide precise directional control. For this purpose, several control strategies have been implemented, such as the use of a sliding mode position controller based on a high gain observer, [1,2]. In addition, the application of new knowledge to control systems has been explored, where a classical proportional–integral–derivative (PID) controller, commonly used in industry, was designed and then improved by adding a genetic algorithm (GA) to tune the controller gains and overcome the linear characteristics of the controller [3]. Regarding advances related to the dynamic model of the electrohydraulic system, [4] proposed complementing the linearized behavior of the controller by including nonlinear parameters in the equations for the dynamic model of the hydraulic actuators. In all these cases, such models were generated using differential calculus of integer order through classical modeling with ordinary derivatives and integrals.
On the other hand, fractional calculus, also known as the calculus of arbitrary order, is a general solution for differential and integral equations of non-integer order, with traditional calculus being one possible solution [5]. The application of fractional calculus in the field of engineering and control allows highly nonlinear dynamic systems to be modeled with fewer constitutive equations, without sacrificing accuracy [6], and relies on the properties of memory and inheritance [7].
The concept of fractional calculus dates back more than 300 years, considering the n-th derivative d n y / d x n —with a differential order n of the function y with respect to x—as a value within the real and rational numbers. The use of fractional calculus has gained significant relevance with applications in various fields, including medicine [8], fluid mechanics [9], mechanics of solids [10], signal processing [11], image processing [12], and control systems [13,14,15].
Regarding control systems, fractional-order control was introduced by I. Podlubny in the 1990s for a closed-loop fractional dynamical system, where it is considered as a generalization of the proportional–integral–derivative (PID) controller, as it reduces the steady-state error and overshoot rate in the presence of disturbances and high nonlinearities [16]. It has found various applications, for instance, in the development of a fractional-order proportional–integral–derivative (FOPID) controller to regulate the speed and torque of an induction motor (IM) [17], in the design of a fractional-order controller to control the fermentation temperature in a bioreactor [18], in the study of a low-order fractionalized proportional–integral–derivative (LOA/FPID) controller applied to airplane pitch angle control [19], in the FOPID controller of a hybrid electric vehicle to control motor speed and minimize electrical energy losses [20], in a FOPID for controlling suspension damping and motor rotational angle [21], and even to control pipeline vibration using a fractional-order controller [22]. There are several advantages to applying non-integer-order controllers in dynamics systems; for instance, in the position control of an electric motor, the application of fractional calculus resulted in improved system performance based on power consumption and response speed [23]. On the other hand, faster and vibration-free convergence to the equilibrium point was achieved using fractional calculus in the position control of a robotic arm with four degrees of freedom [14]. Its application to temperature control in heat exchangers resulted in an overshoot compared to traditional PID controllers [15].
Within the context of fractional hydraulic control systems, fractional calculus enhances the response and stability of the system when faced with disturbances or nonlinearities. Thus, in [24], the development of a FOPID position control for an electrohydraulic system is presented, considering only the experimentally acquired data to formulate fractional control using an approximation algorithm (Oustaloup) and an optimization technique based on an iterative feedback fitting (IFT), where the fractional controller improves the system response compared to quantitative feedback theory (QFT), being less sensitive to friction, inertia, and external loads. On the other hand, fractional calculus offers the possibility of modeling and simulating hydraulic systems with viscoelastic behavior and a fractional order value of 0.9, as in the case of the hydro-pneumatic suspension system developed by [25], where the model obtained employing traditional calculus provides a closer approximation to the experimental performance; however, the model does not consider leakage between the piston, piston rod, and hydraulic cylinder.
In particular, the model of an electrohydraulic system can be represented using a seventh-order model to more explicitly detail the behavior of a servo valve, achieving results superior to those obtained using the lower-order models mentioned in [26]. However, in practice, obtaining parameters such as the viscous damping ratio, leakage flow coefficients, and the volumetric modulus of hydraulic oil is challenging [27]; therefore, the experimental comparison is flawed, and simplified models enhanced with fractional calculus are required for closer approximation to nonlinear problems using a smaller number of constitutive equations. On the other hand, when fractional-order models for a hydraulic system are based on experimental data [28], where fractional-order modeling is developed by applying the collocation method considering hybrid functions, the proposed solution only fits a particular case under the specific equipment and working fluid conditions.
The above discussion emphasizes the need for a generalized fractional dynamic model, based on the constitutive equations of an asymmetric hydraulic cylinder and servo valve, that is effective under arbitrary working and equipment conditions. When applied in combination with a fractional controller, better performance can be achieved than is possible using the currently designed novel integer-order controllers.
Thus, in this work, we aim to develop a generalized fractional model of an electrohydraulic system using the fractional transfer functions of an asymmetric double-acting hydraulic cylinder and servo valve, applying the Caputo definition and Laplace transform. In addition, a fractional PID controller is proposed for controlling the position of the cylinder in a closed loop, and its performance is validated for the integer-order model and controllers reported in the literature. The novelty of this study lies in its application of fractional calculus to the modeling and control of an electrohydraulic system, resulting in superior cylinder-end trajectory tracking performance.
The performance in the closed-loop system control is compared based on the following:
  • Both the model of the electrohydraulic system and the controller are in integer order (IOM+IOC).
  • The electrohydraulic system model is in integer order, and the controller is in the fractional order (IOM+FOC).
  • The electrohydraulic system model is in fractional order, and the controller is in the integer order (FOM+IOC).
  • Both the system and controller are in the fractional order (FOM+FOC).
In each case, the gains and fractional exponents are optimized by minimizing the time-weighted absolute error (ITAE) integral using MATLAB®/Simulink® R2023b to compare the results.
The primary contributions of this research can be outlined as follows:
  • The generalized fractional model of an electrohydraulic system is developed based on the dynamic equations of the cylinder and servo valve to provide a parametric solution.
  • Even under the influence of unknown external disturbances, the closed-loop fractional PID controller improves system response compared to recent integer-order controllers based on genetic algorithms [3].
  • When used in combination, the fractional model and fractional control improve response speed and control accuracy while reducing tracking error based on the criterion of minimizing the ITAE.
The remainder of the paper is organized into sections as follows: Section 2 details the dynamic equations of the electrohydraulic system in integer order and the application of fractional calculus; Section 3 presents the tuning of the fractional-order PID controller. Section 4 describes the setup for the numerical simulations; Section 5 details the obtained results; finally, Section 6 presents the conclusions.

2. Electrohydraulic System

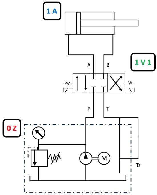
The electrohydraulic system, shown in Figure 1, consists of a double-acting asymmetric hydraulic cylinder (1A), which is controlled through a four-way, three-position (4/3) solenoid valve (1V1) with double solenoids, a blocked central position, and spring return. The system is driven by hydraulic power supply equipment (0Z), composed of a pump-motor device, pressure relief valve, filter, manometer, pressure gauge, and tank. The model for the dynamic behavior of the hydraulic system must include several nonlinearities, such as the static fluid friction, compressibility, and internal leakage of the fluid, as well as the complex flow pressure characteristics of the control valve [29]. This leads to a nonlinear mathematical model with numerous variables, increasing the complexity based on the calculation and estimation of unknown parameters.

2.1. Integer-Order Model of the Cylinder and Servo Valve

Based on the integer-order dynamic equations of the hydraulic cylinder and servo valve described in [3], the model of the electrohydraulic system given by the transfer function is obtained as follows.
Equation (1) defines the linearized behavior of the pressure flow at the inlet and outlet of the asymmetric hydraulic cylinder. In addition, two ordinary differential equations are defined, one for modeling the hydraulic oil flow through the servo valve, Equation (2), and the other for the force balance in the hydraulic actuator, Equation (3). Thus, nonlinear parameters such as the oil leakage coefficient, problems in the retention joints, and the variation in the hydraulic oil pressure in the system are considered. This allows us to demonstrate the advantage of fitting fractional models to problems with high nonlinearities.
q L = K q x v K e p L
q L = A p d x p d t + C t p p L + V t 4 β e d p L d t
A p p L = m t d 2 x p d t 2 + B p d x p d t + K x p + F L
where,
  • q L : system load flow rate;
  • K q : flow gain on the servo valve side;
  • x v : servo valve displacement;
  • K e : servo valve side pressure flow;
  • p L : differential pressure load;
  • A p : effective area of hydraulic cylinder piston;
  • x p : hydraulic cylinder piston rod displacement;
  • C t p : total leakage coefficient of the hydraulic cylinder;
  • p L : differential pressure load;
  • m t : total mass of hydraulic cylinder and load;
  • V t : total volume of compression in the hydraulic cylinder chamber;
  • β e : effective bulk modulus of elasticity;
  • B p : viscous damping factor;
    K: the stiffness corresponding to the hydraulic spring;
  • F L : external load on the cylinder.
Laplace transform is applied, taking the flow rate Q L as the system input, and the output is hydraulic actuator displacement ( X p ) . Furthermore, it is assumed that the total flow coefficient is K c e = K e + C t p and the ratio of B p < < A p 2 / K c e , K = 0 , with no external load F L = 0 . The transfer function of the hydraulic cylinder is
X p Q L = 1 A p s 3 ω h 2 + 2 ξ h ω h s 2 + s
where,
  • ω h = 2 β e A p V t m t is the natural frequency of the hydraulic cylinder;
  • ξ h = K c e 2 A p 2 β e m t V t + B p 4 A p V t 2 β e m t is the hydraulic damping ratio.
The dynamic model of the servo valve should relate the flow rate, Q L , as the output variable, and the electric current, I v , as the input variable. Therefore, as stated in [3,30], a harmonic oscillator model is recommended for fitting the transfer function of a four-way, three-position servo valve.
m s x ¨ v + f s v x ˙ v + K v x v = K s i v
where:
  • m s : servo valve mass;
  • f s v : viscous damping coefficient;
  • K v : damping constant of the servo valve spring;
  • K s : servo valve flow gain;
  • i v : servo valve activation current;
  • x v : servo valve displacement.
Applying Laplace transform to Equation (5) and considering Q L = K q X v , the model of the servo valve is
Q L I v = K s f s 2 ω f 2 + 2 ς f ω f s 2 + 1
where ω f = K v m s is the natural frequency of the servo valve, and ς f = f s v 2 m s ω f is the damping ratio of the servo valve.

2.2. Fractional-Order Model of the Cylinder

An electrohydraulic system has nonlinear behavior due to variations in system parameters that inevitably occur during cylinder operation. For example, the hydraulic supply pressure varies with changes in servo valve position during actuator movement. Another variation is observed in the flow rate, which is influenced by the oil density and operating temperature, and increases with respect to the number of actuator operation cycles due to friction effects [31,32]. In this context, fractional-order calculus offers an excellent alternative to solve this problem [33]. Its recent application to hydraulic systems is based on obtaining models fitted with experimental data for applying the FOPID controller, such as in [25,28]. However, a fractional differential model for transforming the integer-order differential equations for the servo valve and a cylinder has yet to be reported.
The first step in the fractional differential transformation process is to convert the ordinary differentials equations (ODEs) into terms of fractional derivative operators (FDOs) in the manner proposed in Table 1, where the arbitrary parameter β represents the fractional order in the first- and second-order derivatives. Hence, when β = 1 , the solution provided by the fractional differential model should be identical to the conventional integer-order solution, demonstrating that integer-order calculus is a special case of fractional-order calculus [34].
The auxiliary parameter σ 1 β represents the fractional components of time in the system, so the natural frequencies of the hydraulic cylinder and servo valve are taken as the system parameters satisfying time units.
There are different definitions of fractional derivatives, for example, the conformal derivative, the Atangana–Baleanu derivative, the Riemann–Liuoville derivative, and the Caputo derivative. Remarkably, in the definition of the Caputo fractional derivative, the initial conditions of the problem are considered in integer order, in contrast to the Riemann–Liuoville formulation, where fractional initial conditions are required for real-world problems.
The following is the definition for Caputo’s fractional derivative of order α for f ( t ) with f ( t ) L 1 ( a , b ) and α R + :
D C   f t = I n d n d t n f t = 1 Γ ( n α ) 0 t t ( n ) ( t τ ) α + 1 n d τ , n 1 < α < n
The variable C indicates the type of derivative, evaluated at 0 and with fractional order α . The Laplace transform of Caputo’s fractional derivative is given by
L D ϕ C f ( t ) = S ϕ n § n L f ( t ) k = 0 n 1 S n k 1 f k .
As such,
L D ϕ C f ( t ) = S ϕ F ( s ) k = 0 n 1 S ϕ k 1 f ( k ) ( 0 ) .
Table 2 shows the results of Laplace transformation for the first, second, and third fractional derivatives, where the variable ϕ represents the fractional order of the differential equation.
For the fractional differential transformation process of the hydraulic cylinder equations, Equation (1) remains unchanged, while Equations (2) and (3) are transformed using Caputo’s definition, as they involve differential terms in their formulation.
First, for Equation (2), which relates to the inlet and outlet flow to the hydraulic cylinder,
q L = A p 1 σ ( 1 α ) d α x p d t α + C t p p L + V t 4 β e 1 σ ( 1 γ ) d γ p L d t γ .
In the same way, considering Equation (3), which deals with the balance of input/output forces for the hydraulic cylinder,
A p p L = m t σ 2 ( 1 α ) d 2 α x p d t 2 α + B p 1 σ ( 1 α ) d α x p d t α + K x p + F L .
By equating q L from Equations (1) and (10) and multiplying by σ 2 α γ ,
K q x v K e p L σ ( 2 α γ ) =   A p σ ( 1 γ ) d α x p d t α + C t p p L σ ( 2 α γ ) + V t 4 β e σ ( 1 α ) d γ p L d t γ .
The fractional Laplace transforms (see Table 2) are applied to solve for P L :
P L = K q X v σ ( 2 α γ ) A p σ ( 1 γ ) s α X p K c e σ ( 2 α γ ) + V t 4 β e σ ( 1 α ) s γ
Considering Equation (3), which pertains to the input/output force balance for the hydraulic cylinder, we multiply by σ 2 ( 1 α ) / m t , subsequently applying the Laplace transform to the first and second differentials (see Table 2). The remaining expressions are
A p p L m t σ 2 ( 1 α ) = s 2 α X p + B p m t s α X p + ω 0 2 σ 2 ( 1 α ) X p + F L m t σ 2 ( 1 α ) .
where:
  • ω 0 2 : natural frequency of the integer-order system;
  • ω f 2 = K m t σ 2 ( 1 α ) = ω 0 2 σ 2 ( 1 α ) is the fractional natural frequency.
Equation 13 is substituted into Equation (14), and then, common terms are grouped in relation to the complex frequency variables and the fractional exponents s 2 α + γ , s 2 α , s 2 α + γ , s 2 α and s γ , followed by discarding the variable of interest X p as follows:
X p = 1 m t C 1 D 1 + F L C 6 D 1 + C 2 D 2 3 s γ C 2 D 2 s 2 α + γ + C 6 D 3 s 2 α + C 3 D 2 2 s α + γ + C 4 D 4 s α + C 5 D 2 s γ + C 6 ω 0 2 D 1
where:
C 1 = A p K q X v , D 1 = σ ( 4 3 α γ )
C 2 = V t 4 β e , D 2 = σ ( 1 α )
C 3 = B p V t 4 β e m t , D 3 = σ ( 2 α γ )
C 4 = B p K c e m t + A p 2 m t , D 4 = σ ( 3 2 α γ )
C 5 = V t ω 0 2 4 β e
C 6 = K c e
Taking the assumptions from [3], where K = 0 , F L = 0 , and B p A p 2 K c e , and multiplying both the numerator and denominator by m t A p 2 , gives
X p = 1 A p K q X v D 1 V t m t 4 β e A p 2 D 2 s 2 α + γ + K c e m t A p 2 D 3 s 2 α + B p V t 4 β e A p 2 D 2 2 s α + γ + D 4 s α
It is assumed that the order in the fractional derivatives is the same ( α = γ ) , and then multiplying both the numerator and denominator by 1 σ ( 1 α ) and taking into account the equality Q L = K q X p in the above Equation gives
X p Q L = 1 A p σ 3 ( 1 α ) V t m t 4 β e A p 2 s 3 α + K c e m t A p 2 + B p V t 4 β e A p 2 σ ( 1 α ) s 2 α + σ 2 ( 1 α ) s α .
Recalling that ω h = 2 β e A p V t m t and ξ h = K c e 2 A p 2 β e m t V t + B p 4 A p V t 2 β e m t , the generalized fractional transfer function of a hydraulic asymmetric cylinder is therefore
X p Q L = 1 A p σ 3 ( 1 α ) s 3 α ω h 2 + 2 ξ h ω h σ ( 1 α ) s 2 α + σ 2 ( 1 α ) s α

2.3. Fractional Model of the Servo Valve

Proportional servo valves are flow control elements that allow the manipulation of the reaction speed, position, pressure value, and actuator force, and they are used as precision elements in industrial processes. Mathematical models are required to verify their behavior and to optimize the applied controllers [35].
Hence, by taking Equation (5) from the integer-order model of the servo valve, Caputo’s definition is applied to derive the model using fractional derivatives:
m s 1 σ 2 ( 1 δ ) d 2 δ x v d t 2 δ + f s v 1 σ ( 1 δ ) d δ x v d t δ + K v x v = K s i v
Using the common factor σ 2 ( 1 δ ) m s and applying fractional Laplace transform (see Table 2) results in
s 2 δ X v + f s v m s s δ X v σ ( 1 δ ) + K v m s X v σ 2 ( 1 δ ) = K s I v m s σ 2 ( 1 δ ) .
Substituting K v m s = ω f 2 and f s v m s = 2 ς f ω f , the expression for X p is
X v I v = K s m s σ 2 ( 1 δ ) s 2 δ + 2 ς f ω f s δ σ ( 1 δ ) + ω f 2 σ 2 ( 1 δ )
Multiplying the numerator and denominator by 1 ω f 2 and considering Q L = K q X v gives
Q L I v = K s f σ 2 ( 1 δ ) s 2 δ ω f 2 + 2 ς f ω f σ ( 1 δ ) s δ + σ 2 ( 1 δ ) .
In this way, the fractional dynamic model of a four-way, three-position proportional servo valve is obtained, expressed as a δ fractional-order transfer function that relates the flow rate as the output variable to the current as the input variable.

3. Fractional PI γ D μ Controller

The fractional-order controller P I γ D μ is represented as follows:
G c ( s ) = K p + K i s γ + K d s μ
where:
  • K p ,   K i , and K d : integral, proportional, and derivative gains;
  • γ : integral fractional-order exponent;
  • μ : derivative fractional-order exponent.
Figure 2 shows the fractional block diagram of the closed-loop system with displacement of the double-acting asymmetric hydraulic cylinder as the output variable and current as the reference variable. In addition, the fractional-order P I γ D μ controller is considered within the control scheme.
Compared to the classical proportional–integral–derivative (PID) controller, the design of the fractional controller P I γ D μ requires the tuning of two additional parameters: one for the fractional integral part ( γ ) and the other for the fractional differential part ( μ ).
Various tools found in the literature enable the development of the process for tuning the five parameters, including the Ziegler–Nichols method, the self-tuning method, particle swarm optimization [36], and optimization based on tuning of the classical PID controller [37]. In this work, the process for tuning the fractional controller is developed using the MATLAB® function fminsearch, as detailed below.

4. Setup for Numerical Simulations

In this work, MATLAB®/Simulink® was chosen for numerical simulations of the closed-loop control system, where the FOTF Toolbox developed by [38] is used because of the possibility of simulating fractional transfer functions through blocks such as those shown in Figure 3.

4.1. Generalized Fractional Dynamic Model

To validate the generalized fractional dynamic model of the electrohydraulic system in simulation, the parameters reported in [3], listed in Table 3, were used to reproduce the system behavior based on the model in integer order, which was taken as a reference. In addition, the fractional order of the hydraulic cylinder (18) and servo valve (22) models were varied to observe the effect on actuator displacement.
Thus, Figure 4 presents the performance of the system in fractional order, with the variation of the fractional exponents α and δ , including the particular case when α = δ = 1 , which is equivalent to the same system in the integer order.

4.2. Experimental Data of an Electrohydraulic System

In order to demonstrate that the hydraulic cylinder and the servo valve follow fractional dynamics, the experimental data of the closed-loop system without a controller were obtained and analyzed. Figure 5 shows the test bench of the electrohydraulic system composed of a power supply (0Z), servo valve (1V1), hydraulic cylinder (1A), and laser sensor to measure the displacement of the cylinder rod. This equipment is located in the Manufacturing Laboratory of the University of Guanajuato.
Note that the parameters of the experimental equipment differ from those used in the simulations, which have not yet been determined. Therefore, the experimental data were used to demonstrate that the dynamics of hydraulic cylinder displacement are similar to those observed in the simulation, as shown in Figure 6.
In addition, Figure 7 includes the fractal spectrum of the electrohydraulic system output, obtained from the MATLAB® dwtleader function, to demonstrate that the hydraulic cylinder and servo valve follow fractional dynamics.
Although the experimental bench is currently available, the required system parameterization is planned for future work. Thus, to demonstrate that fractional calculation minimizes the tracking error of a hydraulic cylinder, even in the presence of disturbances, the design of the fractional controller will be further developed, with simulations conducted using the system parameters as a reference, such as from the model reported in [3].

4.3. Perturbations and Their Effect on Electrohydraulic System Performance

The performance and stability of a control system are affected by the presence of disturbances, which may be caused by an external agent or by dynamic parameters not considered in the model; for this reason, a robust controller is desired. For instance, in electrohydraulic systems, the valve flow rate is sensitive to the magnitude of the load, variations in hydraulic supply outlet pressure are related to changes in fluid demand, the effective bulk modulus of the hydraulic fluid is influenced by changes in fluid temperature [31], etc.
To investigate such effects, the behavior of a hydraulic valve was simulated in ref. [39] by applying Gaussian noise with uniform normal distribution in the power spectrum and calculating the covariance matrix of the measurement noise. Similarly, Gaussian noise was used in ref. [40] to detect failures in a hydraulic cylinder in heavy machinery. Furthermore, a feedback control system requires instrumentation to detect the variables of interest, where sensors can add a noise signal to the system, as shown in Figure 8, where the flow rate is measured during the operation of a hydraulic cylinder. This condition of noise as a disturbance should be included in simulations in comparing the performance of the proposed scheme.

4.4. Optimization for Tuning and Fractional-Order Exponents

The minimization of the integral of the time-weighted absolute error (ITAE) can serve as an objective function to verify the behavior of dynamic fractional models, because it accounts for error variation through temporal weighting, thereby reducing the error over time. For instance, in [41], the application of fractional calculus to the position control of a hydraulic actuator is compared by reducing the overshoot percentage and the steady-state error value with respect to classical controllers based on integer-order models; however, the application of the ITAE value is a more complete and robust way to compare the performance of control systems, in which the error evolution over time is considered [42].
The MATLAB® function fminsearch, which is used for optimization, finds the minimum ITAE score, starting from initial values given by the classical PID and genetic algorithm (GA-PID) controllers reported in [3], or by initializing from the unit exponent value. Thus, the gains and exponents of the proposed fractional PID controller ( K p , K i , K d , γ , and μ ), as well as the fractional exponents of the hydraulic cylinder ( α ) and servo valve ( δ ), were tuned according to the cases under study as follows.
  • F O P I D 1 : The classical PID gains given by [3] are retained, and the fractional-order exponents γ and μ of the proposed controller are optimized. The electrohydraulic system model is considered to be in the integer order.
  • F O P I D 2 : The GA-PID gains given by [3] are retained, and the fractional-order exponents γ and μ of the proposed controller are optimized. The electrohydraulic system model is considered to be in the integer order.
  • F O P I D 3 : The classical PID gains given by [3] are retained, and the fractional-order exponents of the proposed controller are set as γ = 1 and μ = 1 . The fractional-order exponents of the electrohydraulic system model α and δ are optimized.
  • F O P I D 4 : The GA-PID gains given by [3] are retained, and the fractional-order exponents of the proposed controller are set as γ = 1 and μ = 1 . The fractional-order exponents of the electrohydraulic system model α and δ are optimized.
  • F O P I D 5 : The model of the electrohydraulic system is retained in integer order, and the gains as well as the fractional-order exponents of the proposed fractional PID controller K p , K i , K d , γ , and μ are optimized.
  • F O P I D 6 : The closed-loop system is entirely fractional, and the controller values K p , K i , K d , γ , and μ , as well as the fractional-order exponents of the electrohydraulic system δ and α , are optimized.
The results of the optimization process are collected in Table 4, where two additional cases are included: the values of the gains of the classical PID and GA-PID controllers reported in [3].

4.5. System Performance

The ITAE criterion was applied in comparing the performance of closed-loop system control for each of the abovementioned cases with respect to the performance reported in the literature. The example taken as a reference is where the genetic algorithm is used to tune the gains by minimizing the ITAE value, and the intention is to demonstrate that basic algorithms can be enhanced using fractional calculus to improve results. For this purpose, it is necessary to perform fair comparisons, so a time interval of 5 s was used for all simulations, a fixed step was established, and the ITAE value was calculated using Simpson’s 1/3 method according to the following expression:
I T A E = 0 t e ( t ) d t
where
  • t: time.
  • e ( t ) : the error as given by the difference between the reference and output signals.
The input signal for the numerical simulations is a step function and a sine function, which serves as the reference for closed-loop system control and the computation of the ITAE value.

5. Results

5.1. Closed-Loop System Control Without Perturbation

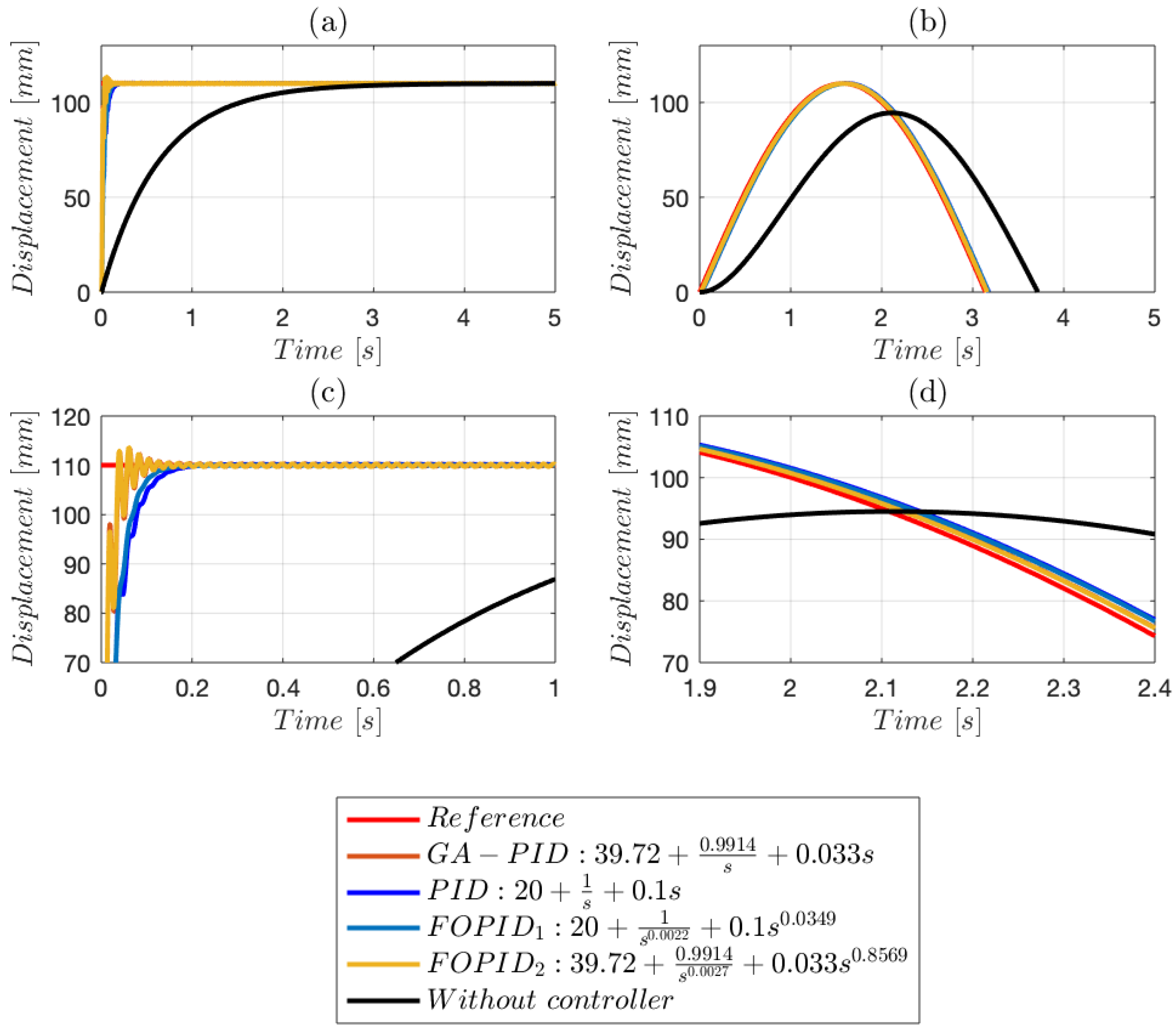
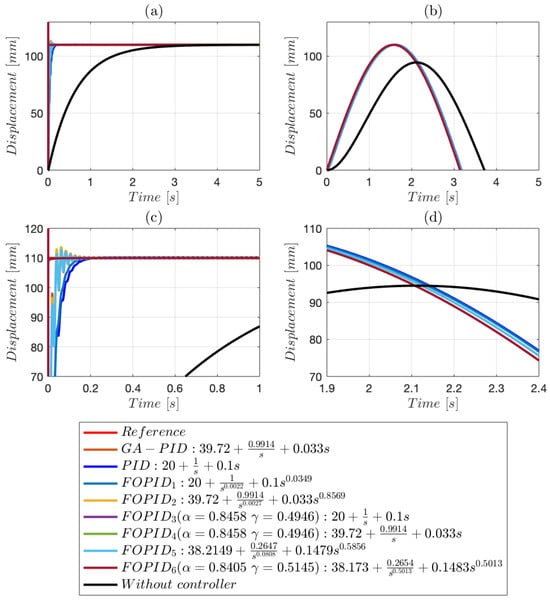
First, all the cases listed in Table 4 are simulated under the same parameters and simulation setup conditions for a system that is not perturbed. The results are plotted in Figure 9, where the cylinder displacement is shown in relation to either a step or a sinusoidal reference.
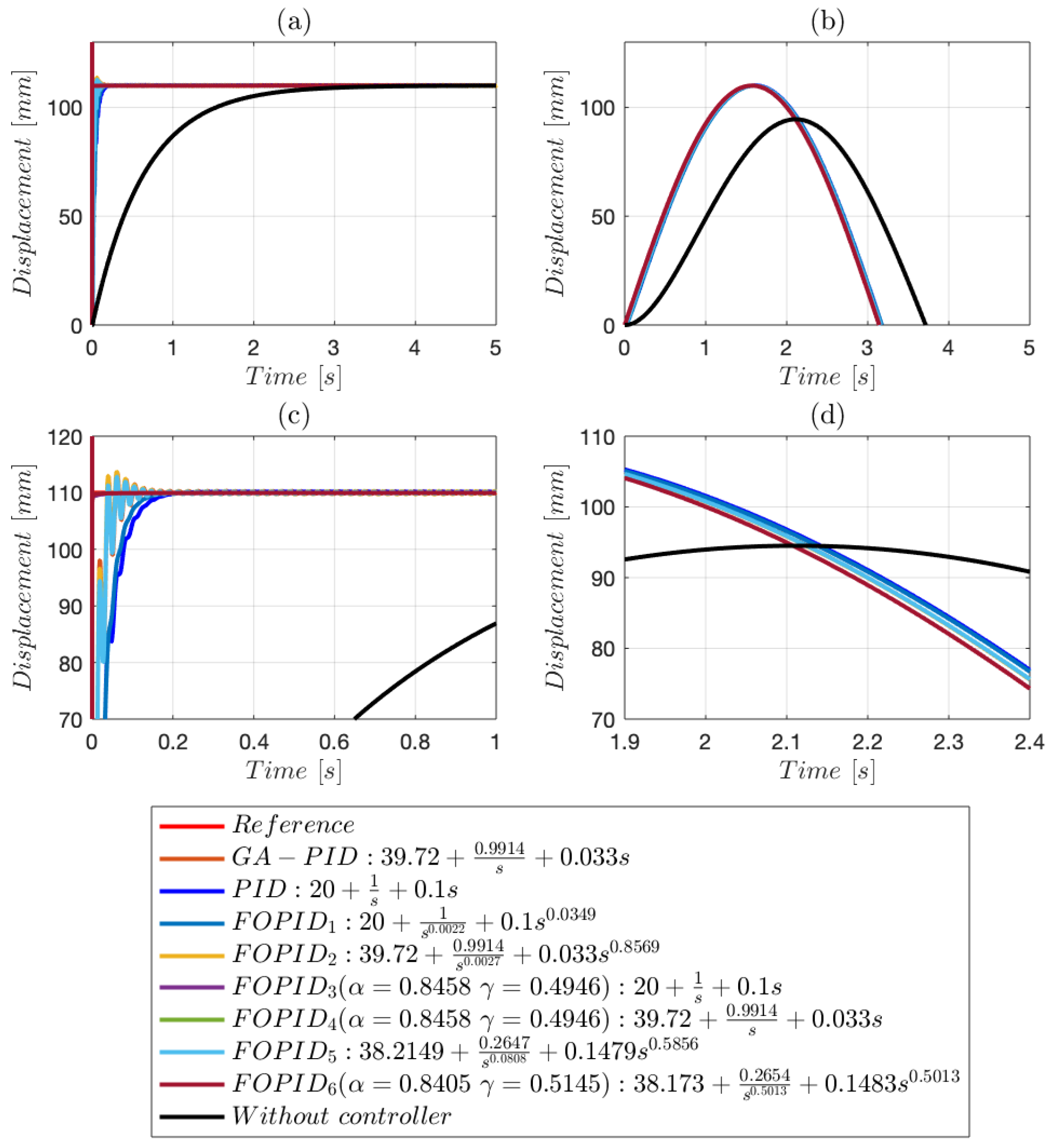
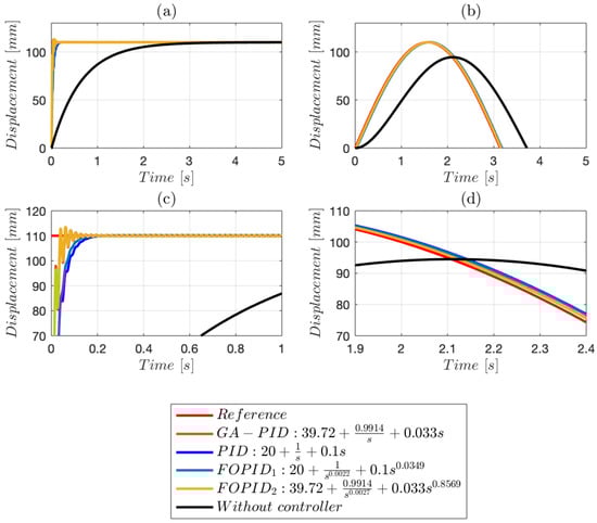
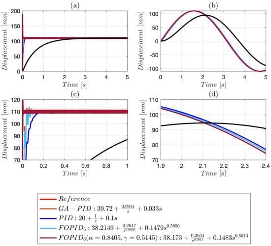
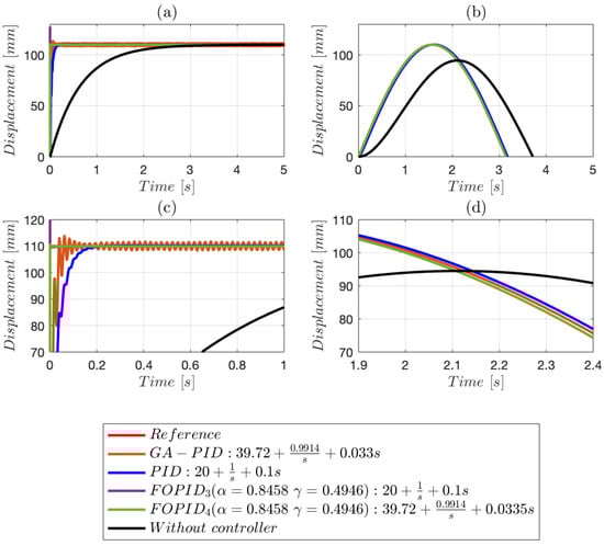
Then, considering the strategies included in the objective of this work, Figure 10 shows the results plotted for cases where the electrohydraulic system model is in the integer order while the controller is in the fractional order. Figure 11 shows the cases where the electrohydraulic system model is in the fractional order and the controller is in the integer order. Finally, in Figure 12, both the electrohydraulic system model and the controller are in the fractional order. In addition, the controllers reported in [3] are included in these figures for the comparison of the performance to the proposed approaches.
In all these cases, the improvement of the fractional calculation time is observed such that the system responds faster. However, the quantitative analysis of the response behavior is necessary, and it was performed using the ITAE values presented in Table 5.
Thus, for the step input, the alternative with the minimum ITAE value of 3.0380 × 10 5 is used for the F O P I D 6 case, where the closed-loop system, comprising both the electrohydraulic system and the controller, is entirely fractional, and where the controller gains and the fractional-order exponents of each transfer function were optimized. On the other hand, for a sinusoidal input, the minimum value of ITAE 1.9528 × 10 4 was obtained for the case F O P I D 4 , where the electrohydraulic system is in fractional order, and the controller in integer order is that reported in [3].

5.2. Closed-Loop System Control with Perturbation

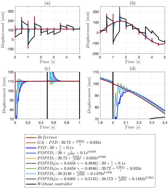
One of the advantages of applying fractional calculus to systems with high nonlinearities, when developing robust systems, is its accurate response despite external disturbances, since it allows effective noise reduction compared to the alternatives based on traditional calculus [43]. For this purpose, a white noise signal of 0.002 power and 0.5 sample time is introduced as a perturbation into the closed-loop system for all cases, with the same parameters and setup conditions as for the simulation. Figure 13 shows the responses of the perturbed closed-loop system to step and sinusoidal inputs.
The resulting ITAE values for the closed-loop system with white noise are shown in Table 6.
The minimum ITAE values for the closed-loop system with perturbation, for both step and sinusoidal inputs, were obtained for the case F O P I D 6 , where both the electrohydraulic system and the controller are in fractional order, which demonstrate that fractional calculus improves the performance of a system in the presence of a nonlinear disturbance.
The results presented in this work can be reproduced using the model parameters given in Table 3, as well as the values of the gains and fractional exponents in Table 4.

6. Conclusions

A generalized fractional dynamic model of an electrohydraulic system composed of a servo valve and a double-acting hydraulic cylinder was developed from the integer-order dynamic equations reported in the literature. This was used to calculate the fractional transfer function that models the electrohydraulic system by applying the Caputo definition and Laplace transform. This fractional model was then applied to a closed-loop system without a controller to carry out numerical simulations in MATLAB®/Simulink®. The response of the fractional-order model was compared with the integer-order model reported in the literature, where the fractional exponents α and δ were varied with values close to 1 to demonstrate that the response behavior of both models is identical when α = δ = 1 . Thus, the integer-order system model is a special case of the generalized fractional model proposed in this work. Experimental data of an electrohydraulic system were obtained to provide a spectrum fractal of the system output.
Concerning the fractional P I γ D μ for position control, the tuning of the fractional gains and exponents ( K p , K i , K d , γ , and μ ) was achieved using the fminsearch function in MATLAB®, where the minimum ITAE value was the objective function, starting with the values of the integer-order controllers reported in the literature (PID and GA-PID). Many simulations were developed with each of the established strategies to quantitatively analyze the performance of the closed-loop control system based on the ITAE value, considering either step or sinusoidal signals as input. In addition, numerical simulations were also conducted by adding a white noise signal as a perturbation.
The results show that the best performance was obtained using the closed-loop control system completely modeled in fractional order, namely regarding the electrohydraulic system and controller. Thus, fractional calculus can be effectively applied to electrohydraulic systems in designing a fractional-order PID controller to establish a closed-loop control system that has better performance with respect to control systems based on integer-order calculus. This is because the fractional-order control system is able to accommodate high nonlinearities and perturbations while minimizing the value of the objective function.
Future work will focus on experimental implementation, where a metaheuristic optimization algorithm will be used to determine the optimal fractional order of both the system model and the controller, through hardware and software, to validate the performance of the electrohydraulic system. In addition, a fractional reduced-order model can be identified and applied to describe the dynamic behavior of the electrohydraulic system from experimental data using analytical expressions for the estimation of fractional model parameters.

Author Contributions

Software, investigation, and writing—original draft preparation, E.H.R.; conceptualization, methodology, and writing—review, F.J.T.; validation, writing—review editing, and resources, A.J.B.-G.; project administration, and funding acquisition, I.M.-R.; Visualization, and validation, G.C.; formal analysis, and data curation, J.-P.R.-P. All authors have read and agreed to the published version of the manuscript.

Funding

This research and APC was funded by University of Guanajuato.

Data Availability Statement

The data supporting this study’s findings are available from the corresponding author upon reasonable request.

Conflicts of Interest

The authors declare no conflict of interest.

Abbreviations

The following abbreviations are used in this manuscript:
ITAEThe Integral of the Time-weighted Absolute Error
PIDProportional-Integral-Derivative
FOPIDFractional Order Proportional-Integral-Derivative
IMInduction Motor
LOA/FPIDLow-order Fractional Proportional-Integral-Derivative
IFTIterative Feedback Fitting
QFTQuantitative Feedback Theory
ODEOrdinary Differentials Equations
FDOFractional Derivative Operators
GA-PIDGenetic Algorithm Proportional-Integral-Derivative

References

  1. Wan, Z.; Fu, Y.; Liu, C.; Yue, L. Sliding Mode Control Based on High Gain Observer for Electro-Hydraulic Servo System. J. Electr. Comput. Eng. 2023, 2023, 7932117. [Google Scholar] [CrossRef]
  2. Lin, F.; Ou, K.; Wang, Y.X. A position adaptive control associated with high gain observer for electro-hydraulic servo system. In Proceedings of the 2020 Chinese Automation Congress (CAC), Shanghai, China, 6–8 November 2020; pp. 3345–3350. [Google Scholar]
  3. Guo, Y.Q.; Zha, X.M.; Shen, Y.Y.; Wang, Y.N.; Chen, G. Research on PID Position Control of a Hydraulic Servo System Based on Kalman Genetic Optimization. Actuators 2022, 11, 162. [Google Scholar] [CrossRef]
  4. Pencellia, M.; Villab, R.; Argiolas, A.; Niccolinia, M.; Ragagliaa, M.; Roccob, P.; Zanchettinb, A. On the estimation of resonance frequencies of hydraulically actuated systems. In Proceedings of the International Symposium on Automation and Robotics in Construction (ISARC 2019), Banff, AB, Canada, 21–24 May 2019; pp. 159–165. [Google Scholar]
  5. Rao, K.N.; Chakraverty, S. Nonlinear fractional. In Computation and Modeling for Fractional Order Systems; Academic Press: Cambridge, MA, USA, 2024; p. 103. [Google Scholar]
  6. Boulaaras, S. Coronavirus dynamics, infections and preventive interventions using fractional-calculus analysis. AIMS Math. 2023, 8, 8680–8701. [Google Scholar] [CrossRef]
  7. Jaradat, I.; Alquran, M.; Sivasundaram, S.; Baleanu, D. Simulating the joint impact of temporal and spatial memory indices via a novel analytical scheme. Nonlinear Dyn. 2021, 103, 2509–2524. [Google Scholar] [CrossRef]
  8. Valentim Junior, C.A.; Oliveira, N.A.d.; Rabi, J.A.; David, S.A. Can fractional calculus help improve tumor growth models? J. Comput. Appl. Math. 2020, 379, 112964. [Google Scholar] [CrossRef]
  9. Ahmad, J.; Ali, F.; Murtaza, S.; Khan, I. Caputo time fractional model based on generalized Fourier’s and Fick’s laws for Jeffrey nanofluid: Applications in automobiles. Math. Probl. Eng. 2021, 2021, 4611656. [Google Scholar] [CrossRef]
  10. Santi, L.; Royer-Carfagni, G. Viscoelastic modeling via fractional calculus of the cold bending of laminated glass. Eng. Struct. 2024, 305, 117756. [Google Scholar] [CrossRef]
  11. Dalir, M.; Bashour, M. Applications of fractional calculus. Appl. Math. Sci. 2010, 4, 1021–1032. [Google Scholar]
  12. Huang, G.; Qin, H.y.; Chen, Q.; Shi, Z.; Jiang, S.; Huang, C. Research on Application of Fractional Calculus Operator in Image Underlying Processing. Fractal Fract. 2024, 8, 37. [Google Scholar] [CrossRef]
  13. Awadalla, M.; Chaouk, A.; Jneid, M.; Abuasbeh, K.; Alahmadi, J. Processing the controllability of control systems with distinct fractional derivatives via Kalman filter and Gramian matrix. Fractal Fract. 2024, 8, 52. [Google Scholar] [CrossRef]
  14. Saif, A.; Fareh, R.; Sinan, S.; Bettayeb, M. Fractional synergetic tracking control for robot manipulator. J. Control Decis. 2024, 11, 139–152. [Google Scholar] [CrossRef]
  15. Al-Dhaifallah, M. Fuzzy fractional-order PID control for heat exchanger. Alex. Eng. J. 2023, 63, 11–16. [Google Scholar] [CrossRef]
  16. Li, G.; Xu, H.; Ruan, Z.; Liu, Q.; Gan, Y.; Yu, L.; Zhu, W.; Hu, G. Design and performance evaluation of a novel fractional order PID control strategy for vehicle semi-active suspension. Adv. Mech. Eng. 2024, 16, 16878132241241435. [Google Scholar] [CrossRef]
  17. Prabhakaran, A.; Ponnusamy, T.; Janarthanan, G. Optimized fractional order PID controller with sensorless speed estimation for torque control in induction motor. Expert Syst. Appl. 2024, 249, 123574. [Google Scholar] [CrossRef]
  18. Maurya, P.; Paul, N.; Prasad, D.; Singh, R.S. Modified fractional order PID structure for non-integer model bioreactor control. Can. J. Chem. Eng. 2024, 102, 3173–3191. [Google Scholar] [CrossRef]
  19. Idir, A.; Bensafia, Y.; Canale, L. Influence of approximation methods on the design of the novel low-order fractionalized PID controller for aircraft system. J. Braz. Soc. Mech. Sci. Eng. 2024, 46, 98. [Google Scholar] [CrossRef]
  20. Naidu, K.; Rajendran, G.; Mohamad, H.; Awalin, L.J.; Kaliannan, J.; Embrandiri, M. Enhancing Hybrid Electric Vehicle Speed Controller based on Fractional Order PID using Jaya Optimization Algorithm. In Proceedings of the 2024 IEEE 4th International Conference in Power Engineering Applications (ICPEA), Pulau Pinang, Malaysia, 4–5 March 2024; pp. 74–79. [Google Scholar]
  21. Hu, Y.; Liu, J.; Wang, Z.; Zhang, J.; Liu, J. Research on Electric Oil–Pneumatic Active Suspension Based on Fractional-Order PID Position Control. Sensors 2024, 24, 1644. [Google Scholar] [CrossRef]
  22. Zhang, X.; Zhang, S.; Xiong, F.; Liu, L.; Zhang, L.; Han, X.; Wang, H.; Zhang, Y.; Ren, R. System Identification and Fractional-Order Proportional–Integral–Derivative Control of a Distributed Piping System. Fractal Fract. 2024, 8, 122. [Google Scholar] [CrossRef]
  23. Aburakhis, M.; Ordóñez, R. Generalization of Direct Adaptive Control Using Fractional Calculus Applied to Nonlinear Systems. J. Control. Autom. Electr. Syst. 2024, 35, 428–439. [Google Scholar] [CrossRef]
  24. Maddahi, A.; Sepehri, N.; Kinsner, W. Fractional-order control of hydraulically powered actuators: Controller design and experimental validation. IEEE/ASME Trans. Mechatron. 2019, 24, 796–807. [Google Scholar] [CrossRef]
  25. Sun, H.; Li, R.; Xu, J.; Xu, F.; Zhang, B.; Dong, X. Fractional modeling and characteristic analysis of hydro-pneumatic suspension for construction vehicles. Processes 2021, 9, 1414. [Google Scholar] [CrossRef]
  26. Liu, C.; Jiang, H. A seventh-order model for dynamic response of an electro-hydraulic servo valve. Chin. J. Aeronaut. 2014, 27, 1605–1611. [Google Scholar] [CrossRef]
  27. Guo, Q.; Jiang, D. Nonlinear Control Techniques for Electro-Hydraulic Actuators in Robotics Engineering; CRC Press: Boca Raton, FL, USA, 2017. [Google Scholar]
  28. Lu, Y.; Liang, Y. Fractional Order Modeling for Hydraulic Cylinder System Controlled by Electro-Hydraulic Proportional Valve. In Proceedings of the 2023 China Automation Congress (CAC), Chongqing, China, 17–19 November 2023; pp. 5259–5264. [Google Scholar]
  29. Li, P.; Li, Y. Research on the electro-hydraulic servo system of picking manipulator. AIP Adv. 2023, 13, 015312. [Google Scholar] [CrossRef]
  30. Dolatkhah Takloo, S.; Mardani, M. Mechanically closed loop gearbox test rig controller. Trans. Mach. Intell. 2020, 3, 1–13. [Google Scholar]
  31. Karpenko, M.; Sepehri, N. On quantitative feedback design for robust position control of hydraulic actuators. Control Eng. Pract. 2010, 18, 289–299. [Google Scholar] [CrossRef][Green Version]
  32. Cervantes-Álvarez, F.A.; López-Olmos, F.; Torres-Del Carmen, F.d.J.; Capilla-González, G. Behavior analysis of a hydraulic circuit through a low-cost data acquisition system. J. Mech. Eng. 2022, 6, 1–7. [Google Scholar] [CrossRef]
  33. Li, Y.; Zhou, Z.; Zhang, N. Fractional derivative method for anomalous aquitard flow in a leaky aquifer system with depth-decaying aquitard hydraulic conductivity. Water Res. 2024, 249, 120957. [Google Scholar] [CrossRef]
  34. Nisar, K.S.; Farman, M.; Abdel-Aty, M.; Cao, J. A review on epidemic models in sight of fractional calculus. Alex. Eng. J. 2023, 75, 81–113. [Google Scholar] [CrossRef]
  35. Rei, C.; Wang, Q.; Yan, X.; Fu, L.; Zhang, P.; Wang, C. An adaptive electropneumatic end effector for constant force robot grinding with steel wire brush. Adv. Mech. Eng. 2024, 16, 16878132241244918. [Google Scholar] [CrossRef]
  36. Aboud, H.; Amouri, A.; Cherfia, A.; Bouchelaghem, A.M. Fractional-order PID controller tuned by particle swarm optimization algorithm for a planar CDPR control. Indones. J. Electr. Eng. Comput. Sci. 2024, 33, 1500–1510. [Google Scholar] [CrossRef]
  37. Tomar, B.; Kumar, N.; Sreejeth, M. Robust Control of Rotary Inverted Pendulum Using Metaheuristic Optimization Techniques Based PID and Fractional Order PI λ D μ Controller. J. Vib. Eng. Technol. 2024, 1–20. [Google Scholar] [CrossRef]
  38. Xue, D. FOTF Toolbox. MATLAB Central File Exchange. 2024. Available online: https://www.mathworks.com/matlabcentral/fileexchange/60874-fotf-toolbox (accessed on 19 August 2024).
  39. Nakata, N. Error analysis of digitally controlled servo hydraulic actuators for structural testing. J. Earthq. Eng. 2011, 15, 901–923. [Google Scholar] [CrossRef]
  40. Wrat, G.; Ranjan, P.; Mishra, S.K.; Jose, J.T.; Das, J. Neural network-enhanced internal leakage analysis for efficient fault detection in heavy machinery hydraulic actuator cylinders. Proc. Inst. Mech. Eng. Part C J. Mech. Eng. Sci. 2024. [Google Scholar] [CrossRef]
  41. Atsari, E.D.; Halim, A. Design of a Fractional Order PID Controller for Electric Hydraulic Actuator. Kinet. Game Technol. Inf. Syst. Comput. Netw. Comput. Electron. Control 2021, 6, 59–68. [Google Scholar]
  42. Naghidokht, A.; Khanbabaei, B. Optimal Fractional-Order PID Controllers Design for Plasma Current and Horizontal Position Control in IR-T1 Tokamak Based on Particle-Swarm Optimization. J. Theor. Appl. Phys. (JTAP) 2024, 18, 182442. [Google Scholar]
  43. Ilten, E. Fractional Order Weighted Mixed Sensitivity-Based Robust Controller Design and Application for a Nonlinear System. Fractal Fract. 2023, 7, 769. [Google Scholar] [CrossRef]
Figure 1. The electrohydraulic system.
Figure 1. The electrohydraulic system.
Fractalfract 08 00679 g001
Figure 2. Closed-loop fractional system.
Figure 2. Closed-loop fractional system.
Fractalfract 08 00679 g002
Figure 3. Fractional block in MATLAB®/Simulink®.
Figure 3. Fractional block in MATLAB®/Simulink®.
Fractalfract 08 00679 g003
Figure 4. Comparison of the system simulation results under step signal input in fractional and integer order.
Figure 4. Comparison of the system simulation results under step signal input in fractional and integer order.
Fractalfract 08 00679 g004
Figure 5. Experimental test bench of the electrohydraulic system.
Figure 5. Experimental test bench of the electrohydraulic system.
Fractalfract 08 00679 g005
Figure 6. Output response of the electrohydraulic system.
Figure 6. Output response of the electrohydraulic system.
Fractalfract 08 00679 g006
Figure 7. Fractal spectrum of the electrohydraulic system.
Figure 7. Fractal spectrum of the electrohydraulic system.
Fractalfract 08 00679 g007
Figure 8. Experimental data of a flow rate measurement.
Figure 8. Experimental data of a flow rate measurement.
Fractalfract 08 00679 g008
Figure 9. Simulation results of the system without noise under (a) step signal input, (b) sinusoidal signal input. Area of interest for the results under (c) step input, (d) sinusoidal signal input.
Figure 9. Simulation results of the system without noise under (a) step signal input, (b) sinusoidal signal input. Area of interest for the results under (c) step input, (d) sinusoidal signal input.
Fractalfract 08 00679 g009
Figure 10. Simulation results of the integer-order system model with a fractional-order controller under (a) step signal input, (b) sinusoidal signal input. Area of interest for the results under (c) step input, (d) sinusoidal signal input.
Figure 10. Simulation results of the integer-order system model with a fractional-order controller under (a) step signal input, (b) sinusoidal signal input. Area of interest for the results under (c) step input, (d) sinusoidal signal input.
Fractalfract 08 00679 g010
Figure 11. Simulation results of the fractional-order system model with the integer-order controller under (a) step signal input, (b) sinusoidal signal input. Area of interest for the results under (c) step input; (d) sinusoidal signal input.
Figure 11. Simulation results of the fractional-order system model with the integer-order controller under (a) step signal input, (b) sinusoidal signal input. Area of interest for the results under (c) step input; (d) sinusoidal signal input.
Fractalfract 08 00679 g011
Figure 12. Simulation results of the fractional-order system model and controller under (a) step signal input, (b) sinusoidal signal input. Area of interest for the results under (c) step input, (d) sinusoidal signal input.
Figure 12. Simulation results of the fractional-order system model and controller under (a) step signal input, (b) sinusoidal signal input. Area of interest for the results under (c) step input, (d) sinusoidal signal input.
Fractalfract 08 00679 g012
Figure 13. Simulation results of the fractional-order system model and controller with a signal of 0.002 power under (a) step signal input, (b) sinusoidal signal input. Area of interest for the results under (c) step input, (d) sinusoidal signal input.
Figure 13. Simulation results of the fractional-order system model and controller with a signal of 0.002 power under (a) step signal input, (b) sinusoidal signal input. Area of interest for the results under (c) step input, (d) sinusoidal signal input.
Fractalfract 08 00679 g013
Table 1. Adjustment of first- and second-order ODEs to FDOs.
Table 1. Adjustment of first- and second-order ODEs to FDOs.
Differential of Integer OrderFractional Adjustment
d x d t 1 σ 1 β d β d t β
d 2 x d t 2 1 σ 2 ( 1 β ) d 2 β d t 2 β
Table 2. First, second, and third fractional Laplace transformation order.
Table 2. First, second, and third fractional Laplace transformation order.
Fractional Derivative OrderFractional Laplace Transformed
L d ϕ y d t ϕ s ϕ Y ( s ) s ϕ 1 y ( 0 )
L d 2 ϕ y d t 2 ϕ s 2 ϕ Y ( s ) s ( 2 ϕ 1 ) y ( 0 ) s ( 2 ϕ 2 ) y ( 0 )
L d 3 ϕ y d t 3 ϕ s 3 ϕ Y ( s ) s ( 3 ϕ 1 ) y ( 0 ) s ( 3 ϕ 2 ) y ( 0 ) s ( 3 ϕ 3 ) y ( 0 )
Table 3. Parameters of the electrohydraulic system given by [3].
Table 3. Parameters of the electrohydraulic system given by [3].
ParameterNumerical Value
Hydraulic cylinder rod displacement220 mm
Hydraulic cylinder bore diameter101 mm
Hydraulic cylinder rod diameter63 mm
Valve rated current40 mA
Total compression volume ( V t )0.0010758 m3
Total mass ( m t )630 kg
Effective piston area ( A p )0.00489 m2
Servo valve flow gain ( K s )0.021 m A
Effective bulk modulus ( β e ) 7 × 10 8 N m 2
Oil supply pressure ( p s )2.1 MPa
Total flow pressure coefficient ( K c e ) 6.83 × 10 12 m N · s
Hydraulic natural frequency ( ω h )314 rad s
Hydraulic damping ratio ( ξ h )0.2
Natural frequency of servo-valve ( ω f )753.6 rad s
Damping ratio of servo-valve ( ς f )0.7
Table 4. Tuning values for controller models in the fractional and integer orders.
Table 4. Tuning values for controller models in the fractional and integer orders.
StrategyCaseFractional-Order Model α , δ PID Gains K p , K i , K d Fractional-Order Model γ , μ
IOM+IOCPID [3]1, 120, 1, 0.11, 1
GA-PID [3]1, 139.72, 0.9914, 0.0331,1
IOM+FOC F O P I D 1 1, 120, 1, 0.10.0022, 0.0349
F O P I D 2 1, 139.72, 0.9914, 0.0330.0027, 0.8569
F O P I D 5 1, 138.2149, 0.2647, 0.14790.0808, 0.5856
FOM+IOC F O P I D 3 0.8458, 0.494620, 1, 0.11,1
F O P I D 4 0.8458, 0.494639.72, 0.9914, 0.0331, 1
FOM+FOC F O P I D 6 0.8405, 0.514538.173, 0.2654, 0.14830.5013, 0.5013
Table 5. ITAE values of the proposed cases for testing without noise for the step and sinusoidal inputs.
Table 5. ITAE values of the proposed cases for testing without noise for the step and sinusoidal inputs.
CasesStep InputSenoidal Input
PID0.00200.0248
GA-PID 5.4581 × 10 4 0.0125
F O P I D 1 9.1958 × 10 5 0.0238
F O P I D 2 3.4713 × 10 5 0.0123
F O P I D 3 2.6820 × 10 4 3.8421 × 10 4
F O P I D 4 3.7628 × 10 4 1.9528 × 10 4
F O P I D 5 3.7371 × 10 5 0.0130
F O P I D 6 3.0380 × 10 5 2.2487 × 10 4
Table 6. ITAE values of the closed-loop system with noise for step and sinusoidal inputs.
Table 6. ITAE values of the closed-loop system with noise for step and sinusoidal inputs.
CasesStep InputSinusoidal Input
PID0.09020.0888
GA-PID0.04860.0482
F O P I D 1 0.08840.0885
F O P I D 2 0.04790.0480
F O P I D 3 0.07080.0707
F O P I D 4 0.06360.0635
F O P I D 5 0.05020.0503
F O P I D 6 0.03280.0329
Disclaimer/Publisher’s Note: The statements, opinions and data contained in all publications are solely those of the individual author(s) and contributor(s) and not of MDPI and/or the editor(s). MDPI and/or the editor(s) disclaim responsibility for any injury to people or property resulting from any ideas, methods, instructions or products referred to in the content.

Share and Cite

MDPI and ACS Style

Robles, E.H.; Torres, F.J.; Balvantín-García, A.J.; Martínez-Ramírez, I.; Capilla, G.; Ramírez-Paredes, J.-P. Fractional Calculus Applied to the Generalized Model and Control of an Electrohydraulic System. Fractal Fract. 2024, 8, 679. https://doi.org/10.3390/fractalfract8120679

AMA Style

Robles EH, Torres FJ, Balvantín-García AJ, Martínez-Ramírez I, Capilla G, Ramírez-Paredes J-P. Fractional Calculus Applied to the Generalized Model and Control of an Electrohydraulic System. Fractal and Fractional. 2024; 8(12):679. https://doi.org/10.3390/fractalfract8120679

Chicago/Turabian Style

Robles, Edgar Hiram, Felipe J. Torres, Antonio J. Balvantín-García, Israel Martínez-Ramírez, Gustavo Capilla, and Juan-Pablo Ramírez-Paredes. 2024. "Fractional Calculus Applied to the Generalized Model and Control of an Electrohydraulic System" Fractal and Fractional 8, no. 12: 679. https://doi.org/10.3390/fractalfract8120679

APA Style

Robles, E. H., Torres, F. J., Balvantín-García, A. J., Martínez-Ramírez, I., Capilla, G., & Ramírez-Paredes, J.-P. (2024). Fractional Calculus Applied to the Generalized Model and Control of an Electrohydraulic System. Fractal and Fractional, 8(12), 679. https://doi.org/10.3390/fractalfract8120679

Article Metrics

Back to TopTop